Menu Home

Бесплатная техническая библиотека для любителей и профессионалов Бесплатная техническая библиотека


Кварцевый резонатор преобразует неэлектрические величины в электрические. Энциклопедия радиоэлектроники и электротехники

Бесплатная техническая библиотека

Энциклопедия радиоэлектроники и электротехники / Радиолюбителю-конструктору

Комментарии к статье Комментарии к статье

Кварцевый резонатор находит применение не только для стабилизации частоты и фильтрации радиочастотных сигналов. Являясь высокодобротной электромеханической колебательной системой, он оказывается пригодным для измерения неэлектрических параметров в технологическом контроле изделий, полуфабрикатов и в мониторинге окружающей среды.

Кварцевый диссипативный преобразователь механической энергии выполнен на основе специализированного кварцевого резонатора, в котором пьезоэлемент покрыт чувствительным к измеряемой незлектрической величине веществом. Выходной электрический сигнал преобразователя поступает на измерительный прибор или компьютер. Объектами контроля могут быть газообразные, жидкие и твердые среды, включая жидкие кристаллы и биополимеры, а измеряемыми неэлектрическими величинами - влажность, температура, электро-, тепло- и светопроводимость, вязкоупругие свойства и др.

При воздействии на преобразователь измеряемой неэлектрической величины изменяется эквивалентное активное сопротивление кварцевого резонатора, являющееся мерой диссипации (рассеяния) упругих колебаний кварца. Известно, что резонатор представляет собой электромеханическую колебательную систему, содержащую пьезоэлемент, его электроды с выводами и держатель. Пьезоэлемент вырезают из природного или синтетического кристалла кварца. Электромеханические колебания в резонаторе происходят благодаря прямому и обратному пьезозффектам, присущим кварцу.

В основном применении резонатора (стабилизация и фильтрация сигналов) его эквивалентное электрическое (активное) сопротивление Ra называют динамическим и рассматривают как единое целое [1]. В действительности оно может быть разделено на составляющие: R0 - сопротивление, обусловленное потерями энергии колебаний в самом кварце; Rэ - в электродах; Rи - потерями на излучение ультразвука; Rc - на связанные колебания; Ra - потери в держателе.

При использовании кварцевого резонатора в преобразователе энергии необходимо было получить формулы для расчета всех составляющих сопротивления Ra, включая Rп, отражающую дополнительные потери в чувствительном покрытии, - его наносят на поверхность пьезозлемента для обеспечения информативного выходного сигнала, пропорционального значению контролируемого неэлектрического параметра [2]. Вместе с этим преобразователь должен иметь постоянное активное сопротивление при изменении неинформативных параметров. Для достижения независимости Ra от температуры должны быть исключены, например, потери на связанные колебания в резонаторе, что достигается изменением конструкции электродов на пьезоэлементе [3].

Расчет составляющих по формулам в [2] позволил выбрать вид среза пьезозлемента и определить его оптимальные размеры. Оптимальным для кварцевого диссипативного преобразователя механической энергии оказался срез ДТ (yxl/-52 град) с размерами пьезоэлемента 14,5x6,1x0,25 мм; резонансная частота - 300 кГц, Ra = 236 Ом (без чувствительного покрытия).

Значение информативного сигнала преобразователя (изменение активного сопротивления) определяют по формуле

где Кпр - коэффициент преобразования, равный 5416,74 кОмс/кг; Δ и μ - толщина чувствительного покрытия и его вязкость (внутреннее трение).

Применив в качестве чувствительного покрытия пленку капрона (полика-проамида), внутреннее трение которого зависит от влажности воздуха, удалось создать преобразователь-датчик влажности, ставший основой влагомера [4]. Динамическое сопротивление пре образователя в сухом воздухе (при относительной влажности 20...30 %) равно 1,2 кОм, а во влажном (90...95 %) - 3,265 кОм, что соответствует чувствительности не менее 26 Ом/%. Влагомер нашел применение в тепличном хозяйстве совхоза "Тепличный" (г. Иваново), а также в волноводах ивановских городских и областных телевизионных станций. Заметим, что в зимнее время в волноводе температура может понижаться до -35...45, а летом достигать +45 °С.

Интересно, что в известных влагомерах воздуха "ВОЛНА" в качестве датчика также применен кварцевый резонатор с капроновой влагочувствительной пленкой, но в нем использована зависимость резонансной частоты кварца от массы чувствительного покрытия. Такой прибор трудно выполнить малогабаритным (карманным), так как он должен содержать два кварцевых резонатора и два автогенератора.

Механизм рассеяния энергии упругих колебаний пьезозлемента в резонаторе значительно сложнее, он связан с релаксационными процессами в полимерном чувствительном покрытии и глубиной проникновения упругой волны в него. Для получения оптимальной влагочувствительности полимерная пленка, наносимая на пьезоэлемент, должна иметь определенное соотношение между ее вязкостью и упругостью, чего достигают добавлением к вязкому капрону жесткого фенолополивинилацетатного клея (БФ-2).

Отметим, что некоторые полимеры, имеющие значительное приращение массы во влажной среде, имеют малую зависимость внутреннего трения от влажности и поэтому непригодны для датчика влажности из-за низкой его чувствительности.

Конструкция преобразователя, используемого в качестве датчика влажности воздуха, схематически показана на рис. 1 [5]. На пьезокварцевую пластину 1 ДТ-среза с собственной частотой колебаний 300 кГц нанесено проводящее покрытие 2, к которому припаяны токоподводы 3. На пьезоэлементе отмечены места максимальных смещений Б и деформации В. Эти места соединены полосами 4 клея, наносимого 50%-ным раствором его в этиловом спирте. Влагочувствительная пленка 5 на поверхности пластины состоит из слоев полимеров с разными влагочувствительностью и вязкоупругостью.

Кварцевый резонатор преобразует неэлектрические величины в электрические

Технология наложения слоев несложна. После нанесения полос клея пластину сушат при температуре 150 °С в течение 60±10 мин для полимеризации клея. Затем ее окунают в 30 %-ный раствор клея в этиловом спирте и центрифугируют на воздухе с частотой вращения 2000...2500 мин"1 вокруг оси выводов в течение 30.. .40 с. На эту тонкую пленку клея, высушенную на воздухе, наносят слой капрона из б %-ного раствора в муравьиной кислоте. Пленки еще раз сушат при температуре 150 °С. При этом происходят не только полимеризация клея и взаимная диффузия пленок, но и стабилизация свойств покрытия.

Затем наносят второй тонкий слой клея, сушат на воздухе, и второй слой капрона 3%-ным раствором в муравьиной кислоте. Пластину снова подвергают горячей сушке, после чего проверяют выходной параметр преобразователя - его динамическое сопротивление Rc в сухом воздухе. Если оно мало, наносят дополнительные слои клея и капрона до тех пор, пока Rc не станет равным 1,2±0,1 кОм.

Описанная технология позволяет получать воспроизводимые по эксплуатационным параметрам датчики влажности. Они имеют линейную характеристику преобразования, малую инерционность и температурную погрешность.

Кварцевый резонатор преобразует неэлектрические величины в электрические

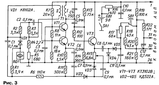
На базе этого датчика создан карманный гигрометр (рис. 2), способный контролировать влажность воздуха в пределах 20...95 % с точностью ±1 %. Принципиальная электрическая схема измерительного узла прибора изображена на рис. 3.

Кварцевый резонатор преобразует неэлектрические величины в электрические

Датчик ВQ1 включен в одно из плеч измерительного самобалансирующегося моста, работающего на частоте 300 кГц, последовательно с компенсационным элементом, содержащим резистор R1, конденсатор С1 и варикап VD1. Подстроечный резистор R5 служит для установки режима моста, например, при замене преобразователя. Выход моста через конденсатор С2 соединен с его входом через усилитель на транзисторах VT1, VT2 и фазирующий трансформатор Т1.

Емкость варикапа VD1 (из серий КВ102, КВ104 или аналогичного им) без подачи управляющего постоянного напряжения максимальна, а активное сопротивление на частоте 300 кГц минимально. По этой причине активное сопротивление цепи VD1R1 на частоте 300 кГц также минимально. В результате выполняется условие самовозбуждения усилителя: активное сопротивление измерительного плеча моста меньше сопротивления плеча сравнения, мост разбалансирован, его выходное напряжение максимально. Оно после усиления по току эмиттерным повторителем на транзисторе VT3 поступает на вход детектора, выполненного по схеме удвоения напряжения (диоды VD4, VD5). Полученное напряжение постоянного тока подают на аналого-цифровой преобразователь с жидкокристаллическим индикатором. Преобразователь и индикатор выполнены по стандартной схеме, поэтому на рис. 3 не показаны. Резистором R17 регулируют пределы контролируемой влажности.

Переключателем SB1 выбирают режим "Работа" или "Контроль напряжения питания" (которое поддерживают резистором R16).

Таким образом, одновременно с получением информативного сигнала, определяемого изменением динамического сопротивления преобразователя, которое, в свою очередь, зависит от влажности, обеспечивается автоматическое самобалансирование моста: высокочастотное напряжение с переменного резистора R15 поступает на детектор (диоды VD2, VD3) и через резистор R6 на компенсационный элемент (VD1R1C1). Выходное постоянное напряжение детектора управляет активным сопротивлением компенсационного элемента, а изменение емкости варикапа VD1 реализует автоматическое балансирование моста.

При включении питания активное сопротивление компенсационного элемента минимально, что обеспечивает самовозбуждение усилителя из-за разбаланса моста. Затем постоянное управляющее напряжение, зависящее от степени разбаланса, изменяет сопротивление компенсационного элемента, уменьшая сопротивление измерительного плеча моста и приближая его к сопротивлению плеча сравнения.

Полного баланса моста не происходит, так как в этом случае автоколебания не возбуждаются. Но при коэффициенте усиления усилителя Ку > 1000, разбаланс моста незначителен (около 10 Ом). Такой режим работы измерительного моста обеспечивает вторичному преобразователю высокую стабильность и необходимую чувствительность, регулируемую резистором R15.

Прибор питается от батареи "Крона" (GB1), подключаемой тумблером SA1. Потребляемый от источника ток - 2...3 мА.

Трансформатор выполнен на магнитопроводе типоразмера К12x5x5 из феррита М1000НМ-А. Обмотки I и II содержат соответственно 90 и 35 витков провода ПЭЛШО 0,01. Обмотка I с конденсатором С4 образуют резонансный контур, настроенный на частоту 300 кГц. При правильной фазировке обмоток трансформатора возникает положительная ОС.

Кварцевые диссипативные преобразователи механической энергии нашли весьма широкое применение. С их помощью измеряют реологические свойства крови человека при диагностике заболеваний [6], вязкоупругие свойства полимеров, определяют температуру фазовых переходов в жидких кристаллах и другие важные параметры.

Отметим, что метод исследования вязкоупругих покрытий кварцевых пластин был разработан нами раньше зарубежных ученых. Они используют для этих целей пьезоэлемент среза AT, который менее информативен, чем ДТ.

В журнале "Радио" [7] была помещена фотография экспоната с всесоюзной радиовыставки, применяемого для индикации наличия воды в авиационном топливе (авторы В. Е. Савченко и Н. И. Лобацевич, г. Иваново). Известно, что находящаяся в топливе растворенная вода (тысячные доли процента) с понижением температуры замерзает и, выпадая в осадок, способна забивать топливные фильтры, что может явиться причиной аварии летательного аппарата. Этот прибор успешно применялся на аэродромах. В нем реализовано изобретение [8], положившее начало использования вакуумированных кварцевых резонаторов в диссипативных преобразователях электрической энергии для контроля параметров рассеяния диэлектриков. Такие приборы получили название кварцевых диэлькометров.

Из рассмотрения эквивалентной схемы замещения кварцевого резонатора в [1] можно видеть, что при возбуждении на частоте последовательного резонанса его динамические индуктивность и емкость взаимно компенсируются. Если последовательно с резонатором включить емкостный датчик СД, происходят расстройка резонатора относительно резонансной частоты и увеличение динамического сопротивления из-за неполной компенсации индуктивного сопротивления емкостным. Полной компенсации препятствует межэлектродная емкость Co резонатора.

Значение активного сопротивления R цепи резонатор-емкостный датчик можно рассчитать по формуле

При наличии в емкостном датчике диэлектрических потерь, определяемых сопротивлением Rд, к сопротивлению R следует прибавить активное сопротивление датчика Ra.д, связанное с диссипацией энергии электрического поля в контролируемой среде, где находится датчик:

Частичная компенсация емкостного сопротивления датчика индуктивным сопротивлением резонатора и дает возможность измерять очень незначительные активные потери в диэлектриках.

Известные приборы с колебательными контурами, содержащими катушку и конденсатор, не могут надежно контролировать малые диэлектрические потери. Так, измеритель добротности Е4-7 на частоте 50 кГц может измерять активное сопротивление не более 100 МОм и с погрешностью ±5 %.

Определение активного сопротивления с помощью диссипативного преобразователя не требует ручной настройки на резонанс. Измерительный мост автоматически самобалансируется подобно тому, как описано выше (рис. 3). Он может легко контролировать активное сопротивление до 10 ГОм с погрешностью не более ±1 % при емкости датчика 4 пФ на частоте 50 кГц. С датчиком емкостью 1 пФ возможно будет измерять сопротивление потерь более 100 ГОм. Таким образом, описываемый преобразователь существенно расширяет возможности исследования новых материалов с малыми потерями.

На его базе созданы и приняты Государственной комиссией кварцевые влагомеры ВК-2, используемые в текстильном производстве для контроля и регулирования влажности движущихся текстильных материалов и полуфабрикатов. В отличие от зарубежных приборов аналогичного назначения фирмы Mahlo влагомер ВК-2 с высокой точностью контролирует влажность материалов из синтетических волокон, отличающихся малыми влагопоглощением и диэлектрическими потерями.

В приборе ВК-2 нет ролика со щеточным контактом, катящегося по ткани. Он заменен воздушным конденсатором емкостью примерно 150 пФ, образованным неподвижным цилиндром, соединенным с прибором, и цилиндром, катящимся по контролируемому материалу. Между цилиндрами имеется воздушный зазор около 0,5 мм. Проведенная в последнее время модернизация влагомера с переходом на новую элементную базу позволила улучшить его характеристики. Новый прибор ИВК-4 упрощает методику эксплуатации.

Разработан переносный прибор для контроля влажности сыпучих материалов, например, зерна, семян огурцов, помидоров и др. Он контролирует влажность таких объектов в пределах 2...30 %. Абсолютная погрешность не превышает ±1 % при влажности до 15 % и ±1,5 % - при 15 % и более. Использование в диссипативном преобразователе индуктивного датчика позволило создать дефектоскоп для обнаружения скрытых дефектов в углепластиках, применяемых на важных промышленных объектах.

Важные результаты были получены при исследовании с помощью преобразователя активного сопротивления льда, подтвердившие возможность регистрации не только воды в жидком топливе, но и льда при температуре до -50 °С.

Литература

  1. Белых А. Кварцевые фильтры для трансферов. - Радио, 2002, № 7, с. 64-67.
  2. Савченко В. Энергетический метод из-мерения неэлектрических величин с помощью кварцевых резонаторов. - Инженерно-физический журнал, 1997, № 1, с. 163-167.
  3. Савченко В. Е., Грибовв Л. К. Датчик влажности газов. Описание изобретения к авторскому свидетельству № 1003003. - Бюллетень "Открытия, изобретения, 1983, №9.
  4. Савченко В. Кварцевые датчики влажности газов. - Радио, 1975, № 11, с. 26, 27.
  5. Грибова Л. К., Савченко В. Е. Способ изготовления пьезокварцевого датчика влажности газов. Патент РФ № 2035731. - Бюллетень "Открытия, изобретения,...", 1995, № 14
  6. Савченко В. Е. и др. Датчик контроля реологических свойств крови. Описание изобретения к авторскому свидетельству № 1399686. - Бюллетень "Открытия, изобретения,...", 1988, № 20.
  7. Лысиков А. Радиолюбительский вклад в народное хозяйство. - Радио, 1987, №11, с. 47, 48.
  8. Савченко В. Е. Устройство для измерения параметров диэлектриков. Описание изобретения к авторскому свидетельству № 321770. - Бюллетень "Открытия, изобретения,...", 1971, № 35.
  9. Савченко В. Е. Параметрический преобразователь малых влагосодержаний диэлектриков в электрический сигнал. Патент РФ № 1049816. - Бюллетень "Открытия, изобретения,...", 1983, № 39

Автор: В.Савченко, Л.Грибова, г.Иваново

Смотрите другие статьи раздела Радиолюбителю-конструктору.

Читайте и пишите полезные комментарии к этой статье.

<< Назад

Последние новости науки и техники, новинки электроники:

Власть является ключевым фактором счастья в отношениях 11.03.2026

Исследования семейных и романтических отношений показывают, что длительное счастье пары зависит не только от привычных факторов, таких как доверие, уважение и преданность, но и от более тонких психологических аспектов. Современные ученые ищут закономерности, которые отличают действительно счастливые пары от остальных, чтобы понять, какие механизмы поддерживают гармонию в отношениях. Группа исследователей из Университета Мартина Лютера в Галле-Виттенберге и Бамбергского университета провела опрос среди 181 пары, которые состояли в совместных отношениях более восьми лет и прожили вместе хотя бы месяц. Участники заполняли анкету, описывая различные аспекты своих отношений, включая распределение обязанностей, эмоциональную поддержку и степень вовлеченности в совместные решения. Анализ данных показал интересный паттерн: пары, где оба партнера ощущали высокий уровень личной власти, оказывались наиболее счастливыми и удовлетворенными. В данном контексте под властью понимается способност ...>>

Защищенная колонка-повербанк Anker Soundcore Boom Go 3i 11.03.2026

Компания Anker представила новую модель линейки Soundcore - колонку Soundcore Boom Go 3i, ориентированную на активное использование на улице. Новинка отличается высокой степенью защиты: корпус соответствует стандарту IP68, что обеспечивает водо- и пыленепроницаемость, а ударопрочный дизайн выдерживает падение с высоты до одного метра. За качество звука отвечает 15-ваттный драйвер, обеспечивающий пик громкости до 92 дБ, а технология BassUp 2.0 усиливает низкие частоты, делая звучание более насыщенным. Колонка обладает автономностью до 24 часов, а LED-индикатор позволяет контролировать уровень заряда батареи. Кроме того, Soundcore Boom Go 3i может выполнять функцию павербанка: согласно внутренним тестам, устройство способно зарядить iPhone 17 с нуля до 40% за один час, что делает его полезным аксессуаром в походах и поездках. Среди функциональных особенностей модели стоит выделить технологию Auracast, которая улучшает подключение и позволяет создавать стереопару из двух колонок ...>>

Раннее воздержание от алкоголя перестраивает мозг и иммунитет 10.03.2026

Алкогольная зависимость - хроническое расстройство с компульсивным употреблением спиртного, которое влияет не только на поведение, но и на функционирование мозга и иммунной системы. Недавние исследования показали, что даже на ранних этапах воздержания организм начинает перестраиваться, открывая новые возможности для терапии зависимости. Ученые сосредоточились на пациентах, находящихся в первые недели абстиненции, и зафиксировали значительные изменения в мозговой активности. С помощью функциональной магнитно-резонансной томографии они выявили перестройку сетей нейронных связей, отвечающих за контроль импульсов и принятие решений. Эти изменения могут быть ключевыми для восстановления самоконтроля и снижения риска рецидива. Одновременно с нейронной перестройкой исследователи наблюдали колебания иммунной системы. В крови повышался уровень цитокинов - сигнальных белков, регулирующих воспалительные процессы. Эти данные свидетельствуют о существовании нейроиммунного взаимодействия, при ...>>

Случайная новость из Архива

Игровая гарнитура SteelSeries Siberia Elite 03.11.2013

Датская компания SteelSeries, специализирующаяся на производстве игровой периферии и аксессуаров, объявила о глобальном старте продаж игровой гарнитуры SteelSeries Siberia Elite.

Модель выполнена в белом (чёрном) цвете и имеет регулируемое оголовье со стальной дугой. Амбушюры устройства выполнены из пены полиуретана с дополнительными химическими веществами. Данный материал подстраивается под форму тела и носит название Memory Foam. Также стоит отметить возможность выбора цвета (16,8 млн. цветов) для подсветки на каждом наушнике. Присутствует и светодиодный индикатор на выдвижном микрофоне.

В наушниках используются технологии Dolby для объемного и реалистичного многоканального (поддержка звука 7.1) звучания: Dolby Headphone и Dolby Prologic IIx. На левом и правом наушнике расположились по одному специальному, вращаемому кольцу управления. Поворот элемента управления на левом наушнике активирует или деактивирует микрофон, а элемент справа - отвечает за регулировку громкости.

Чувствительность наушников равна 113 дБ/Вт, импеданс - 32 Ом. Частотный диапазон заявлен равным 16 Гц - 28 кГц. Микрофон оснащен функцией шумоподавления. Его чувствительность составляет -38 дБ, частотный диапазон - 75-16000 Гц, а импеданс - <2,2 кОм.

Сменные кабели, идущие в комплект с гарнитурой, расширяют совместимость Siberia Elite и упрощают подключение к разным источникам звука, включая ПК, Mac, планшеты и телефоны. В комплектацию также входит звуковая карта USB.

Модель SteelSeries Siberia Elite уже доступна к продаже на рынках Европы, Азии и Америки по цене 199 долл (199 евро).

Другие интересные новости:

▪ 13" Chromebook от Toshiba

▪ Телефон Explay Power с мощным аккумулятором

▪ Растворимый пластик из манго и водорослей

▪ Единое зарядное устройство для сотовых телефонов ЕС

▪ Биометрический сканер Finger Vein Authentication Device

Лента новостей науки и техники, новинок электроники

 

Интересные материалы Бесплатной технической библиотеки:

▪ раздел сайта Афоризмы знаменитых людей. Подборка статей

▪ статья Чего моя левая нога хочет. Крылатое выражение

▪ статья Для чего у кукурузы шелковая прядь? Подробный ответ

▪ статья Комплектовщик товаров. Должностная инструкция

▪ статья Дистанционное переключение телевизионных программ. Энциклопедия радиоэлектроники и электротехники

▪ статья Барометрическое давление и QSO. Энциклопедия радиоэлектроники и электротехники

Оставьте свой комментарий к этой статье:

Имя:


E-mail (не обязательно):


Комментарий:





Главная страница | Библиотека | Статьи | Карта сайта | Отзывы о сайте

www.diagram.com.ua

www.diagram.com.ua
2000-2026