Menu Home

Бесплатная техническая библиотека для любителей и профессионалов Бесплатная техническая библиотека


Проектирование электронных пуско-регулирующих аппаратов для люминесцентных ламп. Энциклопедия радиоэлектроники и электротехники

Бесплатная техническая библиотека

Энциклопедия радиоэлектроники и электротехники / Радиолюбителю-конструктору

Комментарии к статье Комментарии к статье

Разработка высокочастотных электронных пуско-регулирующих аппаратов (ЭПРА) для люминесцентных ламп - сложная инженерная задача со многими неизвестными, требующая солидных знаний и немалых затрат времени. Чтобы упростить ее решение, компания International Rectifier разместила на своем Интернет-сайте программу Ballast Designer - систему автоматизированного проектирования ЭПРА на специализированных микросхемах собственной разработки, делающую грамотное проектирование этих приборов доступным даже начинающему радиолюбителю.

Программа Ballast Designer освобождает разработчика ЭПРА (часто именуемых "электронными балластами") для осветительных люминесцентных ламп от рутинной работы по выбору элементов, длительного и трудоемкого расчета номиналов компонентов схемы и моточных изделий, давая возможность восполнить недостаток опыта в процессе работы, что особенно ценно для любительских разработок. Полученный всего за несколько минут комплект документов достаточен для изготовления рассчитанного изделия. Программа доступна бесплатно по адресу <irf.com/product-info/lightingbda.zip> (8,3 Мб).

Архив bda.zip необходимо распаковать в отдельную папку на жестком диске компьютера, после чего найти в ней и запустить программу Ballast Designer или установщик Setup. В обеих случаях компьютер начнет процедуру установки, по завершении которой на "Рабочем столе" появится ярлык "Ballast Designer". Для запуска одноименной программы в рабочем режиме достаточно щелкнуть "мышью" по ярлыку. Необходимо, чтобы в установках Windows ("Мой компьютер" - "Панель управления" - "Язык и стандарты" - "Числа") в качестве десятичного разделителя была указана точка, а не привычная русскоязычному пользователю запятая. В противном случае все закончится появлением на экране сообщения об ошибке и программа прекратит работу. При успешном запуске на экран будет выведено окно, показанное на рис. 1.

Проектирование электронных пуско-регулирующих аппаратов для люминесцентных ламп

Предлагаются две процедуры проектирования - стандартная и расширенная. По умолчанию будет использована стандартная, предоставляющая пользователю возможность "набрать" подходящий вариант из трех схем входного узла, пяти типов микросхем контроллера и нескольких десятков типов ламп, соединенных с ЭПРА по семи различным схемам. В процессе автоматического проектирования будет синтезирована схема ЭПРА, обеспечивающая оптимальные значения амплитуды и частоты напряжения, прикладываемого к лампе в режимах подогрева, поджига и горения, максимальный срок службы лампы, качество освещения и КПД устройства.

Расширенная процедура проектирования дает пользователю возможность активно влиять на принимаемые программой решения, изменяя по своему усмотрению более 20 параметров, включая частоту, напряжение и ток лампы в различных режимах и номиналы основных компонентов. Предусмотрена возможность конструктивного расчета дросселей по заданным электрическим параметрам

Чтобы выполнить стандартную процедуру, достаточно поочередно нажать пять экранных кнопок, расположенных под надписями "Step 1"- "Step 5" ("Шаг Г - "Шаг 5"), выбирая на каждом шаге один из предлагаемых вариантов.

Шаг 1 - выбор схемы выпрямителя сетевого напряжения. На экране открывается окно "Select Line Input". Перемещая движок в нижней части окна, выбирают один из вариантов выпрямительного узла (рис. 2,а-в). Его схема появится в окне, рядом с ней - список из нескольких вариантов допустимых пределов изменения сетевого напряжения. В списке необходимо выделить строку с самым подходящим вариантом.

Проектирование электронных пуско-регулирующих аппаратов для люминесцентных ламп

Для завершения шага останется нажать кнопку "Select". Выбранные пределы будут отображены в окошке "Input" над надписью "Step 1". Их можно изменить на любой стадии проектирования, нажав кнопку со стрелкой рядом с упомянутым окошком и выбрав из выпавшего списка новый вариант. Аналогичные возможности (выпадающие списки вариантов в окошках "Lamp", "Control 1С", "Configuration") программа предоставляет и для изменения параметров, задаваемых на других шагах стандартной процедуры проектирования.

Схемы мостового выпрямителя (рис. 2,б) и выпрямителя с удвоением напряжения (рис. 2,в) без всякого сомнения хорошо знакомы читателям. О схеме на рис. 2, а с активным корректором коэффициента мощности (англ. Power Factor Corrector, PFC) необходимо рассказать подробнее.

Получившие сегодня большое распространение импульсные источники электропитания, к которым можно отнести и ЭПРА, - не слишком удачная нагрузка для электросети. Дело в том, что они потребляют не синусоидальный, а импульсный ток с пиковым значением, многократно превосходящим эффективное. Высокочастотные составляющие спектра импульсов тока создают мощные помехи радио- и телевизионному приему и могут привести даже к сбоям компьютеров, подключенных к той же сети.

Недавно принятые рекомендации Международного Электротехнического Комитета МЭК 1000-3-2 устанавливают очень маленькие предельные уровни гармоник (вплоть до 39-й) в спектре потребляемого от сети тока при коэффициенте мощности, близком к 1. Требования стандартов, действующих в странах СНГ, в этом отношении пока значительно мягче, но их ужесточения можно ожидать в ближайшем будущем.

Активный корректор коэффициента мощности решает проблему, делая потребляемый ток близким по форме к синусоидальному. Корректор представляет собой импульсный повышающий преобразователь-стабилизатор напряжения. Благодаря его работе мощный импульс зарядного тока конденсатора С1 (рис. 2,а) раздроблен на множество коротких импульсов, распределенных по периоду таким образом, что их среднее значение изменяется почти по синусоидальному закону. Образующиеся высокочастотные составляющие тока сглаживает не показанный на упрощенной схеме фильтр. При питании от сети 220 В обычное выходное напряжение корректора - 400 В. Оно стабилизировано, поэтому яркость свечения лампы практически не зависит от изменений напряжения сети в широких пределах.

Программа Ballast Designer обычно строит узел управления корректором на базе микросхемы L6561 - специализированного контроллера PFC. Контроллеры ЭПРА IR2166, IR2167 снабжены встроенными узлами управления корректором, по утверждению фирмы, превосходящими по параметрам специализированные микросхемы.

Шаг 2 - выбор типа и мощности лампы. На экране открывается окно "Select Lamp". В нем, передвигая ползунок, выбирают лампу одной из показанных на рис. 3 групп.

Проектирование электронных пуско-регулирующих аппаратов для люминесцентных ламп

В каждой из них имеются лампы различной мощности. Принятые в программе названия групп условны. Соответствие между ними и буквенными индексами в обозначениях наиболее распространенных ламп некоторых производителей можно определить по таблице (лампы группы Spiral перечисленные в ней фирмы не выпускают)

Проектирование электронных пуско-регулирующих аппаратов для люминесцентных ламп

К группам Т5, Т8, Т12 относят обычные линейные люминесцентные лампы (лампы дневного света) с диаметром колбы соответственно 16, 26 и 38 мм, в том числе с повышенной эффективностью и с улучшенным спектральным составом света.

Предусмотрена возможность расширения перечня ламп пользователем. Для этого достаточно в окне "Select Lamp" выбрать группу "User Lamp" и нажать кнопку "Edit List". Будет открыто окно редактирования перечня ламп и их параметров.

Шаг 3 - выбор микросхемы контроллера ЭПРА. На экране открывается окно "Select Target 1С". Перемещая движок, выбирают одну из предлагаемых микросхем. Если в компьютере установлена программа Adobe Acrobat Reader, нажав на кнопку "Datasheet" в верхней части главного окна (см. рис. 1), можно посмотреть описание и справочные данные выбранной микросхемы на английском языке. В версии программы, действовавшей во время подготовки статьи, предлагались следующие микросхемы:

IR21571 - для самых простых ЭПРА, сравнительно просто адаптируемых к люминесцентным лампам различных типов. Русский перевод datasheet-a на эту микросхему.

IR2157 - обеспечивает оптимальные режимы запуска предварительного подогрева катодов, зажигания и работы лампы и автоматическую смену режимов. Снабжена узлами контроля состояния и защиты нитей накала лампы, защиты от пониженного напряжения питания, от выхода из строя при смене лампы, от тепловой перегрузки, от электростатических разрядов и некоторыми другими средствами, обеспечивающими надежную работу ЭПРА и ее автоматический перезапуск после выхода из аварийной ситуации.

IP2156 - "младшая сестра" IP2157, отличается от нее отсутствием некоторых защитных функций.

IR2159 - совпадает по функциональным возможностям с IR2157, дополнительно позволяя регулировать яркость свечения лампы изменением от 0,5 до 5 В управляющего напряжения, подаваемого на специальный вход. Пределы изменения яркости (в интервале 1... 100 %) задают резисторами, подключаемыми к выводам микросхемы. Реализован метод управления мощностью, подводимой к лампе, не требующий разделительного трансформатора. Русский перевод datasheet-a на микросхему.

IR2166, IR2167 - снабжены, как уже отмечалось, встроенными контроллерами корректора коэффициента мощности с динамической адаптацией к режиму работы ЭПРА. Обеспечивается суммарный коэффициент гармоник менее 10 % и коэффициент мощности более 0,99 при питании от сети с номинальным напряжением 120 и 220 В, что перекрывает требования стандартов большинства европейских стран и превосходит показатели многих специализированных микросхем управления корректором.

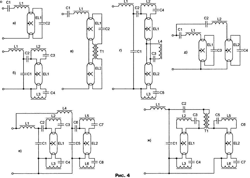
Шаг 4 - выбор числа ламп и схемы их соединения с ЭПРА. На экран выводится окно "Select Lamp Configuration", в котором необходимо, перемещая движок, выбрать подходящую схему с одной или двумя лампами. Все возможные варианты показаны на рис. 4,а-ж.

Проектирование электронных пуско-регулирующих аппаратов для люминесцентных ламп
(нажмите для увеличения)

Шаг 5 - автоматическое проектирование ЭПРА. После нажатия на клавишу "Design Ballast" на экране появляется окно с логотипом фирмы International Rectifier, в котором отмечается ход процесса проектирования, занимающего всего несколько секунд. По завершении открываются окна, в одном из которых находится принципиальная схема спроектированного устройства.

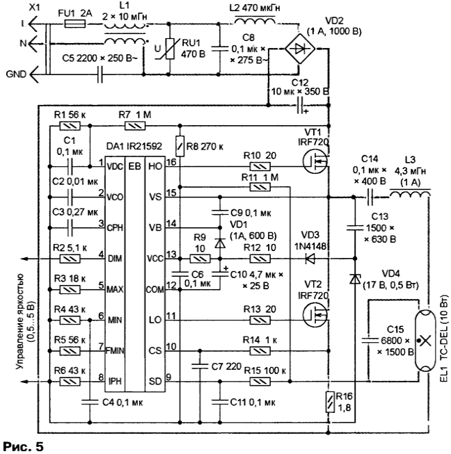
Пример синтезированной схемы приведен на рис. 5. Она отличается от оригинала лишь использованием привычных читателям журнала условных обозначений элементов. Цепи, выделенные цветом, должны быть выполнены по возможности короткими проводами большого сечения. Типы и номиналы элементов на оригинальной схеме отсутствуют, вместо этого в отдельном окне приведен их перечень (англ. Bill of Materials, BOM).

Проектирование электронных пуско-регулирующих аппаратов для люминесцентных ламп

Еще одно или несколько (по числу элементов) окон содержат данные об имеющихся в спроектированном ЭПРА индуктивных элементах. Пример такого окна - на рис. 6. Кроме номинальной индуктивности, максимальных тока и температуры, здесь указаны все необходимые для изготовления дросселя или трансформатора данные: рекомендуемый типоразмер (core size) и марка материала магнитопровода (core material), длина немагнитного зазора (gap length), число витков (turns) и диаметр провода (wire diameter) обмотки. Приводится даже эскиз конструкции и расположения выводов.

Проектирование электронных пуско-регулирующих аппаратов для люминесцентных ламп

Для перехода к расширенной процедуре проектирования в главном окне программы (см. рис. 1) нужно нажать кнопку "Advanced". В результате главное окно будет преобразовано в показанное на рис. 7.

Проектирование электронных пуско-регулирующих аппаратов для люминесцентных ламп

Оно обеспечивает доступ к значениям всевозможных параметров, которые можно изменять в процессе проектирования. Положение рабочей точки лампы (в координатах напряжение-частота) в различных режимах и траекторию ее перемещения при их изменении можно получить в графическом виде (рис. 8). Предоставляется возможность открыть окна проектирования индуктивных элементов (кнопка "Inductor") или выбора номиналов элементов, задающих режим работы контроллера ЭПРА (кнопка "Program 1С").

Проектирование электронных пуско-регулирующих аппаратов для люминесцентных ламп

При подготовке статьи использована информация, найденная в Интернете по адресам: <irf.com>, <irf.com/product-info/lighting/fluorescent.html>, <irf.com/product-info/lighting/>, <irf.com/product-info/lighting/tplighting.html <irf.com/forms/eltdk.html>, <ec.irf.com/v6/en/US/adirect/ir?cmd=eDownloadBallast>, <irf.com/technical-info/documents.htm>.

Автор: Ю.Давиденко, г.Луганск, Украина

Смотрите другие статьи раздела Радиолюбителю-конструктору.

Читайте и пишите полезные комментарии к этой статье.

<< Назад

Последние новости науки и техники, новинки электроники:

Токсичность интернета преувеличена 07.01.2026

Социальные сети нередко воспринимаются как арена постоянной агрессии, оскорблений и распространения фейковой информации. Новое исследование Стэнфордского университета показывает, что реальность значительно отличается от популярного представления: интернет гораздо менее токсичен, чем многие пользователи считают. Ученые опросили более тысячи американцев, попросив их оценить долю пользователей соцсетей, которые ведут себя агрессивно или распространяют ненависть. Оказалось, что впечатления людей сильно преувеличивают масштабы проблемы. Например, респонденты считали, что почти половина пользователей Reddit хотя бы раз оставляла оскорбительные комментарии, тогда как фактические данные платформы показывают, что таких людей не более 3%. Аналогичная ситуация наблюдается с дезинформацией. Опрос показал, что большинство участников считали почти половину аудитории Facebook распространителями фейковых новостей, однако статистика говорит об обратном: фактическая доля таких пользователей состав ...>>

Процессоры Ryzen AI 400 07.01.2026

Современные вычисления все больше ориентируются на интеграцию искусственного интеллекта и высокую производительность в компактных устройствах, таких как ноутбуки и мини-ПК. Новая линейка процессоров AMD Ryzen AI 400 демонстрирует, как разработчики объединяют мощные центральные ядра, графику и нейросетевые ускорители в одном чипе, чтобы удовлетворять растущие потребности пользователей в играх, контенте и ИИ-приложениях. AMD представила процессоры серии Gorgon Point, которые включают до 12 ядер Zen 5 и до 24 потоков вычислений. Чипы поддерживают интегрированную графику RDNA 3.5, обеспечивают максимальную тактовую частоту до 5,2 ГГц и имеют энергопотребление от 15 Вт до 54 Вт. Особое внимание уделено NPU, способному обрабатывать до 60 триллионов операций в секунду (TOPS), что делает эти процессоры эффективными для задач с искусственным интеллектом. Конструкция Ryzen AI 400 сочетает ядра Zen 5 и Zen 5c, обеспечивая высокую гибкость и производительность. Несмотря на то, что архитектур ...>>

Женщины лучше распознают признаки болезни по лицу 06.01.2026

Способность распознавать, что кто-то нездоров, часто проявляется интуитивно: бледная кожа, опущенные веки, уставшее выражение лица могут сигнализировать о недомогании. Новое исследование международной группы ученых показало, что женщины в среднем точнее мужчин улавливают такие тонкие невербальные признаки болезни, что может иметь эволюционные и социальные объяснения. В отличие от предыдущих работ, где использовались отредактированные фотографии или имитация больных лиц, ученые решили проверить, насколько люди способны распознавать естественные признаки недомогания. Такой подход позволил оценить реальную чувствительность к изменениям в лицах, возникающим при болезни. В исследовании приняли участие 280 студентов, поровну мужчин и женщин. Участникам предложили оценить 24 фотографии, на которых изображены люди как в здоровом состоянии, так и во время болезни. Это дало возможность сравнить восприятие естественных признаков недомогания в реальных лицах. Для анализа состояния каждого ...>>

Случайная новость из Архива

Роботы по пошиву джинсов 19.12.2022

По оценкам специалистов, автоматизации в обозримом будущем будут подвергнуты многие производственные операции, подразумевающий монотонный ручной труд, но большой проблемой для создателей роботов до сих пор остается их неспособность обращаться с гибкими материалами произвольной формы. Инженеры Siemens нашли способ обучить роботов шить джинсы - для этого нужно обрабатывать ткань особым составом.

Соответствующие эксперименты с 2018 года проводят компании Siemens и Levi's. Проблема автоматизации в этой отрасли обострилась в разгар пандемии, когда перебои с логистикой лишили американских потребителей возможности получать одежду в достаточных количествах из стран, где традиционно для последних лет сосредоточено профильное производство.

Манипуляторы роботов с трудом способны обрабатывать ткани, которые могут иметь разную толщину и фактуру, а также в процессе работы постоянно меняют форму. Siemens свои эксперименты в этой сфере начинала с создания роботов, которые могут обрабатывать все типы гибких материалов, включая тончайшие проводки для электроники. Позднее пришло осознание того, что имеет смысл задуматься и об автоматизации процесса изготовления джинсов, поскольку те производятся из достаточно плотной и жесткой ткани. Ёмкость рынка одежды достигает $1,52 трлн в год, поэтому инвестиции в автоматизацию способны себя оправдать хотя бы в ситуации, когда нужно локализовать производство в странах с высоким уровнем оплаты труда рабочих.

Siemens нашла партнера в лице молодой компании Sewbo, которая предлагает использовать специальную пропитку для джинсовой ткани, временно увеличивающую жесткость материала. Данное изменение свойства позволяет упростить обработку материала силами роботов. Специальный состав вымывается без остатка при дальнейшей стирке джинсов. Брюки этого типа в любом случае подвергаются стирке в процессе производства, поэтому технология усложняется незначительно.

У внедрения подобных решений есть и социальный аспект, который в случае с производством одежды будет сложно нивелировать. Исследования показали, что замещение рабочих роботами не лучшим образом сказываются на жизни первых. Участники испытаний разработанных Siemens роботов подтверждают, что недовольство персонала процессами автоматизации порой выражалось даже угрозами физической расправы.

Другие интересные новости:

▪ Веб-камеры RealSense

▪ Химики борются с глобальным потеплением

▪ SMS от Йоулупукки

▪ Измеритель вибрации на процессоре ARM

▪ Созданы самые точные весы в мире

Лента новостей науки и техники, новинок электроники

 

Интересные материалы Бесплатной технической библиотеки:

▪ раздел сайта Дом, приусадебное хозяйство, хобби. Подборка статей

▪ статья Чужие здесь не ходят. Крылатое выражение

▪ статья Что такое сумчатые? Подробный ответ

▪ статья Волчеягодник смертельный. Легенды, выращивание, способы применения

▪ статья Мелодичный звонок на микросхеме УМС8. Энциклопедия радиоэлектроники и электротехники

▪ статья Великий побег из пиджака. Секрет фокуса

Оставьте свой комментарий к этой статье:

Имя:


E-mail (не обязательно):


Комментарий:





Главная страница | Библиотека | Статьи | Карта сайта | Отзывы о сайте

www.diagram.com.ua

www.diagram.com.ua
2000-2026