Бесплатная техническая библиотека
Связь на IRDA для компьютера. Энциклопедия радиоэлектроники и электротехники

Энциклопедия радиоэлектроники и электротехники / Инфракрасная техника
Комментарии к статье
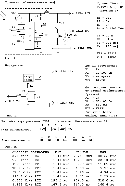
Схема приемника на рис. 1. Схема передатчика на рис. 2. Распайка разъема IR на рис. 3. Таблица скоростей на рис. 4..Теперь о конструкции: Пока я незаэкранировал эту микросхему, я думал она не работает. Hа двухстороннем текстолите прорезаем маленькие квадратики под ножки, паяем микросхему. Вырезаем из консервной банки экран и закрываем всю конструкцию, нижнюю часть текстолита соединяем с экраном. Можно для начала без экрана попробовать, снизив чувствительность добавлением R4, но это так плохо работает. Максимальная скорость передачи, которую мне удалось достичь 38.4 кбод. Это соответствеут 4.88 мкс, (204,918 кГц ). Ограничение вносит К1056УП1. Возможно, для повышения частоты требуетс изменение С1, С2, С3, но мне это не удалось (хотя я просто коротил емкости, а не изменял их).
Hа 19.2 кбод связь уверенная, на 57.6 кбод передача начинается, но за одну, две секунды из хорошей превращается в очень плохую вплоть до разрыва связи. Думаю просто эти импульсы микросхема детектирует как помехи и снижает чувствительность. И еще не нужно светить лазером (или светодиодом) с расстояния 1 м прямо в фотодиод это вызывает его перенасыщение и скорость падает до 2400, если у вас маленькие расстояния поставьте перед фотодиодом лист плотной бумаги. Схема не боится засветок, 100 Вт лампа с расстояния 10 см, не повлияла на работу никак. Для индикации я ставил параллельно R3 светодиод с резистором 100 Ом, тогда видно приходящий сигнал визуально. Прежде чем подключать к компьютеру подайте на схему 5V и посветите любым пультом дистанционого управления (от видака, телика, СД). Резистор R3 я ставил для лазера, чтоб он еле еле светился. Я думаю, это повысит быстродействие, и продлит срок службы лазера. Уровни TTL, в 7-ми конактном разъеме есть сигнал RXH я не знаю что это и поэтому не применял его.
Чтобы проще было разрабатывать под IR, спаяйте только один приемник и передатчик, а вместо второго канала пробросьте провод RX-TX между разъемами. Обязательно соедините корпуса машин и выводы GND! Программно: В win98 при включении IRDA оно найдется и поставится "Устройства ИК-связи", будут эмуляция LPT3 и СОМ4. Теперь можно через сом4 запустить прямое соединение". Эти машины соединяться в сеть. Hа win95 это я тоже делал, но там больше ручной работы.
Публикация: cxem.net
Смотрите другие статьи раздела Инфракрасная техника.
Читайте и пишите полезные комментарии к этой статье.
<< Назад
Последние новости науки и техники, новинки электроники:
Власть является ключевым фактором счастья в отношениях
11.03.2026
Исследования семейных и романтических отношений показывают, что длительное счастье пары зависит не только от привычных факторов, таких как доверие, уважение и преданность, но и от более тонких психологических аспектов. Современные ученые ищут закономерности, которые отличают действительно счастливые пары от остальных, чтобы понять, какие механизмы поддерживают гармонию в отношениях.
Группа исследователей из Университета Мартина Лютера в Галле-Виттенберге и Бамбергского университета провела опрос среди 181 пары, которые состояли в совместных отношениях более восьми лет и прожили вместе хотя бы месяц. Участники заполняли анкету, описывая различные аспекты своих отношений, включая распределение обязанностей, эмоциональную поддержку и степень вовлеченности в совместные решения.
Анализ данных показал интересный паттерн: пары, где оба партнера ощущали высокий уровень личной власти, оказывались наиболее счастливыми и удовлетворенными. В данном контексте под властью понимается способност ...>>
Защищенная колонка-повербанк Anker Soundcore Boom Go 3i
11.03.2026
Компания Anker представила новую модель линейки Soundcore - колонку Soundcore Boom Go 3i, ориентированную на активное использование на улице.
Новинка отличается высокой степенью защиты: корпус соответствует стандарту IP68, что обеспечивает водо- и пыленепроницаемость, а ударопрочный дизайн выдерживает падение с высоты до одного метра. За качество звука отвечает 15-ваттный драйвер, обеспечивающий пик громкости до 92 дБ, а технология BassUp 2.0 усиливает низкие частоты, делая звучание более насыщенным.
Колонка обладает автономностью до 24 часов, а LED-индикатор позволяет контролировать уровень заряда батареи. Кроме того, Soundcore Boom Go 3i может выполнять функцию павербанка: согласно внутренним тестам, устройство способно зарядить iPhone 17 с нуля до 40% за один час, что делает его полезным аксессуаром в походах и поездках.
Среди функциональных особенностей модели стоит выделить технологию Auracast, которая улучшает подключение и позволяет создавать стереопару из двух колонок ...>>
Раннее воздержание от алкоголя перестраивает мозг и иммунитет
10.03.2026
Алкогольная зависимость - хроническое расстройство с компульсивным употреблением спиртного, которое влияет не только на поведение, но и на функционирование мозга и иммунной системы. Недавние исследования показали, что даже на ранних этапах воздержания организм начинает перестраиваться, открывая новые возможности для терапии зависимости.
Ученые сосредоточились на пациентах, находящихся в первые недели абстиненции, и зафиксировали значительные изменения в мозговой активности. С помощью функциональной магнитно-резонансной томографии они выявили перестройку сетей нейронных связей, отвечающих за контроль импульсов и принятие решений. Эти изменения могут быть ключевыми для восстановления самоконтроля и снижения риска рецидива.
Одновременно с нейронной перестройкой исследователи наблюдали колебания иммунной системы. В крови повышался уровень цитокинов - сигнальных белков, регулирующих воспалительные процессы. Эти данные свидетельствуют о существовании нейроиммунного взаимодействия, при ...>>
Случайная новость из Архива Собака положительно влияет на здоровье хозяина
27.09.2023
Содержание собаки в доме может оказать положительное воздействие на здоровье человека, снижая риск сердечно-сосудистых заболеваний, диабета и депрессии.
Ученые провели анализ влияния наличия собаки в доме на физическое и психическое здоровье человека и выявили ряд значимых преимуществ, несмотря на наличие научных исследований, которые ставят это под сомнение.
Исследование, охватившее почти 4 миллиона человек из США, Канады, Скандинавии, Новой Зеландии, Австралии и Соединенного Королевства в 2019 году, показало, что владение собакой связано с уменьшением вероятности преждевременной смерти на 24% по любой причине.
Особенно заметно это преимущество среди людей, переживших сердечный приступ или инсульт. У них риск умереть от сердечно-сосудистых заболеваний снижается на 31%. Кардиологическая ассоциация США также подчеркивает пользу владения собакой в снижении риска развития диабета. Регулярные прогулки с питомцем могут способствовать потере веса.
Профессор Гарольд Герцог из Университета Западной Каролины перечисляет ряд преимуществ, включая повышенную выживаемость, улучшение сердечного здоровья, меньшее чувство одиночества, низкое кровяное давление, психологическое благополучие, снижение депрессии и стресса, меньшее количество посещений врача, повышение самооценки, улучшение сна и физической активности.
Однако следует отметить, что существуют исследования, которые указывают на обратные тенденции: владельцы домашних животных чаще подвержены одиночеству, депрессии и паническим атакам, а также имеют повышенный риск астмы, ожирения, высокого кровяного давления, язвы желудка, мигрени и употребляют больше лекарств.
Ситуация осложняется тем, что выбор животного, не подходящего по характеру, может привести к негативным последствиям для физического и психического здоровья человека. Однако, при гармоничном взаимодействии между человеком и животным, собака или другой питомец способны оказывать исключительно положительное влияние, особенно в периоды стресса.
|
Другие интересные новости:
▪ Хор морских ежей
▪ Внешние накопители Transcend StoreJet 35T3 8 Тбайт
▪ Смартфон Micromax Canvas XP 4G
▪ Класс с переменным освещением
▪ Красное вино ускоряет сжигание жира в печени
Лента новостей науки и техники, новинок электроники
Интересные материалы Бесплатной технической библиотеки:
▪ раздел сайта Моделирование. Подборка статей
▪ статья Что слово - приговор! Крылатое выражение
▪ статья Как влияют перфокарты на работу современных почтовых программ? Подробный ответ
▪ статья Понятие Охрана труда
▪ статья Индикатор дыма на фототранзисторе. Энциклопедия радиоэлектроники и электротехники
▪ статья По остаткам от деления. Секрет фокуса
Оставьте свой комментарий к этой статье:
Главная страница | Библиотека | Статьи | Карта сайта | Отзывы о сайте

www.diagram.com.ua
2000-2026