Бесплатная техническая библиотека
Универсальный параллельный адаптер. Энциклопедия радиоэлектроники и электротехники

Энциклопедия радиоэлектроники и электротехники / Компьютеры
Комментарии к статье
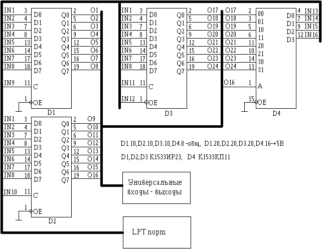
Универсальный параллельный адаптер предназначен для подключению к компьютеру различных устройств с цифровыми входами. Например, он может использоваться для записи информации в ПЗУ, прямого управления шаговыми двигателями, для налаживания различных электронных схем в качестве эмулятора и т.д.. При наличии соответствующего программного обеспечения многие из перечисленных задач можно выполнить используя только порт компьютера, но при этом возникает вполне реальный риск выхода порта из строя, так как его выходы не имеют защиты и рассчитаны на подключение только одного вывода, а для ремонта может потребоваться замена материнской платы. Кроме того для подключения к параллельному порту чего либо необходимо предварительно выключить компьютер. Адаптер устраняет эти проблемы и позволяет думать в первую очередь о разрабатываемой схеме, а не о том как бы в процессе ее создания не спалить компьютер.
Идея использовать параллельный порт для выдачи и приема цифровых сигналов с ТТЛ уровнями не нова, например в [1] приводится подобная схема. Предлагаемый здесь адаптер отличается простотой, при возможностях достаточных для большого количества применений. К тому же если Вам через какое то время понадобится увеличить количество входов-выходов можно просто собрать такую же схему и подключить ее по приведенной ниже таблице. Хотя если предполагается что выводов одной схемы сразу будет недостаточно лучше использовать более мощный вариант. Схема состоит из трех регистров и одного мультиплексора. Все регистры включены по одинаковой схеме, за исключением третьего, его выходы могут быть переведены в высокоомное состояние, поэтому к нему так же подведен управляющий сигнал разрешения включения выходов ОЕ. Информационные входы всех регистров объединены и подключены к соответствующим выходам параллельного порта компьютера, так как используется ТТЛШ серия, то допустимо нагружать один выход порта на несколько входов микросхем. Для стробирования используются управляющие линии порта, подключенные ко входам С регистров. Для увеличения количества входов используется мультиплексор D4.
Схема подключается к параллельному порту, так же необходимо подвести питание +5В к микросхемам, лучше всего для этого использовать блок питания компьютера. В моем варианте собранная схема находится внутри компьютера, подключается к внутреннему разъему LPT порта на системной плате, для питания использует 4 контрактный разъем, а рабочие выходы выведены на 32 контактный разъем вмонтированный в заглушку от отсека 5,25 на передней панели. На этот же разъем выведены напряжения питания +5, +12 вольт. При необходимости увеличить количество выводов можно собрать второй такой же блок и подключить его в соответствии с приведенной ниже таблицей к первому, подключенному к компьютеру. При этом появятся дополнительно несколько входов и выходов, но время доступа увеличится. Для подключения к внешнему устройству используются цепи О1...О24, из них О1...О16 являются обычными выходами, а О17-О24 могут использоваться как входы или выходы. Цепь О16 параллельно используется для внутренних нужд.
Подключение к параллельному порту
| Вывод порта | Тип | Название вывода | Цепь адаптера |
|---|
| 2 |
O |
D0 |
IN1 |
| 3 |
O |
D1 |
IN2 |
| 4 |
O |
D2 |
IN3 |
| 5 |
O |
D3 |
IN4 |
| 6 |
O |
D4 |
IN5 |
| 7 |
O |
D5 |
IN6 |
| 8 |
O |
D6 |
IN7 |
| 9 |
O |
D7 |
IN8 |
| 1 |
O |
-STROBE |
IN9 |
| 14 |
O |
-AUTO FD |
IN10 |
| 16 |
O |
-INIT |
IN11 |
| 17 |
O |
-SLCT IN |
IN12 |
| 10 |
I |
-ACK |
IN13 |
| 11 |
I |
BUSY |
IN14 |
| 12 |
I |
PE |
IN15 |
| 13 |
I |
SLCT |
IN16 |
| 18...25 |
- |
GND |
общ. |
Подключение второго адаптера для увеличения количества выводов
| Первый | Второй | Первый | Второй |
|---|
| O1 |
I1 |
O9 |
I9 |
| O2 |
I2 |
O10 |
I10 |
| O3 |
I3 |
O11 |
I11 |
| O4 |
I4 |
O12 |
I12 |
| O5 |
I5 |
O17 |
I13 |
| O6 |
I6 |
O18 |
I14 |
| O7 |
I7 |
O19 |
I15 |
| O8 |
I8 |
O20 |
I16 |
Программа должна писаться для каждого конкретного случая использования устройства отдельно, поэтому я не привожу здесь никаких вариантов, а только рассматриваю основные принципы программного управления схемой. Практически любой язык программирования имеет функции позволяющие записать число по заданному адресу в порт ввода-вывода. Управление схемой осуществляется через вызовы таких функций. Для записи 8 битного числа в буферный регистр схемы, необходимо записать его в регистр данных параллельного порта, затем записать в в регистр управления любое число имеющее в соответствующем разряде единицу (соответствующем выводу С выбранного буферного регистра) и затем в него же ноль. Для чтения 4х бит данных достаточно просто прочитать регистр состояния порта, для чтения остальных бит предварительно измените состояние линии О16. Необходимо учитывать то что некоторые входные и выходные линии порта проинвертированы. Адреса регистров для LPT1 приведены в таблице и верны для большинства компьютеров, но для корректного определенья адресов следует использовать данные BIOS.
| Регистр данных |
378h |
| Регистр состояния |
379h |
| Регистр управления |
37Ah |
Публикация: cxem.net
Смотрите другие статьи раздела Компьютеры.
Читайте и пишите полезные комментарии к этой статье.
<< Назад
Последние новости науки и техники, новинки электроники:
Впервые преоодолена передача ВИЧ от матери к ребенку
02.01.2026
Проблема вертикальной передачи ВИЧ - от матери к ребенку - остается одной из ключевых задач глобальной медицины. Недавний отчет Всемирной организации здравоохранения (ВОЗ) демонстрирует историческое достижение: Бразилия впервые в своей истории полностью преодолела этот путь передачи вируса. Страна стала 19-й в мире и первой с населением более 100 миллионов человек, которая достигла такого результата.
Достижения Бразилии основаны на комплексных медицинских программах, обеспечивающих своевременный доступ к диагностике и терапии для всех слоев населения. ВОЗ официально подтвердило, что уровень передачи ВИЧ от матери к ребенку снизился до менее двух процентов. Более 95% беременных женщин в стране получают регулярный скрининг на ВИЧ и необходимое лечение в рамках стандартного ведения беременности.
Изначально программа тестировалась в крупных муниципалитетах и штатах с населением более 100 тысяч человек, а затем была масштабирована на всю страну. Такой подход позволил унифицировать ста ...>>
Нанослой германия увеличивает эффективность солнечных батарей на треть
02.01.2026
Разработка высокоэффективных солнечных батарей остается одной из ключевых задач современной энергетики. Недавнее исследование южнокорейских ученых позволило повысить производительность тонкопленочных солнечных элементов почти на 30%, что открывает новые перспективы для возобновляемых источников энергии, гибкой электроники и сенсорных устройств.
Команда исследователей сосредоточилась на элементах на основе моносульфида олова (SnS) - нетоксичного и доступного материала, который идеально подходит для гибких солнечных панелей. До настоящего времени эффективность SnS-устройств оставалась низкой из-за проблем на границе контакта с металлическим электродом. В этой области возникали структурные дефекты, диффузия элементов и электрические потери, что существенно ограничивало возможности таких батарей. "Этот интерфейс был главным барьером для достижения высокой производительности", - отмечает профессор Джейонг Хо из Национального университета Чоннам.
Для решения этих проблем ученые предлож ...>>
Электростатическое решение для борьбы с льдом и инеем
01.01.2026
Борьба с льдом и инеем на транспортных средствах и критически важных поверхностях зимой остается сложной и затратной задачей. Ученые из Virginia Tech разработали инновационную технологию, способную разрушать лед и иней без использования тепла или химических реагентов, что открывает новые возможности для безопасной и экологичной зимней эксплуатации транспорта.
Исследователи обнаружили, что лед и иней образуют кристаллическую решетку с так называемыми ионными дефектами - заряженными участками, способными перемещаться под воздействием электрического поля. Эти дефекты являются ключом к управлению прочностью льда и его удалением с поверхностей.
Когда на замерзшую поверхность подается положительный электрический заряд, отрицательные ионные дефекты притягиваются к источнику поля. Это вызывает разрушение кристаллической решетки льда, в результате чего часть льда буквально "отскакивает" от поверхности. Такой эффект позволяет удалять лед без применения внешнего тепла или химических средств ...>>
Случайная новость из Архива Расшифрован геном розы
05.05.2018
Новая карта генома, которую составляли восемь лет, содержит информацию о генах, отвечающих за аромат, цвет и продолжительность жизни растений. Исследование, проведенное командой из более чем 40 ученых из Франции, Германии, Великобритании и Китая дает лучшее представление о том, почему розы имеют такой широкий спектр цветов и ароматов.
В работе по расшифровке генома популярного цветка ученые использовали китайскую, или чайную, розу сорта "Old Blush" (известного также как "Parsons' Pink China"). Считается, что это первый сорт восточноазиатской розы, который появился в Европе - примерно в середине 18 века. Также он является одним из основных участников современных гибридов, полученных из смешения европейских и ближневосточных видов роз.
Ученые обнаружили, что некоторые гены розы работают в противостоянии друг с другом: одни из них включают "программу" сильного, ароматного запаха, а другие закрывают "производство" растительных пигментов, необходимых для розовых лепестков. Кроме того, исследование выявило 22 ранее не описанных биохимических процесса, в результате которых образуются терпеновые органические соединения - они участвуют в обменных процессах в организме растения и регулируют работу генов.
Новая генетическая информация поможет селекционерам разрабатывать новые сорта, которые будут дольше стоять в вазе или будут более устойчивы к вредителям растений. Возможно также, что в будущем выведут розы с новыми, более сладкими, ароматами и с лепестками других расцветок. На сегодняшний день известно около 200 видов роз.
|
Другие интересные новости:
▪ Человек на земле
▪ Почему мужчины не любят ходить к докторам
▪ Космический полет продлевает человеческую жизнь
▪ SpaceX будет доставлять астронавтов на Луну
▪ В Японии внедрят 14-значные телефонные номера
Лента новостей науки и техники, новинок электроники
Интересные материалы Бесплатной технической библиотеки:
▪ раздел сайта Афоризмы знаменитых людей. Подборка статей
▪ статья Фотосинтез. История и суть научного открытия
▪ статья Когда был построен лондонский Тауэр? Подробный ответ
▪ статья Гельземий вечнозеленый. Легенды, выращивание, способы применения
▪ статья Вольтметр среднеквадратичных значений - приставка к мультиметру. Энциклопедия радиоэлектроники и электротехники
▪ статья Простой КВ конвертор для автомобильного приемника. Энциклопедия радиоэлектроники и электротехники
Оставьте свой комментарий к этой статье:
Главная страница | Библиотека | Статьи | Карта сайта | Отзывы о сайте

www.diagram.com.ua
2000-2025