Áåñïëàòíàÿ òåõíè÷åñêàÿ áèáëèîòåêà
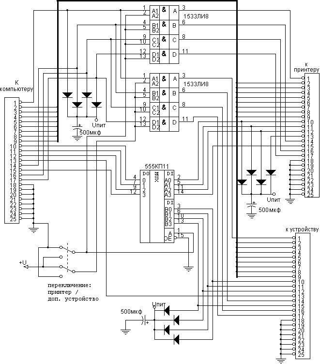
Êîììóòàòîð äâóõ óñòðîéñòâ äëÿ LPT ïîðòà. Ýíöèêëîïåäèÿ ðàäèîýëåêòðîíèêè è ýëåêòðîòåõíèêè

Ýíöèêëîïåäèÿ ðàäèîýëåêòðîíèêè è ýëåêòðîòåõíèêè / Êîìïüþòåðû
Êîììåíòàðèè ê ñòàòüå
Ïðè ïîìîùè ýòîé ñõåìû ìîæíî ïîäêëþ÷èòü ê îäíîìó ïîðòó äëÿ ïðèíòåðà 2 óñòðîéñòâà. Ýòî ìîæåò áûòü ïîëåçíî, íàïðèìåð, ïðè ñîåäèíåíèè 2-õ êîìïüþòåðîâ ÷åðåç LPT ïîðò äëÿ ïðèíòåðà, êîãäà â ýòîò ïîðò åùå äîëæåí ïîäêëþ÷àòüñÿ ïðèíòåð.
Ïóáëèêàöèÿ: cxem.net
Ñìîòðèòå äðóãèå ñòàòüè ðàçäåëà Êîìïüþòåðû.
×èòàéòå è ïèøèòå ïîëåçíûå êîììåíòàðèè ê ýòîé ñòàòüå.
<< Íàçàä
Ïîñëåäíèå íîâîñòè íàóêè è òåõíèêè, íîâèíêè ýëåêòðîíèêè:
Ãîðüêèå ïðîäóêòû óëó÷øàþò ðàáîòó ìîçãà
08.11.2025
Êàê âûÿñíèëè ÿïîíñêèå ó÷åíûå, ãîðüêèé âêóñ ôëàâàíîëîâ èãðàåò âàæíóþ ðîëü â ñòèìóëÿöèè öåíòðàëüíîé íåðâíîé ñèñòåìû. Äàæå ïðè ìèíèìàëüíîì óñâîåíèè ýòèõ âåùåñòâ îðãàíèçì ïîëó÷àåò ñèãíàë ê ïîâûøåíèþ àêòèâíîñòè íåéðîìåäèàòîðîâ è óëó÷øåíèþ êîãíèòèâíûõ ôóíêöèé, ÷òî äåëàåò íàòóðàëüíûå ïðîäóêòû ñ ãîðüêèì âêóñîì ïîòåíöèàëüíî ïîëåçíûìè äëÿ ìîçãà è îáùåé ôèçèîëîãèè.
 ïîèñêàõ ñïîñîáîâ óëó÷øèòü ðàáîòó ìîçãà ó÷åíûå âñå ÷àùå îáðàùàþòñÿ ê íàòóðàëüíûì ñîåäèíåíèÿì, ñîäåðæàùèìñÿ â ïðèâû÷íûõ ïðîäóêòàõ ïèòàíèÿ. Îäíèì èç òàêèõ âåùåñòâ ÿâëÿþòñÿ ôëàâàíîëû, ïðèñóòñòâóþùèå â êàêàî, êðàñíîì âèíå è ÿãîäàõ. Èññëåäîâàòåëè èç Òåõíîëîãè÷åñêîãî èíñòèòóòà Ñèáàóðà â ßïîíèè âûÿñíèëè, ÷òî ãîðüêèé è âÿæóùèé âêóñ ýòèõ ñîåäèíåíèé ñïîñîáåí àêòèâèðîâàòü ìîçã ÷åðåç âêóñîâûå ðåöåïòîðû, ñïîñîáñòâóÿ óëó÷øåíèþ ïàìÿòè, âíèìàíèÿ è ñïîñîáíîñòè ê îáó÷åíèþ.
Ðàíåå áûëî èçâåñòíî, ÷òî ôëàâàíîëû çàùèùàþò íåéðîíû è ïîääåðæèâàþò êîãíèòèâíûå ôóíêöèè, îäíàêî èõ áèîäîñòóïíîñòü - äîëÿ âåùåñòâà, ïîñòóïàþùàÿ â êðîâü - êðàéíå íèçêà. Ýòî âûçâàë ...>>
Äîæäåâîé ýëåêòðîãåíåðàòîð
08.11.2025
Ãðóïïà ðàçðàáîò÷èêîâ Íàíêèíñêîãî óíèâåðñèòåòà àýðîíàâòèêè è àñòðîíàâòèêè ïðåäñòàâèëà äîæäåâîé ýëåêòðîãåíåðàòîð, êîòîðûé ïðåâðàùàåò äîæäåâûå êàïëè â èñòî÷íèê ýëåêòðè÷åñòâà, èñïîëüçóÿ ñàìó âîäó êàê ñòðóêòóðíûé è ýëåêòðè÷åñêèé ýëåìåíò.
 îòëè÷èå îò òðàäèöèîííûõ êàïåëüíûõ ãåíåðàòîðîâ, ãäå ýëåêòðè÷åñòâî ñîçäàåòñÿ íà òâåðäûõ äèýëåêòðè÷åñêèõ ïëåíêàõ ñ ìåòàëëè÷åñêèìè ýëåêòðîäàìè, íîâîå óñòðîéñòâî ïëàâàåò íåïîñðåäñòâåííî íà ïîâåðõíîñòè âîäû. Âîäà îäíîâðåìåííî âûïîëíÿåò ðîëü îïîðû è ïðîâîäíèêà, ÷òî ïîçâîëèëî ñíèçèòü âåñ ñèñòåìû íà 80%, à ñòîèìîñòü óìåíüøèòü ïî÷òè íàïîëîâèíó, ñîõðàíèâ ïðè ýòîì ìîùíîñòü äî 250 âîëüò íà êàæäóþ êàïëþ.
"Ìû ïîçâîëèëè âîäå îäíîâðåìåííî âûïîëíÿòü ñòðóêòóðíóþ è ýëåêòðè÷åñêóþ ôóíêöèè, ñîçäàâ ëåãêóþ, äîñòóïíóþ è ìàñøòàáèðóåìóþ ñèñòåìó", - îáúÿñíèë ïðîôåññîð Âàíëèí Ãóî, âåäóùèé àâòîð èññëåäîâàíèÿ. Òàêàÿ êîíöåïöèÿ îòêðûâàåò ïóòü ê ñîçäàíèþ ãèäðîâîëüòàè÷åñêèõ ñèñòåì, êîòîðûå ìîãóò ðàáîòàòü â âîäîåìàõ áåç èñïîëüçîâàíèÿ ñóøè, äîïîëíÿÿ ñîëíå÷íûå è âåòðîâûå òåõíîëîãèè.
Ï ...>>
Êëèìàò âëèÿåò íà äëèòåëüíîñòü áåðåìåííîñòè
07.11.2025
Áåðåìåííîñòü òðàäèöèîííî âîñïðèíèìàåòñÿ êàê åñòåñòâåííûé áèîëîãè÷åñêèé ïðîöåññ ñ ïðåäñêàçóåìûìè ñðîêàìè, îäíàêî ñîâðåìåííûå èññëåäîâàíèÿ âñå ÷àùå äîêàçûâàþò, ÷òî íà åå ïðîäîëæèòåëüíîñòü âëèÿþò ôàêòîðû, âûõîäÿùèå äàëåêî çà ïðåäåëû ìåäèöèíû. Ñðåäè íèõ îñîáîå ìåñòî çàíèìàþò êëèìàò è îêðóæàþùàÿ ñðåäà - èìåííî ýòó âçàèìîñâÿçü âïåðâûå ïîäðîáíî èçó÷èëè ó÷åíûå èç Óíèâåðñèòåòà Êåðòèíà â Àâñòðàëèè. Èõ ðàáîòà ðàñêðûâàåò, ÷òî ýêñòðåìàëüíûå ïîãîäíûå óñëîâèÿ ñïîñîáíû íå òîëüêî âûçûâàòü ïðåæäåâðåìåííûå ðîäû, íî è, íàïðîòèâ, óäëèíÿòü ñðîê áåðåìåííîñòè.
Êîìàíäà èññëåäîâàòåëåé ïðîàíàëèçèðîâàëà äàííûå ïî÷òè 400 òûñÿ÷ íîâîðîæäåííûõ, ïîÿâèâøèõñÿ íà ñâåò â Çàïàäíîé Àâñòðàëèè. Ðåçóëüòàòû îêàçàëèñü íåîæèäàííûìè: êëèìàòè÷åñêèå êîëåáàíèÿ çàìåòíî âëèÿëè íà îðãàíèçì áóäóùèõ ìàòåðåé, îñîáåííî ó òåõ, êòî ðîæàë ïîñëå 41-é íåäåëè áåðåìåííîñòè. Ïî ñëîâàì äîêòîðà Ñèëüâåñòðà Äîäçè Íüÿäàíà èç Øêîëû íàðîäíîãî çäîðîâüÿ Óíèâåðñèòåòà Êåðòèíà, ïðîáëåìà ïåðåíàøèâàíèÿ äîëãîå âðåìÿ îñòàâàëàñü â òåíè, õîòÿ åå ïîñëåäñòâèÿ ìîãóò ...>>
Ñëó÷àéíàÿ íîâîñòü èç Àðõèâà Ñèñòåìû èñêóññòâåííîãî èíòåëëåêòà Nvidia äëÿ ñòðîèòåëüíûõ ïëîùàäîê
16.12.2017
Êîìïàíèÿ Nvidia ñîîáùèëà î òîì, ÷òî áûëà âûáðàíà â êà÷åñòâå ïàðòíÅðà êîìïàíèåé Komatsu - îäíèì èç êðóïíåéøèõ ïðîèçâîäèòåëåé ñòðîèòåëüíîãî è ãîðíîäîáûâàþùåãî îáîðóäîâàíèÿ â ìèðå.
Ñóòü ïàðòíÅðñòâà äâóõ êîìïàíèé áóäåò çàêëþ÷àòüñÿ âî âíåäðåíèè â ýêîñèñòåìó Komatsu ñèñòåì èñêóññòâåííîãî èíòåëëåêòà íà îñíîâå ïðîäóêöèè Nvidia.  ÷àñòíîñòè, ñèñòåìû íà îñíîâå àäàïòåðîâ Nvidia áóäóò çàíèìàòüñÿ âèçóàëèçàöèåé è àíàëèçîì âñåõ ñòðîèòåëüíûõ ïëîùàäîê Komatsu. Êàê ñêàçàíî â ïðåññ-ðåëèçå, ïëàòôîðìà Jetson AI áóäåò ñëóæèòü ìîçãîì òÿæÅëîé òåõíèêè, ðàçâÅðíóòîé íà ñòðîèòåëüíûõ îáúåêòàõ, ÷òî ïîçâîëèò ïîâûñèòü áåçîïàñíîñòü è ïðîèçâîäèòåëüíîñòü. Âñÿ ýòà èíèöèàòèâà íàçâàíà SmartConstuction.
ÅÅ ñóòü çàêëþ÷àåòñÿ íå òîëüêî â òîì, ÷òîáû îïòèìèçèðîâàòü ÷àñòü ñòðîèòåëüíûõ ïðîöåññîâ. Äåëî â òîì, ÷òî â ßïîíèè î÷åíü îñòðî ñòîèò âîïðîñ ñòàðåíèÿ íàñåëåíèÿ.  ÷àñòíîñòè, íà äàííûé ìîìåíò â ñòðàíå èìååòñÿ îêîëî 3,4 ìëí êâàëèôèöèðîâàííûõ ðàáî÷èõ ñòðîèòåëüíûõ ñïåöèàëüíîñòåé, íî â áëèæàéøåå äåñÿòèëåòèå îêîëî 1,1 ìëí èç íèõ óéäÅò íà ïåíñèþ.  ñâÿçè ñ ýòèì î÷åíü àêòóàëüíûìè ñòàíîâÿòñÿ âñå âîïðîñû, ñâÿçàííûå ñ àâòîìàòèçàöèåé ëþáûõ ïðîöåññîâ, êàêèå òîëüêî âîçìîæíî àâòîìàòèçèðîâàòü â ïðèíöèïå. Ñîòðóäíè÷åñòâî ñ Nvidia ïîçâîëèò Komatsu ÷àñòè÷íî ðåøèòü ýòó ïðîáëåìó.
Êðîìå ïðî÷åãî, â ðàìêàõ ñîòðóäíè÷åñòâà â ðàáîòó áóäóò âêëþ÷åíû äðîíû, óïðàâëÿåìûå ñóïåðêîìïüþòåðàìè Nvidia. Îíè áóäóò çàíèìàòüñÿ ìîíèòîðèíãîì ñèòóàöèé íà ñòðîèòåëüíûõ ïëîùàäêàõ, à ñîîòâåòñòâóþùèå ñèñòåìû çàòåì áóäóò èñïîëüçîâàòü äàííóþ èíôîðìàöèþ äëÿ òîãî, ÷òîáû ïðîàíàëèçèðîâàòü, íàñêîëüêî ýôôåêòèâíî èñïîëüçóåòñÿ òà èëè èíàÿ òåõíèêà. Ñóïåðêîìïüþòåðû Jetson òàêæå áóäóò èñïîëüçîâàòüñÿ íåïîñðåäñòâåííî âíóòðè ñòðîèòåëüíîé òåõíèêè. Ê ïðèìåðó, â îñíîâå ñïåöèàëüíûõ ñòåðåîêàìåð, êîòîðûå áóäóò ðàçìåùàòüñÿ â êàáèíàõ. Îíè áóäóò îöåíèâàòü îáñòàíîâêó âîêðóã òåõíèêè è âûäàâàòü îïåðàòîðó ñîîòâåòñòâóþùèå ïîäñêàçêè.
|
Äðóãèå èíòåðåñíûå íîâîñòè:
▪ Ñòàíäàðò òåëåâèäåíèÿ 8K Ultra HD
▪ Ñàìûé âûñîêèé äåðåâÿííûé âåòðîãåíåðàòîð
▪ Êîëüöà ñòàáèëüíîé ïëàçìû â óñëîâèÿõ îòêðûòîãî âîçäóõà
▪ Ñàìûé êðåïêèé ìàòåðèàë
▪ Íîâûé ìåòîä êâàíòîâîãî çàïóòûâàíèÿ ôîòîíîâ
Ëåíòà íîâîñòåé íàóêè è òåõíèêè, íîâèíîê ýëåêòðîíèêè
Èíòåðåñíûå ìàòåðèàëû Áåñïëàòíîé òåõíè÷åñêîé áèáëèîòåêè:
▪ ðàçäåë ñàéòà Ñòàáèëèçàòîðû íàïðÿæåíèÿ. Ïîäáîðêà ñòàòåé
▪ ñòàòüÿ Ãóàíüëèí Èíü Ñè (Èíü Ñè). Çíàìåíèòûå àôîðèçìû
▪ ñòàòüÿ Ëèñòüÿ êàêîãî ðàñòåíèÿ ìîãóò âûäåðæàòü âåñ äî 30 êã? Ïîäðîáíûé îòâåò
▪ ñòàòüÿ Ôóíêöèîíàëüíûé ñîñòàâ òåëåâèçîðîâ Crown. Ñïðàâî÷íèê
▪ ñòàòüÿ Êðàøåíèå îâ÷èí è øêóðîê êèñëîòíûìè êðàñèòåëÿìè. Ïðîñòûå ðåöåïòû è ñîâåòû
▪ ñòàòüÿ Çàçåìëåíèå è çàùèòíûå ìåðû ýëåêòðîáåçîïàñíîñòè. Çàçåìëÿþùèå óñòðîéñòâà ýëåêòðîóñòàíîâîê íàïðÿæåíèåì âûøå 1 ê â ñåòÿõ ñ èçîëèðîâàííîé íåéòðàëüþ. Ýíöèêëîïåäèÿ ðàäèîýëåêòðîíèêè è ýëåêòðîòåõíèêè
Îñòàâüòå ñâîé êîììåíòàðèé ê ýòîé ñòàòüå:
Ãëàâíàÿ ñòðàíèöà | Áèáëèîòåêà | Ñòàòüè | Êàðòà ñàéòà | Îòçûâû î ñàéòå

www.diagram.com.ua
2000-2025