Бесплатная техническая библиотека
Промежуточный усилитель звуковой карты. Энциклопедия радиоэлектроники и электротехники

Энциклопедия радиоэлектроники и электротехники / Компьютеры
Комментарии к статье
Необходимой частью современного компьютера является Sound Blaster. Он позволяет получить звуковое сопровождение программ. В мире в последнее время большинство звуковых карт (плат) для компьютеров семейства IBM выпускаются без мощного оконечного усилителя и рассчитаны на подключение активных колонок или любого усилительного комплекса. Это позволяет получить более высокое качество звука и исключает перегрузку внутреннего источника питания компьютера.
Имея небольшой опыт работы на персональном компьютере, несложно приобрести и установить звуковую плату в любое свободное гнездо соответствующего разъема на материнской плате (внутри корпуса компьютера). В магазинах большой выбор звуковых карт - от укомплектованных в наборе, включающем колонки, до отдельных узлов. Покупать набор получается значительно дороже, чем то же самое по отдельности. Да и не всех комплектация набора способна удовлетворить качеством компонентов, например входящих колонок. Но приобретя все компоненты по отдельности, есть риск столкнуться с неполной совместимостью узлов. Так, купив хорошую звуковую карту фирмы "Creative" и отлично звучащие колонки SP-690 (50 Вт) фирмы "Advance", при их соединении вместе обнаружились два недостатка. Во-первых сигнал со звуковой карты недостаточен по уровню, чтобы получить от колонок максимальную мощность. Вторым недостатком явился сильный щелчок в динамиках при включении питания компьютера.
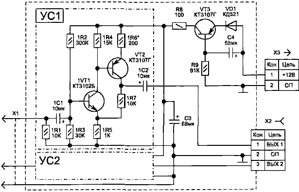
Согласовать уровень сигнала и убрать щелчки позволяет схема, приведенная на рис. 1. Узлы усилителей УС1 и УС2 идентичны. Каждый канал обеспечивает усиление в 7,5 раз в полосе частот 20...100000 Гц. Конденсатор С4 в цепи базы транзистора VT3 дает плавное нарастание напряжения питания на усилителях - это устраняет прохождение импульсного броска от переходных процессов. Питаться промежуточный усилитель может от блока питания компьютера, для чего потребуется на задней стенке корпуса установить миниатюрный разъем ХЗ, соединенный с цепью +12 В источника питания. Ток потребления схемы не более 4, 6 мА.
В схеме использованы детали: конденсаторы С1...С4 типа К53-1Б, резисторы любого типа. Штекер Х1 должен подходить к разъему звуковой карты, гнездо Х2 типа ОНП-ВГ-68-8/16, 5х14-Р или аналогичное, для подключения штекера активных колонок, ХЗ - любой малогабаритный. Топология печатной платы и расположение на ней элементов показаны на рис. 2. Настройка схемы заключается в получении одинакового усиления в каналах, подбором номинала резистора 1R6 (2R6) в пределах 200...1500 Ом (регулируется величина отрицательной обратной связи).
Публикация: cxem.net
Смотрите другие статьи раздела Компьютеры.
Читайте и пишите полезные комментарии к этой статье.
<< Назад
Последние новости науки и техники, новинки электроники:
Дети, растущие рядом с природой, обретают крепкие кости
02.03.2026
Влияние окружающей среды на здоровье человека становится все более очевидным, особенно в детском возрасте. Новое исследование, опубликованное в журнале JAMA Network Open, показывает, что близость к природе напрямую связана с крепостью костей у детей. Ученые установили, что у детей, чьи дома окружены природными территориями в радиусе 1000 метров на 25% больше обычного, риск развития крайне низкой плотности костей снижается на 65%.
Для проведения исследования были проанализированы данные более 300 детей, проживающих в городских, пригородных и сельских районах Фландрии в Бельгии. Плотность костной ткани у детей в возрасте от четырех до шести лет оценивалась с помощью ультразвуковых методов. Такой подход позволил безопасно и точно измерить состояние костей на ранних этапах формирования скелета.
При анализе учитывались ключевые факторы, влияющие на рост и развитие детей: возраст, вес, рост, этническая принадлежность и уровень образования матери. На основании этих параметров исследоват ...>>
Самовосстанавливающаяся инфраструктура будущего
02.03.2026
Современные мосты и бетонные конструкции по всему миру сталкиваются с проблемой устаревания и износа. Многие сооружения, построенные до 1980-х годов, постепенно теряют свою несущую способность, что требует дорогого ремонта или полной замены. Недавние разработки ученых из Швейцарских федеральных лабораторий материаловедения и технологий (Empa) предлагают инновационное решение - систему укрепления бетонных конструкций с помощью "умной стали", способной самостоятельно устранять трещины и повреждения.
В основе новой технологии лежит арматура из сплава на основе железа с эффектом памяти формы (Fe-SMA). Этот материал обладает уникальным свойством: при нагревании до 190-200 °C стержни стремятся вернуться к своей первоначальной конфигурации. В бетонной конструкции это создает внутреннее напряжение, которое затягивает трещины и выравнивает деформированные элементы, существенно повышая прочность и долговечность сооружений.
Актуальность разработки объясняется критическим состоянием инфрастр ...>>
Поцелуи полезны для здоровья
01.03.2026
Вопрос о том, как социальные связи и близость с партнером отражаются на здоровье человека, привлекает внимание не только психологов, но и специалистов в области микробиологии. Новое исследование показывает, что совместное проживание с любимым человеком может оказывать значительное влияние на микробиом кишечника и общее самочувствие.
Доктор Наоми Миддлтон, клинический психологи и эксперт по здоровью кишечника, объяснила, что все аспекты совместной жизни - поцелуи, совместное питание, физическая близость и даже просто пребывание рядом - тесно связаны с поддержанием сбалансированной кишечной микрофлоры. Она подчеркивает, что здоровье экосистемы кишечника во многом определяется социальными взаимодействиями и повседневной близостью с другими людьми.
По словам Миддлтон, длительное совместное пребывание с партнером может способствовать увеличению микробного разнообразия в кишечнике, а также снижать воспалительные процессы, связанные со стрессом. Такой эффект обусловлен тем, что микробио ...>>
Случайная новость из Архива Фотографии помогают поверить в ложь
29.08.2012
Даже сам факт наличия хоть какой-то фотографии делает ложь намного более убедительной. Ученые из Канады и Новой Зеландии провели 4 эксперимента и обнаружили, что люди считают ложные утверждения правдивыми, если рядом есть хотя бы "декоративная" фотография (иллюстрация).
Ученые первоначально хотели изучить, как люди относятся к различным фотоснимкам, которые они видят каждый день по телевизору, в газетах, интернете и т.д. Однако были очень удивлены тем, что удалось обнаружить.
В серии из четырех экспериментов, как в Новой Зеландии, так и в Канаде, ученые предлагали определить истинность определенных утверждений, таких как, например, "в термометрах используется металл магний". Требовалось либо согласиться с утверждением, либо объявить, что оно неверно. В некоторых случаях утверждение сопровождалось иллюстрациями, которые не давали никакого намека на верный ответ, например, в данном случае это было фото термометра. Удивительно, но видя бесполезную в плане познания истины фотографию, люди были склонны соглашаться с ложными утверждениями. Если же фото не было, то люди относились ко лжи более критично и реже ошибались.
Таким образом, если к неверной информации приложить хоть какое-то близкое по теме фото, то высока вероятность, что люди посчитают информацию правдой. Почему так происходит, и наш интеллект так обидно проигрывает? Ученые полагают, что дело в воображении: фотография включает воображение, и человек представляет, каким образом утверждение могло бы быть верным. Таким образом срабатывает не разум, а ощущения, интуиция, которые, как известно, на самом деле ошибаются гораздо чаще, чем принято считать.
Исследование имеет важное значение для ситуаций, когда люди сталкиваются с иллюстрациями, например, в средствах массовой информации или сфере образования. Иллюстрации привлекают людей, но, оказывается, они могут оказывать непредсказуемое влияние, искажая восприятие информации.
|
Другие интересные новости:
▪ Робот-пылесос BotVac от Neato Robotics
▪ Гаджет питается только от тепла человеческого тела
▪ Умный дом от IKEA
▪ Нервные клетки все-таки восстанавливаются
▪ Металлическая нанопроводная сеть с подобными мозгу функциями
Лента новостей науки и техники, новинок электроники
Интересные материалы Бесплатной технической библиотеки:
▪ раздел сайта Личный транспорт: наземный, водный, воздушный. Подборка статей
▪ статья Что делать? Крылатое выражение
▪ статья За что ценятся коровы породы бельгийская голубая с крайне высокой мышечной массой? Подробный ответ
▪ статья Ромашка лекарственная. Легенды, выращивание, способы применения
▪ статья Усилитель Hi-Fi на комплементарных транзисторах. Энциклопедия радиоэлектроники и электротехники
▪ статья Сетевой блок питания для транзисторной аппаратуры, 220/+-6,8 вольт 350 миллиампер. Энциклопедия радиоэлектроники и электротехники
Оставьте свой комментарий к этой статье:
Главная страница | Библиотека | Статьи | Карта сайта | Отзывы о сайте

www.diagram.com.ua
2000-2026