Menu Home

Бесплатная техническая библиотека для любителей и профессионалов Бесплатная техническая библиотека


Часы Фишера на базе компьютера. Энциклопедия радиоэлектроники и электротехники

Бесплатная техническая библиотека

Энциклопедия радиоэлектроники и электротехники / Часы, таймеры, реле, коммутаторы нагрузки

Комментарии к статье Комментарии к статье

Среди радиолюбителей немало шахматистов. Многие из них самостоятельно собирают шахматные часы. Однако самодельные приборы нельзя применять на более-менее серьезных соревнованиях, в основном по причине их несоответствия требованиям ФИДЕ. Подобная ситуация объясняется не столько сложностью реализации необходимых алгоритмов учета времени с помощью устройств на логических микросхемах малой и средней степени интеграции, сколько неосведомленностью разработчиков о разновидностях шахматных часов и предъявляемых к ним требованиям. Чтобы ликвидировать этот пробел, в начале предлагаемой статьи рассказано об истории шахматных часов, их классификации и режимах работы.

Учитывая, что сегодня в каждом офисе, а у многих и дома имеются компьютеры, автор предлагает читателям разработанную им программу, реализующую все требуемые от электронных шахматных часов (ЭШЧ) функции с наглядным отображением ситуации на экране, и рассказывает о конструкции необходимой для этого простой приставки к компьютеру.

Неотъемлемый атрибут шахматных турниров и матчей - часы. Самые древние были песочными, их заменили механические, электрические и, наконец, электронные. Современные ЭШЧ нередко называют "часами Фишера". Чтобы разобраться в причинах появления этого названия, обратимся к истории.

Когда-то в шахматы играли без контроля времени. Случалось, игрок, попав в заведомо проигрышное положение, брал соперника "на измор". Партии тянулись много часов подряд, сутками. Корифеи умудрялись думать над отдельными ходами по несколько часов. Каплей, переполнившей чашу терпения, стал случай на международном турнире 1851 г. Судья партии Вильяме-Маклоу сделал историческую запись: "Партия не закончена, оба противника уснули...".

Через два года в матче Гарвиц-Левенталь впервые соперников ограничили во времени, дав по 10 мин на обдумывание каждого хода. Часы были песочные, у каждого соперника свои. За превышение лимита времени взыскивали денежный штраф. В 1866 г. в матче Андерсен-Стейниц песочные часы заменили механическими, правда, пока не специальными шахматными, а обычными.

Шахматные часы с двумя циферблатами изобрел в 1883 г. англичанин Томас Брайт Уилсон. Их конструкция была еще далека от современной, но позволяла при остановке одного часового механизма запускать другой. Год спустя Амандус Шируотер получил патент на промышленное производство шахматных часов. В 1886 г. их уже можно было приобрести в магазинах Ливерпуля. С 1899 г. в шахматных часах появился "флажок", показывающий, что до истечения лимита времени осталось менее трех минут. Идею предложил Д. Б. Мейер. На рис. 1 показана одна из ранних моделей шахматных часов фирмы Ferranti.

Часы Фишера на базе компьютера

Прототип нынешних механических шахматных часов появился в 1900 г. благодаря усовершенствованиям Веенхоффа. Примерно в то же время американец Генри Уоррен изобрел электрические часы. Их шахматный вариант появился в продаже в середине 20-х годов прошлого века (рис. 2).

Часы Фишера на базе компьютера

Первые в мире ЭШЧ были изготовлены в Киеве в 1964 г. Алгоритм их работы ничем не отличался от классических турнирных. В течение длительного времени ЭШЧ совершенствовали лишь в связи с технологическими достижениями электроники: на смену транзисторам пришли микросхемы, вакуумным и газоразрядным индикаторам - светодиодные и жидкокристаллические. Свою лепту внесли и радиолюбители. Описания нескольких вариантов самодельных ЭШЧ можно найти в [1-3], а в [4] приведена схема приставки превращающей в шахматные часы обычный микрокалькулятор.

Но в начале 90-х годов прошлого века спокойное течение событий нарушил американский гроссмейстер Роберт Джеймс Фишер - одиннадцатый чемпион мира по шахматам. Выйдя из длительного затворничества, он в очередной раз удивил всех, предложив играть в "шахматы Фишера" по "часам Фишера".

Для справки: "случайные шахматы Фишера" (Fischer Random Chess) отличаются тем, что выстроенные, как обычно, в исходном положении фигуры перед началом игры по жребию меняют местами. В результате конь вполне может оказаться на месте ферзя, ладья - на месте слона и т. п. Вместо одного единственного получается 960 варианбавочными секундами за каждый сделанный ход. Если, обдумывая очередной ход, постоянно укладываться в эту премию, "флажок" на часах никогда не упадет. Более того, запас времени может возрасти. Опытный шахматист в таких условиях доведет любую теоретически выигрышную позицию до победы.

Свои часы Р. Фишер запатентовал [5]. В отличие от "случайных шахмат", они получили поддержку ФИДЕ. Новый способ контроля времени впервые был применен на практике в матче Фишер-Спасский (1992 г.). А с 1999 г. "Официальные часы ФИДЕ" (Official FIDE Digital Chess Timer, рис. 3) в режиме "часов Фишера" используют в командных шахматных чемпионатах Европы и мира. В официальных часах предусмотрены и другие, не менее интересные режимы. Всего их 12, ниже рассмотрены основные.

Часы Фишера на базе компьютера

Отсрочка времени ("часы с задержкой", Andante) - после каждого сделанного одним из соперников хода отсчет времени его противника начинается не сразу, а с задержкой, например, на 5 с. Если за это время игрок успеет сделать ход, его часы не изменят показании Неизрасходованное призовое время не накапливается, поэтому "сверхбыстрая" игра никаких преимуществ не дает. Этот регламент распространен в турнирах, проводимых под эгидой Американской национальной шахматной федерации (USCF).

При нулевой задержке счет времени не отличается от обычных механических шахматных часов. Недостатком "часов с задержкой" считается неизменность их показаний при достаточно быстрой игре. У игроков это невольно ассоциируется с неисправностью механизма часов.

Прибавка времени без накопления ("часы Бронштейна", Adagio) - режим, эквивалентный рассмотренному выше, но время добавляют не до, а после сделанного хода (стрелки передвигают назад). Если новый ход сделан раньше, чем истекла "добавка", прежде чем дать еще одну, показания часов автоматически возвращаются к исходным, без добавок.

Метод был предложен еще в 70-х годах советским гроссмейстером Д. Бронштейном. Психологически "часы Бронштейна" привлекательнее "часов с задержкой", так как их показания постоянно меняются, убеждая шахматистов в исправности механизма.

Прибавка времени с накоплением ("часы Фишера", "часы ФИДЕ", bonus, progressive) - алгоритм, подобный "часам Бронштейна", но неиспользованное призовое время накапливается. Запас времени после каждого хода возрастает на установленное число секунд независимо от того, сколько игрок думал над этим ходом. Серией "сверхбыстрых" ходов можно накопить достаточно времени для продолжительного анализа позиции. Хорошо это или плохо - теоретики шахмат спорят по сей день.

Вспомогательные режимы ("часы для забавы", "песочные часы", "гонг") делают ЭШЧ привлекательными для потребителя. По крайней мере, так считают фирмы-изготовители. Действительно, после серьезной партии можно позволить себе расслабиться и поиграть, например, в режиме, когда время, затраченное на обдумывание хода, автоматически добавляется сопернику.

Еще один вспомогательный режим "гонг" ведет свою родословную с 30-х годов прошлого века, когда практиковали массовые турниры, в которых партии одновременно играли все участники. На обдумывание каждого хода отводили строго фиксированные интервалы времени, сообщая об их истечении всем сразу ударами самого настоящего гонга. Шахматист, пару раз не успевший сделать ход до гонга, считался проигравшим.

Вращать "туда-сюда" стрелки механических часов очень сложно. Поэтому успешно реализовать новые принципы контроля времени удается лишь с помощью электроники. Так с легкой руки Фишера ЭШЧ получили "второе дыхание". В соответствии с действующими правилами ФИДЕ сегодня международные турниры проводят только с применением ЭШЧ. Как правило, первые 40 ходов играют с обычным контролем времени, а далее включают "часы Фишера". Многие национальные шахматные федерации, в том числе российская, ведут планомерную замену механических часов электронными. К сожалению, из-за высокой стоимости "часов ФИДЕ" выполнение этих планов далеко от завершения.

В качестве альтернативы ЭШЧ можно найти в Интернете немало программ, превращающих в шахматные часы персональный компьютер. Из бесплатных наиболее известны [6-8]. Их общие недостатки: только цифровая индикация времени, имитация нажатия кнопок часов с помощью обычной клавиатуры. Ее размещают сбоку от шахматной доски, один игрок пользуется клавишей ESC, другой - ENTER. Практика показывает, что при игре в "блиц" для некоторых особо экспрессивных шахматистов прочность стандартной компьютерной клавиатуры явно недостаточна.

Цифровая индикация времени сильно затрудняет игру в цейтноте. Следить за числом оставшихся секунд боковым зрением, не отвлекаясь от доски, крайне сложно, сразу вспоминается удобный флажок обычных шахматных часов. Поэтому в дополнение к цифровому на экране необходим "аналоговый" индикатор. Например, такой, как в программе [9], в исходном состоянии которой на экране монитора видны два зеленых круга-циферблата. По мере расходования времени каждым игроком на циферблатах растут окрашенные в синий цвет секторы. Игра заканчивается, когда один иэ циферблатов станет синим полностью.

Если взять за основу подобный способ индикации, добавив к нему и цифровой, предусмотреть современные режимы учета времени, возможность управления с помощью дополнительных достаточно прочных и удобных кнопок, получатся ЭШЧ, не уступающие официальным.

На рис. 4 и рис. 5 показаны простейшие схемы, по которым две внешние кнопки (по одной для каждого соперника) могут быть подключены к компьютеру - соответственно к разъемам LPT- или СОМ-порта. Через замкнувшиеся при нажатии контакты кнопок SB1 и SB2 потечет ток 2...5 мА. Такое значение можно считать оптимальным. При большем контакты быстро обгорят, при меньшем растет вероятность ненадежного срабатывания по причине нестабильности контактного сопротивления.

Часы Фишера на базе компьютера

Кнопки можно разместить как в общем, так и в двух отдельных корпусах при длине соединительных проводов до нескольких метров. Один из вариантов - воспользоваться двумя компьютерными "мышами", даже неисправными. В каждой из них соединяют параллельно контакты всех имеющихся клавиш, что позволяет нажимать "не глядя" любую. Остальная "начинка" не используется. Чтобы конструкция была механически устойчивой, удаляют обрезиненный шар. Недостаток один - "не шахматный" способ нажатия кнопок (хотя кто-нибудь именно это сочтет преимуществом).

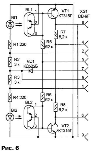
На рис. 6 приведена схема более сложного блока выносных кнопок (БВК). Его детали размещены внутри стандартных шахматных часов "Янтарь", часовые и кнопочный механизмы которых не подвергают никаким переделкам. Это стало возможным благодаря применению бесконтактных оптических датчиков положения уже имеющихся в часах кнопок. Датчики состоят из излучающих диодов BI1, BI2 и сдвоенных фототранэисторов BL1, BL2.

Часы Фишера на базе компьютера

Розетку XS1 БВК можно соединять как с параллельным, так и последовательным портом компьютера. Достаточно изготовить соответствующий кабель по схемам, изображенным на рис. 7 (к порту LPT) или на рис. 8 (к порту СОМ).

Часы Фишера на базе компьютера

Показанные на рис. 5 и 8 розетки XS1 (DB-9F) стыкуются с установленными в современных компьютерах вилками DB-9M порта СОМ1. Порт COM2 обычно снабжен вилкой DB-25M, назначение контактов которого несколько иное. Большим разнообразием отличаются разъемы последовательных и параллельных портов компьютеров устаревших типов, в основном производства СССР. ГДР и ПНР. Во всех подобных случаях БВК придется соединять с разъемом компьютера, ориентируясь на приведенные на рисунках названия линий портов.

Вернемся к рис. 6. Ток через излучающие светодиоды ВИ и BI2 задан резисторами R1 и R4 (при подключении к LPT) или R1-R4 (при подключении к СОМ). Излучатели и соответствующие им фотоприемники (BL1, BL2) расположены таким образом, что оптическую связь между ними прерывает, находясь в соответствующем положении, коромысло кнопочного механизма шахматных часов. Например, при нажатой правой кнопке должна отсутствовать связь ВI1-BL1, фототранзисторы сборки BL1 должны быть закрыты. Когда нажаты обе кнопки (полная остановка часов), освещены и открыты фототранзисторы обеих сборок (BL1 и BL2).

Эксперименты показали, что сигналы оптических датчиков достигают достаточной для непосредственной подачи на входы портов компьютера амплитуды лишь при очень маленьком расстоянии между излучателями и фотоприемниками. Поэтому в БВК предусмотрены усилители-инверторы сигналов датчиков - транзисторы VT1 и VT2. Их коллекторными нагрузками при подключении к СОМ-порту служат резисторы R7 и R8. Для работы с LPT-портом нагрузочные резисторы не требуются. Диод VD1 - защитный, на случай переполюсовки напряжения на линиях RTS и DTR СОМ-порта.

БВК собран на плате из стеклотекстолита размерами 95x15x1 мм. Как показано на рис. 9, эта плата (4) приклеена изнутри к верхней стенке корпуса часов "Янтарь". Все детали и печатные проводники находятся на свободной стороне платы. У ее противоположных концов на расстоянии приблизительно 85 мм друг от друга и вблизи соответствующих кнопок 2 расположены оптические датчики 3. Расстояние между излучающим диодом и работающей совместно с ним фототранзисторной сборкой - 6...8 мм. Другие элементы БВК установлены на плате таким образом, чтобы не мешать ходу коромысла 1.

Часы Фишера на базе компьютера

Розетка XS1 укреплена на съемной задней стенке корпуса часов и соединена с платой 4 жгутом проводов 5. Из-за недостатка места на плате диод VD1 и резисторы R1, R4 припаяны непосредственно к контактам розетки. В БВК, рассчитанный на подключение только к порту LPT, Диод VD1 и резисторы R2, R3, R7, R8 можно не устанавливать.

Элементы оптических датчиков - излучающие диоды и фототранзисторы - извлечены из компьютерных "мышей" Genius Easy Mouse. При замене их аналогичными приборами от "мышей" других типов, возможно, потребуется подобрать номиналы резисторов: R1-R4, чтобы установить ток 4...8 мА через излучающие диоды, и R5, R6, чтобы добиться надежного срабатывания датчиков.

Диод VD1 и транзисторы VT1, VT2 - любые малогабаритные. Все резисторы - МЛТ-0,125. Розетку DB-9F можно заменить на СНП101-9Г или другую, подходящую по числу контактов и габаритам, изменив соответственно кабельные вилки ХР1 (см. рис. 7 и 8).

Совместно с любым из описанных кнопочных пультов или с БВК работает программа "Электронные шахматные часы". Для интересующихся подробностями алгоритма ее работы там же имеется исходный текст на языке С.

Программа разработана для операционной системы MS DOS и видеоадаптера VGA (640x480 пике), что позволяет запускать ее на самых "древних" компьютерах, нередко пылящихся без дела в кладовках. Возможна работа под Windows в режиме эмуляции DOS.

Сразу после запуска следует сообщить программе способ управления часами (кнопки, оптические датчики, клавиши ESC и ENTER на клавиатуре компьютера), к какому из портов подключены кнопки или БВК (LPT1, LPT2, СОМ1, COM2) и выбрать режим контроля времени (часы с задержкой, "часы Бронштейна", "часы Фишера", песочные часы). Остается задать время, отведенное каждому игроку на всю партию, и указать величину задержки или прибавки времени. Все действия по установке режимов компьютер сопровождает подсказками. Основной экран программы, показанный на рис. 10, содержит два круглых циферблата.

Часы Фишера на базе компьютера

Отсчет времени ведется как аналоговым (израсходованное время - сектора белого и желтого цветов, оставшееся - фиолетовые сектора), так и цифровым способами. На табло в верхней части экрана выведено текущее время - показания внутренних часов компьютера. Клавишей 5 шахматные часы можно временно остановить и запустить вновь. Клавишей 7 можно откорректировать значения счетчика ходов любого игрока (выведены по нижним углам экрана). Это может потребоваться, если кнопка часов нажата ошибочно.

Как только в запасе у игрока остается менее 1 мин времени, в нижней части экрана под его циферблатом появляется белая полоса "последней мили", постепенно заполняющаяся синим цветом. Именно по ней ориентируются в цейтноте.

В соответствии с правилами ФИДЕ истечение времени обозначается остановкой хода часов обоих соперников, звуковым сигналом и надписью СТОП на экране. Устранена присущая игре с механическими часами невозможность определить победителя при почти одновременно упавших "флажках", когда вне зависимости от позиции на доске судьи фиксируют ничью.

ЭШЧ на базе компьютера можно применять и в других играх: шашках, спортивном бридже, го, рэндзю.

Литература

  1. Электронные шахматные часы. - Радио, 1979, № 8, с. 52-54.
  2. "Электронные шахматные часы" Возвращаясь к напечатанному. - Радио, 1982, № 3, с. 52, 53.
  3. Ходак А. Шахматные часы "Блиц". - Радио, 1989, № 5, с. 41-43.
  4. Применение микрокалькуляторов. Итоги мини-конкурса. - Радио, 1982, № 6, с. 30-33.
  5. Fisher R. Digital chess clock. - Патент США № 4884255 от 28.11.1989 г.
  6. McCooper. Digital Chess Clock. - <193.125.152.107/pub/gsmes/msdos/ play/misc/chsclk20.zip> (59 Кбайт).
  7. Seeds. Chess Clock. - <ftp://ftp.iif.hu/ pub/mirrors win95 games chessclock exe (23 Кб).
  8. Kolassa A. Digital Chess Clock Program. - <andrik68.pochta.org/chssclst.exe> (2 Мбайт).
  9. Delgado D. Chess Clock. - <ftp:// ftp. simtel. net/pub/si mtelnet/win95/clocks/ ciches10.zip> (128 Кбайт).

Автор: С.Рюмик, г.Чернигов, Украина

Смотрите другие статьи раздела Часы, таймеры, реле, коммутаторы нагрузки.

Читайте и пишите полезные комментарии к этой статье.

<< Назад

Последние новости науки и техники, новинки электроники:

Польза белкового завтрака 14.01.2026

Правильное питание по утрам играет ключевую роль в поддержании здоровья и контроле веса. Многочисленные исследования подтверждают, что состав завтрака может влиять на аппетит в течение всего дня и качество употребляемой пищи. Австралийские ученые провели масштабный эксперимент, который показал, что употребление белковой пищи с утра помогает дольше чувствовать сытость и предотвращает переедание. В исследовании участвовали более 9 тысяч человек среднего возраста 46 лет. В период с 2011 по 2012 год специалисты анализировали рационы респондентов, оценивая долю основных макронутриентов. В среднем участники потребляли 43% углеводов, 31% жиров, 18% белков, 2% клетчатки и 4% алкоголя. Такой рацион позволил ученым проследить взаимосвязь между утренним приемом пищи и пищевым поведением в течение дня. Выяснилось, что участники, чей завтрак содержал недостаточное количество белка, ощущали повышенный аппетит в течение дня. Они ели больше, чем необходимо, и часто выбирали продукты с высоким со ...>>

Технология SmartPower HDR 14.01.2026

Ноутбуки стремительно развиваются в плане графики и мультимедийных возможностей, но яркие дисплеи с высоким динамическим диапазоном (HDR) часто становятся серьезной нагрузкой для аккумуляторов. Длительная работа с видео высокого качества или играми в HDR приводит к быстрой разрядке батареи, что ограничивает мобильность пользователей и снижает комфорт работы. Решить эту проблему призвана новая технология SmartPower HDR, разработанная совместно компаниями Samsung Display и Intel. Суть технологии заключается в динамическом управлении напряжением OLED-панелей. Чипсет ноутбука в реальном времени анализирует пиковую яркость каждого кадра и передает эти данные контроллеру дисплея, который оптимизирует подачу напряжения в зависимости от количества активных пикселей. В отличие от традиционных режимов HDR, где яркость часто фиксируется на максимальном уровне, SmartPower HDR адаптируется к конкретному контенту, что снижает энергопотребление без потери качества изображения. Технология позвол ...>>

Недосып существенно сокращает жизнь 13.01.2026

Сон является одной из самых фундаментальных потребностей человека. Он влияет на обмен веществ, работу сердца и мозга, иммунитет и общее самочувствие. Современный ритм жизни часто заставляет людей жертвовать сном ради работы, учебы или развлечений, но ученые предупреждают: регулярный недосып может иметь далеко идущие последствия для здоровья и долголетия. Исследователи из Орегонского университета здравоохранения и науки пришли к выводу, что сон менее семи часов в сутки связан с сокращением продолжительности жизни. По данным специалистов, хроническая нехватка сна не только вызывает усталость и снижение работоспособности, но и постепенно сказывается на здоровье органов и систем, увеличивая риски развития различных заболеваний. Для анализа ученые использовали обширную национальную базу данных США, сопоставляя показатели ожидаемой продолжительности жизни на уровне штатов с результатами опросов Центров контроля и профилактики заболеваний за период с 2019 по 2025 годы. Они учитывали мно ...>>

Случайная новость из Архива

Инфаркт поджидает на дороге 03.01.2006

Исследование, проведенное в Германии, продемонстрировало связь между поездками и сердечными приступами.

Медики опросили около 700 человек, перенесших в последние 30 месяцев инфаркт. Все опрошенные живут в Аугсбурге, небольшом городе на юге Германии. Им задавали вопросы об их образе жизни в последние четыре дня перед заболеванием и о времени, когда они почувствовали себя плохо.

Оказалось, что за час до инфаркта большинство переболевших находились в дороге, главным образом, на своих личных автомобилях. Опрошенные ездили в основном в пределах своего города. В целом в первый час после поездки риск инфаркта увеличивается в три раза по сравнению с часовым периодом после других видов деятельности. Для тех, кто ехал общественным транспортом, на мотоцикле или велосипеде, частота инфарктов увеличилась несколько меньше, но отмеченный эффект существует и для них.

Вероятность инфаркта тем выше, чем больше времени проведено в пути. Причины обнаруженного явления неясны. Возможно, дело в психологическом стрессе (хотя он значительно ниже у пассажира автобуса, чем у водителя). А может быть, в загрязненности воздуха на дорогах.

Ранее было доказано, что мельчайшие частицы сажи из автомобильных выхлопов опасны для сердца.

Другие интересные новости:

▪ Смартфон Lenovo Z6 Pro

▪ Новый метод фотосинтеза поможет решить проблему с голодом

▪ Влияние погоды на мозг

▪ Щитовые термостаты серии 7T81 от Finder

▪ Состав микрофлоры кишечника

Лента новостей науки и техники, новинок электроники

 

Интересные материалы Бесплатной технической библиотеки:

▪ раздел сайта Радиоуправление. Подборка статей

▪ статья Истории из жизни радиолюбителей. Большая подборка

▪ статья Почему страус не может летать? Подробный ответ

▪ статья Мартиния. Легенды, выращивание, способы применения

▪ статья Установки для сжигания биотоплива. Сжигание древесных отходов. Энциклопедия радиоэлектроники и электротехники

▪ статья Бестрансформаторное зарядное устройство. Энциклопедия радиоэлектроники и электротехники

Оставьте свой комментарий к этой статье:

Имя:


E-mail (не обязательно):


Комментарий:





Главная страница | Библиотека | Статьи | Карта сайта | Отзывы о сайте

www.diagram.com.ua

www.diagram.com.ua
2000-2026