Бесплатная техническая библиотека
Синтезатор частоты диапазона УКВ. Энциклопедия радиоэлектроники и электротехники

Энциклопедия радиоэлектроники и электротехники / Синтезаторы частоты
Комментарии к статье
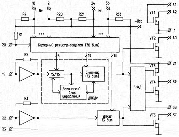
В настоящее время повысились требования к стабильности частоты гетеродинов приемников, работающих в диапазоне ультракоротких радиоволн. К сожалению, публикаций о таких устройствах мало. Но зато появилась замечательная микросхема КН1015ПЛ5, пригодная для создания синтезатора частоты, используемого в качестве гетеродина УКВ. Структурная схема ИМС приведена на рис.1, основные параметры - в таблице1.
Рис.1. Структурная схема ИМС
Блок-схема синтезатора приведена на рис.2. В синтезаторе имеется генератор, управляемый напряжением (ГУН), с выхода которого напряжение нужной частоты подается на смеситель приемника. Перестройка частоты ГУН производится путем подачи постоянного напряжения различной величины на реактивный элемент (РЭ) - обычно варикап.
Рис.2. Блок-схема синтезатора
Напряжение с ГУН поступает на управляемый делитель частоты (УДЧ), коэффициент деления которого устанавливается с помощью регистра установки коэффициента деления (РУКД). Состояние этого регистра (код) изменяется с помощью генератора настройки (ГН). Сигнал ГУН после деления его в УДЧ подается на частотно-фазовый детектор (ЧФД), где он сравнивается с частотой опорного генератора, которая образуется путем деления частоты кварцевого генератора (КГ) в соответствующем делителе частоты (ДЧ). С выхода ЧФД сигнал ошибки установки частоты подается через фильтр нижних частот (ФНЧ) на РЭ. Таким образом осуществляется частотно-фазовая подстройка частоты ГУН.
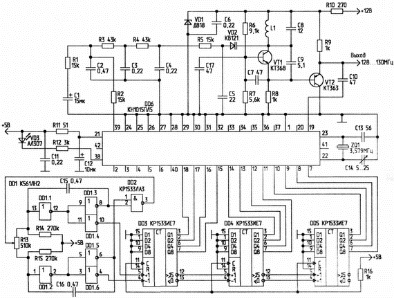
Частота на выходе ГУН поддерживается со стабильностью КГ. Как видно из принципиальной схемы (рис.3), ГУН выполнен на транзисторе VT1. В его контур включен варикап VD2. Через эмиттерный повторитель VT2 сигнал подается на выход. Питание ГУН стабилизировано VD1. Управляемый делитель, КГ, ДЧ, ЧФД выполнены на микросхеме DD6 (КН1015ПЛ5). Установка коэффициента деления производится подачей "0" или "1" на входы 7...18 DD6 с РУКД, выполненного на микросхемах DD3...DD5. Он представляет собой реверсивный счетчик, который управляется генератором на микросхемах DD1, DD2.
Рис.3. Принципиальная схема синтезатора (нажмите для увеличения)
Частота генератора изменяется потенциометром R13. Когда его подвижный контакт находится в среднем положении - генератор не работает. Если переместить его вверх (по схеме), начинается генерация на верхних трех элементах DD1. При этом с вывода 10 DD1.4 сигнал поступает на вход 5 DD3, и начинается пошаговое переключение регистра с увеличением хранящегося в нем числа, а значит, начинается увеличение коэффициента деления ДПКД. Частота ГУН с каждым импульсом увеличивается на 1 кГц. Частота импульсов ГН зависит от того, до какой степени переместить движок R13 вверх, и может меняться от 0,5 Гц (медленная пошаговая перестройка) до 1000 Гц (быстрая перестройка), т.е. чем дальше перемещен движок R13 вверх - тем быстрее перестройка. Для уменьшения частоты движок R13 перемещается вниз. Тогда заработает генератор на трех нижних по схеме элементах DD1, и регистр пойдет на "уменьшение". Так осуществляется настройка. Это немного нетрадиционный способ, но к нему быстро привыкаешь. Для точной подстройки частоты кварцевого генератора, собранного на DD6, ZQ1, служит С14.
Таблица 1| Параметр | Обозначение | Значение параметра | Единица измерения | Примечания |
|---|
| Диапазоны коэффициентов деления ДПКДv (шаг 1)
| Nv
| 225...131071
| МГц
| Вывод 40 |
| Диапазон коэффициентов деления ДПКДг (шаг 1)
| Nг
| 3...8191
100...900
20...800
| МГц
| Вывод 37
Группа "А"
Группа "Б" |
| Диапазон рабочей частоты ДПКДv
| fiv
| 5...600
20...900
10...800
| МГц
| Группа "В"
Группа "А"
Группа "Б" |
| Диапазон рабочей частоты ДПКДг
| fiг
| 0,1. ..80
| МГц
| Группа "А" |
| Максимальная входная частота ЧДФ
| Fг max
| 5
| МГц
| |
| Чувствительность по ВЧ-входу ДПКДv
| Sv
| 0,2...0,8
| В
| Вывод 19 |
| Чувствительность по входу ОГ
| Sг
| 0,1 ...0,15
| В
| Вывод 22,
fir=10 МГц |
| Максимальное напряжение стока NMOS-транзистора
| Umax
| 12
| B
| Вывод 42,
Ids=0,1 мА |
| Максимальное остаточное напряжение стока NMOS-транзистора, не более
| Uds min
| 0,1
| B
| Ids=10 мА |
| Крутизна NMOS-транзистора, не менее
| S
| 40
| мА/В
| |
| Выходное сопротивление ЧФД, не более
| R0
| 600
| Ом
| Вывод 39 |
| Входные токи низкого уровня, не менее
| IiL
| -5
-15
| мкА
| Выводы 2..18, 20, 24..36
Выводы 19, 22 |
| Входные токи высокого уровня, не более
| IiH
| 0,1
15
| мкА
| Выводы 2..18, 20, 24..36
Выводы 19,22 |
| Ток потребления максимальный (группа "А") Icc max
| 17
| мА
| Ucc=5,5 В; fi=900МГц; Nг=400; fг=10 МГц; Nv=225 |
| Ток потребления типовой
| Icc
| 5
| мА
| Ucc=3,5 В; fi=500МГц; Nr=400;fr=10MГц;Nv=22 |
| Масса, не более
|
| 2,0
| г
| Шаг выводов - 1 мм |
| Диапазон рабочих температур
| T
| -60...+85
| °С
| |
Синтезатор выполнен на плате размерами 95x65 мм (рис.4). На ней с помощью алюминиевого уголка закреплены R13 и С14. Катушка индуктивности не критична к параметрам, и можно применить любую диаметром 6...8 мм. Она содержит 3 витка провода ПЭШО диаметром 0,3 мм. Подстройка средней частоты ГУН производится латунным сердечником. Потенциометр R13 - лучше типа СП-1, как наиболее надежный, но можно применить и движковый.
Рис.4. Печатная плата синтезатора
Микросхемы DD2...DD5 желательно использовать серии 1533, немного хуже - 555, еще хуже - 155, т.к. возрастает потребление по питанию 5 В с 50 до 250 мА. Выводы 2, 3, 6, 7 микросхем DD3...DD5 с выводами 7...18 DD6 соединены тонкими изолированными проводниками (навесной монтаж) - так проще, и получается вполне нормально. В качестве ZQ1 можно использовать любой кварц с частотой 1 ...8 МГц, подобрав коэффициент деления КД (соответствующим подключением выводов 24...36 DD6), чтобы частота на выводе 37 была равна 1 кГц (в зависимости от нужной частоты ГУН и шага перестройки).
Настройка производится в следующей последовательности:
- проверьте правильность монтажа, отсутствие коротких замыканий и обрывов в плате;
- проверьте работу ГН. В среднем положении движка R13 генерация на выводах DD1 должна отсутствовать. При повороте движка вправо или влево частота генерации на вы водах DD1 должна плавно возрастать. Это достигается подбором R14 и R15;
- убедитесь в нормальной работе кварцевого генератора с помощью осциллографа с высокоомным входом. Между шиной 5 В и выводом 37 DD6 подключите резистор 1 кОм и проконтролируйте работу ДЧ - частота на выводе 37 должна быть около 1 кГц;
- работу ГУН проверьте осциллографом на эмиттере VT2. Между шиной 5 В и выводом 40 DD6 включите резистор 1 кОм. Частота на выводе 40 должна быть примерно равна 1 кГц. Она устанавливается подстройкой сердечника L1, а если нужно - и подбором С8;
- измерьте постоянную составляющую напряжения в точке соединения R1...R3, С2 с помощью осциллографа или высокоомного вольтметра. Она должна быть в пределах 1...8 В и плавно изменяться при настройке с помощью R13. Устанавите среднюю частоту диапазона с помощью R13 и, вращая латунный сердечник катушки, выставите это напряжение в пределах 4...5 В. Настройка на этом закончена.
Синтезатор изготовлен автором на частоту 127...131 МГц. Средний коэффициент деления УДЧ при этом - 129000, а ДЧ - 3584. Можно изготовить синтезатор и на другую частоту и с другими кварцами, при этом коэффициент деления ДЧ Кд определяется так:

где fкв - частота кварца; fг.cp. - средняя частота гетеродина.
Разумеется, можно изготовить подобный синтезатор и для диапазона 430...440 МГц - КН1015ПЛ5 это позволяет, но тогда нужен более высокочастотный ГУН. Автор изготовил синтезатор и на КВ-диапазоны, аналогичный опубликованному в [1]. При этом количество корпусов микросхем и габариты сократились вдвое. Там вместо DD7...DD12, DD14...DD16 установлена КН1015ПЛ5.
Литература
- Л.Риваненков. Синтезатор частоты. - Радиолюбитель KB и УКВ, 2000, N6, С.24.
- Валкодер из мыши. - Радио, 2002, N9, С.64.
Автор: Л.Риваненков, г.Смоленск; Публикация: radioradar.net
Смотрите другие статьи раздела Синтезаторы частоты.
Читайте и пишите полезные комментарии к этой статье.
<< Назад
Последние новости науки и техники, новинки электроники:
Цыплята из искусственного яйца, напечатанного на 3D-принтере
29.05.2026
Компания Colossal Biosciences, известная своими амбициозными инициативами по "воскрешению" вымерших животных, достигла важного прорыва. Специалистам удалось вырастить цыплят из полностью искусственного яйца, созданного с помощью 3D-печати. Эта технология рассматривается как значительный шаг на пути к возможному возрождению одного из самых впечатляющих представителей исчезнувшей фауны - гигантского моа.
Южноостровной гигантский моа (Dinornis robustus) был одной из самых высоких птиц в истории Земли. Самки этого нелетающего родственника страусов могли вырастать выше двух метров и дотягиваться до пищи на высоте до 3,6 метра. Эти гиганты обитали в Новой Зеландии, однако полностью исчезли примерно в XV веке после активной охоты со стороны первых поселенцев-маори. Теперь Colossal Biosciences пытается вернуть подобных птиц в современный мир с помощью передовых биоинженерных решений.
Искусственное яйцо, разработанное компанией, состоит из титановой решетчатой оболочки, изготовленной на 3 ...>>
Робот-бариста Jarvis
29.05.2026
Американский стартап Artly представил роботизированного баристу по имени Jarvis, который уже работает в кафе Muji в Портленде. Эта система не просто механически готовит кофе - она старается максимально точно воспроизводить технику и навыки чемпионов кофейного мастерства, превращая авторский кофе в стабильный и масштабируемый продукт.
Основателем кофейной философии проекта стал Джо Янг, занимающий должность Chief Coffee Officer в Artly. Выросший в Китае, он впервые попробовал кофе только в 2007 году во время учебы в Оклендском университете в Новой Зеландии. Сначала эспрессо привлек его как самый бюджетный напиток в меню, но постепенно интерес перерос в профессиональную страсть. Джо Янг стал победителем нескольких национальных чемпионатов США по обжарке кофе, приготовлению напитков и лате-арту.
Для обучения Jarvis команда Artly применила систему захвата движений. На руку Джо Янга установили специальные датчики, которые записывали каждое движение при наливании молока и создании лате ...>>
Генетический резервный план растений
28.05.2026
Многие растения обладают удивительной способностью адаптироваться к самым суровым условиям окружающей среды. Одним из скрытых механизмов их выносливости оказалась полиплоидия - наличие более двух наборов хромосом в клетках. Это явление, распространенное среди растений, но редкое у животных, может действовать как эволюционный страховочный фонд. Новое исследование показывает, что именно дополнительные копии генома помогали цветковым растениям неоднократно переживать масштабные климатические кризисы на протяжении миллионов лет.
Ученые проанализировали геномы 470 видов покрытосеменных растений и выявили 132 древних события полного удвоения генома. Эти события не были случайными: они четко группировались вокруг периодов глобальных экологических потрясений. Среди них - мелово-палеогеновое массовое вымирание 66 миллионов лет назад, палеоцен-эоценовый термический максимум, эоцен-олигоценовый переход, среднемиоценовое климатическое нарушение и океанические аноксические события.
Исследован ...>>
Случайная новость из Архива Первозданные магнитные поля
11.09.2025
История происхождения космических структур до сих пор хранит множество тайн. Одна из них связана с тем, каким образом во Вселенной появились магнитные поля, которые сегодня пронизывают даже самые пустые ее области. Казалось бы, такие слабые силы не могут играть значительной роли, но современные исследования показывают обратное: именно они могли повлиять на формирование звезд и галактик.
Международная группа ученых провела грандиозную работу, выполнив более 250 тысяч компьютерных симуляций. Их цель заключалась в том, чтобы выяснить, как слабые магнитные поля воздействовали на так называемую "космическую паутину" - гигантскую структуру из галактик, газа и темной материи. Ведущий автор исследования Мак Павичевич отмечает, что по силе эти поля были в миллиарды раз слабее привычного магнитика на холодильнике и сравнимы с электрическими импульсами, которые создают нейроны человеческого мозга. По гипотезе ученых, такие поля могли быть наследием процессов, происходивших во время рождения Вселенной.
Наибольшие трудности вызывал вопрос о том, почему магнетизм наблюдается в пустотах космоса, лишенных галактик. Классические теории не предсказывали там наличие каких-либо полей. Павичевич предположил, что они могли возникнуть еще до Большого взрыва, в эпоху инфляции, или позже, в ходе фазовых переходов материи. Чтобы проверить это, команда сопоставила результаты моделирования с реальными астрономическими данными и установила, что наилучшее совпадение достигается при условии существования первоначального поля напряженностью около 0,2 наногауса.
От Иршич из Университета Хартфордшира назвал этот проект "самым масштабным и самым реалистичным набором симуляций влияния первобытного магнитного поля на межгалактическую паутину". По его словам, именно такие исследования впервые позволяют по-настоящему приблизиться к пониманию роли этих слабейших сил в эволюции космоса.
Результаты показали, что даже почти незаметные поля оказывали значительное воздействие на плотность космической паутины, ускоряя формирование галактик и рождение звезд. Таким образом, они могли быть ключевым фактором, определившим облик Вселенной, какой мы наблюдаем сегодня.
Кроме того, работа позволила уточнить верхний предел интенсивности древних магнитных полей, снизив его в несколько раз по сравнению с прежними оценками. Авторы подчеркивают, что их выводы согласуются с данными о космическом микроволновом фоне, который хранит следы ранних эпох.
В ближайшем будущем исследователи надеются на помощь космического телескопа Джеймса Уэбба. Его высокая чувствительность к слабым сигналам способна подтвердить гипотезу о существовании первоначальных полей и помочь понять, каким образом возник магнетизм во Вселенной.
|
Другие интересные новости:
▪ Дирижабли тушат пожары
▪ Пленка-невидимка для передачи секретных сообщений
▪ Универсальная молекула против всех видов простуды
▪ Миниатюрный модуль для приема цифрового радиовещания
▪ С точки зрения собаки
Лента новостей науки и техники, новинок электроники
Интересные материалы Бесплатной технической библиотеки:
▪ раздел сайта Музыканту. Подборка статей
▪ статья Всё пройдет, как с белых яблонь дым. Крылатое выражение
▪ статья Чем муравьи-амазонки отличаются от других муравьев? Подробный ответ
▪ статья Колюрия гравилатовидная. Легенды, выращивание, способы применения
▪ статья Модификация Alinco DJ-191. Энциклопедия радиоэлектроники и электротехники
▪ статья Параметрический преобразователь. Энциклопедия радиоэлектроники и электротехники
[an error occurred while processing this directive]
Оставьте свой комментарий к этой статье:
Главная страница | Библиотека | Статьи | Карта сайта | Отзывы о сайте

www.diagram.com.ua
2000-2026