Бесплатная техническая библиотека
Генератор для настройки ПЧ-тракта радиоприемника. Энциклопедия радиоэлектроники и электротехники

Энциклопедия радиоэлектроники и электротехники / Гражданская радиосвязь
Комментарии к статье
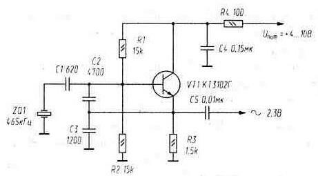
На рис.17 приведена принципиальная схема генератора, который может быть использован для настройки тракта промежуточной частоты в радиоприемниках самого разного назначения. Частота выходного сигнала генератора - f пч=465 кГц* - задается кварцевым резонатором ZQ1, а его амплитуда - не менее 2 В - зависит от напряжения источника питания Uпит.
Все резисторы в генераторе - типа МЛТ-0,125, конденсаторы КМ-6 или им подобные. Транзистор VT1 - практически любой n-p-n, имеющий коэффициент усиления по току не менее 100 и граничную частоту не менее 100 МГц.
Рис. 17. Генератор для настройки ПЧ тракта радиоприемника
Генератор не требует наладки. Для сохранения хорошей формы сигнала при Uпиті10 В потребуется, возможно, лишь несколько увеличить емкость конденсатора С2 (до 6200....6800 пФ).
При такой амплитуде выходного сигнала генератор к радиоприемнику можно и не подключать - достаточно лишь их сблизить. Но уровень выходного сигнала можно уменьшить, привести его к нужному. Так, например, как это показано на рис. 18. Но в этом случае сам генератор потребуется поместить в экран (штриховой линией показан его фрагмент), иначе наводки "по воздуху" не позволят получить на его выходе сигнал достаточно малого уровня. При хорошей экранировке всех цепей резисторный делитель можно сделать ступенчатым (рис. 19), сигнал на выходе которого может быть снижен, при необходимости, и до долей микровольта. Расчет таких делителей описан в [1].
Рис. 18. Простой делитель выходного напряжения
Рис. 19. Ступенчатый делитель выходного напряжения
*) Несущая ПЧ-тракта fпч=465 кГц - отечественный стандарт. В зарубежной связной технике чаще fпч=455 кГц. Для настройки такой аппаратуры в генераторе потребуется сменить лишь кварцевый резонатор.
Публикация: cxem.net
Смотрите другие статьи раздела Гражданская радиосвязь.
Читайте и пишите полезные комментарии к этой статье.
<< Назад
Последние новости науки и техники, новинки электроники:
Глазные капли, возвращающие молодость зрению
05.10.2025
С возрастом человеческий глаз постепенно теряет способность четко видеть на близком расстоянии - развивается пресбиопия, или возрастная дальнозоркость. Этот естественный процесс связан с утратой эластичности хрусталика и ослаблением цилиарной мышцы, отвечающей за фокусировку. Миллионы людей по всему миру сталкиваются с необходимостью носить очки для чтения или прибегают к хирургическим методам коррекции. Однако исследователи из Центра передовых исследований пресбиопии в Буэнос-Айресе представили решение, которое может стать удобной и неинвазивной альтернативой - специальные глазные капли, способные улучшать зрение на длительный срок.
Разработку возглавила Джованна Беноцци, директор Центра. По ее словам, цель исследования состояла в том, чтобы предоставить пациентам с пресбиопией эффективный и безопасный способ коррекции зрения без хирургического вмешательства. Новые капли, созданные на основе пилокарпина и диклофенака, показали убедительные результаты: уже через час после первого пр ...>>
Цифровая рация Xiaomi Digital Walkie Talkie
05.10.2025
Компания Xiaomi представила современное устройство, объединившее классические принципы радиосвязи с возможностями цифровых технологий.
Новинка под названием Xiaomi Digital Walkie Talkie демонстрирует, как привычные рации могут быть переосмыслены в духе времени. Устройство оснащено цветным дисплеем диагональю 1,57 дюйма, который отображает список контактов, параметры соединения и даже примерное местоположение собеседника. Такой подход превращает стандартную рацию в компактное средство связи, сочетающее функциональность смартфона и устойчивость профессиональной техники.
Одним из ключевых преимуществ стала высокая автономность. Встроенный аккумулятор емкостью 2500 мА·ч обеспечивает до 100 часов работы в режиме ожидания и около 14 часов непрерывных разговоров, что особенно важно в экспедициях, на дальних маршрутах или в зонах, где подзарядка невозможна. Согласно данным портала unionrayo.com, такое время работы выгодно отличает устройство от большинства аналогов.
По дальности дейст ...>>
Открыт обращаемый драйвер старения
04.10.2025
Недавняя работа ученых из Сямэньского университета в Китае показала, что в гипоталамусе, главном регуляторе внутренних функций организма, кроется один из ключей к продлению молодости.
Команда под руководством Лиге Ленга обнаружила, что снижение уровня белка менина в гипоталамусе связано с ускорением процессов старения. Менин, как выяснилось, играет важную роль в предотвращении воспаления и поддержании нормальной работы нейронов. Когда его уровень снижается, в мозге возрастает активность воспалительных сигналов, что запускает цепную реакцию возрастных изменений во всем организме - от ослабления когнитивных функций до потери плотности костей и истончения кожи.
Чтобы понять, как именно менин влияет на старение, ученые вывели генномодифицированных мышей, у которых этот белок можно было выборочно отключить. Даже у молодых животных такое вмешательство быстро привело к ухудшению памяти, снижению прочности костей и эластичности кожи, а также к укорочению жизни. Эти результаты убедительно ...>>
Случайная новость из Архива Чай очищает воду от тяжелых металлов
21.02.2025
Чай, любимый многими за свой вкус и аромат, оказался не только приятным напитком, но и эффективным природным фильтром, способным удалять свинец и другие тяжелые металлы из воды. Ученые из Северо-Западного университета обнаружили, что чайные листья обладают уникальной способностью адсорбировать тяжелые металлы, задерживая их на своей поверхности в процессе заваривания.
Профессор Винаяк Дравид, возглавлявший исследование, отметил: "В этом исследовании нашей целью было измерить способность чая адсорбировать тяжелые металлы". Он также подчеркнул "неосознанный потенциал потребления чая для пассивного содействия уменьшению воздействия тяжелых металлов на население по всему миру". Это открытие особенно важно, учитывая, что длительное воздействие свинца связано с серьезными проблемами здоровья, такими как головные боли, бессонница, сердечно-сосудистые заболевания и инсульты.
В ходе исследования ученые протестировали различные виды чая - черный, зеленый и улун - и обнаружили, что черный чай демонстрирует наилучшие результаты. Бенджамин Шиндел, аспирант и член исследовательской группы, объяснил этот феномен структурными особенностями черного чая: "Когда чайные листья перерабатываются в черный чай, они сморщиваются, а его поры открываются. Эти морщины и поры увеличивают площадь поверхности, доступную для адсорбции". Дополнительное измельчение листьев еще больше повышает эффективность адсорбции.
Исследователи также установили, что тип чайного пакетика и время заваривания оказывают значительное влияние на процесс удаления металлов. Целлюлозные пакетики оказались более эффективными, чем хлопчатобумажные или нейлоновые, а более длительное время заваривания значительно повышает адсорбцию. "Любой чай, который дольше настаивается или имеет большую площадь поверхности, эффективно поглощает больше тяжелых металлов", - отметил Шиндел, добавив, что заваривание черного чая в течение 3-5 минут может снизить концентрацию свинца примерно на 15%.
Хотя исследователи не рекомендуют использовать чай в качестве основного метода очистки воды, их открытие имеет важное практическое значение. "Если люди будут выпивать дополнительную чашку чая в день, возможно, со временем мы увидим снижение уровня заболеваний, тесно связанных с воздействием тяжелых металлов", - предположил Шиндел. Это исследование также может объяснить, почему в некоторых популяциях, где традиционно потребляют много чая, наблюдается более низкий уровень сердечно-сосудистых заболеваний и инсультов.
Таким образом, чай, помимо своих вкусовых качеств, обладает ценными свойствами, способствующими очищению воды от тяжелых металлов. Это открытие подчеркивает потенциальную пользу регулярного употребления чая для здоровья человека.
|
Другие интересные новости:
▪ Протез памяти
▪ Куриный бульон против гипертонии
▪ Новые ЦАП от TI - высокая точность и низкое потребление
▪ Процессоры Intel Atom Z5xx
▪ Устройство, имитирующее работу мозга
Лента новостей науки и техники, новинок электроники
Интересные материалы Бесплатной технической библиотеки:
▪ раздел сайта Усилители мощности. Подборка статей
▪ статья Лезть на рожон. Крылатое выражение
▪ статья Как перемещаются ледники? Подробный ответ
▪ статья Охранник, использующий при работе оружие, боеприпасы, специальные средства. Типовая инструкция по охране труда
▪ статья Цемент для янтаря. Простые рецепты и советы
▪ статья Травление печатных плат. Энциклопедия радиоэлектроники и электротехники
Оставьте свой комментарий к этой статье:
Главная страница | Библиотека | Статьи | Карта сайта | Отзывы о сайте

www.diagram.com.ua
2000-2025