Áåñïëàòíàÿ òåõíè÷åñêàÿ áèáëèîòåêà
Öèôðîâîé âîëüòìåòð íà ìèêðîñõåìå Ñ520. Ýíöèêëîïåäèÿ ðàäèîýëåêòðîíèêè è ýëåêòðîòåõíèêè

Ýíöèêëîïåäèÿ ðàäèîýëåêòðîíèêè è ýëåêòðîòåõíèêè / Èçìåðèòåëüíàÿ òåõíèêà
Êîììåíòàðèè ê ñòàòüå
Ïðèíöèïèàëüíàÿ ñõåìà âîëüòìåòðà (íàæìèòå äëÿ óâåëè÷åíèÿ)
Ïå÷àòíàÿ ïëàòà

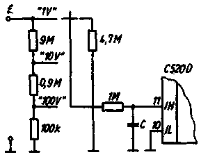
Âàðèàíòû âûïîëíåíèÿ âõîäíîé öåïè
Âêëþ÷åíèå ñâåòîäèîäíûõ èíäèêàòîðîâ ñ îáùèì êàòîäîì
 êà÷åñòâå äåøèôðàòîðîâ ìîæíî èñïîëüçîâàòü, íàïðèìåð, Ê514ÈÄ1, Ê514ÈÄ2.Âîçìîæíî èñïîëüçîâàíèå è Ê155ÈÄ1, åñëè èñïîëüçóþòñÿ äåêàäíûå èíäèêàòîðû.
Òðàíçèñòîðû - òèïà ÊÒ361 èëè ïîäîáíûå äðóãèå p-n-p ïðîâîäèìîñòè.
Ïóáëèêàöèÿ: Í. Áîëüøàêîâ, rf.atnn.ru
Ñìîòðèòå äðóãèå ñòàòüè ðàçäåëà Èçìåðèòåëüíàÿ òåõíèêà.
×èòàéòå è ïèøèòå ïîëåçíûå êîììåíòàðèè ê ýòîé ñòàòüå.
<< Íàçàä
Ïîñëåäíèå íîâîñòè íàóêè è òåõíèêè, íîâèíêè ýëåêòðîíèêè:
Ñòåðèëüíîãî íåéòðèíî íå ñóùåñòâóåò
15.01.2026
 ôèçèêå ýëåìåíòàðíûõ ÷àñòèö ïîèñê íîâûõ, ïîêà íå îáíàðóæåííûõ îáúåêòîâ èãðàåò êëþ÷åâóþ ðîëü â ïîíèìàíèè óñòðîéñòâà Âñåëåííîé. Èíîãäà òàêèå ïîèñêè ïðèâîäÿò ê ãðîìêèì îòêðûòèÿì, à èíîãäà - ê íå ìåíåå âàæíûì îòðèöàòåëüíûì ðåçóëüòàòàì, êîòîðûå ïîçâîëÿþò îòáðîñèòü íåâåðíûå íàïðàâëåíèÿ. Èìåííî ê òàêèì ñëó÷àÿì îòíîñèòñÿ íåäàâíèé âûâîä ó÷åíûõ î ñóäüáå ñòåðèëüíîãî íåéòðèíî - îäíîé èç ñàìûõ èíòðèãóþùèõ ãèïîòåòè÷åñêèõ ÷àñòèö ïîñëåäíèõ äåñÿòèëåòèé.
Èññëåäîâàòåëè èç àìåðèêàíñêîé ëàáîðàòîðèè Fermilab îôèöèàëüíî ñîîáùèëè, ÷òî èì íå óäàëîñü íàéòè äîêàçàòåëüñòâà ñóùåñòâîâàíèÿ ñòåðèëüíîãî íåéòðèíî. Ê òàêîìó âûâîäó ïðèøëà êîìàíäà ýêñïåðèìåíòà MicroBooNE ïîñëå ìíîãîëåòíåãî àíàëèçà ñòîëêíîâåíèé íåéòðèíî, êîòîðûå ðàíåå ðàññìàòðèâàëèñü êàê âîçìîæíûé íàìåê íà ñóùåñòâîâàíèå ÷åòâåðòîãî òèïà ýòèõ ÷àñòèö. Ïðåäïîëàãàëîñü, ÷òî ñòåðèëüíîå íåéòðèíî âçàèìîäåéñòâóåò ñ ìàòåðèåé èñêëþ÷èòåëüíî ÷åðåç ãðàâèòàöèþ, ÷òî äåëàëî åãî êðàéíå òðóäíûì îáúåêòîì äëÿ îáíàðóæåíèÿ.
 ðàìêàõ ñîâðåìåííîé ôèçèêè íåéòðèíî èçâåñòíû â ò ...>>
Áåñïðîâîäíûå íàóøíèêè è êîëîíêè Fender
15.01.2026
Ìóçûêàëüíàÿ èíäóñòðèÿ ïîñòåïåííî àäàïòèðóåòñÿ ê öèôðîâûì òåõíîëîãèÿì, è èçâåñòíûé ïðîèçâîäèòåëü ìóçûêàëüíûõ èíñòðóìåíòîâ Fender ðàñøèðÿåò ñâîå ïðèñóòñòâèå çà ïðåäåëû ãèòàð è óñèëèòåëåé, ïðåäñòàâëÿÿ ñîâðåìåííûå ðåøåíèÿ äëÿ ïðîñëóøèâàíèÿ ìóçûêè. Íîâûå áåñïðîâîäíûå íàóøíèêè è Bluetooth-êîëîíêè Fender îáúåäèíÿþò áîãàòûé çâóê, ìîäóëüíîñòü è óäîáñòâî èñïîëüçîâàíèÿ êàê äëÿ äîìà, òàê è äëÿ ïðîôåññèîíàëüíîé ðàáîòû.
Ôëàãìàíñêîé íîâèíêîé ñòàëè íàóøíèêè Fender Mix, îòëè÷àþùèåñÿ ìîäóëüíîé êîíñòðóêöèåé. Äèíàìèêè ïîäêëþ÷àþòñÿ ê îãîëîâüþ ÷åðåç ïîðò USB Type-C è ìîãóò áûòü ñíÿòû âìåñòå ñ àìáóøþðàìè, ÷òî îáëåã÷àåò óõîä è òðàíñïîðòèðîâêó. Îäèí èç äèíàìèêîâ îñíàùåí âñòðîåííûì àäàïòåðîì USB Type-C äëÿ ïîäêëþ÷åíèÿ ê èñòî÷íèêó çâóêà áåç ïîòåðü, ïîääåðæèâàÿ êîäåêè LDHC è Fire, à òàêæå ôóíêöèþ Auracast. Íà äðóãîì äèíàìèêå ðàçìåùåí ñúåìíûé àêêóìóëÿòîð, êîòîðûé îáåñïå÷èâàåò äî 100 ÷àñîâ ðàáîòû áåç àêòèâíîãî øóìîïîäàâëåíèÿ; ïðè âêëþ÷åíèè ANC âðåìÿ ðàáîòû ñîêðàùàåòñÿ äî 52 ÷àñîâ. Íàóøíèêè äîñòóïíû ïî öåíå $299 ...>>
Ïîëüçà áåëêîâîãî çàâòðàêà
14.01.2026
Ïðàâèëüíîå ïèòàíèå ïî óòðàì èãðàåò êëþ÷åâóþ ðîëü â ïîääåðæàíèè çäîðîâüÿ è êîíòðîëå âåñà. Ìíîãî÷èñëåííûå èññëåäîâàíèÿ ïîäòâåðæäàþò, ÷òî ñîñòàâ çàâòðàêà ìîæåò âëèÿòü íà àïïåòèò â òå÷åíèå âñåãî äíÿ è êà÷åñòâî óïîòðåáëÿåìîé ïèùè. Àâñòðàëèéñêèå ó÷åíûå ïðîâåëè ìàñøòàáíûé ýêñïåðèìåíò, êîòîðûé ïîêàçàë, ÷òî óïîòðåáëåíèå áåëêîâîé ïèùè ñ óòðà ïîìîãàåò äîëüøå ÷óâñòâîâàòü ñûòîñòü è ïðåäîòâðàùàåò ïåðååäàíèå.
 èññëåäîâàíèè ó÷àñòâîâàëè áîëåå 9 òûñÿ÷ ÷åëîâåê ñðåäíåãî âîçðàñòà 46 ëåò.  ïåðèîä ñ 2011 ïî 2012 ãîä ñïåöèàëèñòû àíàëèçèðîâàëè ðàöèîíû ðåñïîíäåíòîâ, îöåíèâàÿ äîëþ îñíîâíûõ ìàêðîíóòðèåíòîâ.  ñðåäíåì ó÷àñòíèêè ïîòðåáëÿëè 43% óãëåâîäîâ, 31% æèðîâ, 18% áåëêîâ, 2% êëåò÷àòêè è 4% àëêîãîëÿ. Òàêîé ðàöèîí ïîçâîëèë ó÷åíûì ïðîñëåäèòü âçàèìîñâÿçü ìåæäó óòðåííèì ïðèåìîì ïèùè è ïèùåâûì ïîâåäåíèåì â òå÷åíèå äíÿ.
Âûÿñíèëîñü, ÷òî ó÷àñòíèêè, ÷åé çàâòðàê ñîäåðæàë íåäîñòàòî÷íîå êîëè÷åñòâî áåëêà, îùóùàëè ïîâûøåííûé àïïåòèò â òå÷åíèå äíÿ. Îíè åëè áîëüøå, ÷åì íåîáõîäèìî, è ÷àñòî âûáèðàëè ïðîäóêòû ñ âûñîêèì ñî ...>>
Ñëó÷àéíàÿ íîâîñòü èç Àðõèâà Êàðüåðíûé ñàìîñâàë Hitachi ñ äèíàìè÷åñêîé çàðÿäêîé áàòàðåè
06.07.2024
Êîìïàíèÿ Hitachi Construction Machinery ïðèñòóïèëà ê õîäîâûì èñïûòàíèÿì ïåðâîãî â ìèðå áîëüøåãðóçíîãî êàðüåðíîãî ñàìîñâàëà ñ äèíàìè÷åñêîé çàðÿäêîé áàòàðåè, ïðåäíàçíà÷åííîãî äëÿ ðàáîòû â êðóïíûõ êàðüåðàõ. Ýòîò èííîâàöèîííûé ïðîåêò áûë ðåàëèçîâàí ñîâìåñòíî ñ êîìïàíèåé ABB, ïðèçíàííûì ëèäåðîì â îáëàñòè ýëåêòðèôèêàöèè òðàíñïîðòíûõ ñðåäñòâ. Èñïûòàíèÿ ïðîâîäÿòñÿ íà òåððèòîðèè êðóïíåéøåãî â Çàìáèè ìåäíî-çîëîòîðóäíîãî êàðüåðà Êàíñàíøè, ïðèíàäëåæàùåãî êîìïàíèè First Quantum Minerals Ltd.
 îñíîâå íîâîãî ñàìîñâàëà ëåæèò ñåðèéíàÿ ìîäåëü Hitachi EH 4000 AC-3 ñ íîìèíàëüíîé ãðóçîïîäúåìíîñòüþ 221 òîííû. Îäíàêî âìåñòî ñòàíäàðòíîãî äèçåëüíîãî äâèãàòåëÿ ìîùíîñòüþ 1864 êÂò â íåì óñòàíîâëåíû ìîùíûå áàòàðåè. Ýòè áàòàðåè ñïîñîáíû çàðÿæàòüñÿ íà õîäó îò ïîäâåñíûõ ëèíèé ñ íàïðÿæåíèåì 2600 Â, èñïîëüçóÿ ñïåöèàëüíûé ïàíòîãðàô. Òàêîå ðåøåíèå ïîçâîëÿåò íå òîëüêî ýêîíîìèòü âðåìÿ, íî è óâåëè÷èâàòü ãðóçîïîäúåìíîñòü çà ñ÷åò èñïîëüçîâàíèÿ áîëåå ëåãêèõ áàòàðåé, ÷òî â ñâîþ î÷åðåäü ñïîñîáñòâóåò óâåëè÷åíèþ ðåñóðñà àêêóìóëÿòîðîâ.
Îñíîâíîå ïðåèìóùåñòâî èñïîëüçîâàíèÿ äèíàìè÷åñêîé çàðÿäêè ñîñòîèò â âîçìîæíîñòè çàðÿæàòü áàòàðåè íåïîñðåäñòâåííî âî âðåìÿ äâèæåíèÿ, ÷òî çíà÷èòåëüíî ïîâûøàåò ýôôåêòèâíîñòü ýêñïëóàòàöèè ñàìîñâàëîâ. Ýòî ïîçâîëÿåò èçáåæàòü ïðîñòîåâ, ñâÿçàííûõ ñ çàðÿäêîé áàòàðåé, è ïîääåðæèâàòü âûñîêèé óðîâåíü ïðîèçâîäèòåëüíîñòè â óñëîâèÿõ èíòåíñèâíîé ðàáîòû êàðüåðà. Áîëåå òîãî, òàêàÿ ñèñòåìà çàðÿäêè ñíèæàåò íàãðóçêó íà áàòàðåè, ïðîäëåâàÿ èõ ñðîê ñëóæáû.
Èñïûòàíèÿ ñàìîñâàëîâ ñ äèíàìè÷åñêîé çàðÿäêîé íà êàðüåðå Êàíñàíøè íà÷àëèñü åùå â äåêàáðå 2016 ãîäà. Òîãäà òåñòèðîâàëèñü ìîäåëè Hitachi EH 3500 AC-3 ñ ãðóçîïîäúåìíîñòüþ 181 òîííà, ãäå ýëåêòðîýíåðãèÿ ïåðåäàâàëàñü ÷åðåç ïàíòîãðàô íàïðÿìóþ íà ýëåêòðîìîòîðû, óñòàíîâëåííûå â ñòóïèöàõ êîëåñ. Ýòè èñïûòàíèÿ ïîêàçàëè âûñîêóþ ýôôåêòèâíîñòü è íàäåæíîñòü òåõíîëîãèè, ÷òî ñòàëî îñíîâîé äëÿ äàëüíåéøåãî ðàçâèòèÿ è âíåäðåíèÿ áîëåå êðóïíûõ ìîäåëåé ñàìîñâàëîâ.
Ïåðåõîä íà èñïîëüçîâàíèå áàòàðåé ñ äèíàìè÷åñêîé çàðÿäêîé â êàðüåðíûõ ñàìîñâàëàõ èìååò çíà÷èòåëüíûå ýêîëîãè÷åñêèå è ýêîíîìè÷åñêèå ïðåèìóùåñòâà. Ñíèæåíèå çàâèñèìîñòè îò äèçåëüíîãî òîïëèâà ñïîñîáñòâóåò óìåíüøåíèþ âûáðîñîâ ïàðíèêîâûõ ãàçîâ è âðåäíûõ âåùåñòâ, ÷òî ïîëîæèòåëüíî ñêàçûâàåòñÿ íà ýêîëîãè÷åñêîé îáñòàíîâêå. Êðîìå òîãî, ñîêðàùåíèå çàòðàò íà òîïëèâî è îáñëóæèâàíèå äèçåëüíûõ äâèãàòåëåé âåäåò ê çíà÷èòåëüíîìó óìåíüøåíèþ ýêñïëóàòàöèîííûõ ðàñõîäîâ.
Óñïåøíûå èñïûòàíèÿ ñàìîñâàëà Hitachi EH 4000 AC-3 ñ äèíàìè÷åñêîé çàðÿäêîé îòêðûâàþò íîâûå ïåðñïåêòèâû äëÿ âíåäðåíèÿ ýòîé òåõíîëîãèè â ãîðíîäîáûâàþùåé ïðîìûøëåííîñòè.  áóäóùåì òàêèå ñàìîñâàëû ìîãóò ñòàòü ñòàíäàðòîì äëÿ êðóïíûõ êàðüåðîâ, îáåñïå÷èâàÿ âûñîêóþ ïðîèçâîäèòåëüíîñòü è ýêîëîãè÷åñêóþ áåçîïàñíîñòü. Ñîâìåñòíûå ðàçðàáîòêè Hitachi è ABB äåìîíñòðèðóþò, êàê èííîâàöèîííûå ðåøåíèÿ ìîãóò ñïîñîáñòâîâàòü óñòîé÷èâîìó ðàçâèòèþ è ïîâûøåíèþ ýôôåêòèâíîñòè ãîðíîäîáûâàþùåé îòðàñëè.
Èñïîëüçîâàíèå êàðüåðíûõ ñàìîñâàëîâ ñ äèíàìè÷åñêîé çàðÿäêîé áàòàðåé ïðåäñòàâëÿåò ñîáîé çíà÷èòåëüíûé øàã âïåðåä â îáëàñòè òåõíîëîãèé äëÿ ãîðíîäîáûâàþùåé ïðîìûøëåííîñòè, îáåñïå÷èâàÿ ýêîëîãè÷åñêóþ áåçîïàñíîñòü è ýêîíîìè÷åñêóþ ýôôåêòèâíîñòü.
|
Äðóãèå èíòåðåñíûå íîâîñòè:
▪ Ñëîíû áîÿòñÿ íå ìûøåé, à ï÷åë
▪ Òèõàÿ ìèíèòóðáèíà äëÿ ãîðîäñêèõ äîìîâ
▪ Ìóæ÷èíàì íå ñòîèò âûïèâàòü ïîñëå ñïîðòçàëà
▪ Áåñïðîâîäíàÿ êîëîíêà Huawei Sound Joy
▪ 48-ñëîéíàÿ 3D NAND-ôëýø
Ëåíòà íîâîñòåé íàóêè è òåõíèêè, íîâèíîê ýëåêòðîíèêè
Èíòåðåñíûå ìàòåðèàëû Áåñïëàòíîé òåõíè÷åñêîé áèáëèîòåêè:
▪ ðàçäåë ñàéòà Ñïðàâî÷íèê ýëåêòðèêà. Ïîäáîðêà ñòàòåé
▪ ñòàòüÿ Áåñöâåòíûå çåëåíûå èäåè ñïÿò ÿðîñòíî. Êðûëàòîå âûðàæåíèå
▪ ñòàòüÿ Êàê ýêâàäîðñêèå êîíòðàáàíäèñòû èçãîòàâëèâàëè íàðêîòè÷åñêèé ìåä? Ïîäðîáíûé îòâåò
▪ ñòàòüÿ Òåðìèñò. Äîëæíîñòíàÿ èíñòðóêöèÿ
▪ ñòàòüÿ Ïåðåïàäû íàïðÿæåíèÿ â ýëåêòðîñåòè, ïðè÷èíû è ìåòîäû çàùèòû. Ýíöèêëîïåäèÿ ðàäèîýëåêòðîíèêè è ýëåêòðîòåõíèêè
▪ ñòàòüÿ Ïîëóïðîâîäíèêîâûå õîëîäèëüíèêè Ïåëüòüå. Ýíöèêëîïåäèÿ ðàäèîýëåêòðîíèêè è ýëåêòðîòåõíèêè
Îñòàâüòå ñâîé êîììåíòàðèé ê ýòîé ñòàòüå:
Ãëàâíàÿ ñòðàíèöà | Áèáëèîòåêà | Ñòàòüè | Êàðòà ñàéòà | Îòçûâû î ñàéòå

www.diagram.com.ua
2000-2026