Menu Home

Бесплатная техническая библиотека для любителей и профессионалов Бесплатная техническая библиотека


Универсальное устройство оповещения. Энциклопедия радиоэлектроники и электротехники

Бесплатная техническая библиотека

Энциклопедия радиоэлектроники и электротехники / Охранные устройства и сигнализация объектов

Комментарии к статье Комментарии к статье

Описываемое в статье устройство оповещения представляет собой радиоканал с односторонней передачей информации. Оно может быть использовано в различных сферах деятельности. Например, в качестве радиоохранного устройства различных объектов. Его можно установить в комнате спящего ребенка или больного человека, у обычного телефона или у звонка двери квартиры, а с радиоприемником находиться в радиусе до 5 км. Так как передатчик имеет голосовое управление, от речи говорящего, шума или других звуков он перейдет в режим передачи.

Устройство можно использовать и как радиомикрофон или как систему персонального радиовызова для дома. Если приемник будет находиться у гуляющего во дворе ребенка, его всегда можно позвать, воспользовавшись кнопкой вызова или голосом.

Это устройство может быть использовано и в радиоуправлении различными объектами. Дополнив передатчик и приемник шифратором и дешифратором команд соответственно, можно значительно расширить сферу применения данного устройства. Подобные устройства уже давно выпускаются многими зарубежными фирмами, но в отечественной литературе оно описывается впервые.

В устройстве использована узкополосная частотная модуляция с девиацией 2,5 кГц, очень чувствительный приемник (с чувствительностью 5 мкВ/м на встроенную рамочную антенну) и радиопередатчик мощностью не более 10 мВт. Устройство не содержит дефицитной элементной базы, очень просто в настройке и может быть повторено даже начинающими радиолюбителями. Рассмотрим работу устройства.

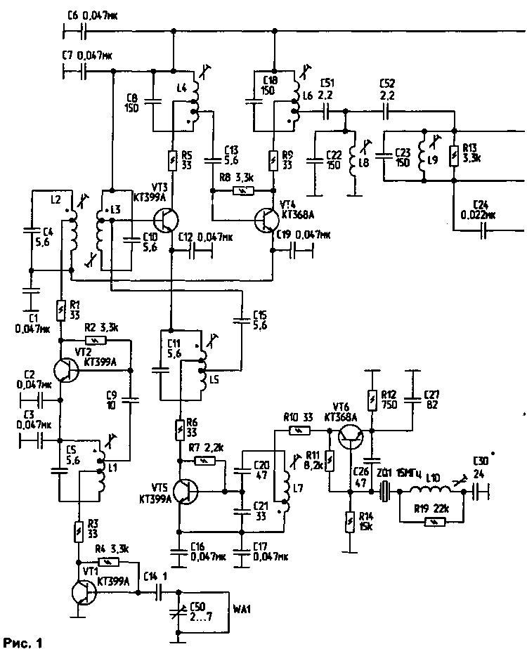
Принципиальная схема радиоприемника приведена на рис.1. Он построен по схеме супергетеродина с одним преобразованием частоты.

Универсальное устройство оповещения
(нажмите для увеличения)

Универсальное устройство оповещения
(нажмите для увеличения)

Принятый сигнал поступает в рамочную антенну WA1. Она настраивается в резонанс конденсатором С50 на частоту 144 МГц. Рамочные антенны предпочтительнее для носимых радиоприемников, т.к. они не подвержены влиянию окружающих предметов, а при длине периметра рамки меньше длины волны ее направленные свойства почти не сказываются на работе приемника. С антенны сигнал поступает на двухкаскадный усилитель высокой частоты, построенный на транзисторах VT1 и VT2 типа КТ399А, работающих в барьерном режиме. Контуры L1, С5; L2, С4 и L3, С10 также настроены на частоту 144 МГц. Сюда же подается напряжение гетеродина частотой 135 МГц с отвода катушки L5 через конденсатор С15. Транзистор смесителя также работает в барьерном режиме. Нагрузкой смесителя служит контур L4, С8, настроенный на частоту 9 МГц. Она является промежуточной. С отвода катушки L4 сигнал ПЧ подается на усилитель промежуточной частоты на транзисторе VT4 типа КТ368А. Он также работает в барьерном режиме. Нагрузкой УПЧ служит ФСС на элементах L6, С18, С51, L8, С22, С52, L9, С23. С катушки L9 сигнал ПЧ подается на микросхему DA1 типа К174ХА6 для дальнейшего усиления и детектирования. Опорный контур частотного детектора микросхемы DA1 L12, C3З настроен на частоту 9 МГц. Выключатель SA1 служит для отключения системы шу-мопонижения. С вывода 7 микросхемы DA1 сигнал НЧ поступает на усилитель низкой частоты, выполненный на транзисторах VT8...VT12. Выходной каскад УНЧ работает в режиме В. Его общий ток потребления в режиме молчания с включенным шумоподавителем не превышает 1 мА. Резистор R26 служит регулятором громкости.

Гетеродин приемника построен на транзисторах VT5 и VT6. На транзисторе VT6 построен кварцевый генератор. Кварцевый резонатор ZQ1 возбуждается на третьей механической гармонике, т.е. на частоте 45 МГц. На транзисторе VT5 построен утроитель частоты, его нагрузкой является контур L5, СИ, настроенный на частоту 135 МГц. Катушка L10 служит для сдвига в небольших пределах частоты автогенератора. На элементе D1 построен экономайзер, который включает приемник на две секунды через каждые десять секунд. Это позволяет экономить энергию источника питания. Экономайзер можно отключить выключателем SA2. Питается приемник от источника питания напряжением 6 В.

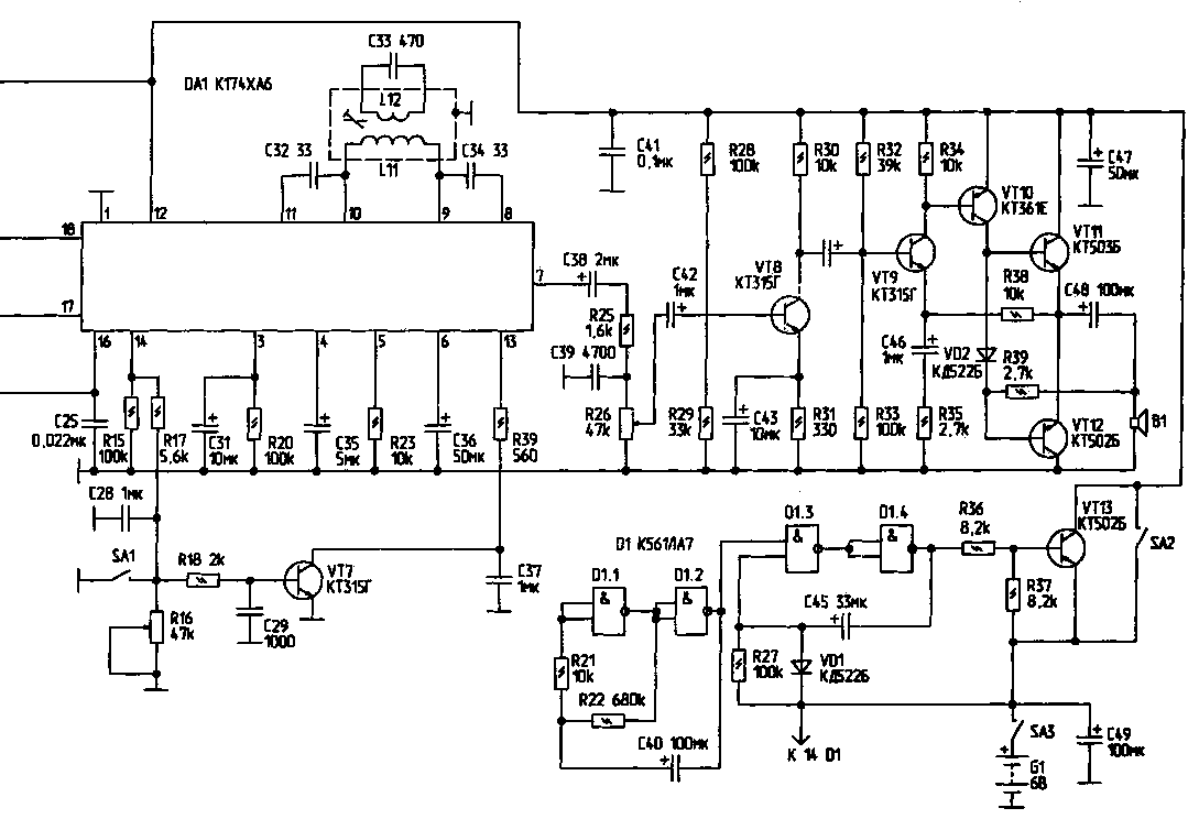
Принципиальная схема радиопередатчика приведена на рис.2. Задающий генератор передатчика построен на транзисторе VT10 типа КТ368А. В нем применена кварцевая стабилизация частоты. Кварцевый резонатор ZQ1 на частоту 16 МГц возбуждается на третьей механической гармонике, т.е. на частоте, близкой к 48 МГц. Нагрузкой кварцевого генератора служит контур на элементах L2, С24, С25, настроенный на частоту 48 МГц. На транзисторе VT6 типа КТ399А построен утроитель частоты. В контуре L1, С22, С23 выделяется частота 144 МГц и далее подается на линейку усилителей на транзисторах VT7...VT9. Выходной согласующий фильтр построен на элементах L15...L17, С42...С45, он согласует выходной каскад с антенной WA1. В качестве антенны WA1 использована телескопическая антенна от карманных радиоприемников, укороченная до 50 см.

Микрофонный усилитель и компрессор сигнала НЧ построены на микросхеме DA1, транзисторе VT1 и диодах VD3 и VD4. Уровень компрессии можно установить, подбирая величину резистора R3. В качестве микрофона использован электретный микрофон М1 типа МКЭ-3 или любой другой, при соответствующем включении. На транзисторах VT11 и VT12 построен ФНЧ с частотой среза 3 кГц. Уровень выходного сигнала, а следовательно, и девиацию частоты радиопередатчика можно установить резистором R22.

На транзисторах VT2...VT5 построена система голосового управления радиопередатчиком. Ее задержка включения равна примерно 0,1 с, а задержка выключения - 5с. Она особенностей не имеет. Отключить систему голосового управления можно выключателем SA3. На элементе D1 построен генератор прерывистого тонального сигнала. Его можно подать при помощи кнопки SA2. Она работает на размыкание. К разъему Х1 могут быть подключены различные датчики сигнализации. Питается передатчик от источника питания напряжением 12 В, и при включенной системе голосового управления практически не потребляет энергии.

В устройстве использованы резисторы типов МЛТ, С2-23, С2-33; конденсаторы - КМ4, КМ5, КГ, КД, КЛС, К10-7в, К10-17; транзисторы - КТ315, КТ316, КТ368, КТ325, КТ355, КТ399 и т.д., микросхемы К174ХА6, можно также и К174УР1, К174УРЗ при соответствующем их включении. Намоточные данные катушек приемника и передатчика приведены в табл.1 и 2 соответственно.

Приемник и передатчик смонтированы на печатных платах из двустороннего фольгированного стеклотекстолита толщиной 1,5 мм,причем фольга со стороны установки элементов сохранена полностью и служит экраном и общим проводником. Она удаляется методом зенковки только вокруг выводов элементов,

Табл.1. Приемник
Катушка Числовитков Диаметрпровода,мм Маркапровода Диаметркаркаса,мм Длинанамотки,мм Примечание
L1,L2,L3,L5 5 0,6 ПЭВ-2 5 9 Отвод от 2 и 3 вит., МР-100
L4,L6,L8,L9 24 0,15 ПЭЛШО 5 - От 1 и 2 вит., МР-100
L7 7 0,6 ПЭВ-2 5 - От 3...5 вит., МР-100
L10 30 0,15 ПЭВ-2 5 - МР-100
L11 7 0,25 ПЭВ-2 5 - ПоверхL12
L12 20 0,25 ПЭЛШО 5 - МР-100

не соединенных с общим проводом. Рамочная антенна приемника имеет размер 65х45 мм. Она выполнена из медного провода диаметром 1,5 мм. Ее можно также выполнить из тонкого коаксиального кабеля, замкнув оплетку с жилой с обеих сторон. В разрыв рамки включается конденсатор С50. Лучшие результаты можно получить, если антенну выполнить в виде трех параллельных проводников с расстоянием между ними в 3 мм. Спаять проводники между собой нужно на обкладках конденсатора С50.

Лучше всего сначала выполнить изоляционную рамку размером 65х45 мм и шириной 10 мм из полистирола с тремя канавками на расстоянии 3 мм друг от друга, а затем в них уложить посеребренный провод диаметром 1 мм. Такая антенна будет иметь очень высокую добротность.

Настройку устройства следует начинать с радиопередатчика. Отключив систему голосового управления тумблером SA3, подают питание тумблером SA1. При этом должен начать работать задающий генератор на транзисторе VT10. Если он не возбуждается, то вращают сердечник катушки L2 до его возбуждения. Подключив ВЧ-вольтметр к базе транзистора VT8, настраивают по максимуму выходного напряжения контур L1, С22, С23. Далее к выходу передатчика подключают резистор на 50 Ом и настраивают выходной каскад. При этом необходимо следить за тем, чтобы мощность не превысила величину 10 мВт. определенную как мощность внеполосных излучений Государственной инспекцией электросвязи.

Окончательную подстройку каскадов передатчика ведут на реальную штыревую антенну. Контроль ведут волномером или селективным вольтметром. Далее переходят к настройке НЧ-части передатчика. К резистору R2 подключают звуковой генератор и подают сигнал порядка 5 мВ и частотой 1 кГц. При этом на эмиттере транзистора VT11 должен быть неискаженный сигнал при росте входного сигнала до величины порядка 1,5В. Далее, подключив микрофон, произносят длинное "а" на необходимом от него удалении, резистором R22 устанавливают девиацию частоты 3 кГц. Включают систему голосового управления выключателем SA3 и убеждаются в правильности ее работы. После произнесения длинного "а" перед микрофоном, передатчик должен находиться в режиме передачи по крайней мере 5 с. При необходимости подбирают величину резистора R13.

Универсальное устройство оповещения
(нажмите для увеличения)


(нажмите для увеличения)

Табл.2. Передатчик
Катушка Числовитков Диаметрпровода,мм Маркапровода Длинанамотки,мм Диаметркаркаса,мм Примечания
L1 5 0,6 ПЭВ-2 8 5 От 2...4 вит., МР-100
L2 10 1,0 ПЭВ-2 8 5 От 3 вит., МР-100
L3,L6, L7,L8,L13 - - - - ДМ, ДПМ, Д 10 мкГн
L4 5 0,6 ПЭВ-2 8 5 МР-100
L5 2 0,25 ПЭВ-2 - - Поверх L4
L9, L14 5 0,8 ПЭВ-2 8 5 Бескарк.
L10 4 0,8 ПЭВ-2 8 5 Бескарк.
L11 30 0,15 ПЭВ-2 - - Ha R43
L12 30 0,15 ПЭВ-2 - 5 МР-100
L15 4 0,8 ПЭВ-2 8 4 Бескарк.
L16,L17 5 0,8 ПЭВ-8 8 4 Бескарк.

Нажатием кнопки SA2 убеждаются в работе прерывистого тонального генератора. Катушка L12 служит для окончательного сопряжения между собой приемника и передатчика.

Теперь переходят к настройке приемника. Отключают экономайзер и систему шумопонижения выключателями SA3 и SA1 соответственно. Включают питание. На резистор R26 подают НЧ-сигнал величиной 50 мВ и частотой 1 кГц, и добиваются чистого неискаженного тона в динамической головке В1. Движок резистора R26 должен находиться в положении максимальной громкости. Далее на вывод 18 микросхемы DA1 подают ВЧ-напряжение с частотой 9 МГц, амплитудой 100 мкВ и девиацией 3 кГц. Вращением сердечников катушек L9 и L11 добиваются максимальной громкости в динамической головке В1. Затем такое же напряжение, но величиной 10 мкВ, подают на базу транзистора VT3, и настраивают контуры L4, С8; L6, С18 и L8, С22 по максимуму громкости. При этом нелинейные искажения должны отсутствовать.

Гетеродин приемника настраивают так же как задающий генератор передатчика, т.к. схемы у них аналогичны. Теперь подают напряжение с частотой 144 МГц, величиной 10 мкВ с девиацией 3 кГц на базу транзистора VT1. Вращением соответствующих сердечников настраивают контуры L1, С5; L2, С4 и L3, С10 В резонанс. При этом уменьшают входное напряжение до величины 0,3 мкВ. Затем производят сопряжение приемника и передатчика по частоте вращением сердечников катушек - L1 приемника и L2 передатчика, а также подстраивают рамочную антенну вращением ротора конденсатора С50 по максимуму чувствительности приемника. Она должна быть не хуже 5 мкВ/м при отношении сигнал/шум 20 дБ. Далее включают систему шумопонижения выключателем SA1, и на максимуме чувствительности добиваются четкого ее срабатывания вращением движка резистора R16. Далее выключателем SA2 включают экономайзер и проверяют его работу. На этом настройка приемника и всей системы в целом заканчивается.

Описанная система многократно повторялась и хорошо себя зарекомендовала.

По вопросу приобретения чертежей печатных плат просьба обращаться к автору, вложив конверт с обратным адресом.

Литература

1. В.Стасенко. Барьерный режим работы транзистора. - Радиолюбитель, 1996, №1.
2. В.Стасенко.Радиостанция диапазона 144...146 МГц из доступных деталей. - Радиолюбитель. KB и УКВ, 1996, №7

Автор: В.Стасенко (RA3QEJ), Воронежская обл., г.Россошь; Публикация: Н. Большаков, rf.atnn.ru

Смотрите другие статьи раздела Охранные устройства и сигнализация объектов.

Читайте и пишите полезные комментарии к этой статье.

<< Назад

Последние новости науки и техники, новинки электроники:

Стерильного нейтрино не существует 15.01.2026

В физике элементарных частиц поиск новых, пока не обнаруженных объектов играет ключевую роль в понимании устройства Вселенной. Иногда такие поиски приводят к громким открытиям, а иногда - к не менее важным отрицательным результатам, которые позволяют отбросить неверные направления. Именно к таким случаям относится недавний вывод ученых о судьбе стерильного нейтрино - одной из самых интригующих гипотетических частиц последних десятилетий. Исследователи из американской лаборатории Fermilab официально сообщили, что им не удалось найти доказательства существования стерильного нейтрино. К такому выводу пришла команда эксперимента MicroBooNE после многолетнего анализа столкновений нейтрино, которые ранее рассматривались как возможный намек на существование четвертого типа этих частиц. Предполагалось, что стерильное нейтрино взаимодействует с материей исключительно через гравитацию, что делало его крайне трудным объектом для обнаружения. В рамках современной физики нейтрино известны в т ...>>

Беспроводные наушники и колонки Fender 15.01.2026

Музыкальная индустрия постепенно адаптируется к цифровым технологиям, и известный производитель музыкальных инструментов Fender расширяет свое присутствие за пределы гитар и усилителей, представляя современные решения для прослушивания музыки. Новые беспроводные наушники и Bluetooth-колонки Fender объединяют богатый звук, модульность и удобство использования как для дома, так и для профессиональной работы. Флагманской новинкой стали наушники Fender Mix, отличающиеся модульной конструкцией. Динамики подключаются к оголовью через порт USB Type-C и могут быть сняты вместе с амбушюрами, что облегчает уход и транспортировку. Один из динамиков оснащен встроенным адаптером USB Type-C для подключения к источнику звука без потерь, поддерживая кодеки LDHC и Fire, а также функцию Auracast. На другом динамике размещен съемный аккумулятор, который обеспечивает до 100 часов работы без активного шумоподавления; при включении ANC время работы сокращается до 52 часов. Наушники доступны по цене $299 ...>>

Польза белкового завтрака 14.01.2026

Правильное питание по утрам играет ключевую роль в поддержании здоровья и контроле веса. Многочисленные исследования подтверждают, что состав завтрака может влиять на аппетит в течение всего дня и качество употребляемой пищи. Австралийские ученые провели масштабный эксперимент, который показал, что употребление белковой пищи с утра помогает дольше чувствовать сытость и предотвращает переедание. В исследовании участвовали более 9 тысяч человек среднего возраста 46 лет. В период с 2011 по 2012 год специалисты анализировали рационы респондентов, оценивая долю основных макронутриентов. В среднем участники потребляли 43% углеводов, 31% жиров, 18% белков, 2% клетчатки и 4% алкоголя. Такой рацион позволил ученым проследить взаимосвязь между утренним приемом пищи и пищевым поведением в течение дня. Выяснилось, что участники, чей завтрак содержал недостаточное количество белка, ощущали повышенный аппетит в течение дня. Они ели больше, чем необходимо, и часто выбирали продукты с высоким со ...>>

Случайная новость из Архива

Рождение планеты сквозь пылевой диск 13.09.2025

Современные телескопы позволяют человечеству наблюдать процессы, которые еще недавно казались недостижимыми. Один из самых захватывающих примеров - возможность заглянуть в глубины космоса и увидеть момент рождения новых миров. Именно такой уникальный результат был недавно получен международной группой исследователей, которым удалось запечатлеть новорожденную планету WISPIT 2b внутри пылевого диска молодой звезды.

Эта планета представляет собой газового гиганта, напоминающего Юпитер, но по массе превышающего его примерно в пять раз. Ее возраст оценивается всего в пять миллионов лет, что по космическим меркам можно назвать детством. Сейчас WISPIT 2b находится в активной фазе формирования: она продолжает собирать газ и постепенно формирует атмосферу. По словам доктора Кристиана Гински из Университета Голуэя, такие наблюдения дают возможность буквально "увидеть рождение планеты в прямом эфире".

Обнаружение стало возможным благодаря Very Large Telescope Европейской южной обсерватории (ESO), расположенному в пустыне Атакама в Чили. Этот мощный инструмент позволил зафиксировать планету в ближнем инфракрасном диапазоне света. На изображении WISPIT 2b выглядит как яркая точка внутри многокольцевого диска пыли, диаметр которого достигает 380 астрономических единиц.

Сам проект велся более пяти лет и объединил исследователей из Лейденского университета, Университета Голуэя и Университета Аризоны. Участники подчеркивают, что WISPIT 2b стала первой подтвержденной планетой, найденной в столь сложной структуре, где множество концентрических колец образуют своеобразную колыбель для будущих миров.

Наблюдения показали, что планета движется по орбите, буквально прокладывая путь сквозь плотные слои пыли. Это открывает уникальную возможность для изучения того, как формирующиеся миры взаимодействуют с окружающей их средой, изменяя структуру диска и создавая условия для появления новых небесных тел.

Особое внимание исследователей привлекло то, что снимки удалось получить как в инфракрасном, так и в видимом свете, что позволяет гораздо точнее подтвердить реальность объекта. Эти данные станут важной опорой для дальнейших теоретических моделей эволюции планетных систем, которые зачастую сильно отличаются от нашей Солнечной.

Интерес к открытию выходит далеко за пределы академической среды. Одно из изображений WISPIT 2b было выбрано Европейской южной обсерваторией как "фото недели", что подчеркивает его значимость не только для науки, но и для широкой публики. По словам д-ра Гински, система WISPIT станет предметом пристального внимания многих исследователей в ближайшие годы.

Другие интересные новости:

▪ Обучающие ошибки

▪ Преобразование воздуха в пищу

▪ Компактный прибор для визуализации активности мозга

▪ Infineon IMC100 - цифровая платформа для управления электродвигателями

▪ Открыта наиболее удаленная от Земли звезда

Лента новостей науки и техники, новинок электроники

Интересные материалы Бесплатной технической библиотеки:

▪ раздел сайта Радиолюбительские расчеты. Подборка статей

▪ статья Апокалипсис. Крылатое выражение

▪ статья Что представляет собой нейтронная звезда? Подробный ответ

▪ статья Медуница темная. Легенды, выращивание, способы применения

▪ статья Регулятор яркости освещения. Энциклопедия радиоэлектроники и электротехники

▪ статья Живая рыба и игрушечная рыба. Физический эксперимент

Оставьте свой комментарий к этой статье:

Имя:


E-mail (не обязательно):


Комментарий:





Главная страница | Библиотека | Статьи | Карта сайта | Отзывы о сайте

www.diagram.com.ua

www.diagram.com.ua
2000-2026