Бесплатная техническая библиотека
Светодиоды и их применение. Энциклопедия радиоэлектроники и электротехники

Энциклопедия радиоэлектроники и электротехники / Начинающему радиолюбителю
Комментарии к статье
[an error occurred while processing this directive]
Светодиоды, или светоизлучающие диоды (СИД, в английском варианте LED - light emitting diode)- полупроводниковый прибор, излучающий некогерентный свет при пропускании через него электрического тока. Работа основана на физическом явлении возникновения светового излучения при прохождении электрического тока через p-n-переход. Цвет свечения (длина волны максимума спектра излучения) определяется типом используемых полупроводниковых материалов, образующих p-n-переход.

Достоинства
1. Светодиоды не имеют никаких стеклянных колб и нитей накаливания, что обеспечивает высокую механическую прочность и надежность(ударная и вибрационная устойчивость)
2. Отсутствие разогрева и высоких напряжений гарантирует высокий уровень электро- и пожаробезопасности
3. Безынерционность делает светодиоды незаменимыми, когда требуется высокое быстродействие
4. Миниатюрность
5. Долгий срок службы (долговечность)
6. Высокий КПД,
7. Относительно низкие напряжения питания и потребляемые токи, низкое энергопотребление
8. Большое количество различных цветов свечения, направленность излучения
9. Регулируемая интенсивность
Недостатки
1. относительно высокая стоимость. Отношение деньги/люмен для обычной лампы накаливания по сравнению со светодиодами составляет примерно 100 раз
2. малый световой поток от одного элемента
3. деградация параметров светодиодов со временем
4. повышенные требования к питающему источнику
Внешний вид и основные параметры
У светодиодов есть несколько основных параметров.
1. Тип корпуса
2. Типовой (рабочий) ток
3. Падение (рабочее) напряжения
4. Цвет свечения (длина волны, нм)
5. Угол рассеивания
В основном под типом корпуса понимают диаметр и цвет колбы (линзы). Как известно, светодиод - полупроводниковый прибор, который необходимо запитать током. Так ток, которым следует запитать тот или иной светодиод называется типовым. При этом на светодиоде падает определенное напряжение. Цвет излучения определяется как используемыми полупроводниковыми материалами, так и легирующими примесями. Важнейшими элементами, используемыми в светодиодах, являются: Алюминий (Al), Галлий (Ga), Индий (In), Фосфор (P), вызывающие свечение в диапазоне от красного до желтого цвета. Индий (In), Галлий (Ga), Азот (N) используют для получения голубого и зеленого свечений. Кроме того, если к кристаллу, вызывающему голубое (синее) свечение, добавить люминофор, то получим белый цвет светодиода. Угол излучения также определяется производственными характеристиками материалов, а также колбой (линзой) светодиода.
В настоящее время светодиоды нашли применение в самых различных областях: светодиодные фонари, автомобильная светотехника, рекламные вывески, светодиодные панели и индикаторы, бегущие строки и светофоры и т.д.
Схема включения и расчет необходимых параметров:
Так как светодиод является полупроводниковым прибором, то при включении в цепь необходимо соблюдать полярность. Светодиод имеет два вывода, один из которых катод ("минус"), а другой - анод ("плюс").

Светодиод будет "гореть" только при прямом включении, как показано на рисунке
При обратном включении светодиод "гореть" не будет. Более того, возможен выход из строя светодиода при малых допустимых значениях обратного напряжения.
Зависимости тока от напряжения при прямом (синяя кривая) и обратном (красная кривая) включениях показаны на следующем рисунке. Не трудно определить, что каждому значению напряжения соответствует своя величина тока, протекающего через диод. Чем выше напряжение, тем выше значение тока (и тем выше яркость). Для каждого светодиода существуют допустимые значения напряжения питания Umax и Umaxобр (соответственно для прямого и обратного включений). При подаче напряжений свыше этих значений наступает электрический пробой, в результате которого светодиод выходит из строя. Существует и минимальное значение напряжения питания Umin, при котором наблюдается свечение светодиода. Диапазон питающих напряжений между Umin и Umax называется "рабочей" зоной, так как именно здесь обеспечивается работа светодиода.
\
1. Имеется один светодиод, как его подключить правильно в самом простом случае?
Что бы правильно подключить светодиод в самом простом случае необходимо подключить его через токоограничивающий резистор.

Пример 1
Имеется светодиод с рабочим напряжением 3 вольта и рабочим током 20 мА. Необходимо подключить его к источнику с напряжением 5 вольт.

Расчитаем сопротивление токоограничивающего резистора
R = Uгасящее / Iсветодиода
Uгасящее = Uпитания - Uсветодиода
Uпитания = 5 В
Uсветодиода = 3 В
Iсветодиода = 20 мА = 0.02 А
R =(5-3)/0.02= 100 Ом = 0.1 кОм
Тоесть надо взять резистор сопротивлением 100 Ом
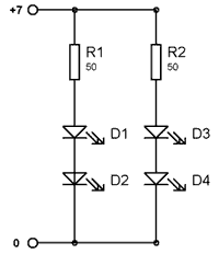
2. Как подключить несколько светодиодов?
Несколько светодиодов подключаем последовательно или параллельно, расчитывая необходимые сопротивления.
Пример 1.
Имеются светодиоды с рабочим напряжением 3 вольта и рабочим током 20 мА. Надо подключить 3 светодиода к источнику 15 вольт.
Производим расчет: 3 светодиода на 3 вольта = 9 вольт, тоесть 15 вольтового источника достаточно для последовательного включения светодиодов

Расчет аналогичен предыдущему примеру
R = Uгасящее / Iсветодиода
Uгасящее = Uпитания - N * Uсветодиода
Uпитания = 15 В
Uсветодиода = 3 В
Iсветодиода = 20 мА = 0.02 А
R = (15-3*3)/0.02 = 300 Ом = 0.3 кОм
Пример 2
Пусть имеются светодиоды с рабочим напряжением 3 вольта и рабочим током 20 мА. Надо подключить 4 светодиода к источнику 7 вольт
Производим расчет: 4 светодиода на 3 вольта = 12 вольт, значит нам не хватит напряжения для последовательного подключения светодиодов, поэтому будем подключать их последовательно-параллельно. Разделим их на две группы по 2 светодиода. Теперь надо сделать расчет токоограничивающих резисторов. Аналогично предыдущим пунктам делаем расчет токоограничительных резисторов для каждой ветви.

R = Uгасящее/Iсветодиода
Uгасящее = Uпитания - N * Uсветодиода
Uпитания = 7 В
Uсветодиода = 3 В
Iсветодиода = 20 мА = 0.02 А
R = (7-2*3)/0.02 = 50 Ом = 0.05 кОм
Так как светодиоды в ветвях имеют одигаковые параметры, то сопротивления в ветвях одинаковые.
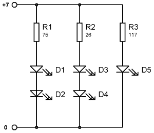
Пример 3
Если имеются светодиоды разных марок то комбинируем их таким образом что бы в каждой ветви были светодиоды только ОДНОГО типа (либо с одинаковым рабочим током). При этом необязательно соблюдать одинаковость напряжений, потому что мы для каждой ветви рассчитываем свое собственное сопротивление
Например имеются 5 разных светодиодов:
1ый красный напряжение 3 вольта 20 мА
2ой зеленый напряжение 2.5 вольта 20 мА
3ий синий напряжение 3 вольта 50 мА
4ый белый напряжение 2.7 вольта 50 мА
5ый желтый напряжение 3.5 вольта 30 мА
Так как разделяем светодиоды по группам по току
1) 1ый и 2ой
2) 3ий и 4ый
3) 5ый

рассчитываем для каждой ветви резисторы
R = Uгасящее/Iсветодиода
Uгасящее = Uпитания - (UсветодиодаY + UсветодиодаX + …)
Uпитания = 7 В
Uсветодиода1 = 3 В
Uсветодиода2 = 2.5 В
Iсветодиода = 20 мА = 0.02 А
R1 = (7-(3+2.5))/0.02 = 75 Ом = 0.075 кОм
аналогично
R2 = 26 Ом
R3 = 117 Ом
Аналогично можно расположить любое количество светодиодов
Важное замечание!
При подсчете токоограничительного сопротивления получаются числовые значения которых нет в стандартном ряде сопротивлений, поэтому подбираем резистор с сопротивлением немного большим чем рассчитали.
3. Что будет если имеется напряжение источник с напряжением 3 вольта (и меньше) и светодиод с рабочим напряжением 3 вольта?
Допустимо (НО НЕЖЕЛАТЕЛЬНО) включать светодиод в цепь без токоограничительного сопротивления. Минусы очевидны - яркость зависит от напряжения питания. Лучше использовать dc-dc конвертеры (преобразователи повышающие напряжение).
4. Можно ли включать несколько светодиодов с одинаковым рабочим напряжением 3 вольта параллельно друг другу к источнику 3 вольта (и менее)? В "китайских" фонариках так ведь и сделано.
Опять, это допустимо в радиолюбительской практике. Минусы такого включения: так как светодиоды имеют определенный разброс по параметрам, то будет наблюдаться следующая картина, одни будут светится ярче, а другие тусклее, что не является эстетичным, что мы и наблюдаем в приведенных выше фонариках. Лучше использовать dc-dc конвертеры (преобразователи повышающие напряжение).
Важное замечание!
Представленные выше схемы не отличаются высокой точность рассчитанных параметров, это связано с тем что при протекании тока через светодиод происходит выделение тепла в нем, что приводит к разогреву p-n перехода, наличие токоограничивающего сопротивления снижает этот эффект, но установление баланса происходит при немного повышенном токе через светодиод. Поэтому целесообразно для обеспечения стабильности применять стабилизаторы тока, а не стабилизаторы напряжения. При применении стабилизаторов тока, можно подключать только одну ветвь светодиодов.
Автор: Sivent; Публикация: cxem.net
Смотрите другие статьи раздела Начинающему радиолюбителю.
Читайте и пишите полезные комментарии к этой статье.
<< Назад
Последние новости науки и техники, новинки электроники:
Кислотность океана разрушает зубы акул
03.10.2025
Мировые океаны выполняют важнейшую функцию - они поглощают около трети углекислого газа, выбрасываемого в атмосферу. Это помогает замедлять темпы глобального потепления, но имеет и обратную сторону. Растворяясь в воде, CO2 образует угольную кислоту, которая повышает концентрацию водородных ионов и приводит к снижению pH. Вода становится более кислой, а последствия этого процесса уже заметны для морских экосистем.
Средний показатель кислотности океана сейчас равен примерно 8,1, тогда как еще недавно за условную норму брали значение 8,2. По прогнозам, к 2300 году уровень может упасть до 7,3 - это сделает океан почти в десять раз кислее нынешнего состояния. Для обитателей морей подобные изменения означают не просто сдвиг химического равновесия, а реальную угрозу физиологическим процессам, начиная от формирования раковин у моллюсков и заканчивая охотничьим поведением акул.
Чтобы выяснить, как именно кислотная среда отражается на зубах акул, группа немецких исследователей провела эксп ...>>
Почтовый космический корабль Arc
03.10.2025
Космические технологии становятся частью инфраструктуры, способной повлиять на логистику, медицину и даже военную сферу. Идея использовать орбиту как глобальный склад для срочных поставок звучала еще недавно как научная фантастика, но стартап Inversion пытается превратить ее в практическое решение.
Компания Inversion появилась в начале 2021 года благодаря Джастину Фиаскетти и Остину Бриггсу, которые на тот момент были студентами Бостонского университета. Их замысел состоял в том, чтобы сделать возможной доставку грузов не только через спутниковые сети данных, но и в буквальном смысле - физических предметов. В основе лежит простая мысль: если космос обеспечивает доступ к любой точке Земли, то и грузы должны перемещаться тем же маршрутом.
Уже за три года работы команда из 25 специалистов успела построить демонстрационный аппарат "Ray". Его запуск состоялся в рамках миссии SpaceX Transporter-12. Устройство весом 90 килограммов проверяло ключевые технологии Inversion, включая двухком ...>>
Лазерное обогащение урана
02.10.2025
Ядерная энергия остается одним из ключевых источников стабильного электричества, особенно для стран с растущими потребностями в энергоснабжении. Однако обеспечение бесперебойных поставок топлива для атомных станций требует современных технологий обогащения урана, которые одновременно эффективны и безопасны. Американская компания Global Laser Enrichment (GLE) делает значительный шаг в этом направлении, завершив масштабное тестирование лазерной технологии обогащения урана.
Демонстрационная программа была проведена на объекте в Уилмингтоне, Северная Каролина. Тестирование технологии SILEX (Separation of Isotopes by Laser EXcitation), разработанной австралийской Silex Systems, стартовало в мае 2025 года и продлится до конца года. В ходе экспериментов компания планирует получить сотни фунтов низкообогащенного урана (LEU), который может быть использован в качестве топлива для атомных электростанций.
GLE была создана в 2007 году для коммерциализации лазерных методов обогащения урана в С ...>>
Случайная новость из Архива Кошки и коробки
17.02.2015
Из всех видеороликов и картинок про котиков рекорд по популярности, вероятно, принадлежит тем, где коты пытаются залезть в ящик или коробку, которые вдвое, а то и втрое меньше их самих. Что ж, у этого феномена есть своё объяснение - здесь мы говорим не о популярности котиков, а об их тяге к коробкам. Исследователи из Утрехтского университета (Нидерланды), всесторонне изучив вопрос, пришли к выводу, что небольшие закрытые ёмкости помогают кошкам избежать стресса.
Нельзя сказать, что Клаудиа Винке (Claudia Vinke) и её коллеги были здесь пионерами. Этологи уже несколько десятилетий изучают повадки домашних кошек; в частности, удалось выяснить, что кошки вообще предпочитают сложноустроенный ландшафт: там, где есть ходы, тайники, разнообразные укрытия, они чувствуют себя лучше. На первый взгляд, понятно, почему: несмотря на одомашнивание, кошки остались теми же мелкими хищниками, какими были всегда, и охотиться они предпочитают из засады. Там, где таких засад можно устроит много, они чувствуют себя более уверенно.
Но, с другой стороны, есть и чисто психологические причины: на пересечённой местности, в сложноустроенном окружении кошки реже испытывают стресс. Об этом, например, в своей статье в Animal Welfare несколько лет назад писали Рэйчел Кейси (Rachel Casey) и её коллеги из Бристольского университета. Так что новое исследование, опубликованное в Applied Animal Behaviour Science есть лишь продолжение старой темы, только на сей раз авторы работы изучали отношение кошек не к целому обширному ландшафту, а некоторым его элементам, то бишь к коробкам.
Исходная гипотеза была прежней: тесное замкнутое "гнездо" помогает животным избавиться от стресса. Эксперимент поставили с несколькими котами и кошками, недавно прибывшими в приют для домашних животных, где им предстояло дождаться постоянного хозяина. Одних "благоустраивали" коробками, других оставляли без "удобств". Спустя несколько дней разница в поведении тех и других стала очевидной, а по специальной системе оценки удалось точно показать, во сколько стресс у "безкоробочных" кошек выше, чем у тех, которые жили с коробками. В частности, животные, которые имели возможность прятаться в "гнездо" быстрее привыкали к новому окружению и более активно общались с человеком.
Конечно, многие (если не все) животные прячутся, когда им страшно или просто дискомфортно, однако у кошек это обострено тем, что у них в меньшей степени выработаны механизмы решения конфликта. Если они чувствуют нежелательное внимание к себе, тревогу, враждебность, то стараются просто уклониться от ситуации - а уклониться от неё лучше всего в ящике-убежище.
"Стресс-объяснение", очевидно, вполне годится для испуганных, напряжённых кошек. Но ведь даже те, которые живут в своё удовольствие и которых хозяева на руках носят, у которых нет ни следа стресса - всё равно лезут в тесные коробки. На такой случай есть другая гипотеза, связывающая любовь к тесному месту с терморегуляцией. Как пишет Wired, ещё в 2006 году биологи выяснили, что комфортная температура окружающей среды, когда животному не нужно тратить энергию ни на обогрев, ни на охлаждение самого себя, для кошек лежит в диапазоне от 30°С до 36°С. С человеческой комфортной температурой, которая заключена в промежутке между 18°С и 25°С, это не совпадает. Исследователи не поленились и оценили заодно температуру в домах, где живут кошки - оказалось, что в среднем она на несколько градусов ниже, чем хотелось бы животному. Так что коробка или ящик могут быть ещё и своеобразным обогревателем с изолирующими стенками, в котором котики создают себе комфортную температуру.
Скорее всего, не стоит выбирать что-то одно, чтобы объяснить тягу домашних кошек к коробкам: сегодня вашему питомцу хочется посидеть в засаде, завтра его туда потянет из-за какого-то смутного беспокойства, а послезавтра он полезет в тот же ящик, но уже с целью погреться. Впрочем, кошки, несмотря на все усилия зоопсихологов, до сих пор остаются существами весьма загадочными, а потому и у их пристрастия к коробкам могут быть ещё какие-то, неведомые нам причины.
|
Другие интересные новости:
▪ Найдено объяснение происхождению месторождений алмазов
▪ Найден способ влиять на развитие микробов
▪ Геймерский OLED-телевизор LG OLED 48CX TV
▪ Honeywell и Crossbow создают беспроводную измерительную продукцию
▪ Первый многостандартный интерфейс для драйверов дисков 90 нм
Лента новостей науки и техники, новинок электроники
Интересные материалы Бесплатной технической библиотеки:
▪ раздел сайта Биографии великих ученых. Подборка статей
▪ статья Вот приедет барин - барин нас рассудит. Крылатое выражение
▪ статья Как снять стресс и разрядиться? Подробный ответ
▪ статья Слесарь-инструментальщик. Типовая инструкция по охране труда
▪ статья Простой стробоскоп с двумя излучателями. Энциклопедия радиоэлектроники и электротехники
▪ статья Универсальный эквивалент нагрузки. Энциклопедия радиоэлектроники и электротехники
Оставьте свой комментарий к этой статье:
Главная страница | Библиотека | Статьи | Карта сайта | Отзывы о сайте

www.diagram.com.ua 2000-2025
|