Бесплатная техническая библиотека
Синтез цифровых схем. Энциклопедия радиоэлектроники и электротехники

Энциклопедия радиоэлектроники и электротехники / Начинающему радиолюбителю
Комментарии к статье
Такое серьезное институтское название… Не пугайтесь раньше времени. Давайте по порядку.
В электронике довольно часто используют понятие "черный ящик". Это, конечно же, не тот черный ящик, который ищут МЧСовцы после очередного крушения ТУ-154 компании "Аэрофлот". Другой ящик...
В электронике "черный ящик" - это некая схема, рисовать которую лениво. Эта схема имеет сколько-то входов, сколько-то выходов и мы точно знаем, как она себя ведет. То есть, можно легко предсказать, что получится на выходе, если чего-то подать на вход. Грубо говоря, схема черного ящика описывается математическим выражением вида:
y = f(x),
где
х - входной сигнал
y - выходной сигнал.

У черных ящиков просто уйма жизненных примеров… Взять хотя бы такую тривиальную вещь как утюг. У него есть ручечка регулировки температуры и кнопочка выброса пара - это "входы" черного ящика. Также, у него есть нагревающаяся поверхность, а в ней - дырочки - это "выходы".
Как связаны между собой входы и выходы?
- Температура поверхности пропорциональна углу поворота ручки
- Пар из дырок выходит тогда, когда нажата кнопка.
Может этот пример довольно примитивен, но зато нагляден до неприличия. Ведь утром, гладя брюки, вы не задумываетесь над тем, как устроен утюг? Зато вы прекрасно знаете, что нужно сделать с ручечкой и кнопочкой, чтоб получить желаемый результат…
К чему я это все? А к тому, что в технике приходится очень часто прибегать к понятию "черного ящика" чтобы упростить разработку на определенном этапе. Однако, на последующих этапах, все равно придется "разворачивать" черный ящик - то есть, проектировать его схему.
А поскольку мы с вами носим гордое имя Электронщики, причем - не просто пайщики-лудильщики, а еще и конструктора-разработчики - то наша прямая обязанность уметь по описанию черного ящика придумать его схему.
Конечно же, утюги делать мы не будем. Тем более - в разделе по цифровой технике. Мы лучше займемся синтезом цифровых схем по таблице истинности.
Задание номер раз
Есть некий элемент с двумя входами и одним выходом, и известна его таблица истинности:

Необходимо придумать схему этого элемента на основе известных логических элементов.
Внимательно смотрим и думаем…
Нас интересуют те позиции таблицы истинности, в которых выходной сигнал равен 1.
А! Вот чего мы видим: единица на входе b в любом случае приводит к единице на выходе. Здорово!

Значит, мы можем соединить вход b напрямую с выходом c … Точнее - могли бы. Но у нас есть еще одна единица на выходе - когда на оба входа поданы нули. Вспоминаем, какой элемент реагирует на два нуля? Разрешаю подглядеть в предыдущий параграф…
Правильно, элемент "ИЛИ-НЕ"! Значит, вторая единица будет формироваться элементом ИЛИ-НЕ. Давайте нарисуем для каждого случая свою схему:

Теперь надо объединить эти схемы в одну. Помним, что непосредственно соединять цифровые выходы нельзя. Значит надо их соединить через какой-то элемент. Причем, этот элемент должен выдавать единицу на выход в случае, если хотя бы на одном входе есть единица. Ну, какой это элемент?
Конечно, это "ИЛИ".
Итак:

Вот и вся схема. Довольно просто, не так ли?
Дальше - хуже.
Задание номер следующее
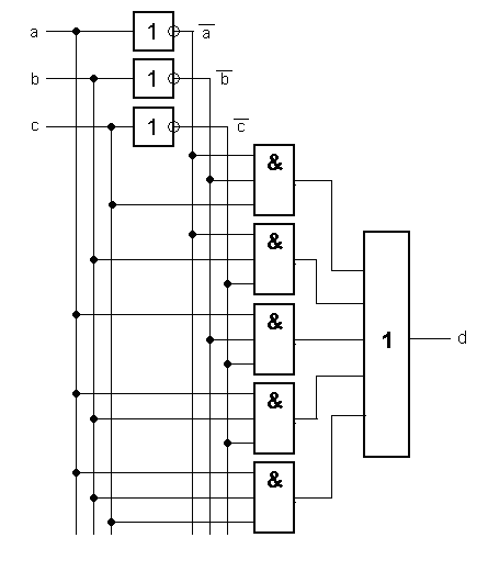
Элемент, к которому нужно нарисовать схему, имеет три входа и один выход.
Соответственно, таблица истинности увеличивается автоматом до 8 строчек:

Ну как вам???
М-да, тут немного сложнее. Но! Для нас ведь нет ничего сложного, правда? Тогда - вперед и с песнями!
Итак, выделяем те строчки, в которых выходной сигнал = 1. Их всего пять:

Теперь нарисуем для каждой выделенной строчки отдельную схему, используя только элементы "И" и "НЕ".

Все! Теперь только осталось объединить эти схемы в одну. При этом сразу сократится число инверторов:

Ну как, нормально?
Объясняю: мы сделали две группы входов - прямую и инверсную (то есть "обратную"), и подключили элементы "И" к этим группам согласно схемам, которые мы разработали до этого.
Выходные сигналы элементов "И" смешиваются при помощи 5-входового элемента "ИЛИ".
Каскадирование элементов "И" и "ИЛИ"
Как вы могли заметить, в последней схеме мы использовали элементы "И" с тремя входами и элемент "ИЛИ" аж с пятью входами! У кого-то наверно возникнет вопрос: каковы их таблицы истинности?
Все в порядке, господа! Элемент "И" остается элементом "И", даже имея 100 входов. На его выходе единица возможна лишь в том случае, если на все входы поданы единицы.
То же и с элементом ИЛИ. Он выдаст единицу в случае, если хотя бы на одном входе будет единица, будь у него хоть тыща входов.
Такие многовходовые элементы можно легко получить из обычных двухвходовых, включив их в каскадную схему:

Если вы не верите - составьте таблицу истинности для каждой "ступеньки" каскада - и проверьте :)
Публикация: radiokot.ru
Смотрите другие статьи раздела Начинающему радиолюбителю.
Читайте и пишите полезные комментарии к этой статье.
<< Назад
Последние новости науки и техники, новинки электроники:
Питомцы как стимулятор разума
06.10.2025
Помимо эмоциональной поддержки, домашние питомцы могут оказывать заметное воздействие на когнитивные процессы, особенно у пожилых людей. Новое масштабное исследование показало, что общение с кошками и собаками не просто улучшает настроение - оно действительно способствует замедлению возрастного снижения умственных способностей.
Работа проводилась в рамках проекта Survey of Health, Ageing and Retirement in Europe (SHARE), охватывающего период с 2004 по 2022 год. В исследовании приняли участие тысячи европейцев старше 50 лет. Анализ показал, что владельцы домашних животных демонстрируют более устойчивые когнитивные функции по сравнению с теми, кто не держит питомцев. Особенно выражен эффект оказался у владельцев кошек и собак.
Согласно данным ученых, владельцы собак дольше сохраняют хорошую память, в то время как хозяева кошек медленнее теряют способность к быстрому речевому взаимодействию. Исследователи связывают это с тем, что ежедневное взаимодействие с животными требует внимани ...>>
Мини-ПК ExpertCenter PN54-S1
06.10.2025
Компания ASUSTeK Computer презентовала новый мини-компьютер ASUS ExpertCenter PN54-S1. Устройство ориентировано на пользователей, которым важно сочетание производительности, энергоэффективности и универсальности - от офисных задач до мультимедийных проектов.
В основе ExpertCenter PN54-S1 лежит современная аппаратная платформа AMD Hawk Point, использующая архитектуру Zen 4. Это поколение чипов отличается улучшенным управлением энергопотреблением и повышенной вычислительной мощностью. Новинка доступна в конфигурациях с процессорами Ryzen 7260, Ryzen 5220 и Ryzen 5210, представленных AMD в начале 2025 года. Таким образом, устройство охватывает широкий диапазон задач - от базовых офисных до ресурсоемких вычислений.
Корпус мини-ПК выполнен из прочного алюминия и имеет размеры 130×130×34 мм, что делает его практически незаметным на рабочем столе или за монитором. Несмотря на компактность, внутренняя компоновка позволяет установить два модуля оперативной памяти SO-DIMM ...>>
Глазные капли, возвращающие молодость зрению
05.10.2025
С возрастом человеческий глаз постепенно теряет способность четко видеть на близком расстоянии - развивается пресбиопия, или возрастная дальнозоркость. Этот естественный процесс связан с утратой эластичности хрусталика и ослаблением цилиарной мышцы, отвечающей за фокусировку. Миллионы людей по всему миру сталкиваются с необходимостью носить очки для чтения или прибегают к хирургическим методам коррекции. Однако исследователи из Центра передовых исследований пресбиопии в Буэнос-Айресе представили решение, которое может стать удобной и неинвазивной альтернативой - специальные глазные капли, способные улучшать зрение на длительный срок.
Разработку возглавила Джованна Беноцци, директор Центра. По ее словам, цель исследования состояла в том, чтобы предоставить пациентам с пресбиопией эффективный и безопасный способ коррекции зрения без хирургического вмешательства. Новые капли, созданные на основе пилокарпина и диклофенака, показали убедительные результаты: уже через час после первого пр ...>>
Случайная новость из Архива Экологически чистая энергия из воздуха
19.03.2023
Ученые обнаружили, что одним из "родственников" туберкулезной бактерии является фермент, превращающий водород в электрический ток.
Исследователи считают, что открытие может быть использовано для нового способа получения энергии из воздуха. Это бактерия Mycobacterium smegmatis, использующая фермент Huc для выработки в атмосфере энергии из водорода, позволяющая выжить в экстремальной среде, где имеется дефицит питательных веществ.
Ученые заявили, что обнаружили и изучили фермент, который может использоваться в качестве источника чистой энергии для пополнения питания портативных компьютеров.
"Мы считаем, что источник питания, содержащий фермент Huc, может снабжать энергией целый ряд небольших портативных устройств, включая биометрические датчики, устройства для мониторинга окружающей среды, цифровые часы, калькуляторы и даже простые компьютеры", - сообщил ведущий автор исследования Рис. Гринтер, микробиолог Университета Монаша в Австралии.
Это быстро растущее непаразитарное бактериальное вещество, которое часто используется для изучения клеточной структуры возбудителя туберкулеза - Mycobacterium smegmati. В течение многих лет было известно о том, что эта бактерия превращает водород в электричество. Ученые выяснили, что она способна выжить в суровых погодных условиях, таких как Антарктида, вулканы и глубинные океаны, где очень мало других источников энергии.
"Если обеспечить фермент Huc более концентрированным водородом, он будет давать больше электрического тока. Это означает, что фермент Huc можно использовать в топливных элементах для питания более сложных устройств, таких как умные часы или смартфоны, более сложные портативные компьютеры и, возможно, даже автомобили", - пояснил Гринтер.
Ученые обнаружили в центре фермента Huc заряженную структуру, содержащую ионы никеля и железа. Когда молекула водорода попадает в активную зону, протоны и электроны оказываются в цепи между никелевыми и железными атомами. Затем фермент отправляет электроны в "проводящие пути", являющиеся проводниками электрического тока.
Эксперименты подтвердили, что Huc способен сохраняться в течение длительного времени и может поглощать водород в ничтожной концентрации, которая составляет 0,00001% от вдыхаемого человеком объема воздуха. Ученые полагают, что эти свойства в сочетании со способностью бактерии вездесущности могут стать идеальными кандидатами на роль чистого источника энергии для органических батарей.
|
Другие интересные новости:
▪ Автомобили Ford научатся отслеживать свободные парковки
▪ Шерстяная ткань с памятью формы
▪ Камеры в супермаркете наблюдают покупателями для создания целевой рекламы
▪ Изменение реальности и ложная память
▪ Даже одна сигарета в день очень опасна для здоровья
Лента новостей науки и техники, новинок электроники
Интересные материалы Бесплатной технической библиотеки:
▪ раздел сайта Автомобиль. Подборка статей
▪ статья Консервный нож. История изобретения и производства
▪ статья Насколько вес тела на экваторе Земли отличается от веса этого же тела на полюсах? Подробный ответ
▪ статья Полевая вишня. Легенды, выращивание, способы применения
▪ статья Варианты J-антенны от DH1NAW. Энциклопедия радиоэлектроники и электротехники
▪ статья Автомобильный стробоскоп. Энциклопедия радиоэлектроники и электротехники
Оставьте свой комментарий к этой статье:
Комментарии к статье:
Александр
Хорошая статья. Доходчиво разъясняется что, да как получается. Жаль только - короткая, можно бы и пошире охватить тему для нас, чайников.
Главная страница | Библиотека | Статьи | Карта сайта | Отзывы о сайте

www.diagram.com.ua 2000-2025
|