Menu Home

Бесплатная техническая библиотека для любителей и профессионалов Бесплатная техническая библиотека


Выпрямители. Как и почему? Энциклопедия радиоэлектроники и электротехники

Бесплатная техническая библиотека

Энциклопедия радиоэлектроники и электротехники / Начинающему радиолюбителю

Комментарии к статье Комментарии к статье

Источник питания состоит из нескольких самых важных деталей.

Сетевой трансформатор - на схеме обозначается похожим как на рисунке,

Выпрямители. Трансформатор

Выпрямитель - его обозначение может быть различным. Выпрямитель состоит из одного, двух или четырех диодов, смотря какой выпрямитель. Сейчас будем разбираться.

Выпрямители. Диодный мост

а) - простой диод.

б) - диодный мост. Состоит из четырех диодов, включенных как на рисунке.

в) - тот же диодный мост, только для краткости нарисован попроще. Назначения контактов такие же, как у моста под буквой б).

Конденсатор фильтра. Эта штука неизменна и во времени, и в пространстве, обозначается так:

Выпрямители. Конденсатор

Обозначений у конденсатора много, столько же, сколько в мире систем обозначений. Но в общем они все похожи. Не запутаемся. И для понятности нарисуем нагрузку, обозначим ее как Rl - сопротивление нагрузки. Это и есть наша схема. Также будем обрисовывать контакты источника питания, к которым эту нагрузку мы будем подключать.

Далее - пара-тройка постулатов

- Выходное напряжение определяется как Uпост = U*1.41. То есть если на обмотке мы имеем 10вольт переменного напряжения, то на конденсаторе и на нагрузке мы получим 14,1В. Примерно так.

- Под нагрузкой напряжение немного проседает, а насколько - зависит от конструкции трансформатора, его мощности и емкости конденсатора.

- Выпрямительные диоды должны быть на ток в 1,5-2 раза больше необходимого. Для запаса. Если диод предназначен для установки на радиатор (с гайкой или отверстие под болт), то на токе более 2-3А его нужно ставить на радиатор.

Так же напомню, что же такое двуполярное напряжение. Если кто-то подзабыл. Берем две батарейки и соединяем их последовательно. Среднюю точку, то есть точку соединения батареек, назовем общей точкой. В народе она известна так же как масса, земля, корпус, общий провод. Буржуи ее называют GND (ground - земля), часто ее обозначают как 0V (ноль вольт). К этому проводу подключаются вольтметры и осциллографы, относительно нее на схемы подаются входные сигналы и снимаются выходные. Потому и название ее - общий провод. Так вот, если подключим тестер черным проводом в эту точку и будем мерить напряжение на батарейках, то на одной батарейке тестер покажет плюс1,5вольта, а на другой - минус1,5вольта. Вот это напряжение +/-1,5В и называется двуполярным. Обе полярности, то есть и плюс, и минус, обязательно должны быть равными. То есть +/-12, +/-36В, +/-50 и т.д. Признак двуполярного напряжения - если от схемы к блоку питания идут три провода (плюс, общий, минус). Но не всегда так - если мы видим, что схема питается напряжением +12 и -5, то такое питание называется двухуровневым, но проводов к блоку питания будет все равно три. Ну и если на схему идут целых четыре напряжения, например +/-15 и +/-36, то это питание назовем просто - двуполярным двухуровневым.

Ну а теперь к делу

Выпрямители. Мостовой выпрямитель

1. Мостовая схема выпрямления

Самая распространенная схема. Позволяет получить однополярное напряжение с одной обмотки трансформатора. Схема обладает минимальными пульсациями напряжения и несложная в конструкции.

Выпрямители. Мостовой выпрямитель

2. Однополупериодная схема

Так же, как и мостовая, готовит нам однополярное напряжение с одной обмотки трансформатора. Разница лишь в том, что у этой схемы удвоенные пульсации по сравнению с мостовой, но один диод вместо четырех сильно упрощает схему. Используется при небольших токах нагрузки, и только с трансформатором, много большим мощности нагрузки, т.к. такой выпрямитель вызывает одностороннее перемагничивание трансформатора.

Выпрямители. Схема циклической токовой защиты

3. Двухполупериодная со средней точкой

Два диода и две обмотки (или одна обмотка со средней точкой) будут питать нас малопульсирующим напряжением, плюс ко всему мы получим меньшие потери в сравнении с мостовой схемой, потому что у нас 2 диода вместо четырех.

Выпрямители. Схема триггерной токовой защиты

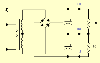
4. Мостовая схема двуполярного выпрямителя

Для многих - наболевшая тема. У нас есть две обмотки (или одна со средней точкой), мы с них снимаем два одинаковых напряжения. Они будут равны, пульсации будут малыми, так как схема мостовая, напряжения на каждом конденсаторе считается как напряжение на каждой обмотке помножить на корень из двух - все, как обычно. Провод от средней точки обмоток выравнивает напряжения на конденсаторах, если нагрузки по плюсу и по минусу будут разными.

Выпрямители. Внешний вид

5. Схема с удвоением напряжения

Это две однополупериодные схемы, но с диодами, включенными по разному. Применяется, если нам надо получить удвоенное напряжение. Напряжение на каждом конденсаторе будет определяться по нашей формуле, а суммарное напряжение на них будет удвоенным. Как и у однополупериодной схемы, у этой так же большие пульсации. В ней можно усмотреть двуполярный выход - если среднюю точку конденсаторов назвать землей, то получается как в случае с батарейками, присмотритесь. Но много мощности с такой схемы не снять.

Выпрямители. Внешний вид

6. Получение разнополярного напряжения из двух выпрямителей

Совсем не обязательно, чтобы это были одинаковые блоки питания - они могут быть как разными по напряжению, так и разными по мощности. Например, если наша схема по +12вольтам потребляет 1А, а по -5вольтам - 0,5А, то нам и нужны два блока питания - +12В 1А и -5В 0,5А. Так же можно соединить два одинаковых выпрямителя, чтобы получить двуполярное напряжение, например, для питания усилителя.

Выпрямители. Внешний вид

7. Параллельное соединение одинаковых выпрямителей

Оно нам дает то же самое напряжение, только с удвоенным током. Если мы соединим два выпрямителя, то у нас будет двойное увеличение тока, три - тройное и т.д.

Ну а если вам, дорогие мои, все понятно, то задам, пожалуй, домашнее задание. Формула для расчета емкости конденсатора фильтра для двухполупериодного выпрямителя:

Выпрямители

Для однополупериодного выпрямителя формула несколько отличается:

Выпрямители

Двойка в знаменателе - число "тактов" выпрямления. Для трехфазного выпрямителя в знаменателе будет стоять тройка.

Во всех формулах переменные обзываются так:

Cф - емкость конденсатора фильтра, мкФ

Ро - выходная мощность, Вт

U - выходное выпрямленное напряжение, В

f - частота переменного напряжения, Гц

dU - размах пульсаций, В

Для справки - допустимые пульсации:

Микрофонные усилители - 0,001...0,01%

Цифровая техника - пульсации 0,1...1%

Усилители мощности - пульсации нагруженного блока питания 1...10% в зависимости от качества усилителя.

Эти две формулы справедливы для выпрямителей напряжения частотой до 30кГц. На бОльших частотах электролитические конденсаторы теряют свою эффективность, и выпрямитель рассчитывается немного не так. Но это уже другая тема.

Публикация: radiokot.ru

Смотрите другие статьи раздела Начинающему радиолюбителю.

Читайте и пишите полезные комментарии к этой статье.

<< Назад

Последние новости науки и техники, новинки электроники:

Хорошо управляемые луга могут компенсировать выбросы от скота 15.02.2026

Животноводство, особенно разведение крупного рогатого скота, часто обвиняют в значительном вкладе в глобальное потепление из-за мощного парникового газа - метана, который выделяется при пищеварении у жвачных животных. Это вызывает острые политические споры и призывы к сокращению потребления мяса. Однако ученые напоминают, что полная картина климатического воздействия отрасли не ограничивается только выбросами от животных: огромную роль играет окружающая экосистема - пастбища, почва и растительность, которые способны активно поглощать углекислый газ из атмосферы. Исследователи из Университета Небраски-Линкольна решили глубже изучить этот баланс. Группа под руководством профессора Галена Эриксона сосредоточилась на том, как правильно организованные пастбища накапливают углерод в растениях и грунте благодаря естественным процессам, стимулируемым выпасом скота. Ученые подчеркивают, что при достаточном уровне осадков и грамотном управлении такие луга превращаются в мощные природные погло ...>>

NASA тестирует инновационную технологию крыла 15.02.2026

Коммерческая авиация ежегодно расходует колоссальные объемы керосина, что сказывается не только на бюджете авиакомпаний, но и на состоянии окружающей среды. В 2024 году глобальные затраты на авиационное топливо достигли 291 миллиарда долларов, и эта сумма продолжает расти. Чтобы справиться с этими вызовами, NASA активно работает над технологиями, способными заметно повысить аэродинамическую эффективность самолетов. Одним из самых перспективных направлений стало создание специальной конструкции крыла, которая максимизирует естественный ламинарный поток воздуха и минимизирует сопротивление. В январе 2026 года специалисты NASA Armstrong Flight Research Center успешно провели важный этап наземных испытаний концепции Crossflow Attenuated Natural Laminar Flow (CATNLF). Для эксперимента под фюзеляж исследовательского самолета F-15B закрепили вертикально ориентированную масштабную модель высотой около 0,9 м (3 фута), напоминающую узкий киль. Такая компоновка позволила подвергнуть прототип р ...>>

Забота о внуках очень полезна для здоровья мозга 14.02.2026

Общение между поколениями приносит радость всей семье, но мало кто задумывается, насколько активно бабушки и дедушки, заботящиеся о внуках, поддерживают свою умственную форму. Регулярное взаимодействие с детьми стимулирует мозг пожилых людей, помогая сохранять память, скорость мышления и общую когнитивную активность. Новые научные данные подтверждают, что такая добровольная помощь не только важна для общества, но и может замедлять возрастные изменения в мозге. Исследователи из Тилбургского университета в Нидерландах провели анализ, чтобы понять, приносит ли уход за внуками реальную пользу здоровью пожилых людей. Ведущий автор работы Флавия Черечес отметила, что многие бабушки и дедушки регулярно присматривают за детьми, и оставался открытым вопрос, насколько это положительно сказывается на их собственном благополучии, особенно в плане когнитивных функций. Ученые поставили цель выяснить, способен ли регулярный уход за внуками замедлить снижение памяти и других умственных способ ...>>

Случайная новость из Архива

Сверхскоростные жидкие кристаллы 20.08.2013

Группа американских исследователей из университета Кента смогла на порядки увеличить скорость управления жидкими кристаллами. Физики нашли способ сократить время, которое требуется молекулам на возвращение в исходное состояние после отключения электрического поля. Этот процесс вместо одной миллисекунды теперь занимает всего около 30 наносекунд.

Ученые использовали новый способ изменения молекулярной структуры жидких кристаллов под действием электрического поля, а также отказались от управления прозрачностью за счет вращения плоскости поляризации света. Вместо того, чтобы вращать все молекулы сразу и поворачивать плоскость поляризации, физики изменили взаимную ориентацию молекул, форма которых в первом приближении представляет собой сплющенный эллипсоид. Такие эллипсоиды в отсутствии электрического поля уже "немного" упорядочены, а его включение приводит к тому, что эллипсоиды складываются в стопки и степень упорядоченности резко возрастает.

Собрав опытную установку из лазера, нескольких поляризаторов и экспериментальной ячейки с жидкими кристаллами физики показали то, что рост упорядоченности приводит к тому, что при прохождении света через ячейку усиливается эффект двойного лучепреломления. Лучи света с разным направлением плоскости поляризации сильнее расходятся в разные стороны, а этот эффект уже можно применить для управления прозрачностью при помощи поляризующих фильтров. Такой метод, как подчеркивают авторы, при этом не позволяет сделать ячейку абсолютно непрозрачной, но руководитель исследовательской группы Олег Лаврентович считает, что метод можно существенно улучшить.

Ячейки, вращающие плоскость поляризации, лежат в основе всех современных технологий ЖК-дисплеев. Молекулы жидких кристаллов могут как переходить из смеси двух взаимно перпендикулярных состояний в состояние, когда они ориентированы в одну сторону (технология TN), так и просто поворачиваться на 90 градусов (IPS, VA и производные) в одном из двух независимых слоев. Разворот молекул при включении поля происходит очень быстро, но при выключении переход в исходное состояние занимает не менее одной миллисекунды.

Другие интересные новости:

▪ Эскалатор для капель

▪ Компактный переносной холодильник на солнечных батареях

▪ Рекордный зонд

▪ Быстрозаряжаемая квантовая батарея

▪ Перьевой дисплей Wacom Cintiq 22

Лента новостей науки и техники, новинок электроники

 

Интересные материалы Бесплатной технической библиотеки:

▪ раздел сайта Биографии великих ученых. Подборка статей

▪ статья А все-таки она вертится. Крылатое выражение

▪ статья Как размножается медуза? Подробный ответ

▪ статья Иглица. Легенды, выращивание, способы применения

▪ статья Приставки для измерения коэффициента нелинейных искажений - Кг. Энциклопедия радиоэлектроники и электротехники

▪ статья Узконаправленный микрофон. Энциклопедия радиоэлектроники и электротехники

Оставьте свой комментарий к этой статье:

Имя:


E-mail (не обязательно):


Комментарий:





Главная страница | Библиотека | Статьи | Карта сайта | Отзывы о сайте

www.diagram.com.ua

www.diagram.com.ua
2000-2026