Menu Home

Бесплатная техническая библиотека для любителей и профессионалов Бесплатная техническая библиотека


Радиоигра Найди мину. Энциклопедия радиоэлектроники и электротехники

Бесплатная техническая библиотека

Энциклопедия радиоэлектроники и электротехники / Начинающему радиолюбителю

Комментарии к статье Комментарии к статье

Профессия сапера - одна из самых почетных и ответственных в армии. Во время Великой Отечественной войны наши отважные саперы спасли жизнь тысячам советских солдат и мирных жителей, разгадав и обезвредив самые хитроумные минные ловушки врага.

На полях героических сражений оставались миллионы невзорвавшихся мин и снарядов. Замаскированные склады боеприпасов, брошенные отступавшим врагом, таили в себе смертельную опасность. Тогда на помощь военным саперам пришли добровольцы - осоавиахимовцы. Советское правительство в феврале 1944 года дало Осоавиахиму трудное, ответственное и почетное задание. Оборонному Обществу была поручена работа по сплошному разминированию и сбору боеприпасов во всех районах, освобожденных от гитлеровских оккупантов. Нужно было разведать и очистить от мин огромные пахотные площади, луга и леса. На Осоавиахим возлагалась сложнейшая задача по разминированию прибрежных районов Черного и Азовского морей, Краснодарского края, Ростовской области, Крыма, Украинской ССР и Белорусской ССР. Активисты Общества приняли участие по разминированию общественных и жилых зданий, электростанций, заводских корпусов, дорог и мостов.

Чтобы представить себе масштабы работы, проделанной осоавиахимовцами, достаточно сказать, что только за 1944-1946 годы командами Общества было обезврежено и уничтожено 76 миллионов противотанковых и противопехотных мин, артиллерийских снарядов и авиабомб. В одной Смоленской области обнаружено и уничтожено столько мин и авиабомб, что для их перевозки потребовалось бы 3000 железнодорожных вагонов.

В подвале Киевского государственного университета было обнаружено 1000 снарядов. Фашисты хотели уничтожить этот исторический памятник и важнейший культурный центр Украины. Команда минеров Осоавиахима ликвидировала этот опасный очаг.

Таких примеров - тысячи. Даже в наше время изредка находят старые, но все еще таящие в себе грозную силу невзорвавшиеся мины и снаряды. Только отличное знание боевой техники и умение применить ее в самых различных условиях, помогает саперам успешно выполнять свои сложные обязанности.

Может быть кто-то из вас, ребята, тоже будет минером, а пока... пока мы предлагаем вам игру "Найди "мину"". В этой игре все настоящее, кроме мин. Вернее, есть и "мины", только они не взрываются.

Радиоигра Найди мину

Для игры нужны миноискатели и "мины". Миноискатели вы должны изготовить сами, а "миной" может служить при поиске на местности массивный (2-3 кг) кусок ферромагнитного металла - чугуна или стали. Можно использовать секцию отопительной батареи, старый утюг, кусок водопроводной трубы, колосниковую решетку и т. п.

В помещении "миной" может служить тонкая пластина из ферромагнитного металла (кусок кровельного железа, жесть от консервных банок и др.). В обоих случаях необходимо только, чтобы металл был ферромагнитным, то есть чтобы он притягивался обычным постоянным магнитом.

Как видите, "мина" достаточно проста. Изготовить же миноискатель несколько сложнее. Здесь нужны знания основ радиотехники и умение собирать несложные электронные устройства.

ПРОСТЕЙШИЙ МИНОИСКАТЕЛЬ

Для изготовления такого миноискателя (см. внешний вид) требуются корпус и сердечник из трансформаторной стали с имеющимися на нем обмотками от обычного электрического звонка. Простейший миноискатель представляет собой генератор низкой (звуковой) частоты с индуктивной обратной связью, собранный на одном транзисторе.

Радиоигра Найди мину
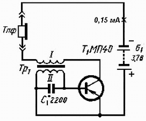
Рис. 1

Принципиальная схема генератора миноискателя изображена на рис. 1. Как видно из схемы, для изготовления миноискателя кроме звонкового трансформатора необходим конденсатор С1, емкость которого подбирают при налаживания прибора, один транзистор типа МП40, источник питания - четыре аккумулятора Д-0,06 или батарея типа КБС и головные телефоны (наушники). Генератор настолько прост, что при использовании исправных деталей и соединении их согласно принципиальной схеме, начинает работать без дополнительной настройки и налаживания. Высоту тона звучания генератора изменяют, подбирая емкость конденсатора С1.

Конструктивно генератор миноискателя собирают в корпусе от звонка. Трансформатор звонка следует разобрать и удалить ярмо (перемычку, замыкающую Ш-образный сердечник). Это необходимо для того, чтобы генератор, имея Ш-образный сердечник трансформатора незамкнутым, был чувствителен к приближению посторонних ферромагнитных предметов. Если такой сердечник приблизить к предмету из ферромагнитного материала (рис. 2), то изменяется индуктивность обмоток трансформатора, а следовательно, и частота колебаний генератора. На этом свойстве и основано действие простейшего миноискателя.

Радиоигра Найди мину
Рис. 2

Чувствительность его невысока, то есть он обнаруживает ферромагнитные предметы в непосредственной близости от незамкнутой части сердечника. Это свойство миноискателя позволяет использовать его при игре в помещении потому, что на его работу не влияет арматура железобетонных перекрытий, крупные гвозди и другие ферромагнитные предметы, обычно встречающиеся в помещении.

Корпус звонка с собранным внутри него генератором укрепляют на деревянной ручке длиной 80-100 см так, как показано на чертеже.

Если у вас нет звонка, который можно переделать в простейший миноискатель, для этой цели подойдет сердечник от небольшого трансформатора. Очень удобно использовать выходной трансформатор от сетевого лампового радиоприемника. Трансформатор следует аккуратно разобрать, удалить все прямоугольные пластины, оставив только Ш-образные. Вторичную обмотку, выполненную толстым проводом и содержащую 80-120 (иногда больше) витков, используют в качестве обмотки обратной связи (обмотка II на рис. 1). Обмотка с большим числом витков и выполненная более тонким проводом в миноискателе будет обмоткой I. Корпусом для такого миноискателя может служить жестяная банка от леденцов, футляр от реле типа МКУ-48 и любой другой, подходящий но размерам готовый корпус.

СЛОЖНЫЙ МИНОИСКАТЕЛЬ

Для игры "Найди "мину" на открытой местности необходим более чувствительный миноискатель, способный обнаружить "мину", зарытую в землю на глубину до 10-15 см, спрятанную под щебнем или кирпичом. Такой миноискатель устроен несколько иначе. Его внешний вид изображен на чертеже, а блок-схема - на рис. 3.

Радиоигра Найди мину
Рис. 3

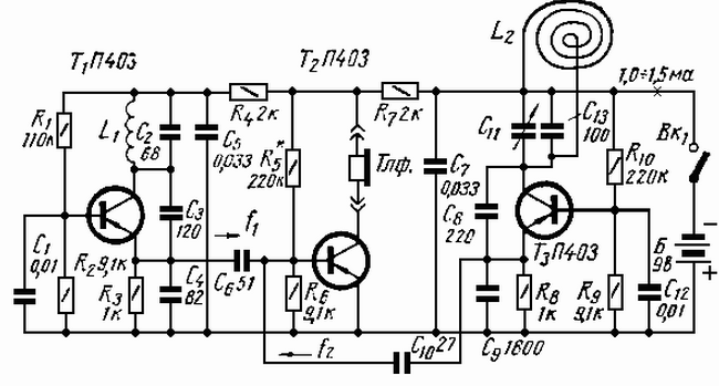
Он состоит из двух генераторов и одного смесителя-усилителя. Первый генератор, частота которого постоянна и равна примерно 465 кГц, собран на транзисторе Т1 (см. рис. 4) по схеме емкостной трехточки. Второй генератор собран на транзисторе Т3 по такой же схеме, но с той разницей, что его катушка индуктивности L2, выполнена в виде вынесенного наружу кольца, а частоту генератора, равную тоже 465 кГц, можно изменять в небольших пределах с помощью конденсатора переменной емкости С11.

Радиоигра Найди мину
Рис. 4

Смеситель-усилитель низкой частоты собран на транзисторе Т2.

Действует миноискатель следующим образом. При включении питания (см. принципиальную схему) оба генератора начинают работать, создавая колебания высокой частоты. Высокочастотное напряжение с генератора, собранного на транзисторе Т1, через конденсатор С6 поступает на базу смесителя (транзистор Т2). На базу этого же транзистора, через конденсатор C10 поступают и высокочастотные колебания с транзистора Т3. В нагрузке смесителя-усилителя образуются сумма, разность и другие комбинационные частоты в результате преобразования двух высокочастотных колебаний. Нас интересует только разность частот генераторов. Дело в том, что мы не можем услышать ни сумму высокочастотных колебаний, ни другие комбинационные частоты. Если частоты колебаний генераторов равны, в телефонах, которые включены в коллекторную цепь транзистора смесителя-усилителя, мы не будем прослушивать низкочастотных сигналов.

Как только частота одного генератора измениться, мы сразу услышим низкочастотный сигнал, частота которого равна разности частот генераторов. Пусть, например, частота первого генератора равна 465 кГц. С помощью конденсатора С11 можем установить частоту второго генератора, равную 464 кГц. Тогда в телефонах услышим сигнал с частотой равной 466 кГц - 464 кГц=1 кГц. Если к катушке индуктивности L2 приблизить массивный металлический предмет, то индуктивность катушки изменится, значит изменится и частота колебаний второго генератора, и мы зафиксируем резкое изменение тона звучания. На этом явлении и основано действие миноискателя. Конструктивно этот миноискатель выполнен в корпусе от карманного приемника.

Прибор смонтирован на гетинаксовой плате размером 60x60 мм. Расположение деталей на монтажной плате показано на чертеже.

Монтаж миноискателя ведут обычный: способом. Можно даже изготовить печатную плату. Катушка индуктивности L1 содержит 200 витков, намотанных без каркаса. Внутренний диаметр катушки 11 мм, провод ПЭЛШО 0,1, намотка типа "универсаль".

В данной конструкции используется одна секция от контура промежуточной частоты приемника "Рекорд", от которой отматывают 60 витков. Катушка индуктивности L2 содержит 14 витков провода ПЭЛ 0,25, намотанных в виде кольца диаметром 350 мм. Катушку для прочности и защиты от механических повреждений необходимо либо обмотать несколькими слоями изоляционной ленты, либо поместить в защитную оболочку, выполненную из внешней изоляции коаксиального кабеля. Этот миноискатель также укрепляют на деревянной ручке длиной 80-100 см (на чертеже).

Правила игры. "Найди "мину"" игра коллективная. Она может проводиться как в помещении, так и на открытой местности. В игре участвуют две команды. Кроме этого за игрой может наблюдать неограниченное число зрителей-болельщиков.

Число участников в каждой команде должно быть не более 3-5 человек. В зависимости от наличия миноискателей поиск "мин" ведут либо одновременно все члены команды, либо по одному человеку от каждой команды. В первом случае каждый участник, находит неограниченное число "мин", во втором общее число "мин" должно быть равно числу членов команда, а каждый участник игры находит только одну "мину". Выигрывает та команда, которая быстрее "разминирует" отведенный участок на местности или в помещении.

Перед началом игры скрытно от участников члены жюри устанавливают и маскируют "мины". В помещении допускается "минировать" не только полы, но и стены, мебель и другие предметы. Необходимо только учитывать, что нельзя "мины" ставить на батареи центрального отопления, листы железа, дверные петли, ручки и другие металлические предметы. Как уже было сказано, в качестве "мин", устанавливаемых в помещении, могут быть использованы крышки от консервных банок, куски кровельного железа и другие металлические пластины, которые очень удобно маскировать тонким ковром, листом бумаги, обоями, или линолеумом. Тщательность маскировки целиком зависит от изобретательности членов жюри.

Более интересной и наглядной будет игра "Найди "мину" на открытой местности. Участок местности, размером 20x20 метров; размечается колышками с бичевкой - это "минное" поле, на котором маскируют соответствующее число "мин". Весь участок делят пополам, определяя место поиска для каждой команды. Зарывать "мины" глубже чем на 10 см не рекомендуется, так как это сильно затруднит поиск.

Команды выходят на старт из какого-либо укрытия, где участники игры находились, когда устанавливались и маскировались "мины". Если каждый участник, имеет индивидуальный миноискатель, поиск начинают обе команды в полном составе. Нашедший "мину" выходит на игры на старт, а судьи фиксируют время, затраченное на поиск каждым участником. Побеждает та команда, суммарное время поиска у которой будет меньше. При наличии только двух миноискателей поиск ведется по одному участнику от каждой команды одновременно. Нашедший "мину", так же как и в предыдущем случае, возвращается на старт, а жюри фиксирует время поиска, затраченного каждым участником.

При большом числе желающих принять участие в этой игре можно набрать 8-4 команды, которые будут вести поиск одновременно на нескольких одинаковых по площади "заминированных" участках.

Автор: Э.Борноволоков

Смотрите другие статьи раздела Начинающему радиолюбителю.

Читайте и пишите полезные комментарии к этой статье.

<< Назад

Последние новости науки и техники, новинки электроники:

Власть является ключевым фактором счастья в отношениях 11.03.2026

Исследования семейных и романтических отношений показывают, что длительное счастье пары зависит не только от привычных факторов, таких как доверие, уважение и преданность, но и от более тонких психологических аспектов. Современные ученые ищут закономерности, которые отличают действительно счастливые пары от остальных, чтобы понять, какие механизмы поддерживают гармонию в отношениях. Группа исследователей из Университета Мартина Лютера в Галле-Виттенберге и Бамбергского университета провела опрос среди 181 пары, которые состояли в совместных отношениях более восьми лет и прожили вместе хотя бы месяц. Участники заполняли анкету, описывая различные аспекты своих отношений, включая распределение обязанностей, эмоциональную поддержку и степень вовлеченности в совместные решения. Анализ данных показал интересный паттерн: пары, где оба партнера ощущали высокий уровень личной власти, оказывались наиболее счастливыми и удовлетворенными. В данном контексте под властью понимается способност ...>>

Защищенная колонка-повербанк Anker Soundcore Boom Go 3i 11.03.2026

Компания Anker представила новую модель линейки Soundcore - колонку Soundcore Boom Go 3i, ориентированную на активное использование на улице. Новинка отличается высокой степенью защиты: корпус соответствует стандарту IP68, что обеспечивает водо- и пыленепроницаемость, а ударопрочный дизайн выдерживает падение с высоты до одного метра. За качество звука отвечает 15-ваттный драйвер, обеспечивающий пик громкости до 92 дБ, а технология BassUp 2.0 усиливает низкие частоты, делая звучание более насыщенным. Колонка обладает автономностью до 24 часов, а LED-индикатор позволяет контролировать уровень заряда батареи. Кроме того, Soundcore Boom Go 3i может выполнять функцию павербанка: согласно внутренним тестам, устройство способно зарядить iPhone 17 с нуля до 40% за один час, что делает его полезным аксессуаром в походах и поездках. Среди функциональных особенностей модели стоит выделить технологию Auracast, которая улучшает подключение и позволяет создавать стереопару из двух колонок ...>>

Раннее воздержание от алкоголя перестраивает мозг и иммунитет 10.03.2026

Алкогольная зависимость - хроническое расстройство с компульсивным употреблением спиртного, которое влияет не только на поведение, но и на функционирование мозга и иммунной системы. Недавние исследования показали, что даже на ранних этапах воздержания организм начинает перестраиваться, открывая новые возможности для терапии зависимости. Ученые сосредоточились на пациентах, находящихся в первые недели абстиненции, и зафиксировали значительные изменения в мозговой активности. С помощью функциональной магнитно-резонансной томографии они выявили перестройку сетей нейронных связей, отвечающих за контроль импульсов и принятие решений. Эти изменения могут быть ключевыми для восстановления самоконтроля и снижения риска рецидива. Одновременно с нейронной перестройкой исследователи наблюдали колебания иммунной системы. В крови повышался уровень цитокинов - сигнальных белков, регулирующих воспалительные процессы. Эти данные свидетельствуют о существовании нейроиммунного взаимодействия, при ...>>

Случайная новость из Архива

Космический полет продлевает человеческую жизнь 16.07.2012

Международная группа ученых, изучающая потерю костной и мышечной массы у космонавтов, обнаружила, что космический полет может продлить жизнь. Оказалось, что космические полеты уменьшают количество токсичных белков, которые обычно накапливаются в процессе старения мышц. Также ученые обнаружили группу генов, экспрессия которых в течение космического полета снижается. В ходе лабораторных экспериментов на Земле у модельных организмов (черви Caenorhabditis elegans) снижение экспрессии тех же генов приводило к увеличению продолжительности жизни.

"Мы определили семь генов, инактивация которых продляет жизнь в лабораторных условиях, - говорит один из авторов исследования, эксперт в мышечном метаболизме доктор Натаниэль Шевчик. - Мы пока точно не знаем, каким образом эти гены работают. Судя по всему, они влияют на восприятие окружающей среды и соответствующую адаптацию организма. Например, один из генов контролирует выработку инсулина, связанного с метаболизмом и продолжительностью жизни".

Что это открытие означает для практической космонавтики? Ученым известно, что в условиях космических полетов мышцы неизбежно сокращаются в объеме. Однако это не патология, а лишь реакция на условия окружающей среды, в частности невесомость. Не исключено, что в результате процессов адаптации также может увеличиться и продолжительность жизни.

Ученые намерены продолжить свои исследования, включая изучение здоровья космонавтов и опыты с Caenorhabditis elegans. При этом черви предоставляют особенные возможности. Дело в том, что Caenorhabditis elegans является первым многоклеточным организмом, чей геном полностью расшифрован. Многие из его 20 тыс. генов выполняют те же функции, что и человеческие, например, 2 тыс. генов играют определенную роль в развитии мышц и 50-60 % из них имеют человеческие аналоги.

Кроме того, установлено, что данные черви могут жить и размножаться в космосе в течение не менее шести месяцев. Таким образом, их относительно недорого можно отправить в экспериментальный долгосрочный полет, например к Марсу, и изучить воздействие космической среды на живой организм.

Другие интересные новости:

▪ Спинной имплант помогает в реабилитации парализованных пациентов

▪ Мобильный телефон, работающий без сотовых операторов

▪ Универсальный программатор с интерфейсом USB

▪ Морозостойкий электролит для литий-ионных батарей

▪ Клеточное деление воссоздано снаружи клетки

Лента новостей науки и техники, новинок электроники

 

Интересные материалы Бесплатной технической библиотеки:

▪ раздел сайта Афоризмы знаменитых людей. Подборка статей

▪ статья Ноздрев. Ноздревщина. Крылатое выражение

▪ статья Какое животное имеет отпечатки пальцев как у человека? Подробный ответ

▪ статья Раны. Медицинская помощь

▪ статья ПДУ - выключатель света. Энциклопедия радиоэлектроники и электротехники

▪ статья Импульсный стабилизатор с защитой, 12,6 вольт 1,5 ампера. Энциклопедия радиоэлектроники и электротехники

Оставьте свой комментарий к этой статье:

Имя:


E-mail (не обязательно):


Комментарий:





Главная страница | Библиотека | Статьи | Карта сайта | Отзывы о сайте

www.diagram.com.ua

www.diagram.com.ua
2000-2026