Menu Home

Бесплатная техническая библиотека для любителей и профессионалов Бесплатная техническая библиотека


Тренажерный комплекс начинающего радиоспортсмена. Энциклопедия радиоэлектроники и электротехники

Бесплатная техническая библиотека

Энциклопедия радиоэлектроники и электротехники / Начинающему радиолюбителю

Комментарии к статье Комментарии к статье

Первоначально тренажерный комплекс разрабатывался как наглядное пособие для объяснения существующих принципов передачи информации. Но оказалось, что он вполне пригоден и для проведения практических занятий по освоению навыков операторской работы на ключе, изучению азбуки Морзе, приему и передаче телеграфных и голосовых сообщений по проводной линии, по радио и лазерному лучу.

Структурная схема комплекса представлена на рис. 1. Его основной блок 1 состоит из передатчика, генератора 3Ч и блока питания. Работой генератора управляет ключ Морзе, прослушивать сигналы генератора можно через головные телефоны, непосредственно подключенные к выходу генератора либо установленные на конце двухпроводной линии.

Тренажерный комплекс начинающего радиоспортсмена

Если же передача сообщения ведется через передатчик, в работу включаются либо FM приемник (2), либо сверхрегенеративный (3). При использовании оптической связи действует блок 4, а для приема сообщений - блок 5.

Передатчик может быть настроен на частоту 27,12 МГц. Максимальная мощность его при модуляции несущей сигналом звуковой частоты достигает 180.. .200 мВт, что позволяет поддерживать связь на расстоянии до километра. Но прежде чем собирать передатчик и эксплуатировать его, необходимо получить соответствующее разрешение в Государственной инспекции электросвязи.

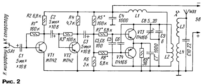
Передатчик (рис. 2) состоит из двухкаскадного усилителя ЗЧ, выполненного на транзисторах VT1, VT2, и задающего двухтактного автогенератора на транзисторах VT3, VT4. На вход усилителя через переключатель SA1 можно подавать сигнал либо с микрофона, либо с генератора ЗЧ. Через разделительный конденсатор С1 сигнал поступает на базу транзистора VT1 первого каскада усилителя. С резистора нагрузки R2 усиленный сигнал поступает через конденсатор С2 на базу транзистора VT2 второго каскада. С его резистора нагрузки R4 сигнал поступает через конденсатор C3 и ограничительные резисторы R7, R8 на базы транзисторов VT3, VT4 задающего генератора, осуществляя амплитудную модуляцию его высокочастотного сигнала.

Тренажерный комплекс начинающего радиоспортсмена

Напряжение питания на коллекторы транзисторов генератора подается через высокочастотный дроссель L1 и катушку L2. Дроссель предотвращает попадание высокочастотной составляющей в цепи питания тренажера. Катушка L4 служит для связи контура задающего генератора с антенным контуром, а катушка L3 с подстроечником - для настройки антенны в резонанс с частотой задающего генератора. В качестве антенны был использован отрезок изолированного медного провода длиной около метра.

Порядок изготовления передатчика такой. Вначале подберите все радиодетали и проверьте их работоспособность. Транзисторы VT3, VT4 должны быть с максимально близкими параметрами и коэффициентом передачи тока не менее 70.

Затем нужно изготовить катушки. Для них понадобятся каркасы из полистирола диаметром 8 мм. На рис. 3 приведены размеры каркасов как катушек передатчика, так и приемника. Как вариант, для катушек можно использовать отрезки круглых корпусов шариковых ручек. Подстроечники из карбонильного железа - СЦР Внутри каркаса катушки подстроечник крепят с помощью продетой провощенной нити или тонкого отрезка резинки. После настройки подстроечник можно закрепить каплей расплавленного воска или парафина. Таким же способом допустимо крепить катушки на печатной плате.

Тренажерный комплекс начинающего радиоспортсмена

Катушки наматывают в один слой виток к витку проводом ПЭЛ 0,5. Катушки L3 передатчика и L1 приемника содержат по 10 витков, L2 - 4+4 витка, L4 - 4 витка, размещенных между половинками катушки L2.

Дроссели могут быть готовые, индуктивностью 40 мкГн, но их нетрудно изготовить самим. Для этого на резистор любого типа мощностью не менее 0,5 Вт сопротивлением примерно 1 МОм нужно намотать внавал 200 витков провода ПЭВ или ПЭЛ диаметром 0,1 мм. При использовании провода большего диаметра рекомендуется по краям резистора установить (приклеить) картонные щечки.

Теперь можно приступить к изготовлению печатной платы (рис. 4) из односторонне фольгированного стеклотекстолита. Изолирующие дорожки на ней прорезают специальным резаком, изготовленным, например, из отрезка ножовочного полотна.

Тренажерный комплекс начинающего радиоспортсмена

Для экономии места резисторы на плате допустимо устанавливать вертикально. Следует учесть, что детали, отмеченные на схеме "звездочкой" (их придется подбирать), следует временно монтировать на плате со стороны дорожек, не укорачивая их выводы. Конденсатор C3 устанавливают на плату после налаживания усилителя 3Ч и генератора.

Переходя к монтажу высокочастотной части передатчика, делайте все выводы и соединения возможно короче. Выводы транзисторов укоротите до 1 см. Дроссель и катушки располагайте перпендикулярно друг другу. Детали задающего генератора отгородите от остальной части монтажа экраном из тонкой жести или меди, припаяв его к плюсовой дорожке платы облуженным медным проводом диаметром 0,6... 0,8 мм.

Налаживание передатчика начинают с усилителя 3Ч. Подбором резистора R3 устанавливают напряжение на коллекторе транзистора VT2 равным половине напряжения питания. Затем, подавая с промышленного генератора ЗЧ на вход усилителя синусоидальный сигнал частотой 10ОО Гц и амплитудой 50 мВ, наблюдают с помощью осциллографа форму сигнала на коллекторе транзистора VT2. Подбором резистора R1 устраняют искажения сигнала. Вместо осциллографа на выход усилителя (параллельно резистору R4) подключают через конденсатор емкостью примерно 1 мкФ высокоомные головные телефоны сопротивлением около 4 кОм - два последовательно соединенных капсюля телефонов типа ТОН-2 - и подбором резисторов R1, R3 добиваются неискаженного звучания.

Затем переходят к автогенератору. В разрыв левого по схеме вывода дросселя L1 включают миллиамперметр и подбором резистора R5 (а при необходимости и R9) устанавливают ток 60...70 мА. Более точным подбором резистора R5 добиваются необходимого напряжения смещения на базах транзисторов VT3, VT4 для получения режима генерации. При необходимости подбором конденсатора С7 добиваются устойчивой генерации. Далее подбором резисторов R7, R8 добиваются максимальной и одинаковой амплитуды сигнала в обоих плечах генератора. Контроль ведут с помощью осциллографа, подключаемого попеременно к выводам эмиттера и коллектора транзисторов генератора. После этого можно впаять конденсатор C3, а на вход усилителя подать сигнал с генератора 3Ч.

Настраивают генератор на разрешенный диапазон 27,12 МГц по отградуированному образцовому приемнику или волномеру. Поднеся передатчик ближе к приемнику и перемещая ротор подстроечного конденсатора С8, добиваются появления звука в приемнике. Регулируя положение подстроечника катушки L3, настраивают антенный контур в резонанс с частотой контура генератора. При этом громкость звука приемника должна быть максимальной.

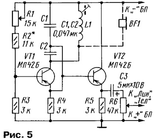
Генератор звуковой частоты (рис. 5) выполнен на двух транзисторах. Причем непосредственно генератор собран по схеме емкостной трехточки на транзисторе VT1, а на VT2 выполнен повторитель. Конденсаторы С1, С2 обеспечивают необходимые условия для возникновения обратной связи. Частота генерируемых колебаний определяется их емкостью и индуктивностью катушки L1. В данной конструкции была применена катушка, намотанная на броневом сердечнике марки СБ исполнения а (например, СБ-12а) проводом ПЭЛ 0,1. Количество витков - 500.

Тренажерный комплекс начинающего радиоспортсмена

Регулировкой положения подстроечника катушки и движка резистора R1 (он должен находиться примерно в среднем положении при соответствующем подборе резистора R2) добиваются наилучшей формы синусоидального сигнала на коллекторе транзистора VT1. Можно обойтись без осциллографа, если вместо катушки подключить головные телефоны BF1 (типа ТОН-2) и добиться неискаженного звука. В этом варианте телефоны станут индикатором контроля работы генератора.

С помощью резистора R1 удастся изменять частоту звукового сигнала от 500 до 5000 Гц, а резистором R6 регулировать выходной сигнал, поступающий на линию или на вход передатчика, в пределах от 0 до 2 В. Что касается телеграфного ключа, то его включают в разрыв цепи питания. В исходном состоянии контакты ключа разомкнуты, поэтому генератор не работает. Короткое нажатие на ключ соответствует точке, продолжительное - тире телеграфной азбуки. Когда же генератор нужен для проверки работы низкочастотных каскадов тренажера, контакты ключа необходимо замкнуть. Применение в генераторе повторителя позволяет подключать к нему двухпроводную линию длиной в несколько десятков и даже сотен метров.

Налаживание генератора сводится к установке режима работы транзистора VT1 в строго линейном режиме. Для этого отключают обратную связь, отпаяв провод, идущий отточки соединения конденсаторов С1, С2 к базе транзистора VT2, и подбирают резистор R2 такого сопротивления, чтобы при среднем положении движка резистора R1 напряжение на эмиттере транзистора VT1 было 3...4 В.

Далее от генератора ЗЧ подают на базу транзистора VT1 через разделительный конденсатор емкостью 1...5 мкФ сигнал амплитудой 0,05 В и частотой 1 кГц. Наблюдаемый с помощью осциллографа выходной сигнал на коллекторе транзистора должен усиливаться в 10...20раз. Если этого не происходит, следует подобрать транзистор с большим коэффициентом передачи тока.

Блок питания (рис. 6) - стабилизированный, с регулируемым выходным напряжением. Сетевой трансформатор должен вьщавать на вторичной обмотке переменное напряжение, примерно в 1,5...2 раза большее по сравнению с напряжением стабилизации при токе нагрузки до 0,5 А.

Тренажерный комплекс начинающего радиоспортсмена

Детали блока размещают на печатной плате (рис. 7) из односторонне фольгированного стеклотекстолита. Транзистор VT2 устанавливают на радиатор из металлического уголка, изолированный от платы.

Тренажерный комплекс начинающего радиоспортсмена

При налаживании блока питания подбором резистора R1 устанавливают в цепи стабилитрона ток 15...20 мА. После этого подстроечным резистором R2 добиваются указанного на схеме выходного напряжения на зажимах Х2, Х3 при токе нагрузки около 100 мА.

Передатчик, генератор и блок питания размещены в корпусе от трехпрограммного абонентского громкоговорителя (рис. 8).

Тренажерный комплекс начинающего радиоспортсмена

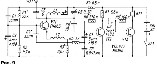
Сверхрегенеративный приемник (рис. 9) тренажера обеспечивает достаточно высокую чувствительность - 5...15 мкВ. При такой чувствительности дальность связи достигает 1 км.

Тренажерный комплекс начинающего радиоспортсмена
(нажмите для увеличения)

На транзисторе VT1 собран сверхрегенеративный детектор, на VT2 и VT3 - усилитель 3Ч. Принимаемый антенной WA1 высокочастотный сигнал поступает через конденсатор C3 на входной контур L1C5. Далее он усиливается и детектируется сверхрегенеративным каскадом на транзисторе VT1, нагрузкой которого является резистор R3. Выделенный на фильтре R5C8 низкочастотный сигнал поступает через конденсатор С7 на двухкаскадный усилитель 3Ч, выполненный на транзисторах VT2, VT3. Нагрузка выходного каскада усилителя - высокоомные головные телефоны BF1 (например, ТОН-2).

Большинство деталей приемника смонтировано на печатной плате (рис. 10) из односторонне фольгированного стеклотекстолита.

Тренажерный комплекс начинающего радиоспортсмена

При подключении к приемнику источника питания в головных телефонах будет слышен шум-шипение, если нормально работает сверхрегенератор. В случае отсутствия шума или его малой громкости изменяют режим работы транзистора VT1 подбором резистора R1.

Далее включают передатчик, подав на его вход непрерывный сигнал с генератора 3Ч. Подбором конденсатора С6, изменением положения ротора конденсатора С5 и подстроечника катушки L1 настраиваются на частоту передатчика. Хорошего звука принимаемого сигнала добиваются подбором деталей С4, R3. Иногда этого результата удается добиться и подбором конденсатора С1. На время налаживания вместо постоянного резистора R1 желательно подключить переменный сопротивлением 30-51 кОм и с его помощью добиваться максимальной громкости сигнала в телефонах, после чего измерить получившееся сопротивление и впаять постоянный резистор такого сопротивления.

Режим работы транзисторов VT2, VT3 усилителя 3Ч устанавливают по аналогичной методике, описанной для такого же усилителя передатчика.

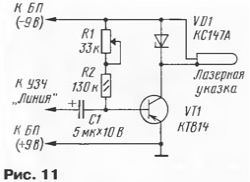
Модулятор лазерного луча (рис. 11) представляет собой однокаскадный усилитель мощности на транзисторе VT1, нагрузкой которого является лазерная указка. На вход модулятора сигнал может поступать либо с генератора 3Ч при работе оператора ключом, либо с усилителя 3Ч при работе оператора микрофоном. Для этой цели можно использовать любой промышленный усилитель 3Ч мощностью не менее 1 Вт и амплитудой сигнала на выходе около 1 В.

Тренажерный комплекс начинающего радиоспортсмена

Сигнал через разделительный конденсатор С1 поступает на базу транзистора VT1. Переменным резистором R1, в зависимости от модификации применяемой указки, а следовательно, и внутреннего ее сопротивления, устанавливают рабочий режим транзистора таким, чтобы падение напряжения на выводах указки составляло 4 В. Оптимальную амплитуду входного сигнала модулятора при работе ключом устанавливают переменным резистором R6 генератора 3Ч. А необходимый уровень сигнала при работе с микрофона устанавливают регуляторами уровня выхода используемого усилителя 3Ч.

Качество звучания передаваемой информации проверяют на слух, используя любой бытовой усилитель 3Ч с микрофонным входом чувствительностью 3 мВ. Для этого к микрофонному входу усилителя подключают светочувствительный элемент (фотодиод или фототранзистор). Получившийся фотоприемник (блок 5 на рис. 1) относят на расстояние около 5 м от излучателя (блок 4). В предлагаемой разработке излучатель модулятора и фотоприемник крепятся на фотоштативах (рис. 12) от старых фотоувеличителей, что достаточно легко позволяет настраивать оптическую соосность аппаратуры.

Тренажерный комплекс начинающего радиоспортсмена

Регулируя на одной из штанг штатива вертикальное и горизонтальное положение кронштейна с закрепленной лазерной указкой, а на другой штанге положение кронштейна с фотоприемником, добиваются совпадения их оптических осей. После этого регулировкой переменных резисторов, о которых упоминалось ранее, добиваются наиболее громкого и неискаженного звука.

Во время проведения экспериментов по передаче информации по лазерному лучу с использованием конденсора от того же фотоувеличителя удалось увеличить дальность связи в несколько раз.

Автор: А.Дронов, г.Москва

Смотрите другие статьи раздела Начинающему радиолюбителю.

Читайте и пишите полезные комментарии к этой статье.

<< Назад

Последние новости науки и техники, новинки электроники:

Глазные капли, возвращающие молодость зрению 05.10.2025

С возрастом человеческий глаз постепенно теряет способность четко видеть на близком расстоянии - развивается пресбиопия, или возрастная дальнозоркость. Этот естественный процесс связан с утратой эластичности хрусталика и ослаблением цилиарной мышцы, отвечающей за фокусировку. Миллионы людей по всему миру сталкиваются с необходимостью носить очки для чтения или прибегают к хирургическим методам коррекции. Однако исследователи из Центра передовых исследований пресбиопии в Буэнос-Айресе представили решение, которое может стать удобной и неинвазивной альтернативой - специальные глазные капли, способные улучшать зрение на длительный срок. Разработку возглавила Джованна Беноцци, директор Центра. По ее словам, цель исследования состояла в том, чтобы предоставить пациентам с пресбиопией эффективный и безопасный способ коррекции зрения без хирургического вмешательства. Новые капли, созданные на основе пилокарпина и диклофенака, показали убедительные результаты: уже через час после первого пр ...>>

Цифровая рация Xiaomi Digital Walkie Talkie 05.10.2025

Компания Xiaomi представила современное устройство, объединившее классические принципы радиосвязи с возможностями цифровых технологий. Новинка под названием Xiaomi Digital Walkie Talkie демонстрирует, как привычные рации могут быть переосмыслены в духе времени. Устройство оснащено цветным дисплеем диагональю 1,57 дюйма, который отображает список контактов, параметры соединения и даже примерное местоположение собеседника. Такой подход превращает стандартную рацию в компактное средство связи, сочетающее функциональность смартфона и устойчивость профессиональной техники. Одним из ключевых преимуществ стала высокая автономность. Встроенный аккумулятор емкостью 2500 мА·ч обеспечивает до 100 часов работы в режиме ожидания и около 14 часов непрерывных разговоров, что особенно важно в экспедициях, на дальних маршрутах или в зонах, где подзарядка невозможна. Согласно данным портала unionrayo.com, такое время работы выгодно отличает устройство от большинства аналогов. По дальности дейст ...>>

Открыт обращаемый драйвер старения 04.10.2025

Недавняя работа ученых из Сямэньского университета в Китае показала, что в гипоталамусе, главном регуляторе внутренних функций организма, кроется один из ключей к продлению молодости. Команда под руководством Лиге Ленга обнаружила, что снижение уровня белка менина в гипоталамусе связано с ускорением процессов старения. Менин, как выяснилось, играет важную роль в предотвращении воспаления и поддержании нормальной работы нейронов. Когда его уровень снижается, в мозге возрастает активность воспалительных сигналов, что запускает цепную реакцию возрастных изменений во всем организме - от ослабления когнитивных функций до потери плотности костей и истончения кожи. Чтобы понять, как именно менин влияет на старение, ученые вывели генномодифицированных мышей, у которых этот белок можно было выборочно отключить. Даже у молодых животных такое вмешательство быстро привело к ухудшению памяти, снижению прочности костей и эластичности кожи, а также к укорочению жизни. Эти результаты убедительно ...>>

Случайная новость из Архива

Улучшение производительности OLED 15.02.2024

Ученые из Университета Дарема представили инновационный метод улучшения производительности синих органических светодиодов (OLED). Этот прорыв не только обещает более яркие дисплеи, но и повышенную стабильность и энергоэффективность электронных устройств. OLED-дисплеи нашли широкое применение в современных технологиях, улучшая качество изображения на смартфонах, телевизорах и других устройствах. Однако достижение стабильного и эффективного излучения синего цвета в технологии OLED долгое время оставалось сложной задачей.

Теперь специалисты нашли решение, которое может открыть новые горизонты в создании энергосберегающих дисплеев следующего поколения. Ключевую роль в этом сыграла новая стратегия дизайна с использованием гиперфлуоресцентных OLED (HF), которую разработала команда под руководством Клейтоса Ставра и профессора Эндрю Монкмана.

Результаты новой научной работы имеют потенциал изменить ландшафт электронной индустрии, обеспечивая более яркие и энергоэффективные дисплеи для широкого спектра устройств - от смартфонов до телевизоров и носимых гаджетов. Коммерциализация HF OLED может стать следующим шагом в эволюции электроники, обеспечивая потребителей более высоким качеством изображения и снижением энергозатрат.

Гиперфлуоресцентные OLED используют уникальный механизм передачи энергии от молекулы сенсибилизатора к отдельной молекуле излучателя, что значительно повышает эффективность и стабильность. Оказалось, что определенные молекулы-сенсибилизаторы, ранее не рассматривавшиеся из-за своих плохих эмиссионных свойств, могут значительно улучшить эффективность OLED при использовании в гиперфлуоресцентных OLED. Одной из таких молекул является ACRSA, способная утроить эффективность OLED благодаря своей жесткой молекулярной структуре и длительным возбужденным состояниям.

"Мы выявили слепые зоны, где материалы, не рассматриваемые традиционным образом, могут быть высокоэффективными в качестве сенсибилизаторов в гиперфлуоресцентных OLED", - пояснил ведущий автор исследования Клейтос Ставру. Кроме того, команда продемонстрировала, что использование зеленоватого сенсибилизатора, такого как ACRSA, позволяет добиться излучения глубокого синего света путем передачи энергии синему терминальному излучателю. Такой подход улучшает стабильность и долговечность синих дисплеев OLED и снижает энергию экситонов, что создает более энергоэффективные дисплеи.

"Наши результаты открывают новые возможности для гиперфлуоресцентных OLED, что может значительно расширить выбор материалов для следующего поколения дисплеев, использующих до 30% меньше электроэнергии", - подчеркнул профессор Эндрю Монкман.

Потенциальные области применения этого открытия очень широки - от смартфонов и телевизоров до носимых устройств и не только. С дальнейшим развитием и сотрудничеством с промышленными партнерами исследователи ставят целью коммерциализацию HF OLED. Новое исследование знаменует важный шаг в разработке более ярких, стабильных и энергоэффективных синих OLED-дисплеев.

Другие интересные новости:

▪ Медиаплеер iRiver P8

▪ Комплект Asus Lyra Trio для создания сети Wi-Fi Mesh

▪ Samsung начал производство 3D-чипов памяти

▪ Планшеты Asus серии ZenPad

▪ Добыча полезных ископаемых из астероидов

Лента новостей науки и техники, новинок электроники

 

Интересные материалы Бесплатной технической библиотеки:

▪ раздел сайта Дом, приусадебное хозяйство, хобби. Подборка статей

▪ статья Оперативная хирургия. Конспект лекций

▪ статья Чего никогда не встретишь в казино? Подробный ответ

▪ статья Брокер торговый. Должностная инструкция

▪ статья Окрашивание изделий. Простые рецепты и советы

▪ статья Нормы приемо-сдаточных испытаний. Элегазовые выключатели. Энциклопедия радиоэлектроники и электротехники

Оставьте свой комментарий к этой статье:

Имя:


E-mail (не обязательно):


Комментарий:





Главная страница | Библиотека | Статьи | Карта сайта | Отзывы о сайте

www.diagram.com.ua

www.diagram.com.ua
2000-2025