Menu Home

Бесплатная техническая библиотека для любителей и профессионалов Бесплатная техническая библиотека


Расчет RC-фильтров. Энциклопедия радиоэлектроники и электротехники

Бесплатная техническая библиотека

Энциклопедия радиоэлектроники и электротехники / Начинающему радиолюбителю

Комментарии к статье Комментарии к статье

Рассмотрим частотно-избирательные или селективные цепи, которые обладают фильтрующим действием, т. е. сигналы с одними частотами пропускают лучше, с другими - хуже. Иногда такое свойство цепей вредно, например, в высококачественных усилителях звуковой частоты, где стремятся получить максимально широкую полосу пропускания. А иногда полезно, скажем, в радиоприемниках, когда из массы сигналов радиостанций, работающих на различных частотах, нужно выделить сигнал одной-единственной, вещающей на известной вам частоте.

Фильтрующие цепи (фильтры) обязательно должны содержать реактивные элементы - емкости и/или индуктивности, поскольку активное сопротивление резисторов от частоты не зависит (в идеальном случае). Реально же всегда имеются паразитные емкости и индуктивности (монтажа, выводов, р-n переходов и т. д.), поэтому практически любая цепь оказывается в той или иной степени фильтром, т. е. ее параметры зависят от частоты. Сначала рассмотрим простейшие RC-цепочки.

На рис. 28,а показана схема простейшего фильтра нижних частот (ФНЧ), пропускающего низкие и ослабляющего высокие частоты.

Расчет RC-фильтров

Коэффициентом передачи называется отношение К = Uвых/Uвх (точнее, это модуль, или абсолютная величина коэффициента передачи). Рассчитаем его, пользуясь известными нам уже сведениями о цепях переменного тока. Ток в цепи составляет:

а выходное напряжение равно падению напряжения на конденсаторе С:

Подставляя ток, находим

Коэффициент передачи получился комплексным. Это означает, что выходное напряжение фильтра сдвинуто по фазе относительно входного. Чтобы подчеркнуть комплексный характер К, его часто обозначают как K(jω). Найдем модуль (абсолютное значение) и аргмент (фазу) К

И модуль, и фаза коэффициента передачи зависят от частоты, или, как говорят, являются функциями частоты. Отрицательный знак у аргумента указывает на отставание фазы выходного сигнала от фазы входного. Если построить их графики, получатся амплитудно-частотная и фазочастотная характеристики фильтра(АЧХ и ФЧХ), показанные на рис. 28,6 и в соответственно.

Действует фильтр следующим образом. На самых низких частотах емкостное сопротивление конденсатора велико и сигнал практически без ослабления передается со входа на выход через сопротивление R. Поме-ре повышения частоты емкостное сопротивление падает и цепочка работает как делитель напряжения. На частоте среза ωс емкостное сопротивление равно активному, a ωcRC = 1. Однако модуль К не равен 1/2, как было бы в случае активных сопротивлений, а составляет 1/V2 = 0,7, как это видно из векторной диаграммы напряжений (рис. 28,г). Фазовый сдвиг, вносимый цепочкой на частоте среза, составляет 45° - на столько фаза выходного сигнала отстает от фазы входного. При дальнейшем повышении частоты модуль коэффициента передачи падает пропорционально частоте, а фазовый сдвиг стремится к -90°.

Нередко для упрощения расчетов вводят обозначения RC = τ. (постоянная времени цепочки), ωRC = ω/ωс = х (обобщенная частота). Коэффициент передачи в этих обозначениях записывается совсем просто:

Вернуться к прежним обозначениям целесообразно лишь после завершения всех выкладок.

В нашем анализе мы молчаливо предположили, что цепочка питается от генератора с весьма малым внутренним сопротивлением, а ее выход ничем не нагружен. В действительности источник сигнала всегда имеет некоторое внутреннее сопротивление R1, и если оно активное, его надо просто прибавить к R. Аналогично, если нагрузка обладает емкостью Сн, ее надо просто добавить к С. Если нагрузка имеет активное сопротивление RH, то модуль К уже на самых низких частотах, где влиянием емкости можно пренебречь, будет меньше единицы и составит (считаем просто по закону Ома) RH/(R + RH). Частота среза также сдвинется выше и составит, как легко сосчитать описанным выше образом, уже не

где R' - сопротивление, получающееся при параллельном соединении R и Rн.

Вот пример практического применения изложенных сведений. Видеоусилитель телевизора должен пропуекать полосу частот 6 МГц, а работает он на емкостную нагрузку, состоящую из выходной емкости транзистора Св, емкости монтажа См и междуэлектродной емкости управляющей сетки кинескопа Ск (рис. 29,а). Их сумму можно оценить каким-либо измерителем емкости (конечно, при выключенном телевизоре!) или по справочным данным. Пусть она составила 25 пф - это и будет емкость рассматриваемой RC-цепочки. Сопротивление R цепочки получается при параллельном соединении внутреннего сопротивления транзистора (генератора сигнала) и сопротивления нагрузки Rн. Первое можно найти по коллекторным характеристикам транзистора, взяв небольшое приращение ΔUк вблизи рабочего коллекторного напряжения Uк и найдя соответствующее приращение тока ΔIк

Обычно внутреннее сопротивление намного больше сопротивления нагрузки, тогда можно считать R = Rн.

Найдем допустимое сопротивление нагрузки исходя из завала АЧХ до 0,7 (на 3 дБ) на частоте 6 МГц. Угловая частота среза составит

(округляем). Поскольку RC = 1 /ωс,

Естественно, нам хотелось бы выбрать сопротивление нагрузки побольше, что увеличит усиление и уменьшит потребляемый транзистором ток, но сделать этого нельзя по причине завала верхних частот видеоспектра, что приведет к потере четкости изображения.

Расчет RC-фильтров

Ради интереса продолжим расчет. Пусть на сетку кинескопа надо подавать сигнал амплитудой до 50 В, тогда ток транзистора должен составлять 50 мА. На сопротивлении нагрузки упадет также 50 В, напряжение источника питания должно быть не менее 100 В, а на резисторе нагрузки выделится мощность 50 В - 50 мА = 2,5 Вт. Такая же мощность будет рассеиваться и на транзисторе. Нагрузочная характеристика для этого случая показана на рис. 29,б вместе с эпюрами напряжения и тока (которые в телевидении, надо заметить, редко бывают синусоидальными). Теперь должно быть понятно, почему выходной каскад видеоусилителя выполняют на мощном транзисторе, а в нагрузке ставят мощный резистор, хотя никакой мощности по цепи управляющего электрода (сетки) кинескоп не потребляет.

Чтобы как-то улучшить ситуацию, придумано немало способов. Один из них состоит в коррекции АЧХ включением последовательно с нагрузкой катушки с небольшой индуктивностью (рис. 29,а), подобранной так, чтобы она резонировала с суммарной емкостью С где-то на частоте среза или несколько выше. Образовавшийся колебательный контур с очень низкой добротностью (не более 1...1.5) способствует подъему АЧХ вблизи частоты среза. На рис. 29,в сплошной линией показана АЧХ усилителя до коррекции, соответствующая АЧХ простой RC-цепочки, а штриховой - после включения индуктивности. Таким способом расширяют полосу пропускаемых частот в 1,5...2 раза, или во столько же раз повышают усиление и экономичность каскада.

Описанное сужение полосы пропускания сверху происходит в каждом усилительном каскаде, что надо учитывать при проектировании многокаскадных усилителей. Например, в случае двух одинаковых каскадов завал АЧХ в каждом должен быть не более 0,84(0,842 = 0,7), в случае трех - не более 0,89. Иногда, особенно в видеоусилителях, используют "маленькие хитрости": предварительный каскад, в котором и междуэлектродные емкости, и размах выходного напряжения меньше, проектируют широкополосным, с подъемом АЧХ на верхних частотах, компенсирующим завал АЧХ в выходном каскаде.

Описанная цепочка (см. рис. 28,а) называется ФНЧ, когда рассматривают ее частотные характеристики, и она же называется интегрирующей, когда рассматривают прохождение импульсного сигнала. Пусть на входе цепочки действует перепад напряжения с коротким фронтом (рис. 30). Напряжение на выходе возрастет не сразу, поскольку конденсатору нужно время, чтобы зарядиться током, ограниченным резистором R.

Расчет RC-фильтров

Лишь в первый момент времени после воздействия перепада ток будет равен UBX/R, затем он будет уменьшаться по мере возрастания напряжения на конденсаторе. Составив дифференциальное уравнение для напряжения на выходе и решив его, можно установить, что

где е - основание натуральных логарифмов. За время τ = RC выходное напряжение возрастает примерно до 0,63 от значения входного и далее асимптотически приближается к нему. Таким образом, интегрирующая цепочка "заваливает" крутые фронты сигнала, чем, кстати, и объясняется снижение четкости телевизионного изображения.

Перейдем к фильтрам верхних частот (ФВЧ), простейший из которых (дифференцирующая RC-цепочка) показан на рис. 31,а. Коэффициент передачи теперь выражается так:

АЧХ цепочки показана на рис. 31,б. Формула для частоты среза остается прежней. ФЧХ тоже прежняя, но у ф меняется знак - фаза выходного сигнала опережает фазу входного. Она близка к 90° на самых низких частотах и приближается к нулю на высоких (график рис. 28,в достаточно сдвинуть вверх по оси φ на 90°). Собственно, все выражения для ФВЧ получаются из формул для ФНЧ при замене обобщенной частоты х на-1/х', чем очень часто и пользуются при расчете любых фильтров.

Импульсная характеристика цепочки показана на рис. 32. Она как бы обратна предыдущей - напряжение на выходе возрастает скачком, но затем падает по экспоненциальному закону в соответствии с вьюажениемЗа время, равное постоянной времени цепочки т, оно уменьшается до 0,37 входного, за следующий интервал т - опять до 0,37 и так далее (кстати, это хорошее правило для вычерчивания экспонент - на каждое деление по горизонтали вертикальная координата кривой должна возрастать или уменьшаться на одинаковый процент).

Практически каждая межкаскадная разделительная RC-цепочка представляет собой описанный ФВЧ. Даже если сопротивление R в явном виде отсутствует, им является входное сопротивление каскада, включенного за разделительным конденсатором. Если еще учесть, что паразитная емкость на выходе каскада образует ФВЧ, то становится ясно, что любой усилительный каскад ограничивает полосу пропускаемых частот как снизу, так и сверху, т. е. является полосовым фильтром. У прямоугольных импульсов, проходящих через усилительный каскад, сглаживаются крутые фронты (действие ФНЧ) и заваливается вершина (действие ФВЧ).

Для увеличения фильтрующего действия RC-цепей включают их несколько, последовательно друг за другом, а чтобы исключить шунтирование цепочек следующими, разделяют их промежуточными каскадами усиления на транзисторах. Иногда с той же целью последующие цепочки выбирают с большим сопротивлением. Однако в любом случае АЧХ фильтров в районе частоты среза получаются весьма пологими.

Исправить ситуацию позволяют активные фильтры, в которых сам усилительный элемент (транзистор) служит элементом фильтра. На рис. 33 дана схема активного ФНЧ (Саллена-Ки). Активный элемент в нем должен иметь единичное усиление и не инвертировать сигнал. Дополнительно требуются высокое входное и низкое выходное сопротивления. Этим требованиям удовлетворяет змиттерный (истоковый) повторитель на транзисторе либо (лучше) операционный усилитель, инвертирующий вход которого соединен с выходом. Резисторы обычно выбираются с одинаковым сопротивлением, а емкость конденсатора С2 - в 2...2,5 раза меньше емкости С1. Частота среза фильтра

Фильтр действует так. На частотах ниже частоты среза RC-цепочек выходное напряжение практически повторяет входное и конденсатор С1 выключен из работы, поскольку обе его обкладки имеют одинаковый потенциал. Сигнал передается без ослабления. По мере повышения частоты вступает в действие цепь RC2 и выходное напряжение уменьшается. Тогда вступает в действие и цепь RC1, еще больше ослабляя выходной сигнал. В результате формируется крутой спад АЧХ выше частоты среза.

Изменяя соотношение емкостей С1 и С2, можно получить гладкую и монотонно падающую АЧХ в пределах полосы пропускания (фильтр Баттерворта), а можно даже сформировать некоторый подъем перед частотой среза (фильтр Чебышева).

Сформировав такой подъем (кривая 1 на рис. 34), целесообразно добавить еще одно пассивное звено (кривая 2), которое скомпенсирует подъем и сделает скат АЧХ за частотой среза еще круче (кривая 3) - |К| будет уменьшаться в 8 раз при двукратном повышении частоты. Получится фильтр уже третьего порядка с крутизной ската 18 дБ на октаву. В качестве примера на рис. 35 дана схема такого ФНЧ с частотой среза 3 кГц. На другие частоты фильтр легко перестроить, изменив значения всех емкостей обратно пропорционально частоте. ФВЧ с аналогичными характеристиками получается, если поменять местами резисторы и конденсаторы и изменить соответственно их номиналы.

О поряке фильтров: он определяется числом реактивных элементов фильтра, и от порядка зависит крутизна ската АЧХ. Так, звенья первого порядка (рис. 28,а и 31,а) дают ослабление сигнала в 2 раза при двукратном изменении частоты (6 дБ/окт.), фильтр второго порядка (рис. 33) - в 4 раза (12 дБ/окт.), фильтр третьего порядка (рис. 35) - в 8 раз (18 дБ/окт.).

Расчет RC-фильтров

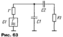
Вопрос для самопроверки. Некоторый высококачественный (полоса 20 Гц...20 кГц) усилитель 3Ч имеет входное сопротивление 100 кОм, источник сигнала - такое же выходное сопротивление. Они соединены экранированным кабелем с погонной емкостью 100 пФ/м. Длина кабеля - 3,2 м. Кроме того, на входе усилителя включен разделительный конденсатор емкостью 0,01 мкФ. Правильно ли все сделано, какова на самом деле будет полоса частот и как надо поступить, чтобы исправить ситуацию?

Ответ. Нарисуем эквивалентную схему (рис. 63), содержащую источник сигнала G1 с внутренним сопротивлением г, кабель с емкостью С1, разделительный конденсатор С2 и входное сопротивление усилителя R1.

Верхние частоты ослабляются емкостью кабеля, параллельно которой подключены входное сопротивление R1 и внутреннее сопротивление источника сигнала r. Разделительный конденсатор С2 на высоких частотах имеет пренебрежимо малое сопротивление и его можно не учитывать. Параллельное соединение двух сопротивлений по 100 кОм дает общее значение 50 кОм. Емкость кабеля С1 составляет 100 пФ/м х 3,2 м = = 320 пФ. По формуле f c= 1/2πRC определяем верхнюю частому полосы пропускания:

f B = 1/6,28·320·10-12-50·103 = 104 Гц = 10 кГц.

Для повышения ее до 20 кГц надо либо вдвое укоротить кабель, либо выбрать кабель с вдвое меньшей погонной емкостью, либо понизить примерно до 30 кОм выходное сопротивление источника сигнала из того расчета, чтобы общее сопротивление, подключенное параллельно кабелю, составило не 50, а 25 кОм.

Последний способ предпочтительнее, поскольку при этом возрастает и напряжение на входе усилителя. Действительно, при равенстве сопротивлений источника сигнала и усилителя оно составляет половину ЭДС источника, а при понижении сопротивления источника сигнала до 30 кОм оно достигнет 75 % от ЭДС источника.

По этой причине нередко на выходе источников сигнала, работающих на длинные соединительные кабели, устанавливают катодные, эмиттерные или истоковые повторители с низким выходным сопротивлением.

Рассчитаем теперь нижнюю граничную частоту полосы пропускания. Она определяется разделительным конденсатором С2 (0,01 мкФ) и общим сопротивлением последовательно включенных источника сигнала и входа усилителя (r+R1 = 100+100 = 200 кОм). По той же формуле вычисляем частоту среза этой RC-цепочки (ФВЧ): fH = 1/2πRC = 1/6,28·2·105·10-8 = 80 Гц. Для понижения частоты среза до 20 Гц емкость разделительного конденсатора надо увеличить, по крайней мере, в 4 раза. Ближайшее стандартное значение емкости - 0,047 мкФ.

В случае, если в соответствии с вышеприведенной рекомендацией выходное сопротивление источника сигнала г будет уменьшено до 30 кОм, то общее сопротивление цепочки ФВЧ составит r + R1 = 30 + 100 = 130 кОм, а требуемая емкость разделительного конденсатора будет равна:

С = 1/2πf HR = 1/6,28·20·1,3-105= 0,07 мкФ.

Автор: В.Поляков, г.Москва

Смотрите другие статьи раздела Начинающему радиолюбителю.

Читайте и пишите полезные комментарии к этой статье.

<< Назад

Последние новости науки и техники, новинки электроники:

Оптимальная продолжительность сна 12.11.2025

Сон играет ключевую роль в поддержании здоровья, когнитивных функций и общего самочувствия. Несмотря на широко распространенный стереотип о восьмичасовом сне, последние исследования показывают, что оптимальная продолжительность сна для большинства здоровых взрослых ближе к семи часам. Эволюционный биолог из Гарварда, Дэниел Э. Либерман, утверждает, что традиционная норма восьми часов сна - это скорее культурное наследие индустриальной эпохи, чем биологическая необходимость. По его словам, полевые исследования, проведенные в сообществах, не использующих электричество, показывают, что средняя продолжительность сна составляет 6-7 часов, что значительно отличается от общепринятого стандарта. Современные эпидемиологические данные подтверждают этот взгляд. Исследования выявили так называемую "U-образную кривую" зависимости между продолжительностью сна и рисками для здоровья. Минимальные показатели заболеваемости и смертности наблюдаются именно у людей, спящих около семи часов в сутки. ...>>

Дефицит кислорода усиливает выброс закиси азота 12.11.2025

Парниковые газы играют ключевую роль в изменении климата, а закись азота (N2O) - один из наиболее опасных среди них. Этот газ не только втрое сильнее углекислого газа в удержании тепла, но и разрушает озоновый слой. Недавнее исследование американских ученых показало, что микробы в зонах с низким содержанием кислорода активно производят N2O, усиливая глобальные климатические риски. Команда из Университета Пенсильвании изучала прибрежные воды у Сан-Диего и провела наблюдения на глубинах от 40 до 120 метров в Восточной тропической северной части Тихого океана - одной из крупнейших зон дефицита кислорода. Исследователи сосредоточились на том, как морские микроорганизмы превращают нитраты в закись азота. В ходе работы выяснилось, что существует два пути образования N2O. Один путь начинается с нитрата, другой - с нитрита. На первый взгляд более короткий путь должен быть эффективнее, однако микробы, использующие нитрат, продуцируют больше газа, поскольку этот "сырьевой" источник более д ...>>

Омега-3 помогают молодым кораллам выживать 11.11.2025

Сохранение коралловых рифов становится все более актуальной задачей в условиях глобального изменения климата. Молодые кораллы особенно уязвимы на ранних стадиях развития, когда стрессовые условия и нехватка питательных веществ могут привести к высокой смертности. Недавнее исследование ученых из Технологического университета Сиднея показывает, что специальные пищевые добавки способны существенно повысить выживаемость личинок кораллов. В ходе работы исследователи разработали особый состав "детского питания" для коралловых личинок. В него вошли масла, богатые омега-3 жирными кислотами, а также важные стерины, необходимые для формирования клеточных мембран. Личинки, получавшие эти добавки, развивались быстрее, становились крепче и демонстрировали более высокую устойчивость к стрессовым факторам. Особое внимание ученые уделили липидам. Анализ показал, что личинки активно усваивают эти вещества, что напрямую влияет на их жизнеспособность. Стерины, содержащиеся в корме, повышают устойчи ...>>

Случайная новость из Архива

На Энцеладе найдены все химические ингредиенты жизни 25.12.2022

В океане спутника Сатурна был обнаружен фосфор, ключевой компонент молекул ДНК и РНК. Теперь известно, что на Энцеладе есть все базовые элементы, входящие в состав биомолекул - все, необходимое для появления жизни.

Энцелад - один из крупных спутников Сатурна. Его поверхность покрывает толстый слой льда, из разломов которого время от времени выбиваются гейзеры, указывающие, что там, на глубине, достаточно большой океан жидкой воды. Это делает Энцелад одним из самых многообещающих мест для поиска внеземной жизни. Такую возможность указывает и анализ его воды. В ней появляются и метан, и более сложные органические молекулы.

За годы исследований в гейзерах Энцелада были найдены соединения водорода и кислорода, углерода, азота и серы - практически всех ингредиентов, входящих в состав биомолекул. А недавно к этому списку добавился и последний элемент, фосфор, служащий ключевым компонентом нуклеиновых кислот. Об этом сообщил Ясухито Секине (Yasuhito Sekine), выступивший на прошедшей недавно в Чикаго встрече Американского геофизического общества (AGU).

Секине и его коллеги из Токийского технологического института использовали данные зонда Кассини. Работая в системе Сатурна, аппарат собрал информацию о химическом составе не только планеты и спутников, но и ее блестящих колец. В этом случае ученых интересовали вещества кольца Е, куда попадает вещество, выброшенное гейзерами Энцелада. Среди них оказались частицы, исключительно богатые фосфатом натрия.

Судя по их количеству, подледный океан на спутнике может содержать это вещество в концентрации от одного до 20 миллимолов, что на порядки больше, чем в океанах Земли, где фосфор - элемент крайне дефицитный и востребованный. Авторы работы предполагают, что на Энцеладе он попадает в воду со дна, при растворении в ней апатитов, которые в изобилии встречаются в составе некоторых метеоритов, а значит - были и в ранней Солнечной системе, когда формировался спутник.

Находка делает Энцелад еще более увлекательным и многообещающим местом с точки зрения поиска следов внеземной жизни. Возможно, это ускорит работу над такими проектами, включая миссию ESA, пока запланированную к запуску только после 2035 года.

Другие интересные новости:

▪ Холод полезен для тренировок

▪ Маленькие очки для большого изображения

▪ Двухпроцессорный ускоритель AMD FirePro S9300 x2

▪ Серебряные чернила для печати проводников на гибких поверхностях

▪ Нанопленка, меняющая цвет

Лента новостей науки и техники, новинок электроники

 

Интересные материалы Бесплатной технической библиотеки:

▪ раздел сайта Микрофоны, радиомикрофоны. Подборка статей

▪ статья Охрана труда. Законы, нормативы, инструкции

▪ статья Почему клесты гнездятся зимой? Подробный ответ

▪ статья Приемщик товаров. Типовая инструкция по охране труда

▪ статья Отбелка шеллака. Простые рецепты и советы

▪ статья Зарядное устройство для электробритвы. Энциклопедия радиоэлектроники и электротехники

Оставьте свой комментарий к этой статье:

Имя:


E-mail (не обязательно):


Комментарий:





Главная страница | Библиотека | Статьи | Карта сайта | Отзывы о сайте

www.diagram.com.ua

www.diagram.com.ua
2000-2025