Menu Home

Бесплатная техническая библиотека для любителей и профессионалов Бесплатная техническая библиотека


Занимательные эксперименты: семейство тиристоров. Энциклопедия радиоэлектроники и электротехники

Бесплатная техническая библиотека

Энциклопедия радиоэлектроники и электротехники / Начинающему радиолюбителю

Комментарии к статье Комментарии к статье

Нередко можно слышать, да и читать в популярных радиотехнических журналах слово "тиристор". Речь идет о приборе, относящемся к полупроводниковым. Но такого прибора, к сожалению, не существует, поскольку тиристоры это класс приборов. В него входят динистор (диодный тиристор), тринистор (триодный тиристор) и симистор (симметричный тринистор). С ними мы и познакомимся в ходе занимательных экспериментов. Начнем с динистора.

Каждый полупроводниковый прибор из класса тиристоров представляет собой "пирог" из нескольких слоев, образующих полупроводниковую структуру из чередующихся p-n переходов. У динистора три таких перехода (рис. 1), но выводы сделаны лишь от крайних областей (p и n). Поверхность кристалла-"пирога" с электропроводностью n типа обычно припаяна ко дну корпуса это катод динистора, а вывод от противоположной поверхности кристалла выполнен через стеклянный изолятор это анод.

Занимательные эксперименты: семейство тиристоров

Внешне динистор (распространена серия КН102 с буквенными индексами АИ и его аналог с обозначением 2Н102) ничем не отличается от выпрямительных диодов серии Д226. Как и в случае с диодом, на анод динистора подают плюс напряжения питания, а на катод минус. И обязательно в цепь динистора включают нагрузку: резистор, лампу, обмотку трансформатора и т. д.

Если плавно увеличивать напряжение, ток через динистор будет вначале расти незначительно (рис. 2). Динистор при этом практически закрыт. Такое состояние продолжится до тех пор, пока напряжение на динисторе не станет равным напряжению включения Uвкл В этот момент в четырех слойной структуре наступает лавинообразный процесс нарастания тока и динистор переходит в открытое состояние. Падение напряжения на нем резко уменьшается (это видно на характеристике), а ток через динистор теперь будет определяться сопротивлением нагрузки, но он не должен превышать максимально допустимого Iоткр.макс.. Для всех динисторов серии КН102 этот ток равен 200 мА.

Занимательные эксперименты: семейство тиристоров

Напряжение, при котором динистор открывается, называют напряжением включения (Uвкл), а соответствующий этому значению ток - током включения (Iвкл).Для каждого динистора напряжение включения свое, например, для КН102А - 20 В, а для КН102И - 150 В. Ток же включения у всех динисторов серии составляет 5 мА.

В открытом состоянии динистор может находиться до тех пор, пока прямой ток через него будет превышать минимально допустимый ток Iуд, называемый током удержания.

Обратная ветвь характеристики динистора похожа на такую же ветвь обычного диода. Подача на динистор обратного напряжения выше допустимого Uобр.макс. может вывести его из строя. Для всех динисторов и Uобр.макс. составляет 10 В, при этом ток Iобр.макс. не превышает 0,5 мА.

Вот теперь, когда вы познакомились с некоторыми параметрами динистора, можете собрать два генератора и поэкспериментировать с ними.

Генератор световых вспышек (рис. 3). Он позволяет получить световые вспышки лампы накаливания. Когда вилка Х1 генератора будет вставлена в сетевую розетку, начнет заряжаться конденсатор С1 (только в положительные полупериоды). Ток зарядки ограничивается резистором R1. Как только напряжение на нем достигнет напряжения включения динистора, конденсатор разрядится через него и лампу EL1. Хотя напряжение на конденсаторе намного превышает (в 8 раз!) рабочее напряжение лампы (2,5 В), она не перегорит, поскольку длительность импульса разрядного тока слишком мала.

Занимательные эксперименты: семейство тиристоров

После разрядки конденсатора динистор закроется и конденсатор начнет заряжаться вновь. Вскоре появится новая вспышка, а за ней следующая и т. д. При указанных на схеме деталях вспышки будут следовать через каждые 0,5 с.

Замените резистор другим, скажем, меньшего сопротивления. Частота вспышек возрастет. А с резистором большего сопротивления она уменьшится. Аналогичный результат получится при уменьшении емкости конденсатора или увеличении ее.

Вернувшись к первоначальной схеме генератора, установите дополнительный конденсатор С2 (он может быть бумажный или оксидный) емкостью в несколько микрофарад на напряжение не менее 400 В. Вспышки исчезнут. Разгадка проста. Когда этого конденсатора не было, на резистор поступали Рис. 3 полупериоды сетевого напряжения, т. е. оно изменялось от нуля до максимального амплитудного значения. Поэтому после разрядки конденсатора С1 ток через динистор в какой-то момент (при переходе синусоиды через нуль) падал до нуля и динистор выключался. С подключением же конденсатора С2 напряжение на левом по схеме выводе резистора уже становится пульсирующим, поскольку конденсатор начинает выполнять роль фильтра однополупериодного выпрямителя и напряжение на нем до нуля не падает. А поэтому после открывания динистора и первой вспышки лампы через него продолжает протекать небольшой ток, превышающий ток удержания. Динистор не выключается, генератор не работает.

Правда, генератор можно заставить работать (и вы можете в этом убедиться), если увеличить сопротивление резистора, но тог-да вспышки будут следовать слишком редко. Для увеличения частоты вспышек попробуйте уменьшить емкость конденсатора С1. Произойдет следующее: запасенной конденсатором энергии будет мало для поддержания достаточной яркости вспышек.

Динистор в этом устройстве может быть, кроме указанного на схеме, КН102Б. Конденсатор С 1 - оксидный любого типа на номиналь-ное напряжение не ниже 50 В, диод - на ток не менее 50 мА и обратное напряжение не ниже 400 В, резистор - мощностью не менее 2 Вт, лампа - на рабочее напряжение 2,5 В и ток 0,26 А.

Генератор звуковой частоты (рис. 4). Его схема похожа на предыдущую, но лампа накаливания заменена более высокоомной нагрузкой - головными телефонами ТОН-2 (BF1), капсюли которого сняты с оголовья (можно и не снимать) и соединены последовательно. Емкость зарядно-разрядного конденсатора (С2) значительно уменьшена, благодаря чему возросла (до 1000 Гц) частота генерируемого сигнала. Возросло и сопротивление ограничительного резистора (R2) в цепи динистора.

Занимательные эксперименты: семейство тиристоров

Остальные элементы - это однополупериодный выпрямитель, в котором конденсатор С1 фильтрует выпрямленное напряжение, а резистор R1 способствует снижению обратного напряжения на диоде VD1. Если для питания генератора использовать переменное напряжение 45...60 В, резистор R1 не понадобится.

Конденсатор С1 может быть бумажный, например МБМ, С2 - любого типа на напряжение не ниже 50 В, диод - любой с допустимым обратным напряжением не менее 400В.

Как только вилка Х1 будет вставлена в сетевую розетку, в головных телефонах появится звук определенной тональности. Замените конденсатор С2 другим, меньшей емкости - и тональность звука повысится. Если установить конденсатор большей емкости, в телефонах будет прослушиваться звук более низкого тона. Такие же результаты получатся и при изменении сопротивления резистора R2 - проверьте это. Отметим, что в настоящее время выпускаются микросхемы, имеющие характеристики, близкие к динисторным, и в ряде случаев они могут их заменить (см. "Радио", 1998, № 5, с.59- 61).

И в заключение - несколько слов о технике безопасности. Проводя эксперименты с генераторами, не касайтесь руками выводов деталей при включенной в сеть вилке Х1, не трогайте головные телефоны, тем более не одевайте их на голову, а при всех перепайках либо подключениях деталей обесточивайте конструкцию и разряжайте (пинцетом либо отрезком монтажного провода) конденсаторы.

Следующий полупроводниковый прибор из класса тиристоров - тринистор. Его основное отличие от динистора - наличие дополнительного вывода, называемого управляющим электродом (УЭ), от одного из переходов (рис. 5) четырехслойной структуры. Что же дает этот вывод?

Занимательные эксперименты: семейство тиристоров

Предположим, что управляющий электрод никуда не подключен. В этом варианте тринистор сохраняет функции динистора и включается при достижении напряжения на аноде Uвкл (рис. 6).

Занимательные эксперименты: семейство тиристоров

Но стоит подать на управляющий электрод относительно катода хотя бы небольшое плюсовое напряжение и пропустить таким образом постоянный ток через цепь управляющий электрод - катод, как напряжение включения уменьшится. Чем больше ток, тем меньше напряжение включения.

Наименьшее напряжение включения будет соответствовать определенному максимальному току Iу.э, который называют током спрямления - прямая ветвь спрямляется настолько, что становится похожей на такую же ветвь диода.

После включения (т. е. открывания) тринистора управляющий электрод теряет свои свойства и выключить тринистор удастся либо уменьшением прямого тока ниже тока удержания Iуд, либо кратковременным отключением питающего напряжения (допустимо кратковременное замыкание анода с катодом).

Тринистор может быть открыт как постоянным током, пропускаемым через управляющий электрод, так и импульсным, причем допустимая длительность импульса составляет миллионные доли секунды!

Каждый тринистор (чаще всего вам придется встречаться с тринисторами серий КУ101, КУ201, КУ202) имеет определенные параметры, которые приводятся в справочниках и по которым обычно тринистор подбирают для собираемой конструкции. Во-первых, это допустимое постоянное прямое напряжение (Uпр ) в закрытом состоянии, а также постоянное обратное напряжение (Uобр ) - оно оговаривается не для всех тринисторов, и в случае отсутствия такой цифры подавать на данный тринистор обратное напряжение нежелательно.

Следующий параметр - постоянный ток в открытом состоянии (Iпр ) при определенной допустимой температуре корпуса. Если тринистор будет нагреваться до большей температуры, его придется установить на радиатор - об этом обычно сообщается в описании конструкции.

Не менее важен такой параметр, как ток удержания (Iуд ), характеризующий минимальный ток анода, при котором тринистор остается во включенном состоянии после снятия управляющего сигнала. Оговариваются также предельные параметры по цепи управляющего электрода - максимальный открывающий ток (Iу.от ) и постоянное открывающее напряжение (Uу.от ) при токе, не превышающем Iу.от .

При эксплуатации тринисторов серий КУ201, КУ202 рекомендуется между управляющим электродом и катодом включать шунтирующий резистор сопротивлением 51 Ом, хотя на практике в большинстве случаев наблюдается надежная работа и без резистора. И еще одно важное условие для этих тринисторов - при минусовом напряжении на аноде подача тока управления не допускается.

А теперь проведем некоторые эксперименты, позволяющие лучше понять работу тринистора и особенности управления им. Запаситесь тринистором, скажем, КУ201Л, миниатюрной лампой накаливания на 24 В, источником постоянного напряжения 18...24 В при токе нагрузки 0,15...0,17 А и источником переменного напряжения 12...14 В (например, сетевым трансформатором от старого приемника или магнитофона с двумя вторичными обмотками на 6,3 В при токе до 0,2 А, соединенными последовательно).

Как открыть тринистор (рис. 7). Движок переменного резистора R2 установите в нижнее по схеме положение, а затем подключите каскад на тринисторе к источнику постоянного тока. Нажав на кнопку SB1, плавно перемещайте движок переменного резистора вверх по схеме до тех пор, пока не зажжется лампа HL1. Это укажет на то, что тринистор открылся. Кнопку можете отпустить, лампа будет продолжать светиться.

Занимательные эксперименты: семейство тиристоров

Чтобы закрыть тринистор и привести его в исходное состояние, достаточно на короткое время отключить источник питания. Лампа погаснет. Нажав на кнопку вновь, вы откроете тринистор и зажжете лампу. Теперь попробуйте погасить ее другим способом - при отпущенной кнопке замкните на мгновенье, скажем, пинцетом, выводы анода и катода, как это показано на рис. 7 штриховой линией.

Чтобы измерить открывающий ток тринистора, включите в разрыв цепи управляющего электрода (в точке А) миллиамперметр и, плавно перемещая движок переменного резистора из нижнего положения в верхнее (при нажатой кнопке), дождитесь момента зажигания лампы. Стрелка миллиамперметра зафиксирует искомое значение тока.

А может быть, вы пожелаете узнать, каков ток удержания тринистора? Тогда включите миллиамперметр в разрыв цепи в точке Б, а последовательно с ним переменный резистор (номиналом 2,2 или 3,3 кОм), сопротивление которого вначале должно быть выведено. При открытом тринисторе увеличивайте сопротивление дополнительного резистора до тех пор, пока стрелка миллиамперметра не возвратится скачком к нулевой отметке. Показания миллиамперметра перед этим моментом и есть ток удержания.

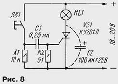
Тринистор управляется импульсом (рис. 8). Немного измените тринисторный каскад, исключив из него переменный резистор и введя конденсатор С1 емкостью 0,25 или 0,5 мкФ. Теперь на управляющий электрод постоянное напряжение не подается, хотя тринистор от этого не стал неуправляемым.

Занимательные эксперименты: семейство тиристоров

Подав на каскад питающее напряжение, нажмите на кнопку. Почти мгновенно зарядится конденсатор С1, а его ток зарядки в виде импульса пройдет через параллельно включенные резистор R2 и управляющий электрод. Но даже такого кратковременного импульса достаточно, чтобы тринистор успел открыться. Лампа зажжется и, как и в предыдущем случае, останется в таком состоянии даже после отпускания кнопки. Конденсатор разрядится через резисторы R1, R2 и будет готов к следующему пропусканию импульса тока.

Теперь возьмите оксидный конденсатор С2 емкостью не менее 100 мкФ и на мгновенье подключите его в соответствующей полярности к выводам анода и катода тринистора. Через конденсатор также пройдет импульс зарядного тока. В результате тринистор окажется зашунтирован (указанные выводы замкнуты) и, естественно, он закроется.

Тринистор в регуляторе мощности (рис. 9). Способности тринистора открываться при разном анодном напряжении в зависимости от тока управляющего электрода широко используются в регуляторах мощности, изменяющих средний ток, протекающий через нагрузку.

Занимательные эксперименты: семейство тиристоров

Чтобы познакомиться с этой "профессией" тринистора, соберите макет из деталей, показанных на схеме. В двухполупериодном выпрямителе могут работать как отдельные диоды, так и готовый диодный мост, например, серий КЦ402, КЦ405. Как видите, фильтрующего конденсатора на выходе выпрямителя нет - он здесь не нужен. Для визуального контроля протекающих в каскаде процессов подключите параллельно нагрузке (лампа HL1) осциллограф, работающий в автоматическом (либо ждущем) режиме с внутренней синхронизацией.

Установите движок переменного резистора R2 в верхнее по схеме положение (сопротивление выведено) и подайте на диодный мост переменное напряжение. Нажмите на кнопку SB1. Сразу же зажжется лампа, а на экране осциллографа появится изображение полупериодов синусоиды (диаграмма а), характерное для двухполупериодного выпрямления без сглаживающего конденсатора.

Отпустите кнопку - лампа погаснет. Все правильно, ведь тринистор закрывается, как только синусоидальное напряжение переходит через нуль. Если же на выходе выпрямителя будет установлен фильтрующий оксидный конденсатор, он не позволит выпрямленному напряжению уменьшаться до нуля (форма напряжения для этого варианта показана на диаграмме штриховой линией) и лампа не погаснет после отпускания кнопки.

Вновь нажмите на кнопку и плавно перемещайте движок переменного резистора вниз по схеме (вводите сопротивление). Яркость лампы начнет уменьшаться, а форма "полусинусоид" искажаться (диаграмма б). Теперь ток через управляющий электрод уменьшается по сравнению с первоначальным значением, а следовательно, тринистор открывается при большем питающем напряжении, т. е. часть полусинусоиды, тринистор остается закрытым. Поскольку при этом уменьшается средний ток через лампу, ее яркость уменьшается.

При дальнейшем перемещении движка резистора, а значит, уменьшении управляющего тока, тринистор может открываться лишь тогда, когда напряжение питания практически достигает максимума (диаграмма в). Последующее уменьшение тока через управляющий электрод приведет к неоткрыванию тринистора.

Как видите, изменением управляющего тока, а значит, амплитуды напряжения на управляющем электроде, удается регулировать мощность на нагрузке в достаточно широких пределах. В этом суть амплитудного метода управления тринистором.

Если же необходимо получить большие пределы регулирования, используют фазовый метод, при котором изменяют фазу напряжения на управляющем электроде по сравнению с фазой анодного напряжения.

Перейти на такой способ управления несложно - достаточно включить между управляющим электродом и катодом тринистора оксидный конденсатор С1 емкостью 100...200 мкФ. Теперь тринистор будет способен открываться при малых амплитудах анодного напряжения, но уже во второй "половине" каждого полупериода (диаграмма г). В итоге пределы изменения среднего тока через нагрузку, а значит, выделяющейся на ней мощности, значительно расширятся.

Занимательные эксперименты: семейство тиристоров

Аналог тринистора. Бывает, что приобрести нужный тринистор не удается. Его с успехом может заменить аналог, собранный из двух транзисторов разной структуры. Если на базу транзистора VT2 подать положительное (по отношению к эмиттеру) напряжение, транзистор приоткроется и через него потечет ток базы транзистора VT1. Этот транзистор также приоткроется, что приведет к увеличению тока базы транзистора VT2. Положительная обратная связь между транзисторами приведет к их лавинообразному открыванию.

Транзисторы аналога выбирают в зависимости от максимального тока нагрузки и питающего напряжения. На управляющий переход как аналога, так и тринистора подают напряжение (или импульсный сигнал) только положительной полярности. Если по условиям работы конструируемого устройства возможно появление отрицательного сигнала, следует защищать управляющий электрод, например, включением диода (катодом - к управляющему электроду, анодом - к катоду тринистора).

Последний прибор из семейства тиристоров - симистор (рис. 11), симметричный тиристор. Как и тринистор, он выполнен в аналогичном корпусе с такими же выводами анода, управляющего электрода и катода. Симистор имеет сложную многослойную структуру с электронно-дырочными переходами. От одного из переходов сделан управляющий вывод (УЭ).

Занимательные эксперименты: семейство тиристоров

Поскольку обе крайние области структуры обладают проводимостью одного типа, то при наличии соответствующего напряжения на электродах симистора импульсы тока могут проходить через него в обоих направлениях.

Распространенные симисторы, с которыми вам придется встречаться в радиолюбительской практике, - серии КУ208.

Автор: Б.Иванов

Смотрите другие статьи раздела Начинающему радиолюбителю.

Читайте и пишите полезные комментарии к этой статье.

<< Назад

Последние новости науки и техники, новинки электроники:

Власть является ключевым фактором счастья в отношениях 11.03.2026

Исследования семейных и романтических отношений показывают, что длительное счастье пары зависит не только от привычных факторов, таких как доверие, уважение и преданность, но и от более тонких психологических аспектов. Современные ученые ищут закономерности, которые отличают действительно счастливые пары от остальных, чтобы понять, какие механизмы поддерживают гармонию в отношениях. Группа исследователей из Университета Мартина Лютера в Галле-Виттенберге и Бамбергского университета провела опрос среди 181 пары, которые состояли в совместных отношениях более восьми лет и прожили вместе хотя бы месяц. Участники заполняли анкету, описывая различные аспекты своих отношений, включая распределение обязанностей, эмоциональную поддержку и степень вовлеченности в совместные решения. Анализ данных показал интересный паттерн: пары, где оба партнера ощущали высокий уровень личной власти, оказывались наиболее счастливыми и удовлетворенными. В данном контексте под властью понимается способност ...>>

Защищенная колонка-повербанк Anker Soundcore Boom Go 3i 11.03.2026

Компания Anker представила новую модель линейки Soundcore - колонку Soundcore Boom Go 3i, ориентированную на активное использование на улице. Новинка отличается высокой степенью защиты: корпус соответствует стандарту IP68, что обеспечивает водо- и пыленепроницаемость, а ударопрочный дизайн выдерживает падение с высоты до одного метра. За качество звука отвечает 15-ваттный драйвер, обеспечивающий пик громкости до 92 дБ, а технология BassUp 2.0 усиливает низкие частоты, делая звучание более насыщенным. Колонка обладает автономностью до 24 часов, а LED-индикатор позволяет контролировать уровень заряда батареи. Кроме того, Soundcore Boom Go 3i может выполнять функцию павербанка: согласно внутренним тестам, устройство способно зарядить iPhone 17 с нуля до 40% за один час, что делает его полезным аксессуаром в походах и поездках. Среди функциональных особенностей модели стоит выделить технологию Auracast, которая улучшает подключение и позволяет создавать стереопару из двух колонок ...>>

Раннее воздержание от алкоголя перестраивает мозг и иммунитет 10.03.2026

Алкогольная зависимость - хроническое расстройство с компульсивным употреблением спиртного, которое влияет не только на поведение, но и на функционирование мозга и иммунной системы. Недавние исследования показали, что даже на ранних этапах воздержания организм начинает перестраиваться, открывая новые возможности для терапии зависимости. Ученые сосредоточились на пациентах, находящихся в первые недели абстиненции, и зафиксировали значительные изменения в мозговой активности. С помощью функциональной магнитно-резонансной томографии они выявили перестройку сетей нейронных связей, отвечающих за контроль импульсов и принятие решений. Эти изменения могут быть ключевыми для восстановления самоконтроля и снижения риска рецидива. Одновременно с нейронной перестройкой исследователи наблюдали колебания иммунной системы. В крови повышался уровень цитокинов - сигнальных белков, регулирующих воспалительные процессы. Эти данные свидетельствуют о существовании нейроиммунного взаимодействия, при ...>>

Случайная новость из Архива

Новый уникальный тип магнита 15.02.2019

Специалисты по химическому инжинирингу из Университета Нью-Йорка, США, продемонстрировали свой новый, необычный проект уникального типа магнита, открытого не так давно в ходе параллельного исследования свойств некоторых видов урана и сурьмы. Специалисты определили новый тип магнита в качестве "магнит-фуфайка", назвав его так потому, что данный тип магнита обладает уникальным качеством изменять свои магнитные свойства, переключаясь от намагниченного состояния к размагниченному. Стоит отметить, что нахождение данного нового типа магнита имеет первостепенное значение для улучшения качества и надежности современных жестких дисков.

В принципе, это же относится и к любому другому записывающему оборудованию. Само нахождение нового магнита было связано с исследованием некоторых конфигураций сурьмы и урана - тогда ученые сумели выявить прототип-магнит Usb2, в котором электроны формировались не стандартным образом, как это обычно бывает в магнитах, а посредством своего рода наслоения и переложения. Что и позволяет новому Usb2-магниту демонстрировать одновременно свойства заряженного и разряженного магнита, в зависимости от того, что конкретно необходимо пользователю.

Соединяясь между собой, электроны в представленном магните формируют нечто вроде разрозненного магнетического поля, в котором управление переключением производится при помощи стандартных триггеров - в этом отношении управление осуществляется традиционными и легкими способами.

Данный тип магнита-фуфайки наверняка станет отличным подспорьем для существенного технического улучшения текущих технологий и способов создания жестких дисков и прочего запоминающего оборудования - в частности, сделав это оборудование более надежным, устойчивым к различным видам деформации и более длительно живущим, что весьма и весьма важно.

Другие интересные новости:

▪ Lenovo ThinkPad X1

▪ Защищенный планшет Getac EX80

▪ Предложен способ охлаждения Земли

▪ Одобрено выращивание ГМО-помидоров, спасающих от рака, диабета и слабоумия

▪ Безанодная твердотельная натриевая батарея

Лента новостей науки и техники, новинок электроники

 

Интересные материалы Бесплатной технической библиотеки:

▪ раздел сайта Искусство аудио. Подборка статей

▪ статья Линотип. История изобретения и производства

▪ статья Как баскетбол получил свое название? Подробный ответ

▪ статья Кровельщик по рулонным кровлям и кровлям из штучных материалов. Типовая инструкция по охране труда

▪ статья Телевизионная антенна качественного приема. Энциклопедия радиоэлектроники и электротехники

▪ статья Измерить параметры антенны? Совсем не сложно! Энциклопедия радиоэлектроники и электротехники

Оставьте свой комментарий к этой статье:

Имя:


E-mail (не обязательно):


Комментарий:





Главная страница | Библиотека | Статьи | Карта сайта | Отзывы о сайте

www.diagram.com.ua

www.diagram.com.ua
2000-2026