Menu Home

Бесплатная техническая библиотека для любителей и профессионалов Бесплатная техническая библиотека


Занимательные эксперименты: знакомимся с диодом. Энциклопедия радиоэлектроники и электротехники

Бесплатная техническая библиотека

Энциклопедия радиоэлектроники и электротехники / Начинающему радиолюбителю

Комментарии к статье Комментарии к статье

Диод - простейший полупроводниковый прибор, пропускающий электрический ток в одном направлении - от анода к катоду. И тем не менее он весьма интересен и широко используется в радиоэлектронике. Подтверждением сказанному послужат предлагаемые эксперименты.

Сразу оговоримся, что для экспериментов возьмем две разновидности диодов - германиевый и кремниевый, наиболее распространенных серий: Д9 и КД105 (рис. 1). Их характеристики - зависимость прямого тока (Iпр), т. е. тока через диод в прямом направлении (от анода к катоду), от прямого напряжения (Uпр), приложенного к диоду (измеряют между выводами анода и катода), несколько отличаются. Кремниевый диод начинает открываться при большем напряжении по сравнению с германиевым (см. рис. 1), поэтому характеристика у германиевого диода значительно плавнее - эта особенность иногда используется при конструировании тех или иных устройств.

Занимательные эксперименты: знакомимся с диодом

Электронная защита. Начните с простого эксперимента (рис. 2,а): возьмите батарею GB1 напряжением 4,5 В (типа 3336) и подключите к ней вольтметр PV1 (в этом режиме должен работать авометр Ц20) через кремниевый диод VD1. Что показала стрелка вольтметра? Напряжение, близкое к напряжению батареи, но не равное ему (о причине этого - немного позже). При включении германиевого диода вместо кремниевого вольтметр покажет напряжение, практически равное напряжению батареи.

Занимательные эксперименты: знакомимся с диодом

В обоих вариантах диод включен в прямом направлении, через него протекает ток около двух десятков микроампер, прямое напряжение, падающее на диоде, мало по сравнению с напряжением батареи.

А теперь измените полярность подключения выводов батареи. Анод диода окажется соединенным с минусовым выводом батареи, т. е. диод будет включен в обратном направлении. Если он кремниевый, стрелка вольтметра не шелохнется, поскольку его сопротивление при таком включении практически бесконечно. С германиевым положение иное. К примеру, диод серии Д9 обладает обратным сопротивлением около 2 МОм, а входное сопротивление Ц20 на диапазоне 10 В составляет 200 кОм. Поэтому стрелка вольтметра зафиксирует напряжение примерно в 10 раз меньшее по сравнению с напряжением источника питания. Но стоит перейти на меньший диапазон измерений, как упадет и измеряемое вольтметром напряжение - ведь входное сопротивление прибора станет меньше, а значит, изменится коэффициент передачи делителя, образованного обратным сопротивлением диода и входным сопротивлением вольтметра.

Какой вывод следует из этого эксперимента? Диод способен защитить нагрузку от случайной подачи на нее напряжения обратной полярности. Многие годы назад радиолюбители встраивали в некоторые конструкции, в частности в малогабаритные транзисторные радиоприемники, диод в цепь питания. В результате удавалось избежать неприятностей (выхода из строя транзисторов) при неправильном подключении источника питания. Подобная защита может быть использована вами в различных разработках.

Однако возникает вопрос: почему такой защиты не встретишь в современных конструкциях? Ответить на него поможет эксперимент, для которого понадобятся батарея на 4,5 В, диод (германиевый и кремниевый) и два вольтметра (рис. 2,б). Вольтметр PV1 контролирует напряжение источника питания, a PV2 - напряжение на нагрузке, которую защищает диод. Пока сопротивление нагрузки (в данном случае входное сопротивление вольтметра) велико, через германиевый диод протекает незначительный ток и падения напряжения на нем практически нет. На вольтметрах будут одинаковые показания.

Подключите параллельно вольтметру PV2 постоянный резистор сопротивлением 1 кОм - стрелка вольтметра зафиксирует уменьшение напряжения на нагрузке. А при подключении резистора сопротивлением 430 Ом напряжение станет еще меньше из-за большего прямого напряжения на диоде.

Когда же вы установите на место VD1 кремниевый диод, напряжение на вольтметре PV2 будет меньше, чем на PV1, даже без подключенного резистора. Объяснить это нетрудно, если сравнить характеристики диодов (см. рис. 1). При одном и том же даже слабом прямом токе прямое напряжение на германиевом диоде меньше, чем на кремниевом. Подключение сопротивления вызывает увеличение прямого напряжения диода, а значит, уменьшение напряжения на нагрузке.

Правда, прямое напряжение не превышает 1 В при возрастании прямого тока через кремниевый диод серии КД105 до 300 мА (для Д9 - от 10 до 90 мА в зависимости от конкретного типа диода). И все же потеря его при питании конструкции напряжением 9; 4,5 и особенно 3 В ощутима. Вот почему такой способ защиты не нашел широкого применения.

В радиолюбительской практике бывает необходимо защитить входные цепи устройств, работающих с малыми сигналами, от случайного попадания повышенного напряжения. В таких случаях приходится вспомнить о кремниевом диоде, который начинает пропускать ток лишь с определенного напряжения. Ведь на его характеристике начальный участок проходит по горизонтальной оси. Это свойство диода и используется для работы его в качестве элемента электронной защиты.

Убедиться в сказанном позволит эксперимент (рис. 2, в), для проведения которого понадобятся, кроме кремниевого диода, постоянный и переменный резисторы, батарея 3336, выключатель и вольтметр постоянного тока с диапазоном измерений, например, 3 В (авометр Ц20).

Установив вначале движок переменного резистора R1 в нижнее по схеме положение, подают выключателем SA1 напряжение питания. Плавно перемещая движок резистора вверх, наблюдают за плавным ростом напряжения на диоде по отклонению стрелки вольтметра. При напряжении примерно 0,6 В прирост напряжения на вольтметре начнет уменьшаться, а вскоре стрелка прибора практически остановится (при напряжении примерно 0,7...0,8 В) и останется в таком состоянии даже тогда, когда движок переменного резистора окажется в верхнем по схеме положении, т. е. на устройство защиты будет подано 4,5 В.

Что же произошло? До определенного напряжения диод был закрыт и вольтметр измерял напряжение, снимаемое с движка переменного резистора. А затем диод начал открываться и шунтировать вольтметр, который в данном случае имитирует защищаемую цепь. С ростом напряжения увеличивался ток через диод, а значит, возрастало и его шунтирующее действие. Вскоре диод открылся настолько, что стал полностью шунтировать вольтметр. Напряжение на диоде остается стабильным несмотря на изменения внешнего напряжения (снимаемого с движка переменного резистора) из-за падения излишка напряжения на резисторе R2.

В данном случае диод защищает от случайного повышения напряжения определенной полярности. Если же нужно защитить цепь от скачков разнополярного напряжения, ставят два параллельно включенных диода - один в прямом, а другой в обратном направлениях.

Возможна такая ситуация, когда требуется защита, "срабатывающая" при большем напряжении, чем обеспечивает один диод. Тогда ставят два или больше последовательно соединенных диода (рис. 2, г). Проведите испытания с таким вариантом и сами убедитесь в сказанном.

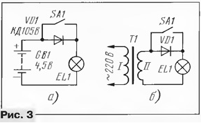
Регулятор яркости. Как известно, в плоском карманном фонаре используется батарея 3336 напряжением 4,5 В и лампа на 3,5 В. При свежей батарее лампа светит весьма ярко. Если нужно, яркость можно несколько уменьшить, включив в ее цепь кремниевый диод VD1 и дополнительный выключатель SA1 (рис. 3,а). Смонтируйте этот узел на макете и убедитесь в его действии.

Занимательные эксперименты: знакомимся с диодом

Когда контакты выключателя замкнуты, яркость лампы EL1 наибольшая. Стоит установить переключатель в положение разомкнутых контактов, как в работу вступает диод. Прямое напряжение на нем уменьшает напряжение на лампе, и ее яркость снижается.

Эффективнее работает диод в цепи переменного тока (рис. 3,б), которым может питаться, скажем, ночник. Здесь при размыкании контактов выключателя SA1 происходит большее снижение напряжения (среднего напряжения) на лампе из-за проявления свойства диода - пропускать ток в одном направлении, в данном случае только при положительных полупериодах переменного напряжения на аноде диода.

Трансформатор следует подобрать такой, чтобы напряжение на обмотке II не превышало напряжения, на которое рассчитана лампа накаливания.

Управление лампами по двум проводам. Как быть, если нужно включать по отдельности две лампы, расположенные в удалении от выключателя и соединенные с ним только двухпроводной линией? Вспомните в этом случае о диоде.

При питании линии постоянным током (рис. 4, а) понадобятся два диода - их включают каждый в цепь "своей" лампы, но в разных направлениях: один в прямом, другой в обратном. Когда переключатель SA1 стоит в показанном на схеме положении, ток протекает через диод VD1 и лампу EL1 - она горит. При установке переключателя в другое положение ток потечет только через диод VD2 и лампу EL2. Лампа EL1 погаснет, a EL2 зажжется.

Занимательные эксперименты: знакомимся с диодом

Если проводка питается переменным током, двумя диодами не обойтись, поскольку каждый из них хотя и будет работать при "своем" полупериоде, лампы вспыхнут одновременно. Поэтому придется добавить еще два диода (рис. 4,б) и в цепь каждого из них поставить отдельный выключатель.

Чтобы зажечь лампу EL1, нужно замкнуть контакты выключателя SA2, а для зажигания только лампы EL2 - выключателя SA2. При замыкании же контактов обоих выключателей зажгутся все лампы. Просто и удобно.

Правда, лампы будут светить вполнакала, поскольку через каждую из них ток протекает только при одном полупериоде переменного напряжения на вторичной обмотке трансформатора Т1. Для сохранения прежней яркости освещения (такой, что была бы при прямом подключении лампы к трансформатору) можно рекомендовать применение ламп большей мощности.

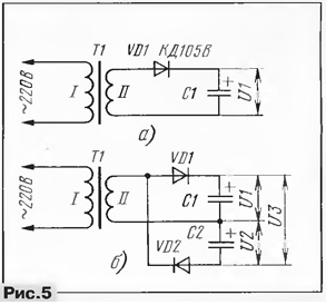
Удвоитель напряжения. Устройство, схема которого показана на рис. 5,а, - однополупериодный выпрямитель. Постоянное напряжение U1 на конденсаторе С1 будет превышать переменное напряжение, измеряемое вольтметром переменного тока на вторичной обмотке трансформатора, примерно в 1,4 раза, т. е. оно будет соответствовать амплитудному значению полуволны переменного синусоидального напряжения.

Занимательные эксперименты: знакомимся с диодом

Постоянное напряжение на выходе выпрямителя нетрудно увеличить практически вдвое (рис. 5,б), если добавить еще один диод(\/02) и конденсатор (С2). Теперь получится выпрямитель, работающий при обеих полуволнах переменного напряжения. Во время положительных полуволн на верхнем по схеме выводе обмотки II трансформатора будет заряжаться конденсатор С1, а во время отрицательных - С2. Поскольку конденсаторы включены последовательно, напряжения на них (U1 и U2) сложатся и итоговое напряжение (U3) получится вдвое больше, чем на каждом из конденсаторов. Поэтому такой выпрямитель называют выпрямителем с удвоением напряжения. Он реализуется в тех случаях, когда понижающий трансформатор имеет только одну вторичную обмотку.

Для проведения эксперимента подойдет любой понижающий сетевой трансформатор с напряжением на вторичной обмотке 6...10 В. Диоды могут быть, кроме указанных на схеме, любые выпрямительные, кремниевые или германиевые (подойдут даже любые из серии Д9). Конденсаторы - любые оксидные, емкостью не менее 10 мкФ на номинальное напряжение не менее удвоенного переменного напряжения на вторичной обмотке трансформатора.

Диодный пробник. Как определить концы двухпроводной линии связи, проложенной, скажем, между двумя комнатами квартиры?

Занимательные эксперименты: знакомимся с диодом

Омметром здесь, конечно, не воспользуешься, поскольку не хватит длины его щупов. На помощь вновь приходит диод (рис. 6). Его подключают к концам проводов линии (ее можно сымитировать собранным в комок двухжильным сетевым проводом) в одной комнате и помечают провод, с которым соединен анод диода. В другой же комнате к концам проводов подключают сначала в одной, а затем в другой полярности щупы ХР1 и ХР2 сигнального устройства, собранного из батареи 3336 и лампы накаливания на напряжение 3,5 В.

В одном из вариантов подключения лампа вспыхнет, что укажет на прохождение тока через линию связи и диод. А это, в свою очередь, позволит засвидетельствовать, что концы, с которыми соединены анод диода и цепь плюсового вывода батареи, принадлежат одному и тому же проводу.

Диод для эксперимента может быть любой кремниевый или германиевый, рассчитанный на прохождение через него тока, превышающего ток лампы накаливания.

Автор: В.Поляков, г.Москва

Смотрите другие статьи раздела Начинающему радиолюбителю.

Читайте и пишите полезные комментарии к этой статье.

<< Назад

Последние новости науки и техники, новинки электроники:

Питомцы как стимулятор разума 06.10.2025

Помимо эмоциональной поддержки, домашние питомцы могут оказывать заметное воздействие на когнитивные процессы, особенно у пожилых людей. Новое масштабное исследование показало, что общение с кошками и собаками не просто улучшает настроение - оно действительно способствует замедлению возрастного снижения умственных способностей. Работа проводилась в рамках проекта Survey of Health, Ageing and Retirement in Europe (SHARE), охватывающего период с 2004 по 2022 год. В исследовании приняли участие тысячи европейцев старше 50 лет. Анализ показал, что владельцы домашних животных демонстрируют более устойчивые когнитивные функции по сравнению с теми, кто не держит питомцев. Особенно выражен эффект оказался у владельцев кошек и собак. Согласно данным ученых, владельцы собак дольше сохраняют хорошую память, в то время как хозяева кошек медленнее теряют способность к быстрому речевому взаимодействию. Исследователи связывают это с тем, что ежедневное взаимодействие с животными требует внимани ...>>

Мини-ПК ExpertCenter PN54-S1 06.10.2025

Компания ASUSTeK Computer презентовала новый мини-компьютер ASUS ExpertCenter PN54-S1. Устройство ориентировано на пользователей, которым важно сочетание производительности, энергоэффективности и универсальности - от офисных задач до мультимедийных проектов. В основе ExpertCenter PN54-S1 лежит современная аппаратная платформа AMD Hawk Point, использующая архитектуру Zen 4. Это поколение чипов отличается улучшенным управлением энергопотреблением и повышенной вычислительной мощностью. Новинка доступна в конфигурациях с процессорами Ryzen 7260, Ryzen 5220 и Ryzen 5210, представленных AMD в начале 2025 года. Таким образом, устройство охватывает широкий диапазон задач - от базовых офисных до ресурсоемких вычислений. Корпус мини-ПК выполнен из прочного алюминия и имеет размеры 130&#215;130&#215;34 мм, что делает его практически незаметным на рабочем столе или за монитором. Несмотря на компактность, внутренняя компоновка позволяет установить два модуля оперативной памяти SO-DIMM ...>>

Глазные капли, возвращающие молодость зрению 05.10.2025

С возрастом человеческий глаз постепенно теряет способность четко видеть на близком расстоянии - развивается пресбиопия, или возрастная дальнозоркость. Этот естественный процесс связан с утратой эластичности хрусталика и ослаблением цилиарной мышцы, отвечающей за фокусировку. Миллионы людей по всему миру сталкиваются с необходимостью носить очки для чтения или прибегают к хирургическим методам коррекции. Однако исследователи из Центра передовых исследований пресбиопии в Буэнос-Айресе представили решение, которое может стать удобной и неинвазивной альтернативой - специальные глазные капли, способные улучшать зрение на длительный срок. Разработку возглавила Джованна Беноцци, директор Центра. По ее словам, цель исследования состояла в том, чтобы предоставить пациентам с пресбиопией эффективный и безопасный способ коррекции зрения без хирургического вмешательства. Новые капли, созданные на основе пилокарпина и диклофенака, показали убедительные результаты: уже через час после первого пр ...>>

Случайная новость из Архива

Адаптивный экзокостюм для ходьбы 18.11.2021

Исследователи из Гарвардской школы инженерии и прикладных наук им. Джона А. Полсона (SEAS, США) разработали новый роботизированный экзокостюм, который может подстраиваться под конкретного человека и адаптироваться к различным задачам ходьбы. Система bioinspired использует ультразвуковые измерения динамики мышц.

Люди редко ходят с постоянной скоростью и по идеально ровной поверхности. Мы ускоряемся, когда спешим на очередную встречу, когда реагируем на сигнал пешеходного переходу. Или замедляемся, когда отправляемся на прогулку по парку. Поверхность и ее угол наклона тоже постоянно меняются, идем ли мы в поход или поднимаемся по пандусу в здание. Помимо этого, на то, как мы ходим, влияют наши физиологические особенности: пол, рост, возраст и сила мышц, а иногда и неврологические или мышечные расстройства, такие как инсульт или болезнь Паркинсона.

Из-за такой вариативности сложно разработать универсальный экзокостюм - по сути, носимого робота, - который поможет людям ходить в обычной жизни. Современных роботов-помощников для ходьбы человека нужно несколько часов настраивать - и иногда вручную. Это утомительная задача для здоровых людей и часто невозможная для пожилых людей или клинических пациентов.

Раньше при разработке индивидуальных профилей помощи для роботизированных экзокостюмов ученые делали акцент на динамические движения конечностей пользователя. Исследователи SEAS применили другой подход. Они использовали ультразвук, чтобы "заглянуть" под кожу, и напрямую измерили, как действуют мышцы пользователя во время разного типа ходьбы.

Ученые прикрепили портативную ультразвуковую систему к икрам участников исследования и визуализировали их мышцы, когда те выполняли ряд задач по ходьбе. На основе этих предварительно записанных изображений группа оценила, сколько вспомогательной силы нужно приложить параллельно с работой икроножными мышцами, чтобы компенсировать дополнительную работу мышц, когда человеку нужно оттолкнуться ногой при шаге.

Новой системе потребовалось всего несколько секунд ходьбы - или даже всего один шаг, - чтобы зафиксировать профиль мышц. Затем для каждого профиля, сгенерированного ультразвуком, исследователи измерили, сколько метаболической энергии человек использовал во время ходьбы с экзокостюмом и без него. Оказалось, что экзокостюм значительно снижает метаболическую энергию при ходьбе с разными скоростями и на разных поверхностях.

При испытаниях в реальных условиях экзокостюм смог быстро адаптироваться к изменениям скорости ходьбы и наклона поверхности.

Другие интересные новости:

▪ Гибкие тонкие аккумуляторы на основе фторида никеля

▪ Видеокарты с аппаратным ограничением майнинга

▪ Молекула для сбора и хранения солнечной энергии

▪ AMD Radeon R9 290

▪ Ультразвуковая медицина

Лента новостей науки и техники, новинок электроники

 

Интересные материалы Бесплатной технической библиотеки:

▪ раздел сайта Радиолюбительские расчеты. Подборка статей

▪ статья Электрическая овощерезка. Чертеж, описание

▪ статья Моют ли еноты свою еду? Подробный ответ

▪ статья Арматурщик. Типовая инструкция по охране труда

▪ статья Индикатор ВЧ тока на оплетке кабеля. Энциклопедия радиоэлектроники и электротехники

▪ статья Вопросы проектирования усилителей с общей ООС. Энциклопедия радиоэлектроники и электротехники

Оставьте свой комментарий к этой статье:

Имя:


E-mail (не обязательно):


Комментарий:





Главная страница | Библиотека | Статьи | Карта сайта | Отзывы о сайте

www.diagram.com.ua

www.diagram.com.ua
2000-2025