Menu Home

Бесплатная техническая библиотека для любителей и профессионалов Бесплатная техническая библиотека


Узел пусковой задержки искрообразования. Энциклопедия радиоэлектроники и электротехники

Бесплатная техническая библиотека

Энциклопедия радиоэлектроники и электротехники / Автомобиль. Зажигание

Комментарии к статье Комментарии к статье

Легкие отечественные мотоциклы с одноцилиндровым двигателем ("Минск", "Восход", "Сова", "Курьер") оснащены генератором переменного тока и бесконтактной электронной системой зажигания. Для упрощения конструкции угол опережения зажигания установлен постоянным, оптимизированным под средние обороты коленчатого вала (частота вращения - 2000...2500 мин"1). Это приводит к ряду негативных последствий, из которых, пожалуй, самое неприятное и даже опасное - сильная отдача (обратный удар) пускового рычага в ногу при запуске. Отдача может быть весьма болезненной и чреватой серьезными травмами.

Причина описанного явления - слишком раннее для пускового режима двигателя (500...600 мин"1) возникновение запальной искры. Установка меньшего угла опережения зажигания устранила бы обратные удары пускового рычага и облегчила запуск двигателя, но тогда он будет плохо набирать обороты, потеряет мощность, будет дымить и перегреваться.

Избавиться от обратных ударов при запуске двигателя, не ухудшая его работы на больших оборотах, можно, если вводить задержку искрообразования только на время запуска. Для этой цели предлагаю использовать простое устройство, схема которого показана на рисунке. Оно не требует никаких переделок генератора и блока зажигания, но эффективно решает поставленную задачу.

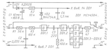
Узел пусковой задержки искрообразования

Блок зажигания подключен к генератору тремя проводами с помощью разъемного соединения ножевого типа. Буквой "0" обозначен провод от обмотки генератора, "Д" - от индукционного датчика импульсов зажигания, "М" - общий. Форма импульсов датчика близка к прямоугольной. По положительному перепаду этих импульсов открывается коммутирующий тринистор блока зажигания, формирующий совместно с катушкой зажигания высоковольтные запальные импульсы.

Длительность импульсов датчика такова, что если открывать тринистор по отрицательному перепаду тех же импульсов, то это в конечном счете обеспечит необходимое запаздывание искры. Говоря иначе, произойдет уменьшение угла опережения зажигания. Получающейся задержки зажигания вполне достаточно для легкого запуска и работы двигателя на холостых оборотах.

Принцип работы описываемого узла состоит в соответствующем преобразовании импульсов, поступающих от датчика зажигания. Амплитуда импульсов датчика примерно пропорциональна частоте вращения коленчатого вала, а частота импульсов равна частоте вращения, поэтому интегрирующая цепь R1C2 обеспечивает эффективное нормирование амплитуды сигнала, подаваемого на преобразователь, собранный на микросхеме DD1. Кроме того, цепь R1C2 подавляет паразитные импульсы меньшей амплитуды, возникающие на выходе датчика в паузах между рабочими из-за особенностей конструкции генератора. Она же создает дополнительную небольшую временную задержку (около 1,7 мс).

Триггер Шмитта DD1.1 формирует на выходе прямоугольные импульсы с крутыми фронтом и спадом. Резистор R3 защищает триггер от выбросов напряжения с датчика импульсов зажигания. По положительным перепадам импульсов триггера Шмитта (т. е. по спадам импульсов датчика зажигания) дифференцирующая цепь C3R4 и триггер-инвертор DD1.2 формируют короткие (около 25 мкс) отрицательные импульсы. Столь малая длительность импульсов выбрана с целью уменьшения среднего потребляемого узлом тока.

Эти импульсы после инвертирования и умощнения четырьмя инверторами DD1.3-DD1.6, включенными параллельно, поступают на блок зажигания через токоограничительный резистор R5 и контакты нажатой кнопки SB1. При отпущенной кнопке сигнал с датчика приходит к блоку зажигания в обход узла задержки.

Узел питается от бортовой сети через однополупериодный выпрямитель на диоде VD1 и параметрический стабилизатор VD2R2. Конденсаторы С1 и С4 - сглаживающие.

Непосредственно перед запуском двигателя нажимают на кнопку SB1, а после того как двигатель заработает, кнопку отпускают.

Учитывая дефицит свободного места на мотоцикле, при выборе деталей для изготовления устройства следует отдать предпочтение наиболее миниатюрным. Конденсаторы С2, C3 должны иметь температурную стабильность не хуже НЗО. Если предполагается использовать импортные конденсаторы С2 и C3, то они должны быть с диэлектриком не хуже X7R. Других требований к деталям нет. Стабилитрон 1N4734A можно заменить на КС156Г. Кнопка SB1 -КМ1-1.

Микросхему МС14584 возможно заменить на ее аналог CD4584; подойдут также микросхемы МС14106 и CD4106 - шесть триггеров Шмитта. Не исключено использование отечественных микросхем КР1564ТЛ2 и К561ТЛ1, но в этом случае перед тем, как подать импульсы на переключатель SB1, их необходимо усилить по току. Для этого придется собрать выходной эмиттерный повторитель на транзисторе КТ315Е (или КТ3102Б).

Я собрал узел в корпусе миниатюрной телефонной розетки (с одним разъемом). Монтаж - навесной, на выводах микросхемы. Провода и контакты из розетки удалил, а винты использовал для фиксации входного и выходного жгутов. После проверки на работоспособность монтаж залил эпоксидным компаундом. Готовый узел разместил вблизи разъема блока зажигания.

Кнопку удобнее всего разместить на левой рукоятке руля, под переключателем света, на Г-образном кронштейне.

Если при нажатой кнопке запущенный двигатель работает только на холостых оборотах и останавливается при попытке добавить оборотов, необходимо заменить резистор R1 на другой, меньшего сопротивления.

Опыт эксплуатации узла задержки искрообразования показал его хорошую надежность и эффективное избавление от обратных ударов. Несмотря на то что эти удары не исчезли полностью (очевидно, есть и другие обстоятельства, способствующие их возникновению, например, обедненная горючая смесь), процесс запуска двигателя стал гораздо более комфортным - вместо частых и сильных ударов изредка бывают довольно мягкие толчки. Это, кстати, дало возможность установить опережение зажигания более раннее, чем рекомендовано заводом-изготовителем машины, и получить заметный прирост ее скорости и динамики разгона.

Автор: Ф. Касаткин, г. Санкт-Петербург; Публикация: radioradar.net

Смотрите другие статьи раздела Автомобиль. Зажигание.

Читайте и пишите полезные комментарии к этой статье.

<< Назад

Последние новости науки и техники, новинки электроники:

Токсичность интернета преувеличена 07.01.2026

Социальные сети нередко воспринимаются как арена постоянной агрессии, оскорблений и распространения фейковой информации. Новое исследование Стэнфордского университета показывает, что реальность значительно отличается от популярного представления: интернет гораздо менее токсичен, чем многие пользователи считают. Ученые опросили более тысячи американцев, попросив их оценить долю пользователей соцсетей, которые ведут себя агрессивно или распространяют ненависть. Оказалось, что впечатления людей сильно преувеличивают масштабы проблемы. Например, респонденты считали, что почти половина пользователей Reddit хотя бы раз оставляла оскорбительные комментарии, тогда как фактические данные платформы показывают, что таких людей не более 3%. Аналогичная ситуация наблюдается с дезинформацией. Опрос показал, что большинство участников считали почти половину аудитории Facebook распространителями фейковых новостей, однако статистика говорит об обратном: фактическая доля таких пользователей состав ...>>

Процессоры Ryzen AI 400 07.01.2026

Современные вычисления все больше ориентируются на интеграцию искусственного интеллекта и высокую производительность в компактных устройствах, таких как ноутбуки и мини-ПК. Новая линейка процессоров AMD Ryzen AI 400 демонстрирует, как разработчики объединяют мощные центральные ядра, графику и нейросетевые ускорители в одном чипе, чтобы удовлетворять растущие потребности пользователей в играх, контенте и ИИ-приложениях. AMD представила процессоры серии Gorgon Point, которые включают до 12 ядер Zen 5 и до 24 потоков вычислений. Чипы поддерживают интегрированную графику RDNA 3.5, обеспечивают максимальную тактовую частоту до 5,2 ГГц и имеют энергопотребление от 15 Вт до 54 Вт. Особое внимание уделено NPU, способному обрабатывать до 60 триллионов операций в секунду (TOPS), что делает эти процессоры эффективными для задач с искусственным интеллектом. Конструкция Ryzen AI 400 сочетает ядра Zen 5 и Zen 5c, обеспечивая высокую гибкость и производительность. Несмотря на то, что архитектур ...>>

Женщины лучше распознают признаки болезни по лицу 06.01.2026

Способность распознавать, что кто-то нездоров, часто проявляется интуитивно: бледная кожа, опущенные веки, уставшее выражение лица могут сигнализировать о недомогании. Новое исследование международной группы ученых показало, что женщины в среднем точнее мужчин улавливают такие тонкие невербальные признаки болезни, что может иметь эволюционные и социальные объяснения. В отличие от предыдущих работ, где использовались отредактированные фотографии или имитация больных лиц, ученые решили проверить, насколько люди способны распознавать естественные признаки недомогания. Такой подход позволил оценить реальную чувствительность к изменениям в лицах, возникающим при болезни. В исследовании приняли участие 280 студентов, поровну мужчин и женщин. Участникам предложили оценить 24 фотографии, на которых изображены люди как в здоровом состоянии, так и во время болезни. Это дало возможность сравнить восприятие естественных признаков недомогания в реальных лицах. Для анализа состояния каждого ...>>

Случайная новость из Архива

Сало из пробирки 09.06.2023

Ученые американского Университета Тафтса освоили совершенно новый метод выращивания жировых клеток и формирование из них готового продукта, похожего на жир животного происхождения. Это позволит дополнить искусственное мясо искусственными жирами.

Технология получения искусственного мяса обещает обеспечить человечество вкусным и полезным продуктом без ущерба окружающей среде и уничтожению животных.

Ранее биологи уже научились выращивать мышечную ткань разных видов животных. Некоторые из этих продуктов уже получили разрешение на использование и производят для поставки в магазины и рестораны. Однако подлинный вкус, текстура и питательность мяса остаются неполными без определенного количества жира. Тесты показывают, что самым вкусным мясом потребители называют говядину, содержащую примерно 36% жира. Дополнить диетическое искусственное мясо поможет новый метод, позволяющий выращивать жировую ткань.

Чтобы культивировать клетки "в пробирке", их нужно постоянно подпитывать питательными веществами и кислородом. В живом организме это происходит благодаря постоянному движению крови сосудистой сетью, охватывающей все части тела. В искусственных условиях воспроизвести такую систему пока не удается, поэтому ткань выращивают крошечными плоскими фрагментами.

Команда профессора Давида Каплана научилась не только получать такие кусочки жировой ткани, но и совмещать их в готовом продукте. Для экспериментов ученые использовали адипоциты, которые накапливают жиры клеток у мышей и свиней. Вырастив небольшие образцы, их собирали и смешивали с альгинатом, а также с mTG (микробной трансглутаминазой).

Все эти вещества неоднократно проверены и признаны безопасными для использования в пищевой промышленности. А для клеток жировой ткани они являются связующим звеном, позволяющим формировать из миниатюрных плоских фрагментов целый продукт.

"Жировая ткань - это преимущественно клетки с минимальным количеством других структурных компонентов. Поэтому мы решили, что если их удастся связать вместе, то этого будет достаточно, чтобы воспроизвести и вкус, и питательность, и текстуру натурального животного жира", - рассказали авторы. исследование.

Опыты подтвердили теорию ученых, и структура искусственного жира выдерживала такое же давление, как и природный говяжий или свиной жир. Текстура, благодаря компонентам, оказалась чуть более мягкой, ближе к топленому жиру. Но комбинации добавок позволяют ученым усовершенствовать формулу и настроить текстуру готового продукта.

Другие интересные новости:

▪ USB-микрофон студийного уровня Roccat Torch

▪ Гарнитура дополненной реальности Glass Enterprise Edition 2

▪ Приемник беспроводного питания Toshiba TC7761WBG

▪ Антропоцентризм

▪ Осциллограф ScopeMeter 190

Лента новостей науки и техники, новинок электроники

 

Интересные материалы Бесплатной технической библиотеки:

▪ раздел сайта Радиолюбителю-конструктору. Подборка статей

▪ статья Один в четырех каретах. Крылатое выражение

▪ статья Что такое приливная волна? Подробный ответ

▪ статья Жимолость татарская. Легенды, выращивание, способы применения

▪ статья Адаптер порта IrDA для компьютера. Энциклопедия радиоэлектроники и электротехники

▪ статья Микроконтроллеры STM32 и отладочные платы для них. Энциклопедия радиоэлектроники и электротехники

Оставьте свой комментарий к этой статье:

Имя:


E-mail (не обязательно):


Комментарий:





Главная страница | Библиотека | Статьи | Карта сайта | Отзывы о сайте

www.diagram.com.ua

www.diagram.com.ua
2000-2026