Menu Home

Бесплатная техническая библиотека для любителей и профессионалов Бесплатная техническая библиотека


Автомобильный тахометр

Бесплатная техническая библиотека

Энциклопедия радиоэлектроники и электротехники / Автомобиль. Электронные устройства

Комментарии к статье Комментарии к статье

Предлагаемый прибор весьма прост по схеме, но обладает хорошими техническими характеристиками, собран на доступных компонентах. Тахометр может оказаться очень полезным при регулировочных операциях с электронными блоками зажигания двигателя автомобиля, при точной установке порогов срабатывания экономайзера и др. А вот целесообразность использования цифрового тахометра в качестве бортового (установленного на приборном щитке) мы бы поставили под большое сомнение, и об этом в журнале "Радио" была в свое время помещена статья А. Межлумяна "Цифровая или аналоговая?" -1986, № 7, с. 25, 26.

Тахометр предназначен для измерения частоты вращения коленчатого вала четырехцилиндрового автомобильного бензинового двигателя. Прибор может быть использован как для регулировочных работ на холостом ходе, так и для оперативного контроля частоты вращения вала двигателя во время движения.

Цикл измерения равен 1 с, причем время индикации также равно 1 с, т. е. в течение времени индикации происходит очередное измерение, смена показаний индикатора происходит один раз в секунду. Максимальная погрешность измерения 30 мин~1, число разрядов индикатора - 3; переключения пределов измерения не предусмотрено. Тахометр имеет кварцевую стабилизацию тактового генератора, поэтому погрешность измерений не зависит от температуры окружающей среды и изменений напряжения питания.

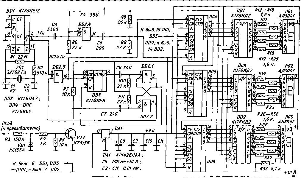
Принципиальная схема тахометра показана на рис. 1. Функционально прибор состоит из кварцованного генератора, собранного на микросхеме DD1, входного узла на транзисторе VT1, утроителя частоты входных импульсов на элементах DD2.1-DD2.3 и счетчике DD3, счетчиков DD4-DD6, преобразователей кода DD7-DD9, цифровых индикаторов HG1-HG3 и стабилизатора напряжения питания ОА1. Сигнал на входной узел тахометра поступает с контактов прерывателя.

Автомобильный тахометр
(нажмите для увеличения)

После подачи напряжения питания триггер DD2.1, DD2.2 может оказаться в любом состоянии (из двух возможных). Предположим, что на выходе элемента DD2.2 присутствует напряжение низкого уровня, которое запрещает прохождение через элемент DD2.3 импульсов частотой 1024 Гц с выхода F счетчика DD1 на счетный вход СР счетчиков D03 и DD4.

При размыкании контактов прерывателя транзистор VT1 откроется, переключит триггер DD2.1, DD2.2 и откроет элемент DD2.3. Счетчики DD3 и DD4 начнут счет импульсов частотой 1024 Гц. По спаду третьего входного импульса счетчика DD3 на его выходе 2 сформируется импульс, который переключит триггер DD2.1, DD2.2 в исходное состояние, элемент D02.3 окажется снова закрытым, а счетчик DD3 - обнуленным. При следующем импульсе с прерывателя процесс повторится. Таким образом, при каждом размыкании контактов прерывателя число, записанное в цепь счетчиков DD4-DD6, будет увеличиваться на 3.

Процесс записи будет продолжаться в течение секунды, т. е. до того момента, когда на выходе S1 счетчика DD1 появится очередной положительный перепад напряжения. В этот момент информация, накопившаяся в счетчиках DD4-DD6, будет переписана в буферные регистры преобразователей кода DD7-DD9, а вскоре счетчики DD4-DD6 обнулит по входу R сигнал с цепи C5R9. Сразу после спада импульса высокого уровня на входе счетчиков DD4-DD6 начнется новый цикл записи и т. д. Для обеспечения необходимой временной задержки между моментами перезаписи информации из счетчиков DD4-DD6 в буферные регистры преобразователя кода DD7-DD9 и обнуления счетчиков служат дифференцирующие цепи C3R6, C4R8, C5R9 и элемент DD2.4.

Утроение частоты импульсов, поступающих с прерывателя, необходимо для получения соответствия между показаниями индикатора и частотой вращения коленчатого вала двигателя в мин-1. Так как время счета входных импульсов равно 1 с, то в счетчики запишется, а затем будет выведено на индикаторы число 2N3/60, где N - частота вращения коленчатого вала в мин-1, 2N - частота искрообразования. При частоте вращения вала 3000 мин-1 показания индикатора будут 3.00.

Все детали тахометра, кроме стабилизатора напряжения DA1 и индикаторов HG1-HG3, размещены на печатной плате из двустороннего фольгированного стек-лотекстолита. Чертеж печатной платы и расположение деталей на ней представлены на рис. 2. Тахометр некритичен к типу применяемых деталей. Номиналы резисторов и конденсаторов могут отличаться от указанных на схеме на ±20 %.

Резистор R1 - КИМ, но поскольку высокоомные резисторы довольно дефицитны, на плате предусмотрены монтажные площадки для установки вместо одиночного резистора номиналом 22 МОм последовательно нескольких меньшего сопротивления.

Кварцевый резонатор ZQ1 - любой, от цифровых часов. Стабилитрон VD1 - любой малогабаритный на напряжение стабилизации 3...5 В. Микросхемы серии К176 можно заменить на соответствующие серии К561. Микросхемный стабилизатор КР142ЕН8А установлен на тепло-отвод площадью около 10 см2.

В тахометре использованы семиэлементные индикаторы АЛ304Г (высота цифр - 3 мм) с большой яркостью свечения и сравнительно небольшим потребляемым током (около 5 мА на элемент). Яркости свечения вполне достаточно для уверенного считывания информации в салоне автомобиля даже в солнечную погоду. Табло тахометра следует накрыть плотным светофильтром соответствующего цвета.

При необходимости можно использовать индикаторы и с более крупными цифрами, например, АЛС321А, АЛС321Б, АЛС324А, АЛС324Б. Ток, потребляемый каждым их элементом, значительно больше - до 20 мА, поэтому для обеспечения запаса яркости свечения выходной ток дешифраторов необходимо усилить. Схемы усилителей тока для индикаторов серий АЛС321 и АЛС324 представлены на рис. 3, а и б.

Автомобильный тахометр

Обращаем внимание на то, что при использовании индикаторов с общим катодом АЛС321А и АЛС324А на вход S преобразователей кода DD7-DD9 следует подавать напряжение низкого уровня (выводы 6 соединить с общим проводом).

Разумеется, использование крупно-знаковых индикаторов потребует коррекции печатной платы и установки стабилизатора DA1 на теплоотвод большей площади (не менее 30 см2).

Правильно собранный из исправных деталей тахометр начинает работать сразу, и табло должно высветить нулевое показание примерно через 2 с после включения питания. Если этого не произошло, следует проверить наличие секундных импульсов на выходе S1 счетчика DD1. Их отсутствие или заметное отличие периода от 1 с означает скорее всего неисправность кварцевого резонатора. Для проверки работоспособности остальных узлов тахометра можно сигнал с вывода 3 счетчика DD1 (импульсы с частотой 128 Гц) подать через резистор сопротивлением 10 кОм на базу транзистора VT1. При этом на индикаторе должно появиться число 3.84.

В автомобиле, оборудованном стандартной батарейной системой зажигания, вход тахометра подключают к выводу прерывателя. При бесконтактной электронной системе зажигания тахометр можно подключить к ее выходу, увеличив сопротивление резистора R3 до 200-250 кОм, причем этот резистор желательно установить не на плате, а в разрыв провода, идущего от платы тахометра к выходу системы зажигания. Это вызвано тем, что напряжение на выходе электронной системы зажигания может достигать 400 В и даже более, что может привести к пробоям на плате тахометра. Если электронная система зажигания работает от контактного прерывателя, то тахометр подключают к выводу прерывателя, уменьшив сопротивление резистора R3 до12 кОм.

Автор: А. Бирюков, г. Москва, Радио №11 1997; Публикация: cxem.net

Смотрите другие статьи раздела Автомобиль. Электронные устройства

Читайте и пишите полезные комментарии к этой статье.

<< Назад

Последние новости науки и техники, новинки электроники:

Алкоголь может привести к слобоумию 29.11.2025

Проблема влияния алкоголя на стареющий мозг давно вызывает интерес как у врачей, так и у исследователей когнитивного старения. В последние годы стало очевидно, что границы "безопасного" употребления спиртного размываются, и новое крупное исследование, проведенное международной группой ученых, вновь указывает на это. Работы Оксфордского университета, выполненные совместно с исследователями из Йельского и Кембриджского университетов, показывают: даже небольшие дозы алкоголя способны ускорять когнитивный спад. Команда проанализировала данные более чем 500 тысяч участников из британского биобанка и американской Программы миллионов ветеранов. Дополнительно был выполнен метаанализ сорока пяти исследований, в общей сложности включавших сведения о 2,4 миллиона человек. Такой масштаб позволил оценить не только прямую связь между употреблением спиртного и развитием деменции, но и влияние генетической предрасположенности. Один из наиболее тревожных результатов касается людей с повышенным ге ...>>

Искусственный мозговой матрикс 29.11.2025

Биоинженерия стремительно выходит за пределы традиционной работы с клетками и биоматериалами. Ученые пытаются не просто выращивать ткани, но и воссоздавать механизмы, управляющие жизнью клеток в реальном организме. Одним из наиболее амбициозных направлений стала разработка искусственных матриксов, которые могли бы подменить природную среду и дать исследователям возможность изучать работу мозга без участия биологических компонентов. На этом фоне работа специалистов Калифорнийского университета в Риверсайде представляет собой особенно заметный шаг вперед. В центре их исследования - платформа BIPORES, созданная полностью из синтетических веществ. Цель проекта заключалась в попытке смоделировать сложную, многослойную структуру внеклеточного матрикса, который в настоящем мозге обеспечивает питание, связь и организацию нервных клеток. При этом разработчики сознательно отказались от каких-либо белков, традиционно необходимых для прикрепления клеток, таких как ламинин или фибрин. Это решени ...>>

Ранняя Вселенная не была ледяной 28.11.2025

Понимание того, как формировались первые структуры во Вселенной, требует взгляда в эпохи, в которых не существовало ни звезд, ни галактик, ни привычных нам источников света. Научные группы по всему миру пытаются восстановить картину тех времен при помощи слабейших радиосигналов, оставшихся от водорода, который наполнял космос вскоре после Большого взрыва. Новые результаты, полученные на радиотелескопе Murchison Widefield Array в Австралии, неожиданным образом меняют представление об этих ранних этапах. Сразу после Большого взрыва, произошедшего около 13,8 миллиарда лет назад, пространство стремительно расширялось и остывало. Через несколько сотен тысяч лет образовался нейтральный водород, и началась так называемая эпоха тьмы, когда Вселенная была лишена источников излучения. Лишь значительно позже гравитация собрала газ в плотные области, где зародились первые звезды и ранние черные дыры, а их интенсивное излучение привело к реионизации водорода и окончательному появлению света. ...>>

Случайная новость из Архива

Умная подвеска Ford с защитой от выбоин 01.07.2018

Плохие дороги являются одной из основных причин аварий во всем мире. Кроме того, выбоины зачастую приводят к серьезным повреждениям ходовой части и колес автомобилей. Компания Ford видит частичное решение проблемы во внедрении "умной" подвески, которая распознает ухабы на дороге и уменьшает негативные последствия от попадания в них.

Система защиты от выбоин создана на базе активной подвески с непрерывно изменяемой жесткостью амортизаторов (Continuously Controlled Damping). Электронный блок вкупе со специальным модулем программного обеспечения непрерывно анализирует данные от 12 сенсоров. Опрос датчиков осуществляется каждые 2 миллисекунды, что позволяет мгновенно реагировать на изменяющиеся условия движения.

Система распознает момент начала падения колеса в яму, и адаптивная подвеска моментально настраивает жесткость амортизаторов таким образом, что колесо при попадании в выбоину практически не касается дна впадины и, таким образом, "перепрыгивает" ее. Иными словами, колесо остается в "поджатом" состоянии, благодаря чему при выходе из выбоины оно не так сильно бьются о ее край, что делает проезд неровностей более комфортным для пассажиров и уменьшает нагрузку на подвеску.

При проезде ямы передними колесами задние подготавливаются к неровности заблаговременно, что дополнительно защищает их от удара.

Система уже доступна на некоторых моделях Ford, в частности, на бизнес-седанах Mondeo, а также на минивэнах Galaxy и S-MAX в Европе. Кроме того, компания впервые начинает предлагать данное решение для автомобилей сегмента C: активная подвеска с функцией защиты от выбоин доступна для новой версии Focus.

Лента новостей науки и техники, новинок электроники

Рекомендуем скачать в нашей Бесплатной технической библиотеке:

▪ раздел сайта Аккумуляторы, зарядные устройства

▪ журналы Ремонт и сервис (годовые архивы)

▪ книга Как работает телевизор. Фельдман Л.Д., 1961

▪ статья Как птицы находят дорогу во время перелетов? Подробный ответ

▪ статья Кладовщик склада лома и металлов. Типовая инструкция по охране труда

▪ статья 4 карты и 4 монеты. Секрет фокуса

▪ сборник Архив схем и сервис-мануалов телевизоров Erisson

Оставьте свой комментарий к этой статье:

Имя:


E-mail (не обязательно):


Комментарий:





Главная страница | Библиотека | Статьи | Карта сайта | Отзывы о сайте

www.diagram.com.ua

www.diagram.com.ua
2000-2025