Menu Home

Бесплатная техническая библиотека для любителей и профессионалов Бесплатная техническая библиотека


Бортовая система контроля автомобиля с речевым выводом информации

Бесплатная техническая библиотека

Энциклопедия радиоэлектроники и электротехники / Автомобиль. Электронные устройства

Комментарии к статье Комментарии к статье

Современные автомобили оснащены большим количеством информационно-указательных приборов и сигнальных ламп, предназначенных для контроля работоспособности их основных систем. Однако получаемая с их помощью визуальная информация, с одной стороны, требует отвлечения внимания водителя от контроля дорожной ситуации, а с другой - не достаточно удобна и не всегда может быть вовремя замечена. Эта проблема особенно актуальна для автолюбителей с небольшим водительским стажем, а последствия ее могут быть весьма серьезны. Например не вовремя замеченные показания указателя температуры двигателя о перегреве могут привести к выходу его из строя и, как следствие, к большим финансовым затратам. Не менее неприятными могут оказаться и незамеченные отказы других узлов автомобиля, таких как тормозная и смазочная системы, генератор, задние сигнальные фонари и т.д.

Предлагаемая вниманию читателей "говорящая" бортовая система контроля (БСК) предназначена для использования в отечественных и импортных автомобилях и выдает информацию об обнаруженных неисправностях в речевой форме. Сообщения выдаются мужским или женским голосом (в зависимости от используемой программы и прошивки "речевого" ПЗУ), а качество речи соответствует "телефонному" по классификации Windows Sound System. Перечень сообщений, выдаваемых системой, приведен в таблице.

  N	Условие выдачи сообщения	Фраза сигнализации	Кол-во
 п/п								сообщений
  1   Температура двигателя       Перегрев двигателя             2
      более 98 С
  2   Пониженный уровень тормоз-  Отказ тормозной системы        2
      ной жидкости (срабатывание
      датчика разгерметизации
      тормозной системы)
  3   Напряжение в бортовой сети  Нет зарядки аккумулятора       2
      меньше 11 В
  4   Напряжение в бортовой сети  Отказ регулятора напряже-      2
      больше 15 В                 ния
  5   Низкое давление масла при   Аварийное давление масла       2
      частоте вращения коленва-
      ла более 900 об/мин
  6   Не полностью открыта воз-   Закрыта воздушная заслон-      1
      душная заслонка карбюра-    ка
      тора (включен "подсос")
      при температуре двигателя
      более 80 С
  7   Обрыв цепи ламп             Отказ сигнала торможения       2
      стоп-сигнала
  8   Обрыв цепи ламп             Отказ габаритного сигнала      2
      задних габаритных фонарей
  9   Обрыв цепи ламп             Отказ сигнала заднего хода     2
      фонарей заднего хода
 10   После включения зажигания   Счастливого пути               1
      все контролируемые системы
      в норме


Несколько экземпляров данного устройства более года эксплуатировалось на легковых автомобилях различных марок и показало высокую надежность и эффективность.

Бортовая система контроля автомобиля с речевым выводом информации
Рис. 1 (нажмите для увеличения)

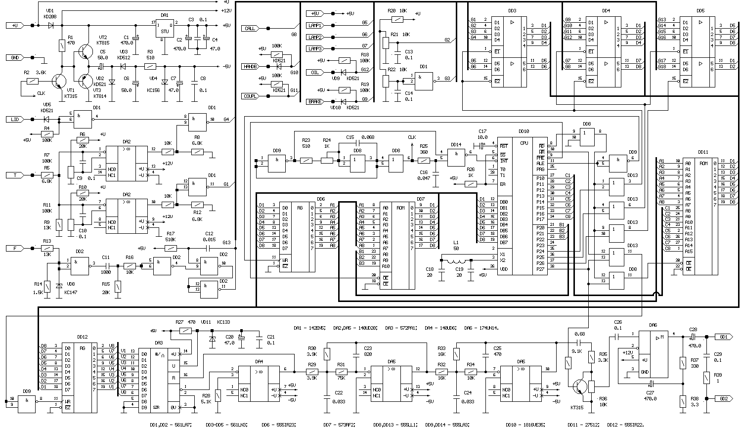
Устройство (рис.1) реализовано на базе однокристальной микроЭВМ КР1816ВЕ35. Микросхема DD6 выполняет функции формирователя шины адреса, а DD7 - внешней памяти программ. Порт P1 ОМЭВМ DD10 используется для формирования старших адресов "речевого" ПЗУ DD11, в котором содержится оцифрованная и определенным образом сжатая речевая информация. Младшие разряды порта P2 ОМЭВМ используются для адресации ПЗУ программ DD7, а старшие разряды этого порта совместно с ИС DD13 и DD8.4 - для выбора внешних устройств: ПЗУ речи DD11, коммутатора входных данных DD3-DD5 и регистра звукового тракта DD12. На логических элементах DD8.1, DD8.2, DD9.1, DD9.4 выполнен генератор импульсов частотой 7 кГц, использующихся в качестве тактовых при выводе речи.

Интерфейсная часть схемы, обеспечивающая сопряжение коммутатора данных DD3-DD5 с системой электрооборудования автомобиля и приведение входных сигналов к ТТЛ-уровням, реализована на ИС DD1, DD2 и DA2. При этом операционные усилители DA2.1, DA2.2 осуществляют сравнение сигнала датчика температуры с уставками, задаваемыми резисторами R7 и R11, на микросхеме DD2 реализован формирователь импульсов нормированной длительности из входных импульсов зажигания, а элементы ИС DD1 работают как преобразователи уровня и пороговые элементы.

Как видно из представленной на рис.1 схемы, из 18 входных линий коммутатора данных DD3-DD5 задействовано для ввода информации только 10. Остальные входы частично используются как служебные при настройке устройства, а частично - как резерв для подключения дополнительных датчиков и развития системы.

Звуковой тракт устройства включает в себя цифро-аналоговый преобразователь на ИС DA3 и DA4, фильтр Баттерворта 4 порядка с частотой среза 3 кГц на операционных усилителях DA5.1, DA5.2 и усилитель низкой частоты DA6.

Источник питания БСК выполнен на интегральном стабилизаторе DA1, формирующем напряжение +5 В, и транзисторах VT1-VT3, которые совместно с элементами VD2-VD4 и С5, С6 обеспечивают инверсию полярности и стабилизацию напряжения питания -5 В. В качестве управляющих импульсов инвертора полярности используется сигнал CLK, вырабатываемый тактовым генератором вывода речи.

Настройка устройства осуществляется с помощью подстроечных резисторов:
R7 - настройка на температуру, при которой выдается фраза "Закрыта воздушная заслонка"
R11 - настройка на температуру для выдачи фразы "Перегрев двигателя"
R21 - настройка на напряжение срабатывания для фразы "Нет зарядки аккумулятора"
R22 - настройка на напряжение срабатывания для фразы "Отказ регулятора напряжения"
R24 - регулировка тактовой частоты выдачи речи
R36 - регулировка уровня громкости.

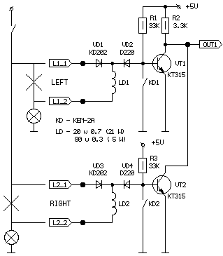
На рис.2 приведена принципиальная схема одного из трех идентичных каналов блока контроля работоспособности ламп в задних фонарях. Учитывая параллельность соединения одноименных ламп, для независимости контроля каждой из них схема электрооборудования автомобиля дорабатывается путем введения диодной развязки ламп с помощью VD1, VD3. После такой доработки узел обеспечивает контроль работоспособности обеих ламп как во включенном, так и в выключенном состоянии.

Бортовая система контроля автомобиля с речевым выводом информации
Рис. 2

До тех пор, пока напряжение на лампы не подано, элементы R1, VD2, LD1 и R3, VD4, LD2 совместно с нитями накала соответствующих ламп образуют делители напряжения. Так как сопротивления нитей ламп очень малы, падение напряжения на них незначительно, транзисторы VT1 и VT2 закрыты и на выходе узла присутствует логическая "1". В случае обрыва цепи любой из ламп соответствующий транзистор открывается и на выходе узла формируется логический "0" - признак отказа лампы. Во включенном состоянии ламп, т.е. когда на них подается напряжение от бортовой сети, контроль их работоспособности осуществляется с помощью датчиков тока. Датчики представляют собой герконы KD с намотанными на них обмотками LD. Последние включены последовательно с контролируемыми лампами, поэтому при протекании по ним тока контакты герконов замыкаются, шунтируя база-эмиттерные переходы транзисторов. Транзисторы VT1, VT2 находятся в закрытом состоянии, а выход узла - в состоянии логической "1". При отказе любой из ламп ток по обмотке соответствующего датчика не протекает, контакты геркона размыкаются, открывается соответствующий транзистор и состояние на выходе узла меняется на противоположное.

БСК подключается к системе электрооборудования автомобиля в соответствии со схемой, приведенной на рис.3, и работает следующим образом.

Бортовая система контроля автомобиля с речевым выводом информации
Рис. 3

После подачи на устройство напряжения питания при включении зажигания, начинается сканирование задействованных в системе штатных датчиков автомобиля и выходов блока контроля работоспособности ламп. Если в течение 5 секунд ни на одной из входных линий БСК не будет зафиксирован признак отказа, сканирование датчиков прерывается и устройство переходит к выдаче фразы "Счастливого пути", выбирая необходимую оцифрованную информацию из ПЗУ речи, после чего опять возвращается к опросу датчиков. В случае возникновения в процессе последующей эксплуатации автомобиля на одной или нескольких входных линиях БСК признака отказа, устройство аналогичным образом выдаст соответствующую фразу сигнализации. При этом для обеспечения надежности работы устройства и защиты от ложных срабатываний, активный уровень на входных линиях БСК воспринимается как признак отказа только в том случае, если он присутствует на линии непрерывно в течение 3 секунд.

В большинстве случаев программой предусмотрен двойной повтор фразы для повышения надежности ее восприятия. Кроме того, с этой же целью каждую фразу предваряет тональный звуковой сигнал, привлекающий внимание водителя и готовящий его к приему информации.

Конструктивно устройство выполнено в виде двух блоков: блока БСК, размещаемого в салоне автомобиля под приборной панелью, и блока контроля работоспособности ламп, устанавливаемого в районе задних фонарей.

Радиолюбитель №6 1998

Публикация: cxem.net

Смотрите другие статьи раздела Автомобиль. Электронные устройства

Читайте и пишите полезные комментарии к этой статье.

<< Назад

Последние новости науки и техники, новинки электроники:

Власть является ключевым фактором счастья в отношениях 11.03.2026

Исследования семейных и романтических отношений показывают, что длительное счастье пары зависит не только от привычных факторов, таких как доверие, уважение и преданность, но и от более тонких психологических аспектов. Современные ученые ищут закономерности, которые отличают действительно счастливые пары от остальных, чтобы понять, какие механизмы поддерживают гармонию в отношениях. Группа исследователей из Университета Мартина Лютера в Галле-Виттенберге и Бамбергского университета провела опрос среди 181 пары, которые состояли в совместных отношениях более восьми лет и прожили вместе хотя бы месяц. Участники заполняли анкету, описывая различные аспекты своих отношений, включая распределение обязанностей, эмоциональную поддержку и степень вовлеченности в совместные решения. Анализ данных показал интересный паттерн: пары, где оба партнера ощущали высокий уровень личной власти, оказывались наиболее счастливыми и удовлетворенными. В данном контексте под властью понимается способност ...>>

Защищенная колонка-повербанк Anker Soundcore Boom Go 3i 11.03.2026

Компания Anker представила новую модель линейки Soundcore - колонку Soundcore Boom Go 3i, ориентированную на активное использование на улице. Новинка отличается высокой степенью защиты: корпус соответствует стандарту IP68, что обеспечивает водо- и пыленепроницаемость, а ударопрочный дизайн выдерживает падение с высоты до одного метра. За качество звука отвечает 15-ваттный драйвер, обеспечивающий пик громкости до 92 дБ, а технология BassUp 2.0 усиливает низкие частоты, делая звучание более насыщенным. Колонка обладает автономностью до 24 часов, а LED-индикатор позволяет контролировать уровень заряда батареи. Кроме того, Soundcore Boom Go 3i может выполнять функцию павербанка: согласно внутренним тестам, устройство способно зарядить iPhone 17 с нуля до 40% за один час, что делает его полезным аксессуаром в походах и поездках. Среди функциональных особенностей модели стоит выделить технологию Auracast, которая улучшает подключение и позволяет создавать стереопару из двух колонок ...>>

Раннее воздержание от алкоголя перестраивает мозг и иммунитет 10.03.2026

Алкогольная зависимость - хроническое расстройство с компульсивным употреблением спиртного, которое влияет не только на поведение, но и на функционирование мозга и иммунной системы. Недавние исследования показали, что даже на ранних этапах воздержания организм начинает перестраиваться, открывая новые возможности для терапии зависимости. Ученые сосредоточились на пациентах, находящихся в первые недели абстиненции, и зафиксировали значительные изменения в мозговой активности. С помощью функциональной магнитно-резонансной томографии они выявили перестройку сетей нейронных связей, отвечающих за контроль импульсов и принятие решений. Эти изменения могут быть ключевыми для восстановления самоконтроля и снижения риска рецидива. Одновременно с нейронной перестройкой исследователи наблюдали колебания иммунной системы. В крови повышался уровень цитокинов - сигнальных белков, регулирующих воспалительные процессы. Эти данные свидетельствуют о существовании нейроиммунного взаимодействия, при ...>>

Случайная новость из Архива

Осознанность усиливает эгоизм 25.04.2021

Считается, что осознанностью можно победить стресс и тревогу, и вообще начать радоваться жизни. Психологические ухищрения и техники медитации, которые помогают достичь осознанности, в последнее время стали чрезвычайно популярны. Множество психологов стараются повысить осознанность своим клиентам, а те, кому не досталось психолога, скачивают приложения и постигают осознанность с помощью собственного смартфона - все лучше, чем ничего.

Исследователи из Университета Баффало попробовали взглянуть на осознанность под другим углом - их заинтересовало, как она сказывается на межчеловеческих отношениях. Вообще осознанность воспринимается как что-то абсолютно положительное, так что и для межчеловеческих отношений от нее стоило бы ждать той же радости. Однако эксперименты говорят, что все не так просто. В исследовании участвовали несколько сотен человек, у которых прежде всего оценивали, насколько они склонны к социальным взаимодействиям, насколько они чувствуют себя независимыми или же, наоборот, связанными с другими людьми. Затем одни из них занималась упражнениями, усиливающими осознанность, другие же, будучи в контрольной группе, просто витали мыслями в облаках.

После упражнения на осознанность участникам эксперимента рассказывали о волонтерах, которые делают какую-то простую работу для благотворительных организаций. По реакции тех, кто про это слушал, можно было понять, готовы ли они также поволонтерствовать или нет. У кого изначально было сильное чувство независимости, становились еще независимее после упражнений на осознанность - они в меньшей степени отзывались на возможность волонтерства, чем "независимые" из контрольной группы. Наоборот, те, кто полагал, что все мы весьма зависим друг от друга, после упражнений на осознанность с большей симпатией реагировали на рассказы о волонтерах.

В другом эксперименте людей изначально с помощью психологических заданий склоняли к независимому или взаимозависимому настрою. Исследователи не проверяли, какими они были сами по себе, но предлагали такие упражнения, заставляли думать о себе как о независимом человеке или же, наоборот, как о человеке, который сильно зависит от других. Затем следовало другое упражнение, усиливающее осознанность.

В конце участникам эксперимента предлагали поучаствовать в переговорах с людьми, которые могли пожертвовать деньги на благотворительность. У тех, кого изначально склоняли к ощущению независимости от других, готовность волонтерствовать в переговорах снижалась на 33%, у тех, у кого стимулировали чувство взаимосвязанности с другими людьми, готовность помочь в добывании денег на благотворительность повышалась на 44%.

Лента новостей науки и техники, новинок электроники

Рекомендуем скачать в нашей Бесплатной технической библиотеке:

▪ раздел сайта Регуляторы тембра, громкости

▪ журналы Radiotechnika Evkonyve (годовые архивы)

▪ книга Пьезокерамические фильтры. Фрид Е.А., Азарх С.X., 1967

▪ статья Мне грустно... потому что весело тебе. Крылатое выражение

▪ статья Купена многоцветковая. Легенды, выращивание, способы применения

▪ статья Доработка вызывного устройства для телефонов. Энциклопедия радиоэлектроники и электротехники

▪ справочник Сервисные меню зарубежных телевизоров. Книга №15

Оставьте свой комментарий к этой статье:

Имя:


E-mail (не обязательно):


Комментарий:





Главная страница | Библиотека | Статьи | Карта сайта | Отзывы о сайте

www.diagram.com.ua

www.diagram.com.ua
2000-2026