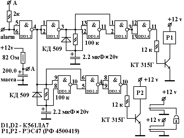
Модуль управления электроприводами замков автомобиля

Энциклопедия радиоэлектроники и электротехники /
Автомобиль. Электронные устройства
Комментарии к статье
Модуль управления эл.
приводами замков. В состав многих дешевых
автосигнализаций импортного производства не
входят электроприводы замков и модуль
управления электроприводами. Если
электроприводы целесообразно приобрести в
ближайшем магазине автоэлектроники, то модуль
управления, при наличии некоторых навыков, можно
изготовить самостоятельно. Ниже приводится
описание аналогичного устройства. Достоинства
- низкое энергопотребление, простота, надежность
работы. Недостатки - нет функции
"центрального замка" (одновременное
запирание / отпирание всех замков при помощи
нажатия на кнопку, расположенную на водительской
двери). Функционально устройство состоит из узла
согласования, 2-х одновибраторов и узла
коммутации.
Принцип работы
Сигнал
управления с автосигнализации (например
блокировка стартера) поступает на узел
согласования, собранный на элементе DD1.2
(терминирует помехи и нормализует управляющий
сигнал до логических уровней). С узла
согласования управляющий сигнал запирания
запускает одновибратор (DD1.3, DD2.2), формирующий
импульс запирания. Через инвертор, собранный на
элементе DD1.1, сигнал отпирания запускает
одновибратор (DD1.4, DD2.1), формирующий импульс
отпирания. На выходе каждого одновибратора
установлен буфер, собранный на элементах DD2.4 и
DD2.3. С выходов буферов сигнал усиливается по току
каскадами на тразисторах до значения,
достаточного для управления реле. Реле в свою
очередь управляют включением двигателя и
направлением его вращения.
Таким образом, при
изменении сигнала управления "alarm"
двигатель привода включается на короткое время и
начинает вращаться в определенном направлении в
зависимости от перепада напряжения (с низкого на
высокий - в одном направлении, с высокого на
низкий - в противоположном). При подключении
приводов следует учесть, что максимальный ток,
коммутируемый реле, не превышает 2А.
Рекомендуемые схемы подключения
Для
"мягких" замков все четыре привода
соединяются последовательно. Такое включение
кроме экономичности интересно еще и тем, что при
срабатывании самого быстрого привода падение
напряжения на нем уменьшается, тем самым
ускоряется работа более медленных приводов.
Для
"жестких" замков можно использовать
дополнительные контакты реле, собрав на
свободных группах контактов такой же узел
коммутации и управлять 2-мя цепочками по два
последовательно соединенных привода.
В крайнем
соединение можно выполнить параллельно двумя
цепочками по два последовательно соединенных
привода. Проводку следует выполнить проводом
возможно большего сечения, по кратчайшему
маршруту (для предупреждения большого падения
напряжения на проводах) При исправных
радиодеталях и правильной сборке, настройки
схема не требует и начинает работу сразу (в
исключительных случаях может понадобиться
увеличить длительность отпирающего или
запирающего импульса заменой конденсаторов
номиналом 2.2 мкФ на конденсаторы большей емкости,
но лучше разобрать и смазать замки :-) ).
Печатная плата
Печатная
плата устройства размещается в пластмассовом
корпусе, выводы маркируются ярлыком: Модуль
управления электроприводами замков проходил
испытания в течение 3-х лет в различных погодных
условиях, совместно с автосигнализацией "FBI Car
Alarm". За все время эксплуатации сбоев в работе
устройства замечено не было (даже при
значительном снижении напряжения питания в
результате разряда АКБ). Если Вы мечтаете
оснастить автомобиль электростеклоподъемниками
то, немного доработав схему, можно ввести функцию
подъема стекол при постановке автомобиля на
охрану.
Автор: Рубцов Александр; Публикация: cxem.net
Смотрите другие статьи раздела
Автомобиль. Электронные устройства
Читайте и пишите полезные комментарии к этой статье.
<< Назад
Последние новости науки и техники, новинки электроники:
Власть является ключевым фактором счастья в отношениях
11.03.2026
Исследования семейных и романтических отношений показывают, что длительное счастье пары зависит не только от привычных факторов, таких как доверие, уважение и преданность, но и от более тонких психологических аспектов. Современные ученые ищут закономерности, которые отличают действительно счастливые пары от остальных, чтобы понять, какие механизмы поддерживают гармонию в отношениях.
Группа исследователей из Университета Мартина Лютера в Галле-Виттенберге и Бамбергского университета провела опрос среди 181 пары, которые состояли в совместных отношениях более восьми лет и прожили вместе хотя бы месяц. Участники заполняли анкету, описывая различные аспекты своих отношений, включая распределение обязанностей, эмоциональную поддержку и степень вовлеченности в совместные решения.
Анализ данных показал интересный паттерн: пары, где оба партнера ощущали высокий уровень личной власти, оказывались наиболее счастливыми и удовлетворенными. В данном контексте под властью понимается способност ...>>
Защищенная колонка-повербанк Anker Soundcore Boom Go 3i
11.03.2026
Компания Anker представила новую модель линейки Soundcore - колонку Soundcore Boom Go 3i, ориентированную на активное использование на улице.
Новинка отличается высокой степенью защиты: корпус соответствует стандарту IP68, что обеспечивает водо- и пыленепроницаемость, а ударопрочный дизайн выдерживает падение с высоты до одного метра. За качество звука отвечает 15-ваттный драйвер, обеспечивающий пик громкости до 92 дБ, а технология BassUp 2.0 усиливает низкие частоты, делая звучание более насыщенным.
Колонка обладает автономностью до 24 часов, а LED-индикатор позволяет контролировать уровень заряда батареи. Кроме того, Soundcore Boom Go 3i может выполнять функцию павербанка: согласно внутренним тестам, устройство способно зарядить iPhone 17 с нуля до 40% за один час, что делает его полезным аксессуаром в походах и поездках.
Среди функциональных особенностей модели стоит выделить технологию Auracast, которая улучшает подключение и позволяет создавать стереопару из двух колонок ...>>
Раннее воздержание от алкоголя перестраивает мозг и иммунитет
10.03.2026
Алкогольная зависимость - хроническое расстройство с компульсивным употреблением спиртного, которое влияет не только на поведение, но и на функционирование мозга и иммунной системы. Недавние исследования показали, что даже на ранних этапах воздержания организм начинает перестраиваться, открывая новые возможности для терапии зависимости.
Ученые сосредоточились на пациентах, находящихся в первые недели абстиненции, и зафиксировали значительные изменения в мозговой активности. С помощью функциональной магнитно-резонансной томографии они выявили перестройку сетей нейронных связей, отвечающих за контроль импульсов и принятие решений. Эти изменения могут быть ключевыми для восстановления самоконтроля и снижения риска рецидива.
Одновременно с нейронной перестройкой исследователи наблюдали колебания иммунной системы. В крови повышался уровень цитокинов - сигнальных белков, регулирующих воспалительные процессы. Эти данные свидетельствуют о существовании нейроиммунного взаимодействия, при ...>>
Случайная новость из Архива
Ключевая технология оптического транзистора
19.07.2013
Ученые и инженеры из Венского технического университета смогли управлять поляризацией терагерцевого светового луча, что является основой для создания перспективных оптических микросхем.
Ученым удалось изменить поляризацию светового луча (направление колебаний света) с помощью специального материала и электрического тока. Эту лабораторную методику потенциально можно масштабировать и применять в промышленном производстве, что открывает путь для массового производства быстродействующей электроники, которая управляется светом, а не электротоком. Кроме того, управление терагерцевым излучением может пригодиться не только для производства оптических компьютеров, но и, например, для изготовления сканеров и медицинских приборов.
Свет может колебаться в разные стороны, то есть иметь разную поляризацию. Это явление давно известно и широко используется, например, в 3D-телевидении. Ученым из Австрии впервые удалось управлять поляризацией света на микроуровне. Электрическое поле, приложенное к ультратонкому слою из теллурида, ртути позволяет произвольно менять поляризацию света. При этом применялось терагерцевое световое излучение, то есть оптический чип может работать с гораздо более высокой частотой, чем нынешние процессоры с их 3-5 ГГц.
Одним из достоинств австрийского изобретения является очень низкое энергопотребление. Для изменения поляризации терагерцевого светового излучения с помощью электрического поля требуется напряжение менее 1 В.
Таким образом, ученые и инженеры из Венского технического университета создали технологию, которая может совершить революцию в электронной промышленности. Конечно, современные технологии производства и принципы работы электроники укоренились очень прочно, но, будем надеяться, что преимущества оптических транзисторов в конце концов перевесят все издержки реформирования производства.
|
Лента новостей науки и техники, новинок электроники
Рекомендуем скачать в нашей Бесплатной технической библиотеке:
▪ раздел сайта Детекторы напряженности поля
▪ журналы Электрик (годовые архивы)
▪ книга Материалы для электромонтажных работ. Карягин А.Г., 1981
▪ статья Под каким флагом плавает больше всего кораблей? Подробный ответ
▪ статья Применение малогабаритных помехоподавляющих магнитопроводов из аморфных металлических сплавов. Энциклопедия радиоэлектроники и электротехники
▪ статья Огурец в бутылке. Секрет фокуса
▪ справочник Зарубежные микросхемы и транзисторы. Серия 3
Оставьте свой комментарий к этой статье:
Главная страница | Библиотека | Статьи | Карта сайта | Отзывы о сайте

www.diagram.com.ua
2000-2026