Menu Home

Бесплатная техническая библиотека для любителей и профессионалов Бесплатная техническая библиотека


Компактный автомобильный усилитель. Энциклопедия радиоэлектроники и электротехники

Бесплатная техническая библиотека

Энциклопедия радиоэлектроники и электротехники / Автомобиль. Электронные устройства

Комментарии к статье Комментарии к статье

В статье описана конструкция несложного автомобильного стереоусилителя с импульсным преобразователем напряжения. Его добавление существенно увеличило мощность усилителя на популярных микросхемах TDA7293 или TDA7294 - до 78 Вт на нагрузке сопротивлением 4 Ом, а применение готового корпуса намного упростило его изготовление.

Как часто и справедливо утверждается, звучание штатной магнитолы автомобиля может порадовать только неискушенного слушателя. На практике оказывается, что в большинстве случаев реальное значение выходной мощности УМ магнитолы не превышает 20 Вт на канал при нагрузке сопротивлением 4 Ом, а при работе от аккумулятора мощность падает до 16 Вт.

Собственно, даже при такой мощности можно качественно озвучить любой салон автомобиля, если бы не пик-фактор музыкальных сигналов, достигающий в отдельных композициях 20...25 дБ. Так, встроенный УМ автомагнитолы без ограничения динамического диапазона может выдать до 5 Вт на канал. Учитывая качественный рост параметров современных УМ, вопрос модернизации тракта воспроизведения упирается в физическое ограничение динамического диапазона максимальной выходной мощностью встроенных УМ, а возможности его расширения исчерпаны производителями аппаратуры. Вследствие высокого уровня зашумления (в том числе и извне) в автомобиле динамический диапазон значительно сужается. Шумоизоляция кузова и повышение уровня звукового давления АС помогают увеличить динамический диапазон прослушивания.

Установка внешнего УМ на начальном этапе модернизации является, на мой взгляд, наименее трудозатратной. Необходимо заметить, что доработку автомобильной аудиосистемы нужно начинать с установки более качественной фронтальной АС.

Современные мультимедийные устройства для автомобилей оснащены линейными выходами для подключения внешних усилителей. Промышленность предлагает много высококачественных автомобильных УМ, однако их высокая стоимость является существенным ограничением при модернизации. Подключать же УМ к выходам встроенного в магнитолу усилителя, на мой взгляд, нецелесообразно.

Предлагаемое устройство обладает минимальной функциональностью, однако имеет ряд положительных признаков: мощный нестабилизированный источник питания, хороший УМ, минимальный размер корпуса, отсутствие низкокачественных компонентов входного активного фильтра. Номинальное напряжение питания составляет +/-25 В, что дает возможность повысить мощность на нагрузке 4 Ом до 78 Вт.

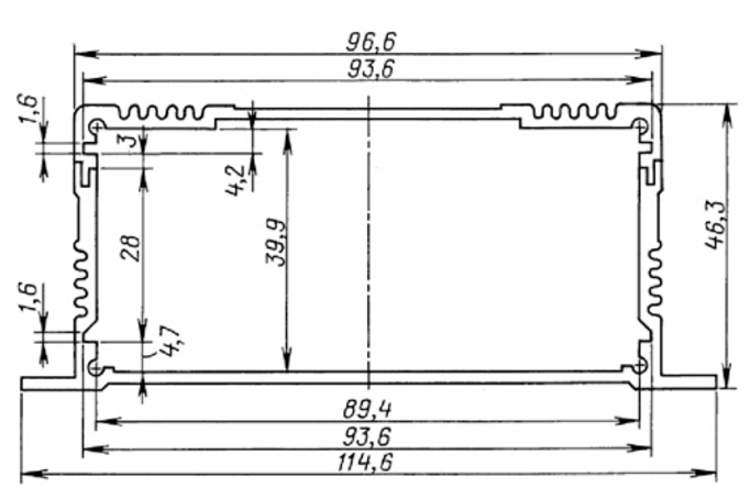
В отличие от многих конструкций, описанных в Интернете, этот двухканальный УМ собран в стандартном, доступном и недорогом алюминиевом корпусе фирмы Gainta, показанном на рис. 1. Ширина (размер L на рис. 1) - 100 мм. Размеры основной платы 93,6x96 мм, что позволяет вставить ее в специальные пазы корпуса. Приоритет в проекте отдан компактности устройства, поэтому применены детали поверхностного монтажа.

Компактный автомобильный усилитель
а)

Компактный автомобильный усилитель
б)
Рис.1. Конструкция двухканального УМ: а) алюминиевый корпус; б) чертеж конструкции

УМ проектировался под конкретный проигрыватель компакт-дисков, для которого номинальная нагрузка линейного выхода - 10 кОм. Устройство состоит из нестабилизированного преобразователя напряжения (ПН) и УМ на двух микросхемах TDA7293 (или TDA7294 с учетом различий в цоколевке), а также узла управления по внешнему сигналу Remote сигналом STBY усилителя.

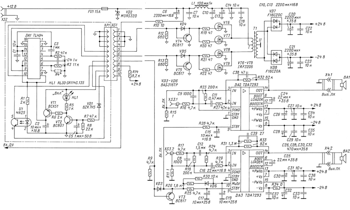
Схема усилителя показана на рис. 2. Преобразователь с функцией плавного пуска собран на микросхеме TL494 и полевых транзисторах. Габаритная мощность трансформатора - около 300 Вт, и применение двух пар транзисторов в каждом плече преобразователя позволяет отдавать в нагрузку большую мощность. Расчет трансформатора и выбор магнитопровода проводился с использованием полезной бесплатной программы EXCELLENIT5000 [1]. Существует мнение, что УМ с импульсным БП без стабилизации обеспечивают звучание лучше, чем со стабилизированным БП. В цепях затвора мощных транзисторов преобразователя включены резисторы (47 Ом), что сужает спектр помех, создаваемых инвертором. На меньшей плате размещены узел управления включением и контроллер ПН, на большей - ПН и УМ. Выходные цепи ПН гальванически не связаны с первичным источником питания.

Компактный автомобильный усилитель
Рис. 2. Схема усилителя (нажмите для увеличения)

Для включения УМ необходимо наличие напряжений питания 12 В и напряжения управления более 9 В на входе ДУ. Напряжение с входа ДУ через стабилитрон VD1 и резистор R7 поступает на базу транзистора VT2 и открывает его. Конденсатор С5 служит для задержки включения УМ и фильтрации помех по входу ДУ, резистор R8 обеспечивает минимальный ток для работы стабилитрона VD1. Транзистор VT2 открывается, и на его коллекторе устанавливается напряжение около 0,7 В, загорается светодиод HL1 и открывается транзистор VT1, который подает питание на микросхему DA1 и запускает ПН. Резистор R5 необходим для поддержки закрывающего напряжения на базе VT1 в отсутствии сигнала управления, а R6 - для ограничения максимального тока транзистора VT2. При наличии вторичного напряжения ПН напряжение с эмиттера VT1 через R1 поступает на излучающий диод оптопары U1, и он засвечивает фототранзистор оптопары.

При подаче напряжения на микросхему DA1 на ее выходе (вывод 14) появляется напряжение 5 В, которое через конденсатор С3 поступает на вывод 4 управления шириной импульсов TL494. По мере зарядки С3 напряжение на выводе 4 уменьшается за счет нагружающего резистора R2, а ширина импульсов на выводах 9, 10 увеличивается. Так организован плавный пуск ПН. Резистор R2 необходим также для предотвращения зарядки конденсатора С3 вытекающим током из микросхемы (от 2 до 10 мА). Встроенные усилители ошибки в TL494 не использованы, на неинвертирующие входы 2, 15 DA1 подано напряжение ИОН, равное 5 В, с вывода 14, а инвертирующие входы подключены к общему проводу ПН. Резисторы R3, R4 и конденсатор С4 задают частоту переключения ПН около 50 кГц. Место под резистор R4 зарезервировано на плате для возможной коррекции частоты работы ПН.

Конденсаторы С2 и С1 блокируют ВЧ помехи. С выводов 9, 10 DA1 сигналы управления полевыми транзисторами (ПТ) через разъем ХP/XS1 (ZL201-10G, ZL262-10SG производства NINIGI) подаются на основную плату УМ на затворы ПТ На элементах R12, VD4, VT4 (R13, VD5, VT5) собраны цепи перезарядки емкости затворов ПТ Резисторы R19- R22 снижают скорость переключения ПТ и уменьшают коммутационные помехи. ПТ попарно подключены к первичной обмотке трансформатора T1, на среднюю точку которой поступает напряжение бортовой сети автомобиля через плавкую вставку FU1 и П-образный фильтр С6С7L1С10С13С14С18. Конденсаторы С10, С13, С14, С18 подключены в непосредственной близости от средней точки обмотки I трансформатора Т1 для снижения помех. Диод VD2 служит защитой от обратной полярности питания.

Переменное напряжение с вторичной обмотки Т1 выпрямляется диодными сборками VD7, VD8, фильтруется конденсаторами С20-С23 и далее поступает на микросхемы УМЗЧ. Кроме того, напряжение +24 В через резистор R14 поступает на транзистор оптопары U1 и при наличии напряжения на входе ДУ устройства поступает на базу транзистора V73. Элементы R9, VD3, VT3 необходимы для обеспечения быстрой разрядки конденсаторов в цепях STBY, MUTE микросхем DA2, DA3 после пропадания сигнала ДУ. Связано это с тем, что при выключении магнитолы на ее линейных выходах появляются значительные всплески напряжения, которые приводят к щелчкам в АС.

В большинстве самодельных устройств сигналы STBY MUTE формируют через ограничительный резистор, подключенный к плюсовой цепи питания, поэтому при выключении магнитолы УМ не переходит в режим STBY до разрядки конденсаторов в цепи питания. В этой же конструкции УМ выключается фактически сразу после пропадания сигнала ДУ с магнитолы.

Для обеспечения симметричности нагрузки на ИП и для возможности работы в мостовом режиме один канал УМ работает в инвертирующем режиме. Для минимизации помех, вносимых падением напряжения на "силовых" проводах, общие провода сигнальных и питающих цепей соединяются только в слаботочной части через резисторы R11, R15. Элементы R16, C9, R23, C11, R27 и R32 (R17, C8, R18, C12, R24, R29 и R31, R33) образуют фильтры, ограничивающие полосу, и задают коэффициент усиления каналов. Так как включение микросхем DA2, DA3 различно, для выравнивания усиления в каналах можно корректировать общее сопротивление резисторов ООС (R31 и R33). Места для резистора R31 на плате нет, в случае необходимости его устанавливают поверх R33. В симуляции микросхем в виде ОУ в программном пакете Microcap 9 сопротивление этого резистора оказалось 80 кОм.

Спад в области НЧ (-3 дБ на частоте 17 Гц) обусловлен областью применения УМ. Во-первых, фронтальные АС вследствие размера и свойств акустического оформления сильно снижают КПД на низких частотах; во-вторых, результирующая АЧХ в салоне автомобиля обычно имеет подъем в области НЧ на несколько децибел.

Трансформатор собран на торроидальном магнитопроводе Epcos 29,5x19x20 (B64290-L756-X87) из материала N87. Первичная обмотка имеет 8 витков провода диаметром 0,51 мм, сложенного в восемь жил, с отводом от середины. Исходные данные и результаты расчета приведены на рис. 3. Вторичная обмотка содержит 18 витков того же провода, сложенного в три жилы, с отводом от середины. Витки равномерно распределены по периметру кольца. Дроссель L1 намотан на кольцевом магнитопроводе размерами 23x14x9,5 мм из порошкового железа Т90-52 Micrometals и содержит восемь витков провода ПЭВ 0,51, сложенного в восемь жил. Индуктивность дросселя может и отличаться, важно лишь помнить, что перегрев свыше 75 оС для такого дросселя недопустим.

Компактный автомобильный усилитель
Рис. 3. Исходные данные и результаты расчета

Сборку устройства следует начать с меньшей платы (ее чертеж на рис. 4 в масштабе 2:1), на схеме рис. 2 находящиеся на ней детали обведены штрих-пунктирной рамкой. После установки всех деталей подключают к контактам разъема XP1 источник напряжения 12 В. На контакт 9 нужно подать +12 В, а контакты 1-4 соединить с общим проводом. Затем замкнуть контакты 9 и 10, должен засветиться светодиод. На коллекторе VT1 установится напряжение около 11 В, на выводе 14 DA1 появится напряжение 5 В, на выводе 4 - не более 0,5 В, а на выводах 9, 10 - меандр с амплитудой 11 В. При отсутствии осциллографа наличие импульсов на выходах 9, 10 определяется цифровым мультиметром как постоянное напряжение 5...6 В.

Компактный автомобильный усилитель
Рис. 4. Чертеж меньшей платы

Затем собирают большую плату (рис. 5, 6), устанавливая все детали, кроме микросхем УМ DA2, DA3. Также необходимо установить проволочные (в изоляции) перемычки. Транзисторы желательно запаять на одинаковой высоте, это облегчит их крепеж. Так как спаренные диоды в корпусе ТО-220 с общим анодом дефицитны, на плате предусмотрены места для их замены диодами в корпусе DO-27.

Компактный автомобильный усилитель
Рис. 5. Чертеж большей платы

Компактный автомобильный усилитель
Рис. 6. Чертеж большей платы (сбор деталей)

После соединения плат с помощью разъема и подачи на обозначенные площадки напряжения 12 В с блока питания и сигнала включения ДУ, на конденсаторах С20 и С21 должно появиться напряжение +25 и -25 В соответственно, а на эмиттере VT3 - около +8 В относительно средней точки выходной обмотки трансформатора. При этом детали преобразователя не должны нагреваться, а потребляемый ток не должен превышать 0,3 А. После проверки ПН впаивают микросхемы DA2, DA3.

Неиспользуемые выводы микросхем укорачивают на 3...4 мм. Важно установить микросхемы строго перпендикулярно плате, иначе они не будут прилегать к корпусу всей плоскостью и могут перегреться. Для уменьшения влияния наводок на цепи усилителя около выводов питания микросхем добавлены дополнительные конденсаторы С26, С28 (С30, С32) емкостью 470 мкФ с низким импедансом (low ESR). Для уменьшения наводок дорожки от выводов питания предварительного каскада и выходного каскада TDA7293 соединяются в местах пайки выводов этих конденсаторов.

Затем в плату впаивают провода для подключения внешних разъемов. Для разъема питания (клеммный блок DG58C-A-2P13 от Degson Electronics) необходим провод сечением не менее 2 мм2. Отрезок длиной в 50...70 мм впаивают в плату. Аналогично впаивают кабели соединения платы с разъемами RCA (XS3.1, XS3.2). Для этого используют любой мягкий кабель. Таким же образом впаивают провода к выходному разъему Х4 (клеммный блок DG58H-A-04P-13 от Degson Electronics). Сечение выходных проводов должно быть не менее 0,5 мм2. Места подпайки проводов нужно укрепить термоклеем. Для провода сигнала включения ДУ в боковой крышке просверлено отверстие диаметром 2 мм, через которое выведен провод длиной около 20 см. Для фиксации на нем желательно завязать узел изнутри корпуса УМ.

Далее плату вставляют в паз корпуса и размечают отверстия под винты крепления транзисторов и микросхем. Отверстия делают сверлом диаметром 3,6 мм, потом их раззенковывают для установки винтов "впотай". Мощные ПТ, диоды и выходные микросхемы УМ крепят к корпусу (фото на рис. 7) винтами М3 через изолирующие прокладки из слюды с использованием изолирующих же вставок для винтов. Прокладки под микросхемы необходимо обязательно промазать термопастой, например КПТ-8.

Компактный автомобильный усилитель
Рис. 7. Монтаж платы с деталями

Затем на пластиковые стенки корпуса устанавливают выходные разъемы X4 и к ним подключают соответствующие провода от печатной платы (фото на рис. 8). После этого подключают сигнальные кабели к разъемам на панели усилителя (фото на рис. 9) и еще раз проверяют работу системы в целом; если все в норме, желательно проклеить термоклеем провода на выходных разъемах и разъем XP/S1, габаритные конденсаторы и трансформатор, так как они будут работать в условиях вибраций. Затем собирают корпус полностью.

Компактный автомобильный усилитель
Рис. 8. Монтаж платы с деталями

Компактный автомобильный усилитель
Рис. 9. Подключение сигнальных кабелей

Перед установкой в автомобиль желателен прогон усилителя в течение нескольких десятков часов для проверки его надежности.

Подключение питания непосредственно в автомобиле необходимо производить проводами сечением не менее 2,5 мм2 как можно меньшей длины (рис. 10). Подключать их нужно к клеммам аккумулятора через плавкий предохранитель на 15...20 А, к усилителю вести оба провода от плюсовой и минусовой клемм. Часто из-за некачественной проводки в автомобиле во избежание помех приходится проводить провода от аккумулятора и к магнитоле.

Компактный автомобильный усилитель
Рис. 10. Подключение питания

Из-за малого размера корпуса (площадь теплоотвода около 400 мм2) во время работы УМ нагревается до 40...50 оС. Это нормальная температура для усилительной аппаратуры, если при монтаже устройства в салоне предусмотреть возможность циркуляции воздуха.

При реальной эксплуатации в автомобиле можно отметить значительное улучшение звучания системы и удобство размещения. Даже при длительной работе на максимуме мощности для АС Focal polyglass V1 температура корпуса УМ не превышает 60 оС. Естественно, ждать от такого усилителя чудес не приходится, но однозначно можно утверждать, что он "переиграет" большинство поделок нижнего ценового диапазона, сохраняя характеристики микросхем TDA7293.

Некоторые параметры УМ проверены с помощью компьютерной программы Right Mark Audio Analyzer 6.0 (RMAA). На выходной мощности 15 Вт при напряжении питания 12,6 В гармонические искажения в каналах равны 0,045 и 0,019 %, а интермодуляционные искажения - 0,024 и 0,026 %. Отношение сигнал/шум - около 90 дБ. Вопреки распространенному на форумах Интернета мнению инвертирующее включение микросхемы (в правом канале) показало худший результат по измеренным параметрам. Использование типовой схемы из справочной документации на микросхему [2] оказалось лучшим вариантом.

Возможные замены: микросхема ПН TL494 имеет аналоги - ЮА7500, MB3759, UPC494, IR3M02, KP1114EУ4. Вместо IRF3205 можно установить любые современные полевые n-канальные транзисторы, например, IRFZ44, IRF540, BUZ111S, STP80NF06, IRF1405 на напряжение более 50 В, причем допустимо применить только одну пару транзисторов. Транзисторы ВС817 можно заменить 2N5550S, MMBT100, MMBT2222, 2SD1484, а транзистор BC807 - 2STR2160, BCX17, MMBT591, PMBT2907. Транзистор BCX51 заменяем BCX52, BCX53, 2SB1027, 2SB1313, SB1123U. При необходимости подбор типов транзисторов можно провести по справочнику [3]. Две диодные сборки VD7, VD8, рассчитанные на постоянный ток не менее 3 А и напряжение более 80 В, можно заменить четырьмя диодами FR302-FR304, UF5404, RGP25G.

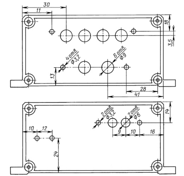
На рис. 11 показаны чертежи разметки передней и задней панелей блока УМ для примененных автором элементов и узлов коммутации.

Компактный автомобильный усилитель
Рис. 11. Чертежи разметки передней и задней панелей блока УМ для элементов и узлов коммутации

Литература

  1. Сборник программ Владимира Денисенко для расчета трансформаторов и дросселей. - <stoom.ru/content/view/307/110/>.
  2. Datasheet TDA7293. - <datasheetcatalog.com/datasheets_pdf/T/D/A/7/TDA7293.shtml>.
  3. Биполярные транзисторы. Типовые характеристики. Справочник. - <alltransistors.com/ru/>.

Автор: Ю. Игнатьев, г. Ивано-Франковск

Смотрите другие статьи раздела Автомобиль. Электронные устройства.

Читайте и пишите полезные комментарии к этой статье.

<< Назад

Последние новости науки и техники, новинки электроники:

Впервые преоодолена передача ВИЧ от матери к ребенку 02.01.2026

Проблема вертикальной передачи ВИЧ - от матери к ребенку - остается одной из ключевых задач глобальной медицины. Недавний отчет Всемирной организации здравоохранения (ВОЗ) демонстрирует историческое достижение: Бразилия впервые в своей истории полностью преодолела этот путь передачи вируса. Страна стала 19-й в мире и первой с населением более 100 миллионов человек, которая достигла такого результата. Достижения Бразилии основаны на комплексных медицинских программах, обеспечивающих своевременный доступ к диагностике и терапии для всех слоев населения. ВОЗ официально подтвердило, что уровень передачи ВИЧ от матери к ребенку снизился до менее двух процентов. Более 95% беременных женщин в стране получают регулярный скрининг на ВИЧ и необходимое лечение в рамках стандартного ведения беременности. Изначально программа тестировалась в крупных муниципалитетах и штатах с населением более 100 тысяч человек, а затем была масштабирована на всю страну. Такой подход позволил унифицировать ста ...>>

Нанослой германия увеличивает эффективность солнечных батарей на треть 02.01.2026

Разработка высокоэффективных солнечных батарей остается одной из ключевых задач современной энергетики. Недавнее исследование южнокорейских ученых позволило повысить производительность тонкопленочных солнечных элементов почти на 30%, что открывает новые перспективы для возобновляемых источников энергии, гибкой электроники и сенсорных устройств. Команда исследователей сосредоточилась на элементах на основе моносульфида олова (SnS) - нетоксичного и доступного материала, который идеально подходит для гибких солнечных панелей. До настоящего времени эффективность SnS-устройств оставалась низкой из-за проблем на границе контакта с металлическим электродом. В этой области возникали структурные дефекты, диффузия элементов и электрические потери, что существенно ограничивало возможности таких батарей. "Этот интерфейс был главным барьером для достижения высокой производительности", - отмечает профессор Джейонг Хо из Национального университета Чоннам. Для решения этих проблем ученые предлож ...>>

Электростатическое решение для борьбы с льдом и инеем 01.01.2026

Борьба с льдом и инеем на транспортных средствах и критически важных поверхностях зимой остается сложной и затратной задачей. Ученые из Virginia Tech разработали инновационную технологию, способную разрушать лед и иней без использования тепла или химических реагентов, что открывает новые возможности для безопасной и экологичной зимней эксплуатации транспорта. Исследователи обнаружили, что лед и иней образуют кристаллическую решетку с так называемыми ионными дефектами - заряженными участками, способными перемещаться под воздействием электрического поля. Эти дефекты являются ключом к управлению прочностью льда и его удалением с поверхностей. Когда на замерзшую поверхность подается положительный электрический заряд, отрицательные ионные дефекты притягиваются к источнику поля. Это вызывает разрушение кристаллической решетки льда, в результате чего часть льда буквально "отскакивает" от поверхности. Такой эффект позволяет удалять лед без применения внешнего тепла или химических средств ...>>

Случайная новость из Архива

Нервы останавливают кровотечение 08.12.2016

Сама идея "нейрожгута" звучит странно. По сути это устройство, которое может путем обыкновенного контакта с кожей останавливать внутренние кровотечения, Звучит как фантастика, но первые клинические испытания идут уже сейчас.

15 лет исследования в Институте медицинских исследования Фейнштейна показали, что биоэлектронная медицина, которая использует нервостимуляцию для остановки внутренних кровотечений возможна.

Конечно, нейрожгут не похож на физический жгут, нет никакого перетягивающего материала или физического давления. Вместо этого врачи прикладывают особое устройство к коже, чтобы стимулировать черепной нерв, который передает информацию от мозга к главным органам. Стимуляция доставляет сигнал к селезенке, где тромбоциты, ответственные за образование сгустков в кровеносных сосудах, получают свои инструкции. Сигнал "настраивает" тромбоциты и заставляет их образовывать сгустки при встрече любой раны в теле, тем самым закупоривая ее и останавливая кровотечение.

"Таким образом мы перехватываем контроль над механизмом, который использует мозг, - говорит глава исследования Крис Шура. - У тела есть естественные физиологические способы для контроля кровотечения, а мы их просто усиливаем".

Предварительные исследования, проведенные на свиньях, показывают, что нервожгут уменьшает время кровотечения на 40%, а кровопотерю - на 50%. Действие аппарата начиналось буквально через три минуты. Опыты показали, что техника работает, как на внутренних, так и внешних повреждениях.

Устройство впервые будет опробовано на людях в случаях родового кровотечения, одной из главных причин смертей матерей при родах по всему миру. Исследователи из института Фейнштейна и хирург-травматолог Джаред Хьюстон надеются, что нервожгут станет новым инструментом для хирургов. Перед операцией стимулятор можно применить в качестве профилактической мере, ну а в случае травм такой метод будет и вовсе незаменим.

Биоэлектрическое решение кровотечений не отменит фармакологического. Оно предложит нечто совершенно новое, что может кардинально изменить хирургию.

Другие интересные новости:

▪ PENTAX прекращает производство компактных и зеркальных аналоговых камер

▪ В помощь дальтоникам

▪ Однокристальная система Huawei Kirin 970

▪ DS1087L - 3-вольтовый широкополосный однокристальный генератор EconOscillator

▪ Силовые виды спорта детям не подходят

Лента новостей науки и техники, новинок электроники

 

Интересные материалы Бесплатной технической библиотеки:

▪ раздел сайта Бытовая электроника. Подборка статей

▪ статья Взять на цугундер. Крылатое выражение

▪ статья Кто нарисовал первые картины? Подробный ответ

▪ статья Лаборант химического анализа. Типовая инструкция по охране труда

▪ статья Частота среза многозвенных фильтров. Энциклопедия радиоэлектроники и электротехники

▪ статья На кончике. Секрет фокуса

Оставьте свой комментарий к этой статье:

Имя:


E-mail (не обязательно):


Комментарий:





Главная страница | Библиотека | Статьи | Карта сайта | Отзывы о сайте

www.diagram.com.ua

www.diagram.com.ua
2000-2025