Menu Home

Бесплатная техническая библиотека для любителей и профессионалов Бесплатная техническая библиотека


Мотоциклетный охранный сигнализатор. Энциклопедия радиоэлектроники и электротехники

Бесплатная техническая библиотека

Энциклопедия радиоэлектроники и электротехники / Автомобиль. Охранные устройства и сигнализация

Комментарии к статье Комментарии к статье

Одной из наиболее удачных конструкции мотосторожа, мне кажется, следует признать устройство М. Чуруксаева [1]. Оно стало своеобразным образцом для последующих разработок других авторов (например, В. Банникова [2]).

Несмотря на то что и в [1], и в [2] для воспроизведения сигнала тревоги использована динамическая головка прямого излучения, во многих случаях оказывается удобнее применить имеющийся на машине звуковой сигнал. Учитывая ограниченные возможности мотоциклетной аккумуляторной батареи, для повышения экономичности сторожа, но не в ущерб надежности охраны, необходимо исключить ложные срабатывания. Этому вопросу в указанных работах внимания уделено, на мой взгляд, недостаточно.

Известно, что четко отделить сигналы датчика, вызванные человеческим фактором (не говоря уже о том, присутствует ли при этом злой умысел), от прочих, возникающих от воздействия проезжающего мимо транспорта, ветра и т п., не представляется возможным. Поэтому желательно исключить срабатывание сторожа от коротких пачек импульсов датчика (по крайней мере, длительностью менее 1 с), а тем более от одиночных импульсов. Иначе говоря, подключение выхода усилителя сигналов датчика вибрации непосредственно к входу триггера охранного устройства следует признать недостатком.

С учетом сказанного выше, конструкция [1] была переработана. Музыкальный синтезатор и усилитель звуковой частоты заменены обычным реле звукового сигнала. Приняты меры по снижению вероятности ложных срабатываний. Паразитная акустико-механическая обратная связь между датчиком и звуковым сигналом исключена безрелейным методом - на время сигнала тревоги электронный узел блокирует прохождение импульсов датчика вибрации на вход сторожа, после чего с некоторой задержкой блокировка снимается. Предусмотрены контактные датчики, повышающие общую надежность охраны

Принципиальная схема сторожа показана на рис. 1.

Мотоциклетный охранный сигнализатор

Электронный узел собран всего на одной микросхеме, но тем не менее содержит все необходимые для подобного рода устройств функциональные составляющие: триггер, таймер, генератор.

Роль триггера и таймера играет одновибратор, выполненный на триггерах Шмитта DD1.2 и DD1.3. Цепь C3R4 определяет длительность импульса высокого уровня на выходе одновибратора, что соответствует продолжительности звучания сигнала тревоги (при указанных на схеме номиналах примерно 23...25 с).

На триггере Шмитта DD1.4 и частотозадающей цепи C6R5 собран генератор на частоту около 0,7 Гц. С этой частотой периодически включается реле сигнала К1 - нагрузка усилителя тока на транзисторе VT1.

Триггер Шмитта DD1.1 обеспечивает нечувствительность сторожа к импульсам датчика на время звучания сигнала тревоги а также и после его окончания на время, определяемое цепью R3C2. Это исключает повторное срабатывание сторожа под воздействием затухающих колебаний рамы мотоцикла и собственно пьезоэлемента датчика, вызванных акустомеханическим воздействием звукового сигнала.

Цепь R1R2C1 согласует датчик вибрации с электронным узлом сторожа. Этот датчик, разработанный Ю.Виноградовым [3], кроме М. Чуруксаева и В. Банникова, тоже без изменения применил и В. Прямушко [4] в своем автостороже. Датчик хорош тем, что не только работоспособен практически в любом положении, но к тому же прост в изготовлении и дешев.

Тем не менее мне пришлось провести ряд экспериментов с преобразователем механических колебаний в электрические (с пьезоэлементом BQ1 и его крепежными деталями) с целью увеличения чувствительности и надежности при работе сторожа на мототранспорте. Для борьбы с ложными срабатываниями Ю. Виноградов предложил использовать анализатор на счетчике импульсов. С предлагаемым мною преобразователем лучше работает простейшая интегрирующая цепь R2C1 с шунтирующим резистором R1. Она учитывает не только частоту снимаемых импульсов, но и их длительность, а также амплитуду.

Поскольку конденсатор С1 заряжается через резистор R2, а разряжается через суммарное сопротивление резисторов R1 и R2, время его зарядки и разрядки неодинаково. Нетрудно заметить, что изменением соотношения номиналов резисторов R1 и R2 можно исключить влияние на работу мотосторожа не только единичных, никоим образом взаимно не связанных импульсов, но и пачек (и даже непрерывных колебаний).

Это весьма полезное свойство, например, для защиты от колебаний, вызванных сильным дождем (при соответствующей чувствительности детектора). Как отмечалось, при значительной интенсивности вибрации на выходе датчика устанавливаются прямоугольные колебания с более или менее определенной частотой, скважностью, близкой к двум, и амплитудой, равной напряжению питания. Цепь R1R2C1 определяет задержку включения сигнала тревоги, которую желательно выбирать не менее 1 с.

Цепь R1R2C1 пригодна для работы и с другими датчиками вибрации. Необходимо только соответствующим образом подобрать номиналы ее деталей Мотосторож срабатывает при напряжении на конденсаторе С1, превышающем верхний порог переключения триггера Шмитта DD1.1. Применение в стороже триггеров Шмитта повышает четкость переключения в условиях относительно медленно меняющегося входного напряжения.

Реле К2, управляемое контактными датчиками SF1, SF2 работает в устройстве дополнительной защиты мотоцикла Оно может оказаться полезным, когда вышел из строя датчик вибрации (либо его применение затруднено например погодными условиями) или электронный узел, а также, если мотоцикл находится вне пределов видимости (в лесу, в гараже неподалеку от дома)

Дело в том, что довольно скоро слух уже четко фиксирует на фоне шума однократное включение тревоги (можно даже сосчитать число включений сигнала - 17-18 при указанных на схеме номиналах цепи R4C3). Такой сигнал явно свидетельствует о срабатывании датчика вибрации, но не позволяет однозначно судить о его причине. Если же зазвучавший сигнал вдруг неожиданно прервался, это должно вызвать законное беспокойство. Может и так случиться, что ваш мотоцикл ударил другое транспортное средство. Тогда контактные датчики не выключат сигнал, пока вы не вмешаетесь.

В качестве контактных датчиков (их может быть несколько включенных параллельно) подойдут как кнопочные выключатели, так и замкнутые герконы. На схеме представлены оба варианта. В режиме охраны замкнутые контакты выключателя SF1 и геркона SF2 должны быть разомкнуты, реле К2 при этом обесточено и его контакты также разомкнуты.

Кнопка SF1 может быть, например, установлена под седлом (где обычно находятся инструменты) таким образом, чтобы зафиксированное защелкой на своем месте седло нажимало на кнопку и размыкало контакты. При попытке его снять контакты замкнутся.

Геркон можно установить внутри рамной трубы, в которой на подшипниках вращается ось вилки переднего колеса (этот вариант, правда, требует разборки рулевого узла с демонтажом верхнего подшипника). Геркон крепят через немагнитную прокладку к внутренней стенке трубы рамы, а на валу вилки напротив геркона через такую же прокладку устанавливают магнит с таким расчетом, чтобы срабатывание (размыкание) геркона происходило при повороте руля от одного из крайних положений примерно на четверть полного угла его вращения. В этом случае при попытке угнать мотоцикл, снять колесо и т. п. произойдет замыкание геркона.

Для того чтобы облегчить владельцу установку руля в необходимое положение, служит светодиод HL1 После срабатывания устройства сигнал тревоги звучит независимо от дальнейшего состояния геркона, а светодиод в режиме охраны обесточен.

Устройство некритично к выбору деталей. Температурные условия эксплуатации мотоцикла допускают применение оксидных конденсаторов во времязадающих цепях (использованы миниатюрные импортные ELNA). Реле К1 - малогабаритное импортное HG4123/012-1C, что позволило смонтировать его на плате. Вместо него подойдут широко распространенные автомобильные реле, но придется устанавливать реле рядом с сигналом. Реле К2 - любое малогабаритное с соответствующим напряжением срабатывания (например, РЭС49, паспорт РС4.569.421-02).

Кнопка SF1 должна выдерживать большие механические нагрузки - подойдут автомобильные выключатели освещения салона, устанавливаемые на дверях, или выключатель из серии КР (кнопочный разрыватель). Геркон использован с переключающими контактами (неиспользуемый вывод оставить свободным).

Плату с деталями электронного узла помещают в прочную металлическую коробку-экран.

Датчик состоит из преобразователя вибрации, основой которого служит пьезоэлемент от звукоизлучателя ЗП-18, и усилителя-формирователя, собранного на ОУ DA1 и транзисторе VT1 (см. схему на рис. 2, заимствованную из [3]).

Мотоциклетный охранный сигнализатор

Пьезоэлемент на латунной пластине извлекают из корпуса звукоизлучателя и припаивают к ней две стойки из стальной упругой проволоки диаметром 0,5...0,7 мм, как показано на рис. 3. Одну стойку припаивают к краю пластины, а другую к проводящему покрытию пьезоэлемента также вблизи его края. Припаяннье стойки должны бьть параллельны одна другой.

Мотоциклетный охранный сигнализатор

Чтобы не повредить пьезоэлемент при пайке, желательно использовать возможно более легкоплавкий припой и соответственно уменьшить температуру нагревания паяльного стержня. Не следует стремиться к минимальной площади паяного контакта на пьезоэлементе - при эксплуатации пайка может отслоиться. Оптимальная площадь - около 3x4 мм. Расстояние между стойками 9,5. 10 мм.

На дальнем от стоек конце получившейся консоли на край латунной пластины со стороны, противоположной пьезоэлементу, напаивают дополнительный груз из припоя Добавляя или убавляя массу груза легко регулировать чувствительность преобразователя.

Свободные концы стоек преобразователя облуживают и впаивают в плату при окончательной сборке датчика. Плату изготовляют из фольгированного стеклотекстолита толщиной 1,5 мм. Чертеж платы представлен на рис. 4. Плату помещают в кожух-экран, спаянный из жести, который самонарезающим шурупом крепят к корпусу мотоцикла. Преобразователь BQ1 не должен при работе касаться стенок кожуха.

Мотоциклетный охранный сигнализатор

Габариты датчика - 25x25x18 мм. Его подключают к электронному узлу тремя проводниками в надежной изоляции.

Конденсатор С1 в датчике -К53-19 - блокировочный в цепи питания. Плата рассчитана на установку транзистора КТ361Г, однако лучшие результаты были получены с импортным транзистором 2SA881R с аналогичной цоколевкой. Подстроечный резистор R2 - СПЗ-19а.

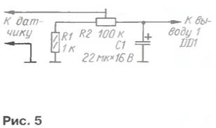
При налаживании сторожа уточняют желаемые временные выдержки подборкой номиналов RC-цепей. Подгонку параметров цепи R1R2C1 удобней производить непосредственно на мотоцикле. Для этого резистор R2 заменяют подстроечным, вместо резистора R1 припаивают другой, сопротивлением 1 ...2 кОм (для ограничения коллекторного тока транзистора датчика), как показано на рис. 5.

Мотоциклетный охранный сигнализатор

Движок резистора устанавливают в крайнее левое по схеме положение - минимальная чувствительность. Затем пытаются снять с мотоцикла какую-либо легкосъемную деталь (хотя бы пробку бензобака). Срабатывания сторожа не должно произойти. Передвигая поэтапно движок резистора вправо по схеме, добиваются, чтобы снятие детали вызывало четкое срабатывание сторожа. Манипуляции при снятии детали должны быть по возможности одинаковыми. После каждого воздействия на датчик необходимо выдержать некоторую паузу для разрядки конденсатора С1.

Найдя требуемое положение движка резистора R2, измеряют сопротивление получившихся плеч делителя и заменяют их постоянными резисторами.

Перед установкой сторожа в дежурный режим устанавливают руль мотоцикла в положение, при котором светодиод HL1 погаснет, и включают питание тумблером SA1.

В заключение следует отметить, что надежность охраны во многом зависит от скрытности и недоступности (в разумном временном интервале) элементов, ее обеспечивающих. Поэтому желательно для аккумуляторной батареи предусмотреть крепкий металлический хорошо запираемый ящик, звуковой сигнал защитить кожухом, а соответствующую проводку уложить в раме мотоцикла. Практическая реализация этих мер может быть различной в зависимости о типа транспортного средства.

Литература

  1. Чуруксаев М. Электронный "сторож" для мотоцикла. - Радио, 1998, № 11, с. 54,55.
  2. Банников В. Сторожевое устройство Радио, 2001. № 4, с. 44,45.
  3. Виноградов Ю. Датчик вибрации для охранного устройства. - Радио 1994 № 2, с. 38,39.
  4. Прямушко В. Охранно-сигнальное устройство Радио, 1998 № 3 с. 4,42

Автор: А.Мартемьянов, г.Северск Томской обл.

Смотрите другие статьи раздела Автомобиль. Охранные устройства и сигнализация.

Читайте и пишите полезные комментарии к этой статье.

<< Назад

Последние новости науки и техники, новинки электроники:

Канада планирует построить космодром 06.04.2026

Развитие космической инфраструктуры все чаще становится вопросом не только науки и технологий, но и национальной безопасности. Многие государства стремятся получить независимый доступ к космическим запускам, чтобы не зависеть от внешних партнеров и укреплять собственный технологический суверенитет. На этом фоне Канада объявила о запуске масштабного проекта по созданию собственного космодрома. Министр обороны Канады Дэвид Мак-Гинти сообщил, что правительство страны инвестирует 200 млн канадских долларов, что составляет около 150 млн долларов США, в строительство национального космодрома. Эти средства станут частью долгосрочной программы развития суверенных возможностей космических запусков. По словам Мак-Гинти, Министерство обороны подписало 10-летнее соглашение с компанией MLS на сумму 200 млн долларов. В рамках этого контракта планируется строительство стартовой площадки, которая будет использоваться не только военными структурами, включая Министерство обороны и Вооруженные силы ...>>

Обновленные телевизоры Xiaomi S Mini LED TV 2026 06.04.2026

Компания Xiaomi представила обновленную серию телевизоров S Mini LED TV 2026, которая заметно отличается от версии, недавно вышедшей на европейский рынок. Новое поколение ориентировано на расширенные возможности отображения и более гибкую конфигурацию экранов, что делает линейку более универсальной для разных сценариев использования. В обновленной серии Xiaomi S Mini LED TV 2026 предлагается сразу пять диагоналей, начиная от 55 дюймов и заканчивая внушительными 100 дюймами. Флагманская модель оснащена 1920 зонами локального затемнения, способна достигать пиковой яркости до 2000 нит и поддерживает частоту обновления изображения до 288 Гц, что делает ее особенно привлекательной для динамичного контента и игр. Младшая модель в линейке отличается в первую очередь количеством зон локального затемнения, которых здесь 576, однако остальные ключевые характеристики остаются на уровне старших версий. Это позволяет сохранить высокое качество изображения даже в более доступном сегменте, не ж ...>>

Беспилотный грузовой самолет с двигателем AEP100 05.04.2026

Авиационная отрасль стоит перед масштабной задачей перехода к экологически чистым технологиям, и одним из наиболее перспективных направлений считается использование водорода в качестве топлива. Этот элемент рассматривается как потенциальная альтернатива традиционным видам авиационного топлива благодаря своей энергоэффективности и отсутствию углеродных выбросов при использовании. На этом фоне Китай сообщил об успешном испытании беспилотного грузового самолета, оснащенного турбовинтовым двигателем AEP100 мегаваттного класса, работающим на водороде. Это событие стало важным этапом в развитии авиационных технологий, так как позволило протестировать двигатель в реальных условиях полета, а не только в лабораторной среде. Испытательный полет был проведен в субботу, 4 апреля, в городе Чжучжоу, расположенном в китайской провинции Хунань. Именно там впервые в реальных условиях был задействован водородный авиационный двигатель подобной мощности, что дало возможность оценить его стабильность ...>>

Случайная новость из Архива

Межсетевой экран D-Link NetDefend UTM DFL-870 10.10.2016

Компания D-Link объявила о выпуске межсетевого экрана серии NetDefend UTM DFL-870, предназначенного для комплексного решения задач управления, мониторинга и обслуживания безопасной сетевой инфраструктуры в распределенных корпоративных сетях. Как рассказали CNews в компании, межсетевой экран DFL-870 оснащен шестью настраиваемыми портами Gigabit Ethernet (по умолчанию - 2 WAN-порта, 1 DMZ-порт и 3 LAN-порта), консольным портом mini-USB и двумя USB-портами (зарезервированы для использования в последующих версиях встроенного ПО). DFL-870 выполнен в металлическом корпусе с возможностью установки в 19-дюймовую стойку при помощи входящих в комплект поставки креплений.

Новый межсетевой экран поддерживает резервирование каналов Route FailOver, возможность организации до 128 VLAN, настройку политик доступа, протоколы OSPF и SNMP v1/v2с. Производительность устройства обеспечивает высокие скорости открытия новых сессий и обработки трафика, включая IPS, AV и WCF.

DFL-870 обеспечивает высокоэффективное предотвращение известных атак и атак zero-day на основе технологии компонентных сигнатур IPS; потоковое AV-сканирование с использованием сигнатур от Kaspersky Labs без сохранения входящих файлов в кэш; фильтрацию Web-содержимого на базе серверов глобальных индексов, "черных списков", политик и настроек. Встроенная поддержка VPN позволяет организовывать PPTP-, L2TP- и IPSec-туннели (IKEv1 и IKEv2) для безопасного удаленного доступа к корпоративным данным с использованием шифрования DES (56 бит).

DFL-870 поддерживает функцию ZoneDefense, позволяющую при совместной работе с рядом коммутаторов серии xStack D-Link блокировать инфицированные компьютеры и предотвращать распространение вредоносного трафика по внутренней сети.

Настройка, управление и мониторинг DFL-870 могут осуществляться с помощью Web-интерфейса, консольного или удаленного SSH-доступа. Среди функций управления: удаленное управление, политики управления полосой пропускания, блокировка по URL/ключевым словам, политики доступа и SNMP. Также поддерживаются такие функции сетевого мониторинга, как уведомление по e-mail, системный журнал, проверка устойчивости и статистика в реальном времени.

DFL-870 доступен для заказа у официальных реселлеров компании D-Link с начала ноября 2016 г. по рекомендованной цене для конечных пользователей $875. Для поддержки перехода на новую модель всем клиентам, подтвердившим заказ до конца декабря 2016 г., DFL-870 будет предложен по цене популярного межсетевого экрана DFL-860E.

Для DFL-870 доступны дополнительные лицензии на управление приложениями (DFL-870-AC-12-LIC), антивирус (DFL-870-AV-12-LIC), предотвращение вторжений (DFL-870-IPS-12-LIC), контентную фильтрацию Web-содержимого (DFL-870-WCF-12-LIC).

Другие интересные новости:

▪ Автомобильные шины загрязняют мировой океан микропластиком

▪ Алмазный термометр

▪ Смартфоны быстрее заряжаются и понимают голос

▪ Новый рекорд скорости оптоволоконного соединения

▪ Кондиционеры GE Appliance с поддержкой Apple HomeKit

Лента новостей науки и техники, новинок электроники

 

Интересные материалы Бесплатной технической библиотеки:

▪ раздел сайта Интересные факты. Подборка статей

▪ статья Загрязнение атмосферы в результате работы подвижных источников выбросов. Основы безопасной жизнедеятельности

▪ статья Какому знаменитому физику вручили Нобелевскую премию в области химии? Подробный ответ

▪ статья Начальник отдела инноваций. Должностная инструкция

▪ статья Антивандальная защита светильника. Энциклопедия радиоэлектроники и электротехники

▪ статья Электронные трансформаторы для галогенных ламп на 12 В. Энциклопедия радиоэлектроники и электротехники

Оставьте свой комментарий к этой статье:

Имя:


E-mail (не обязательно):


Комментарий:





Главная страница | Библиотека | Статьи | Карта сайта | Отзывы о сайте

www.diagram.com.ua

www.diagram.com.ua
2000-2026