Menu Home

Бесплатная техническая библиотека для любителей и профессионалов Бесплатная техническая библиотека


Ноутбук - маршрутный компьютер. Энциклопедия радиоэлектроники и электротехники

Бесплатная техническая библиотека

Энциклопедия радиоэлектроники и электротехники / Автомобиль. Электронные устройства

Комментарии к статье Комментарии к статье

Некоторые модели автомобилей ВАЗ оборудованы маршрутным компьютером МК-21093. Этот прибор, обрабатывая сигналы датчиков скорости (ДСА) и расхода топлива (ДРТ). выводит на индикатор прошедшее с начала поездки время, пройденное расстояние, среднюю скорость, расход бензина (мгновенный, за поездку или средний на 100 км). Модификации компьютера для автомобилей семейства ВАЗ-2110 измеряют, кроме того, и некоторые другие параметры - напряжение бортовой сети, температуру в кабине и за бортом. Вся эта информация, безусловно, полезна, но, к сожалению, на индикаторе в каждый момент отображается только один из параметров, причем при беглом взгляде трудно определить, какой именно. Да и переключать режимы приходится практически вслепую. Надписи над кнопками почти не видны, особенно при плохом освещении. А чтобы выбрать, например, самый экономичный режим движения, водителю приходится постоянно следить за индикатором компьютера, отвлекаясь от дороги, а это уже небезопасно.

Пользуясь таким маршрутным компьютером, водитель спустя некоторое время приходит к выводу, что прибор, конечно, интересен, но... не нужен. Другое дело, если бы показания датчиков можно было записать в своеобразный "черный ящик", а после поездки воспроизвести. Тут уж представилась бы возможность в спокойной обстановке выявить все закономерности и учесть их в следующих поездках. Возникает также законное желание оперативно получать информацию, например, об остатке бензина в баке или расстоянии, которое можно на нем проехать. Неплохо бы иметь звуковую сигнализацию о том. ню пройдено заданное расстояние, достигнута (или превышена) заданная скорость. А если установить дополнительные датчики, то можно измерять и индицировать многое другое, вплоть до положения автомобиля на карте города.

Мысль доработать имеющийся бортовой компьютер довольно быстро была отброшена. Дело в том, что основа компьютера - специализированный микроконтроллер КР1820ВЕЗ-021 с масочным ПЗУ. программу которого очень сложно "взломать", но еще сложнее переработать. Даже если бы удалось заменить микроконтроллер другим, скажем, серии КМ 1830. ограниченные возможноети индикатора (всего четыре десятичных разряда) и недостаточное число управляющих кнопок на передней панели компьютера, все равно не позволят что-либо улучшить. Что же касается записи показаний датчиков, то работу по изготовлению этой системы пришлось бы начинать "с нуля".

В общем, остается одно - создавать маршрутный компьютер заново. Но перед тем, как "ковать железо", неплохо проверить на практике и отработать основные его алгоритмы. А для этого лучше всего подойдет портативный компьютер ноутбук с большим ЖК экраном и полноценной клавиатурой. Нужно только найти способ соединить его с установленными в автомобиле датчиками.

Чтобы разработать и скорректировать программу такого компьютера, пригодны все известные средства программирования для IBM PC. Накопленную информацию записывают на гибкий или жесткий диск (стремясь уберечь дисководы от повреждения, делать это лучше во время остановок, хотя бы у светофора). При желании (и наличии средств) можно вести запись на твердотельные карты памяти, которым не страшны механические воздействия. Воспроизводят запись на том же самом или любом другом компьютере, причем здесь доступны любые методы математической обработки и анализа.

ДСА маршрутного компьютера МК-21093 устанавливают на валу спидометра, делающем один оборот на метр пути. Выходная цепь датчика замыкается и размыкается десять раз за каждый оборот, генерируя 10000 импульсов на километр. ДРТ из того же комплекта генерирует 16000 импульсов на каждый литр прошедшего через него бензина. Оба датчика требуют питания напряжением 12 В от бортовой сети автомобиля.

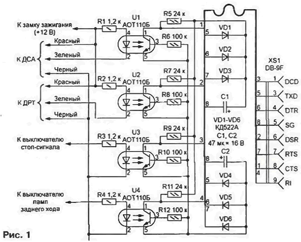
Сигналы от датчиков, а также о нажатии на педаль тормоза и включении заднего хода удобнее всего подать на входы имеющегося в каждом компьютере коммуникационного порта. Схема устройства сопряжения показана на рис. 1. Его размещают в любом удобном месте автомобиля, а кабельную розетку XS1 соединяют с вилкой СОМ1 или COM2 компьютера. Для приема сигналов использованы входы порта CTS, DSR, DCD и RI. Стандартный адаптер последовательного порта IBM-совместимого компьютера способен автоматически генерировать запросы прерывания при изменении логического уровня на любом из них. Оптроны U1-U4 обеспечивают взаимную гальваническую развязку цепей автомобиля и компьютера. Напряжение питания коллекторных и эмиттерных цепей транзисторов оптронов формирует выпрямитель на диодах VD1-VD6. Для нормальной работы устройства сопряжения необходимо установить противоположные логические уровни на любых двух из трех имеющихся выходах (TXD, RTS, DTR).

Ноутбук - маршрутный компьютер

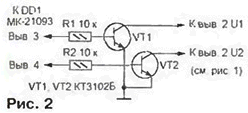
Если в автомобиле компьютер МК-21093 уже установлен и датчики подключены к нему штатно. необходимые сигналы можно снять и с МК, обеспечив таким образом его одновременную работу с компьютером ноутбук. Для этого нужно дополнить узел сопряжения (рис. 1) двумя транзисторными инверторами, как показано на рис. 2.

Ноутбук - маршрутный компьютер

Левые по схеме выводы резисторов подключают к указанным выводам микросхемы DDI (К561ТЛ1), установленной на процессорной плате маршрутного компьютера. Учтите, что на ней имеются две микросхемы K561TTU. DD1 - та из них, которая находится примерно в центре платы. Напряжение +12 В на узел сопряжения подают с контакта 5 вилки ХР1, а общий провод соединяется с ее контактами 2, 7 или 8.

В автомобилях, оборудованных электронным блоком управления (ЭБУ) фирмы "Дженерал Моторс", сигнал ДСА можно снять с контакта В4 розового разъема этого блока или с контакта 2 восьмиконтактного (белого цвета) соединителя жгутов панели приборов и системы управления двигателем. Сигнал ДРТ снимают с контакта С2 голубого разъема ЭБУ или с контакта 3 упомянутого соединителя. Провод сигнала ДСА в жгуте системы управления двигателем - голубой с красным и имеет номер 42. а ДРТ - желтый с черным, его номер 71. Для сопряжения с СОМ-пор-том компьютера допустимо воспользоваться уже описанным узлом с дополнением согласно рис. 2.

Исходный текст программного модуля TripCOM. обрабатывающего сигналы датчиков, приведен в таблице. В процессе инициализации он запрашивает и получает от операционной системы необходимый объем памяти для массивов данных, устанавливает нужный режим работы последовательного порта, а имеющиеся в компьютере часы реального времени с помощью функции 06 прерывания 1АН настраивает так, что они каждую секунду генерируют запросы прерывания 4АН. Перед завершением работы модуль автоматически вызывает процедуру NewExrtProc. восстанавливающую "статус кво".

Ноутбук - маршрутный компьютер
(нажмите для увеличения)

Прерывания, генерируемые адаптером последовательного порта, при изменении любого из входных сигналов обрабатывает процедура NewComlnt. Она определяет, от какого из датчиков поступил импульс, и увеличивает на два показания соответствующего счетчика. Младшие разряды счетчиков в подсчете импульсов не участвуют. В один из них процедура записывает логическую 1, если нажата педаль тормоза, а в другой - если включена передача заднего хода.

Ежесекундные прерывания от часов обрабатывает процедура RTCAIarm. считывающая показания счетчиков импульсов, поступивших от ДСА и ДРТ. Так как после считывания переменные обнуляются, числа, которые заносят в массивы, адресуемые указателями pDIST и pFUEL, пропорциональны (без учета младших разрядов) соответственно пройденному за последнюю секунду расстоянию и израсходованному за этот же интервал объему топлива. Младшие разряды чисел говорят о состоянии педали тормоза и включении передачи заднего хода. Переменная W содержит индекс ячейки (одинаковый для обоих массивов), в которую будет произведена очередная запись. После достижения конца массива его заполнение начнется с начала. Так как размер обычного массива в IBM PC не может превышать 64 Кбайт, необходимо через каждые 8.. 9 ч непрерывной работы данные из оперативной памяти автоматически или по команде оператора переписывать на жесткий диск (или другой внешний носитель).

Чтение и обработка данных из массивов - забота основной программы, которая не приводится из-за большого объема. Наши читатели могут ее найти на сайте paguo.ru. Она активно использует модуль TripCOM. в том числе имеющиеся в нем функции перевода показаний счетчиков в мгновенные значения скорости движения в км/ч (V). расхода топлива в л/ч (Fh) и на 100 км пути (F100). Функция GX возвращает вычисленные по данным ДСА значения продольной перегрузки (в единицах д). возникающей при разгоне и торможении автомобиля.

Значения логических функций Brake и Reverse равны true, если соответственно нажата педаль тормоза или включена передача заднего хода. Процедура GetSampIe служит для указания упомянутым выше процедурам и функциям, какой именно отсчет показаний счетчиков следует обрабатывать, и выполняет над ним некоторые предварительные операции. Эту процедуру следует вызывать каждый раз при смене обрабатываемой "секунды".

Параметры датчиков заданы константами Nkm (число импульсов ДСА на километр пути) и N1 (число импульсов ДРТ на литр прошедшего через него топлива). Если в автомобиле установлены датчики, отличающиеся от входящих в комплект компьютера МК-21093, достаточно изменить соответствующие значения в разделе констант секции интерфейса модуля TripCOM. Например, для работы с упоминавшимся выше ЭБУ Nkm должно быть равно 6000.

Несколько слов об особенностях вычисления мгновенного расхода топлива на 100 км пути. В соответствующей формуле скорость движения автомобиля находится в знаменателе, поэтому при медленной езде возможно переполнение разрядной сетки процессора, а во время остановок - деление на 0. Чтобы избежать этих ошибок, компьютер МК-21093 вычисляет расход топлива на 100 км пути только при движении со скоростью более 27 км/ч. В функции F100 рассматриваемого модуля приняты меры против переполнения, а возвращаемое значение независимо от скорости ограничено значением F100max (в нашем случае равным 30 л).

Пример графиков, построенных по данным, записанным при движении автомобиля ВАЗ-21099 по улицам Москвы, показан на рис. 3. Кривая скорости благодаря инерционности автомобиля - весьма плавная, чего нельзя сказать о расходе топлива. Именно его неравномерность не дает возможности, глядя на постоянно меняющиеся показания цифрового индикатора компьютера МК-21093. точно определить текущее значение. Кривая расхода топлива на 100 км. показанная на рис. 3, построена по усредненным за несколько минут значениям, что делает ее более наглядной.

Ноутбук - маршрутный компьютер

Поездка проходила в потоке транспорта в утренний час пик. Быстрое движение (иногда с превышением установленных ограничений скорости) чередовалось с остановками у светофоров. Один из них (примерно в 8 ч 1 мин) удалось преодолеть только во втором цикле его работы. Несколько минут, начиная с 7 ч 55 мин. автомобиль "полз" в пробке. Всего за 20 мин было пройдено немногим более 11 км и израсходовано 1,3 л бензина. Для сравнения, при езде на том же автомобиле с примерно постоянной высокой скоростью (например, по Московской кольцевой автодороге) на 100 км расходуется 5...7 л бензина.

Статистическая обработка записанных данных позволяет выявить закономерности, представляющие определенный интерес для водителей и специалистов по автомобильной технике. Например, на рис. 4 приведена зависимость расхода топлива от средней скорости движения по городу, а на рис. 5 - от ускорения автомобиля при разгоне и торможении двигателем.

Ноутбук - маршрутный компьютер

Графики построены по средним значениям параметров за несколько поездок без дополнительной обработки (сглаживания).

Автор: А.Сергеев, г.Москва

Смотрите другие статьи раздела Автомобиль. Электронные устройства.

Читайте и пишите полезные комментарии к этой статье.

<< Назад

Последние новости науки и техники, новинки электроники:

Власть является ключевым фактором счастья в отношениях 11.03.2026

Исследования семейных и романтических отношений показывают, что длительное счастье пары зависит не только от привычных факторов, таких как доверие, уважение и преданность, но и от более тонких психологических аспектов. Современные ученые ищут закономерности, которые отличают действительно счастливые пары от остальных, чтобы понять, какие механизмы поддерживают гармонию в отношениях. Группа исследователей из Университета Мартина Лютера в Галле-Виттенберге и Бамбергского университета провела опрос среди 181 пары, которые состояли в совместных отношениях более восьми лет и прожили вместе хотя бы месяц. Участники заполняли анкету, описывая различные аспекты своих отношений, включая распределение обязанностей, эмоциональную поддержку и степень вовлеченности в совместные решения. Анализ данных показал интересный паттерн: пары, где оба партнера ощущали высокий уровень личной власти, оказывались наиболее счастливыми и удовлетворенными. В данном контексте под властью понимается способност ...>>

Защищенная колонка-повербанк Anker Soundcore Boom Go 3i 11.03.2026

Компания Anker представила новую модель линейки Soundcore - колонку Soundcore Boom Go 3i, ориентированную на активное использование на улице. Новинка отличается высокой степенью защиты: корпус соответствует стандарту IP68, что обеспечивает водо- и пыленепроницаемость, а ударопрочный дизайн выдерживает падение с высоты до одного метра. За качество звука отвечает 15-ваттный драйвер, обеспечивающий пик громкости до 92 дБ, а технология BassUp 2.0 усиливает низкие частоты, делая звучание более насыщенным. Колонка обладает автономностью до 24 часов, а LED-индикатор позволяет контролировать уровень заряда батареи. Кроме того, Soundcore Boom Go 3i может выполнять функцию павербанка: согласно внутренним тестам, устройство способно зарядить iPhone 17 с нуля до 40% за один час, что делает его полезным аксессуаром в походах и поездках. Среди функциональных особенностей модели стоит выделить технологию Auracast, которая улучшает подключение и позволяет создавать стереопару из двух колонок ...>>

Раннее воздержание от алкоголя перестраивает мозг и иммунитет 10.03.2026

Алкогольная зависимость - хроническое расстройство с компульсивным употреблением спиртного, которое влияет не только на поведение, но и на функционирование мозга и иммунной системы. Недавние исследования показали, что даже на ранних этапах воздержания организм начинает перестраиваться, открывая новые возможности для терапии зависимости. Ученые сосредоточились на пациентах, находящихся в первые недели абстиненции, и зафиксировали значительные изменения в мозговой активности. С помощью функциональной магнитно-резонансной томографии они выявили перестройку сетей нейронных связей, отвечающих за контроль импульсов и принятие решений. Эти изменения могут быть ключевыми для восстановления самоконтроля и снижения риска рецидива. Одновременно с нейронной перестройкой исследователи наблюдали колебания иммунной системы. В крови повышался уровень цитокинов - сигнальных белков, регулирующих воспалительные процессы. Эти данные свидетельствуют о существовании нейроиммунного взаимодействия, при ...>>

Случайная новость из Архива

Манипулятор Canadarm3 для космической станции Lunar Gateway 16.03.2022

Министр инноваций, науки и промышленности Канады Франсуа-Филипп Шампань объявил, что компания MacDonald, Dettwiler and Associates Ltd. (MDA) получит $268,9 млн на реализацию второго этапа Canadarm3. Напомним, Canadarm3 - это сервисный роботизированный манипулятор для окололунной космической станции Lunar Gateway.

Канада использует политику Industrial and Technological Benefits Policy, которая предусматривает, что вклад страны в Lunar Gateway будет спроектирован и построен в Канаде при непосредственном участии канадских поставщиков. Отмечается, что MDA будет поддерживать исследования и разработки, создавать дальнейшую деловую активность на ключевых промышленных мощностях в космическом секторе Канады.

MDA будет использовать выделенные средства для начала этапа проектирования робототехнической системы Canadarm3. На этапе разработки будут задействованы технологии машинного видения и передовые разработки в сфере искусственного интеллекта. По задумке авторов проекта, система Canadarm3 должна быть высокоавтономной робототехнической системой, предназначенной для обслуживания, ремонта и проверки Lunar Gateway. Кроме того, Canadarm3 должна захватывать приближающиеся космические аппараты, помогать астронавтам во время выхода в открытый космос и поддерживать научные исследования как на лунной орбите, так и на поверхности Луны.

Canadarm3 планируется запустить в 2027 году. Система будет состоять из большого роботизированного манипулятора следующего поколения, маленького проворного манипулятора и набора специализированных инструментов.

Другие интересные новости:

▪ Смартфон Vivo Xplay управляется взглядом

▪ Полнофункциональный сервер Thecus NAS 2U

▪ Облачная платформа Oracle Data Cloud

▪ Гиперзвуковой биплан

▪ Владельцы BlackBerry могут общаться бесплатно

Лента новостей науки и техники, новинок электроники

 

Интересные материалы Бесплатной технической библиотеки:

▪ раздел сайта Большая энциклопедия для детей и взрослых. Подборка статей

▪ статья Аш-теорема. История и суть научного открытия

▪ статья Как немецких неонацистов призвали отказаться от своих убеждений с помощью стиральных машин? Подробный ответ

▪ статья Гречка расширенная. Легенды, выращивание, способы применения

▪ статья Ветроэнергетика за рубежом. Энциклопедия радиоэлектроники и электротехники

▪ статья Термостабилизатор для паяльника. Энциклопедия радиоэлектроники и электротехники

Оставьте свой комментарий к этой статье:

Имя:


E-mail (не обязательно):


Комментарий:





Главная страница | Библиотека | Статьи | Карта сайта | Отзывы о сайте

www.diagram.com.ua

www.diagram.com.ua
2000-2026