Menu Home

Бесплатная техническая библиотека для любителей и профессионалов Бесплатная техническая библиотека


Маршрутный компьютер МК-21093. Энциклопедия радиоэлектроники и электротехники

Бесплатная техническая библиотека

Энциклопедия радиоэлектроники и электротехники / Автомобиль. Электронные устройства

Комментарии к статье Комментарии к статье

Если вы установите это небольшое по габаритам устройство на панели приборов своего автомобиля, оно сможет контролировать и выводить на цифровое табло по вашему желанию до семи весьма важных параметров движения по трассе.

Описанный здесь вариант прибора рассчитан на монтаж в "восьмерки" и "девятки" Волжского автозавода. Для работы на других автомобилях в устройство необходимо будет внести большие или меньшие изменения. О доработке маршрутного компьютера МК-21093 для установки на таких автомобилях, как "Москвич" "Волга", первые модели ВАЗа, мы предполагаем рассказать в последующих публикациях.

Маршрутный компьютер МК-21093, выпускаемый Курским ОАО "Счетмаш", предназначен для установки на карбюраторные автомобили ВАЗ-2108 и ВАЗ-2109. Для новых моделей ВАЗ-2114 и ВАЗ-2115 предприятие выпускает модификацию этого компьютера - МК-2114 - в тех же габаритах, но с несколько отличающимися элементами индикации и большим числом выполняемых функций. Предусмотрен также вариант МК-2112 иного оформления для установки на автомобили ВАЗ-2110, ВАЗ-2111, ВАЗ-2112.

Маршрутный компьютер МК-21093 измеряет и индицирует семь параметров движения автомобиля. В каждый момент табло показывает значение одного параметра. Выбирают тот или иной интересующий параметр нажатием на кнопки. Перечень контролируемых параметров и пределы их значений представлены в табл.1.

Таблица 1

Контролируемый параметр Обозначение кнопки выбора параметра Размерность параметра Пределы значений параметра Дискрет отсчета ("цена деления")
Текущее время суток "Н" час. мин 00.00...23.59 1
Текущий расход топлива "МОМ" л/100 км 0...62,5 0,1
Средний расход топлива за поезду "L/100" л/100 км 0...99,9 0,1
Суммарный расход топлива за поездку "L" л 0...624,9 0,1
Пробег поездки "КМ" км 0...999,9 0,1
Средняя скорость поездки "КМ/Н" км/ч 0...199,9 0,1
Время поездки "Т" час. мин 00.00...99.59 1

Рабочий интервал напряжения питания компьютера - 10,8...15 В. Для сохранения информации в узле памяти оно не должно быть менее 6 В. При напряжении питания 13,5 В прибор потребляет ток не более 20 мА, когда индикация выключена, и не более 300 мА - при включенной.

Цепь ночной подсветки кнопок управления потребляет ток около 100 мА.

Время периодического обновления информации на табло (кроме временных параметров) - 1,7 с. Компьютер работоспособен при температуре окружающего воздуха от -40 до +60 ° С. При включении наружного освещения автомобиля яркость свечения цифрового табло компьютера уменьшается в 15...20 раз и включается ночная подсветка символов.

Значение основной погрешности компьютера при напряжении питания 13,5+0,2 В и температуре окружающей среды 25+10 ° С для текущего расхода топлива не превышает +(2 x 10-3 x Ax + 0,1), а для остальных (кроме временных) - не более +(0,5 x 10-3 x Ax + 0,1), где Ax - значение индуцируемого параметра.

В комплект маршрутного компьютера входят датчики расхода топлива и скорости автомобиля. Первый из них устанавливают в топливную магистраль между насосом и карбюратором. Этот датчик имеет коэффициент преобразования 16 000 импульсов на 1 литр протекающего бензина.

Второй устанавливают на привод спидометра у коробки передач, при этом возможность установки гибкого вала для привода механического спидометра сохраняется. Датчик вырабатывает 10 импульсов на один оборот вала спидометра (один метр пройденного пути). Автомобиль "Нива" имеет колеса увеличенного диаметра, и поэтому компьютер МК-21093 без доработки будет давать недопустимо большую погрешность.

Вообще, компьютер может быть установлен на любой европейский автомобиль, имеющий карбюраторный двигатель с суммарным объемом цилиндров до 2,8 л и привод спидометра, соответствующий классу А2 DIN 75532 (наружная резьба штуцера М18x1,5 и один оборот гибкого вала соответствует одному метру пробега автомобиля).

Структурно компьютер состоит из трех основных блоков (рис. 1): процессора, цифрового индикатора и клавиатуры, каждый из которых собран на отдельной печатной плате. Все платы размещены в пластмассовом кожухе, на лицевой панели которого размещены кнопки управления, светодиоды и табло цифрового индикатора. Питающее напряжение и сигналы от датчиков поступают к компьютеру через штыревую колодку разъема.

Маршрутный компьютер МК-21093

Выходные сигналы датчиков расхода топлива и скорости движения автомобиля поступают на микроЭВМ DD1 через формирователи импульсов, состоящие каждый из входного фильтра (Z1 и Z2) и компаратора (U1 и U2). Все узлы процессора питаются от стабилизированного блока питания, подключенного к бортовой сети автомобиля.

Преобразователь кода DD2 и индикатор HG1 блока индикации питаются от преобразователя напряжения блока питания процессора. Напряжение на преобразователь поступает с замка зажигания. Стабилизатор напряжения и преобразователь составляют блок питания G1 маршрутного компьютера.

Управляют режимом работы прибора и выбирают индицируемый параметр замыканием контактов S1-S10 клавиатуры. В состав клавиатуры входят также дешифратор DD3 и набор светодиодов HL1, которые индицируют выбранный параметр и подсвечивают надписи на панели прибора в темное время суток.

После подключения маршрутного компьютера к бортовой сети надо выполнить начальные предустановки, в результате чего он переходит в режим хранения информации. Включение зажигания переводит прибор в рабочий режим, включаются цифровое табло и светодиодные индикаторы на передней панели. Преобразователь напряжения обеспечивает питание анодных (15 В) и накальных (~ 2,4 В) цепей индикатора.

При движении автомобиля микроЭВМ в соответствии с записанной в ней на заводе-изготовителе программой обрабатывает информацию, содержащуюся в сигналах, поступающих с датчиков скорости и расхода топлива. Результат обработки поступает на индикатор.

Для получения желаемой информации водитель нажимает на соответствующую кнопку на клавиатуре, при этом выбранный режим индицирует на клавиатуре включившийся светодиод и одновременно цифровой индикатор высвечивает значение параметра. При движении в темное время суток включают габаритные огни автомобиля и напряжение из бортовой сети поступает на входящий в состав процессора узел А1 регулировки яркости свечения табло индикатора. В результате яркость свечения табло индикатора уменьшается в 15...20 раз, что обеспечивает более комфортное считывание информации при малой внешней освещенности.

Принципиальная схема процессора маршрутного компьютера показана на рис. 2. Все внешние устройства подключены к процессору через разъем Х1. С остальными блоками процессор связан тридцатью шестью проводниками, из них первые семнадцать соединены с платой блока индикации, а остальные девятнадцать - с платой клавиатуры.

Маршрутный компьютер МК-21093
(нажмите для увеличения)

Напряжение питания с контакта 5 разъема Х1 через диод VD2, защищающий устройство от аварийной смены полярности, и токоограничивающий резистор R3 поступает на микросхемный стабилизатор напряжения DA1. Полупроводниковый ограничитель VD3 защищает вход стабилизатора от случайных всплесков напряжения. Порог ограничения - 35 В; в нормальном режиме ограничитель закрыт. Для подавления переменной составляющей напряжения бортовой сети предусмотрены конденсаторы С5 и С6.

После включения зажигания и появления напряжения на контакте 3 разъема Х1 открываются транзисторы VT1, VT2 и питающее напряжение (около 12 В) поступает на датчик расхода топлива (на контакт 4) и стабилизированный преобразователь напряжения, выполненный на транзисторах VT4, VT3, трансформаторе Т1 и работающий с частотой 50...60 кГц. С выводов 1 и 3 трансформатора Т1 снимается повышенное переменное напряжение, которое после выпрямления диодом VD6 (~15 В) поступает на блок клавиатуры. Переменное накальное (импульсное) напряжение для питания люминесцентного цифрового индикатора поступает с отдельной обмотки (выводы 6-8) трансформатора.

Импульсный выходной сигнал датчика расхода топлива с контакта 1 разъема Х1 через ФНЧ R5C2 поступает на вход элемента DD1.1, имеющего прямоугольную передаточную характеристику (триггер Шмитта). Резистор R1 - нагрузочный резистор датчика. Импульсный выходной сигнал датчика скорости с контакта 9 разъема Х1 через развязывающий диод VD1 поступает на нагрузочный резистор R4 и через ФНЧ R6C4 - на вход такого же триггера Шмитта DD1.2.

На элементе DD1.3 собран формирователь сигнала "включено - выключено". Пока зажигание не включено и закрыт транзистор VT1, на входе элемента DD1.3 - низкий уровень, на выходе - высокий. Этот высокий уровень - сигнал "выключено" - удерживает микроЭВМ в режиме хранения информации. Низкий уровень с выхода элемента DD1.4 запрещает работу генератора на элементах DD2.3, DD2.4. При включении зажигания на выходе элемента DD1.3 формируется сигнал на включение микроЭВМ в виде минусового перепада напряжения.

МикроЭВМ выполнена на микросхеме DD3. Ее работа синхронизирована встроенным генератором с кварцевым резонатором ZQ1. На входы микроЭВМ поступают сигналы от формирователей и кнопок управления узла клавиатуры.

Узел управления яркостью свечения табло выполнен по схеме автогенератора импульсов на триггерах Шмитта DD2.3, DD2.4. Его рабочая частота - 0,8...1,2 кГц при скважности импульсов 15...20. Напряжение питания внешнего освещения автомобиля с контакта 6 разъема Х1 поступает на автогенератор через фильтр R19R18C15 и запускает его. Выходные импульсы генератора (с выхода элемента DD2.4) с контакта 5 выходной гребенки контактов процессора поступают к блоку индикации, а с контакта 32 - на вход клавиатуры.

Одновременно импульсы этого генератора (с выхода элемента DD2.3) вместе с сигналами с выходов D3 и G1 микроЭВМ подведены к входам элементов DD2.1, DD2.2 и к базе транзистора VT5. Выходные импульсы этих элементов также поступают на блок индикации (с контактов 3 и 4 соответственно) для управления яркостью свечения отдельных элементов табло. Импульсная последовательность с частотой автогенератора управления яркостью, снимаемая с коллектора транзистора VT5 (контакт 31 гребенки), использована в блоке клавиатуры.

Принципиальная схема блока индикации показана на рис. 3. Информация о численном значении того или иного параметра движения, вырабатываемая микроЭВМ процессора, с входных контактов 6-8, 10, 12-15 поступает в двоичном коде на входы преобразователей кода DD1-DD4. С выхода преобразователей сигналы в "семиэлементном" коде подведены к четырехразрядному вакуумному люминесцентному цифровому индикатору HG1, работающему в статическом режиме.

Маршрутный компьютер МК-21093
(нажмите для увеличения)

Как только на вход К преобразователей кода поступит импульсное напряжение (с контакта 5), постоянное напряжение на элементах-анодах становится последовательностью импульсов с большой скважностью. В результате этого яркость свечения включенных элементов табло уменьшается.

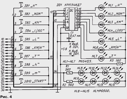
На рис. 4 показана схема блока клавиатуры. В его состав входят кнопки SB1-SB10 без фиксации, дешифратор DD1, две группы светодиодов - HL1-HL7 и HL8-HL15. Светодиоды первой группы индицируют выбираемые режимы работы, а второй - подсвечивают надписи на панели прибора в ночное время.

Маршрутный компьютер МК-21093

При нажатии на ту или иную кнопку клавиатуры изменяется режим работы микроЭВМ, и она передает соответствующую информацию на блок индикации и одновременно на дешифратор DD1 клавиатуры - включится один из светодиодов, сигнализируя о выбранном режиме.

Подобно тому, как это происходит в блоке индикации, здесь с включением габаритных огней автомобиля импульсное напряжение с генератора DD2.3, DD2.4 в процессоре поступает (с контакта 32) на инверсный стробирующий вход SB дешифратора DD1 (выв. 4) клавиатуры - яркость свечения светодиодов HL1-HL7 уменьшается.

Яркостью свечения подсвечивающих светодиодов HL8-HL15 управляет переключательный транзистор VT5, размещенный в процессоре.

В маршрутном компьютере применены постоянные резисторы С2-33, С2-42в (R3 в процессоре), оксидные конденсаторы - К50-35, подстроечный - КТ4-21б (С18 в процессоре), остальные - К10-73-1б. Кнопки в клавиатуре - ПКн159-1 (допускается их замена на ПКн159-3).

Биполярные транзисторы КТ9180Б и КТ817Г в процессоре заменимы транзисторами структуры БСИТ КП965В и КП961В соответственно. Вместо LM2931АТ-5 можно применить отечественный стабилизатор КР1158ЕН5А. Светодиоды в клавиатуре использованы зарубежные для того, чтобы обеспечить максимальную экономичность аппарата.

Маршрутный компьютер МК-21093 защищен свидетельством на модель и патентом на промышленный образец.

Авторы: И.Нечаев, Г.Рудоминский, г. Курск

Смотрите другие статьи раздела Автомобиль. Электронные устройства.

Читайте и пишите полезные комментарии к этой статье.

<< Назад

Последние новости науки и техники, новинки электроники:

Оптимальная продолжительность сна 12.11.2025

Сон играет ключевую роль в поддержании здоровья, когнитивных функций и общего самочувствия. Несмотря на широко распространенный стереотип о восьмичасовом сне, последние исследования показывают, что оптимальная продолжительность сна для большинства здоровых взрослых ближе к семи часам. Эволюционный биолог из Гарварда, Дэниел Э. Либерман, утверждает, что традиционная норма восьми часов сна - это скорее культурное наследие индустриальной эпохи, чем биологическая необходимость. По его словам, полевые исследования, проведенные в сообществах, не использующих электричество, показывают, что средняя продолжительность сна составляет 6-7 часов, что значительно отличается от общепринятого стандарта. Современные эпидемиологические данные подтверждают этот взгляд. Исследования выявили так называемую "U-образную кривую" зависимости между продолжительностью сна и рисками для здоровья. Минимальные показатели заболеваемости и смертности наблюдаются именно у людей, спящих около семи часов в сутки. ...>>

Дефицит кислорода усиливает выброс закиси азота 12.11.2025

Парниковые газы играют ключевую роль в изменении климата, а закись азота (N2O) - один из наиболее опасных среди них. Этот газ не только втрое сильнее углекислого газа в удержании тепла, но и разрушает озоновый слой. Недавнее исследование американских ученых показало, что микробы в зонах с низким содержанием кислорода активно производят N2O, усиливая глобальные климатические риски. Команда из Университета Пенсильвании изучала прибрежные воды у Сан-Диего и провела наблюдения на глубинах от 40 до 120 метров в Восточной тропической северной части Тихого океана - одной из крупнейших зон дефицита кислорода. Исследователи сосредоточились на том, как морские микроорганизмы превращают нитраты в закись азота. В ходе работы выяснилось, что существует два пути образования N2O. Один путь начинается с нитрата, другой - с нитрита. На первый взгляд более короткий путь должен быть эффективнее, однако микробы, использующие нитрат, продуцируют больше газа, поскольку этот "сырьевой" источник более д ...>>

Омега-3 помогают молодым кораллам выживать 11.11.2025

Сохранение коралловых рифов становится все более актуальной задачей в условиях глобального изменения климата. Молодые кораллы особенно уязвимы на ранних стадиях развития, когда стрессовые условия и нехватка питательных веществ могут привести к высокой смертности. Недавнее исследование ученых из Технологического университета Сиднея показывает, что специальные пищевые добавки способны существенно повысить выживаемость личинок кораллов. В ходе работы исследователи разработали особый состав "детского питания" для коралловых личинок. В него вошли масла, богатые омега-3 жирными кислотами, а также важные стерины, необходимые для формирования клеточных мембран. Личинки, получавшие эти добавки, развивались быстрее, становились крепче и демонстрировали более высокую устойчивость к стрессовым факторам. Особое внимание ученые уделили липидам. Анализ показал, что личинки активно усваивают эти вещества, что напрямую влияет на их жизнеспособность. Стерины, содержащиеся в корме, повышают устойчи ...>>

Случайная новость из Архива

Возможно, есть планеты, населенные разумными динозаврами 17.04.2012

Исследование профессора Колумбийского университета Рональда Бреслоу открывает новый взгляд на возможную инопланетную жизнь. Не исключено, что на других планетах могут жить разумные "тираннозавры" с интеллектом и хитростью людей, и нам лучше с ними не встречаться.

Рональд Бреслоу пытается разгадать главную тайну жизни: почему земные аминокислоты (которые составляют белки), сахары и генетический материал ДНК и РНК существуют в основном в одной ориентации. Есть две возможные ориентации: левая и правая, они отражают друг друга так же, как человеческие руки. Это явление известно как "хиральность". Для того чтобы возникла жизнь, белки должны содержать только один вид аминокислот: левый или правый. За исключением нескольких бактерий, аминокислоты земных живых существ имеют левую ориентацию, а большинство сахаров имеют правую ориентацию. Каким образом образовалась эта гомохиральность?

По мнению Бреслоу, "семена жизни" (аминокислоты) образуются в межзвездном пространстве, возможно, на астероидах. Изначально существует равное количество левых и правых аминокислот. Но под влиянием излучения звезд происходит селективное разрушение одной из форм аминокислот. Дело в том, что звезды излучают поляризованный свет, и в зависимости от типа поляризации "выживают" либо левые, либо правые аминокислоты. Затем метеориты с аминкислотами падают на планету и дают начало "левой" или "правой" жизни.

Бреслоу считает, что около 4 миллиардов лет назад неизвестный метеорит или астероид упал на Землю и "задал стандарт" земной жизни: левые аминокислоты. Исследование Бреслоу показывает, насколько важны космические аминокислоты для развития жизни. В частности, это означает, что жизнь в космосе может быть очень распространена, правда, в отличной от земной форме. Не исключено, что далекая неизвестная звезда имеет другую поляризацию и дала жизнь совершенно непохожим на людей существам на основе правых аминокислот и левых сахаров.

Другие интересные новости:

▪ Человек легко приспосабливается к шуму

▪ Еще одиннадцать спутников Юпитера

▪ Новая отладочная платформа для процессоров DaVinci

▪ Игровая ретро-консоль ODROID-GO Advance

▪ Флэш-накопитель Apacer AH650 с емкостным дактилоскопическим датчиком

Лента новостей науки и техники, новинок электроники

 

Интересные материалы Бесплатной технической библиотеки:

▪ раздел сайта Электрику. ПУЭ. Подборка статей

▪ статья Звук в автомобиле. Искусство аудио

▪ статья Что такое детектор лжи? Подробный ответ

▪ статья Аппаратчик стерилизации консервов. Типовая инструкция по охране труда

▪ статья Фототир на базе лазерной указки. Энциклопедия радиоэлектроники и электротехники

▪ статья Монета и спичечный коробок. Секрет фокуса

Оставьте свой комментарий к этой статье:

Имя:


E-mail (не обязательно):


Комментарий:





Главная страница | Библиотека | Статьи | Карта сайта | Отзывы о сайте

www.diagram.com.ua

www.diagram.com.ua
2000-2025