Menu Home

Бесплатная техническая библиотека для любителей и профессионалов Бесплатная техническая библиотека


Блок зажигания для ВАЗ-2108 и ВАЗ-2109. Энциклопедия радиоэлектроники и электротехники

Бесплатная техническая библиотека

Энциклопедия радиоэлектроники и электротехники / Автомобиль. Зажигание

Комментарии к статье Комментарии к статье

Описываемый блок зажигания предназначен для работы в бесконтактной системе зажигания автомобилей ВАЗ-2108 и ВАЗ-2109, укомплектованных прерывателем-распределителем 40.3706, а также модернизированных ВАЗ-2105 и ВАЗ-2107 с прерывателем-распределителем 38.10.3706 и ЗАЗ-1102 ("Таврия") с 53.3706. У этих машин датчиком момента искрообразования служит коммутатор тока, использующий эффект Холла. Блок зажигания пригоден и для автомобилей "Волга" и "Москвич", оборудованных "прерывателем" на эффекте Холла и серийной катушкой зажигания 27.3705 (ТУ 37.0031184 - 83) или близкой к ней по параметрам. Он заменяет серийные блоки зажигания 36.3734, 3620.3734 и зарубежные, выполняющие аналогичные функции.

По принципу работы блок относится к классу транзисторных с нормированием времени накопления энергии в катушке зажигания. Это обеспечивают два определенным образом связанных между собой ждущих мультивибратора, что позволило исключить счетверенный усилитель Нортона, используемый в известных зарубежных и отечественных устройствах. Кроме этого, блок* отличается использованием широко распространенных деталей отечественного производства, простотой конструкции, не требует специальной технологии изготовления, поэтому доступен в повторении.

Устройство выполняет следующие функции: формирует токовые импульсы зажигания в первичной обмотке катушки зажигания; ограничивает ток, протекающий через первичную обмотку, и напряжение на ней и своих выходных транзисторах; закрывает эти транзисторы, когда зажигание включено, а двигатель не запущен.

Ограничение токовых импульсов исключает перегревание катушки зажигания и выходного мощного транзистора блока, а ограничение напряжения снижает износ свечей зажигания и вероятность выхода из строя крышки и бегунка распределителя зажигания, транзисторов выходных ступеней блока. Выключение тока через катушку зажигания при незапущенном двигателе предотвращает безполезное нагревание элементов блока, катушки зажигания, разрядку аккумуляторной батареи и повышает пожаробезопасность автомобиля.

Основные технические характеристики

  • Коммутируемое напряжение, В ...6...17
  • Потребляемый ток, А, при частоте новообразования 33,3 Гц......0,9...1,2
  • Наибольший средний потребляемый ток, А . . 2,4...2,6
  • Коммутируемый ток через первичную обмотку катушки зажигания, А......8...10
  • Длительность пропускания тока через первичную обмотку катушки зажигания, мс......2,5...15
  • Время токовой отсечки при незапущенном двигателе, с......0,7...1,3
  • Наибольшая частота искрообразования, Гц, не менее......250
  • Напряжение на первичной обмотке катушки зажигания, В......380...420
  • Напряжение высоковольтного импульса, В, не менее, при напряжении бортовой сети 14 В......27 000
  • Скорость нарастания фронта высоковольтного импульса, В/мкс, не менее......700
  • Энергия искрового разряда, мДж......50...70
  • Длительность искрового разряда, мс......1,5...2

Принципиальная электрическая схема рассматриваемого блока зажигания с цепями подключения его к системе электрооборудования автомобиля представлена на рис. 1. Блок содержит узел запуска на транзисторе VT1, два одновибратора - первый на транзисторах VT2, VT3, а второй - на VT4, VT5, усилитель тока на транзисторе VT6, коммутатор тока на транзисторах VT7, VT8, включенных по схеме Дарлингтона.

Блок зажигания для ВАЗ-2108 и ВАЗ-2109
(нажмите для увеличения)

Временные диаграммы, показанные на рис. 2, поясняют работу коммутатора и процессы, происходящие в нем при увеличении частоты искрообразования fи. Диагр. 4 и 5 сняты непосредственно с конденсаторов С4 и С5, диагр. 7 - с резистора R24, 9 - с выхода измерительного делителя напряжения 10 МОм/1 кОм, а 10 - с резистора сопротивлением 10 Ом, включенного последовательно с искровым промежутком.

Блок зажигания для ВАЗ-2108 и ВАЗ-2109

Напряжение питания к бесконтактному датчику импульсов новообразования ("прерывателю") поступает через фильтр-ограничитель R19VD1C2C8. Диод VD6 защищает блок от аварийной перемены полярности питающего напряжения.

При включенном зажигании транзисторы VT2, VT3 и VT4, VT5 открыты, a VT6 и VT7, VT8 закрыты. Ток через катушку зажигания не протекает. Транзистор узла запуска VT1 может находиться в любом состоянии в зависимости от уровня сигнала, поступающего с датчика.

С началом вращения коленчатого вала двигателя на вход транзистора VT1 от датчика поступают запускающие импульсы длительностью Тд (диагр. 1). Когда транзистор VT1 закрыт (диагр. 2), конденсатор C3 заряжен через цепь R3R4 и эмиттерный переход транзистора VT3. Времязадающий конденсатор С4 заряжен до напряжения, ограниченного стабилитроном VD1, через транзисторы VT2, VT3, диод VD2 и резисторы R9, R10 (диагр. 4). Зарядка происходит за время около 0,4 с; это время в основном зависит от емкости конденсатора С4 и сопротивления резисторов R9, R10. Времязадающий конденсатор С7 также заряжен через транзисторы VT4, VT5 и резистор R17 (диагр. 6).

Как только на выходе датчика появится сигнал высокого уровня, транзистор VT1 откроется, конденсатор C3 разрядится по цепи R4VT1R8, что приведет к закрыванию транзистора VT3, транзистор VT2 также закрывается. Начинается перезарядка конденсатора С4 через цепь R5, R6, R12, R11, VD3. Таким образом, первый одновибратор формирует импульс задержки длительностью Т3, необходимый для запуска второго одновибратора.

Когда напряжение на конденсаторе С4 достигнет уровня, при котором открывается транзистор VT2, первый одновибратор возвращается в исходное состояние. На его выходе возникает спад импульса (диагр. 3), проходящий через цепь R1ЗС6 и запускающий второй одновибратор; транзисторы VT4 и VT5 закрываются.

Это приводит к увеличению напряжения на коллекторе транзистора VT5 (диагр. 6) и перезарядке времязадающего конденсатора С7 через резисторы R14, R18, R17. В результате транзисторы VT6-VT8 открываются, через первичную обмотку катушки зажигания Т1 начинает протекать ток (диагр. 7) от источника питания и в ней накапливается электромагнитная энергия в течение времени tнак. Одновременно с увеличением напряжения на коллекторе транзистора VT5 заряжается конденсатор С5 через резистор R18, диод VD5, транзистор VT3 (диагр. 5), и прекращает действовать зарядная цепь времязадающего конденсатора С4, несмотря на то, что транзисторы VT2 и VT3 открыты (см. диагр. 3 и 4). Его зарядка задерживается на время tнак, пока второй одновибратор не возвратится в исходное состояние.

Как только на выходе датчика "прерывателя" появится спад импульса, транзистор VT1 узла запуска закроется, второй одновибратор вернется в исходное состояние независимо от заряда на конденсаторе С7 из-за связи через диод VD4 (диагр. 6). Поэтому токовый коммутатор VT7, VT8 закроется. В этот момент во вторичной обмотке катушки зажигания индуцируется импульс высокого напряжения (диагр. 7-9), который при напряжении Unp пробивает искровой промежуток запальной свечи. Возникает искровой разряд длительностью тви, зависящей от тока рызрыва Ip в первичной обмотке катушки зажигания и ее параметров (диагр. 10).

После возвращения второго одновибратора в исходное состояние его действие на зарядную цепь конденсатора С4 прекращается, и он вновь заряжается, а конденсатор С5 разряжается через резистор R10, затормаживая таким образом зарядку конденсатора С4, так как к общей точке резисторов R9 и R10 оказывается приложенным положительное напряжение с левой по схеме обкладки конденсатора С5.

На низкой частоте новообразования - при пуске двигателя - конденсатор С5 успевает разрядиться практически полностью, а на высокой он разряжается в два этапа. Первый соответствует времени закрытого состояния транзистора VT1, а второй - закрытого состояния транзисторов VT2, VT3 (диагр. 5). Чем больше частота, тем больше остаточное напряжение Uост на конденсаторе С5 к концу первого этапа и тем меньший заряд получит конденсатор С4.

Как следует из принципа действия устройства, резистор R9 и цепь R10C5 увеличивают время зарядки конденсатора С4 в первом одновибраторе, отвечающего за временную задержку начала накопления электромагнитной энергии в катушке зажигания. При этом диод VD3 обеспечивает протекание разрядного тока конденсатора С4 через резистор R11, минуя резистор R9 и цепь R10C5.

Постоянная времени зарядки конденсатора С4 большая, поэтому при увеличении частоты искрообразования он не успевает зарядиться полностью, что обеспечивает примерно обратно пропорциональную зависимость между длительностью импульсов, сформированных первым одновибратором, и частотой искрообразования. На высокой частоте эти импульсы становятся еще короче, так как конденсатор С4 недозаряжается еще и за счет затормаживающего действия цепи R10C5.

Если вы включили зажигание и не запустили двигатель, а сигнал на выходе датчика "прерывателя" имеет высокий уровень, ток через первичную обмотку катушки зажигания прекратится примерно через секунду, так как в этом случае второй одновибратор возвращается в исходное состояние в результате перезарядки конденсатора С7.

Подборкой резистора R6 устанавливают время накопления энергии в катушке зажигания, а значит, и протекающий через нее ток. Выбором постоянной времени разрядки конденсатора С5 задают требуемый закон изменения этого тока в интервале частоты вращения коленчатого вала от холостого хода до максимального значения.

От помех со стороны бортовой сети автомобиля блок защищают цепи VD6C8, R19C2VD1 и элементы С1, R4, R13. Резистор R23 ограничивает всплески напряжения самоиндукции на выходных транзисторах VT7 и VT8 (диагр. 8). Резистор R24 ограничивает ток червз эти транзисторы и первичную обмотку катушки зажигания, а диод VD7 блокирует импульсы обратного напряжения на транзисторах в переходном процессе.

В блоке зажигания использованы конденсаторы К73-9 на напряжение 100 В - С1, C3, С6; К53-1А (16 В) - С2; К73-17 (63 В) - С4, С7; К73-17 (250 В) - С5, С8. Резистор R24 - С5-16В номинальной мощностью 10 Вт. Диоды КД503А (VD2-VD5) можно заменить на КД509А, КД521А или другие подобные. Разъем Х1 - вилка блочная ОНП-ЗГ-52-7-В-АЭ (такая же, как и в серийно выпускаемых блоках зажигания).

Почти все детали устройства смонтированы на печатной плате из одностороннего фольгированного стеклотекстолита толщиной 1,5 мм. Чертеж печатной платы и расположение деталей на ней изображены на рис. 3. Плату размещают в металлическом корпусе от заводского блока 42.3734. Транзистор VT8 крепят к внутренней стенке корпуса через слюдяную прокладку. Резистор R24 также прикреплен к внутренней стенке.

Блок зажигания для ВАЗ-2108 и ВАЗ-2109

Для налаживания блока потребуются источник питания с выходным напряжением, изменяемым от 5 до 18 В при токе до 3 А (пульсации не должны превышать 0,5 В на частоте 100 Гц), генератор импульсов прямоугольной формы с амплитудой выходного напряжения 3...5 В, частотой повторения импульсов 10...250 Гц и скважностью 3+0,25, осциллограф, обеспечивающий измерение параметров импульсов прямоугольной формы и напряжение до 500 В, разрядник с регулируемым искровым зазором до 15 мм и стандартная катушка зажигания 27.3705.

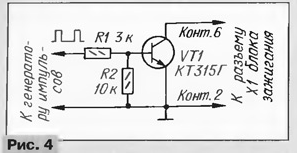
После проверки правильности монтажа к блоку согласно принципиальной схеме подключают источник питания и катушку зажигания с разрядником (последовательно с ним включают резистор сопротивлением 4,7...5,6 кОм мощностью не менее 2 Вт). Сигнал с выхода генератора подают на вход блока через буферный инвертирующий усилитель с открытым коллекторным выходом, собранный по схеме на рис. 4.

Блок зажигания для ВАЗ-2108 и ВАЗ-2109

Устанавливают напряжение питания блока 14 В и искровой зазор величиной 10 мм. Подают запускающие импульсы длительностью 10 мс с частотой повторения 33,3 Гц, что соответствует работе четырехцилиндрового четырехтактного двигателя на частоте вращения коленчатого вала 1000 мин-1, т. е. близкой к холостому ходу. При этом ток, потребляемый блоком, должен быть в пределах 0,9...1,2 А, в противном случае следует подобрать резистор R6 (или даже изменить сопротивление цепи R5R6, обычно равное 240...270 кОм).

Контролируют по осциллографу амплитуду импульса напряжения на коллекторе транзистора VT7 (VT8). Она должна находиться в пределах 380...420 В. Если амплитуда сильно отличается от указанной, следует подобрать резистор R23.

Далее уменьшают напряжение питания до 7,5 В и наблюдают искру в зазоре разрядника. Если она нестабильна или вообще отсутствует, проверяют точность подборки резисторов R5, R6. В крайнем случае, следует заменить транзисторы VT6, VT7, VT8 другими, с большим значением статического коэффициента передачи тока.

Затем проверяют работоспособность блока на частоте искрообразования 50, 100, 250 Гц при напряжении питания 14 В. Сбоев в искрообразовании не должно быть.

Еще проще наладить блок, если его установить непосредственно на автомобиль. Для этого в разрыв провода, соединяющего первичную обмотку катушки зажигания с бортовой сетью (или с контактом 1 разъема Х1), нужно включить амперметр, измеряющий среднее значение тока, например авометр. На холостом ходе двигателя подбирают резистор R6 так, чтобы амперметр показал ток 0,9... 1,2 А. Вместо R6 можно временно впаять переменный резистор сопротивлением 68 кОм. При этом, как и при лабораторном налаживании, весьма целесообразно проконтролировать амплитуду импульса напряжения на коллекторе транзистора VT8.

Автор: Б.Беспалов, г.Кемерово

Смотрите другие статьи раздела Автомобиль. Зажигание.

Читайте и пишите полезные комментарии к этой статье.

<< Назад

Последние новости науки и техники, новинки электроники:

Кислотность океана разрушает зубы акул 03.10.2025

Мировые океаны выполняют важнейшую функцию - они поглощают около трети углекислого газа, выбрасываемого в атмосферу. Это помогает замедлять темпы глобального потепления, но имеет и обратную сторону. Растворяясь в воде, CO2 образует угольную кислоту, которая повышает концентрацию водородных ионов и приводит к снижению pH. Вода становится более кислой, а последствия этого процесса уже заметны для морских экосистем. Средний показатель кислотности океана сейчас равен примерно 8,1, тогда как еще недавно за условную норму брали значение 8,2. По прогнозам, к 2300 году уровень может упасть до 7,3 - это сделает океан почти в десять раз кислее нынешнего состояния. Для обитателей морей подобные изменения означают не просто сдвиг химического равновесия, а реальную угрозу физиологическим процессам, начиная от формирования раковин у моллюсков и заканчивая охотничьим поведением акул. Чтобы выяснить, как именно кислотная среда отражается на зубах акул, группа немецких исследователей провела эксп ...>>

Почтовый космический корабль Arc 03.10.2025

Космические технологии становятся частью инфраструктуры, способной повлиять на логистику, медицину и даже военную сферу. Идея использовать орбиту как глобальный склад для срочных поставок звучала еще недавно как научная фантастика, но стартап Inversion пытается превратить ее в практическое решение. Компания Inversion появилась в начале 2021 года благодаря Джастину Фиаскетти и Остину Бриггсу, которые на тот момент были студентами Бостонского университета. Их замысел состоял в том, чтобы сделать возможной доставку грузов не только через спутниковые сети данных, но и в буквальном смысле - физических предметов. В основе лежит простая мысль: если космос обеспечивает доступ к любой точке Земли, то и грузы должны перемещаться тем же маршрутом. Уже за три года работы команда из 25 специалистов успела построить демонстрационный аппарат "Ray". Его запуск состоялся в рамках миссии SpaceX Transporter-12. Устройство весом 90 килограммов проверяло ключевые технологии Inversion, включая двухком ...>>

Лазерное обогащение урана 02.10.2025

Ядерная энергия остается одним из ключевых источников стабильного электричества, особенно для стран с растущими потребностями в энергоснабжении. Однако обеспечение бесперебойных поставок топлива для атомных станций требует современных технологий обогащения урана, которые одновременно эффективны и безопасны. Американская компания Global Laser Enrichment (GLE) делает значительный шаг в этом направлении, завершив масштабное тестирование лазерной технологии обогащения урана. Демонстрационная программа была проведена на объекте в Уилмингтоне, Северная Каролина. Тестирование технологии SILEX (Separation of Isotopes by Laser EXcitation), разработанной австралийской Silex Systems, стартовало в мае 2025 года и продлится до конца года. В ходе экспериментов компания планирует получить сотни фунтов низкообогащенного урана (LEU), который может быть использован в качестве топлива для атомных электростанций. GLE была создана в 2007 году для коммерциализации лазерных методов обогащения урана в С ...>>

Случайная новость из Архива

Дрон чувствует запахи 05.12.2020

Инженеры Вашингтонского университета подключили антенну живого мотылька к комплекту электроники и использовали ее для наведения беспилотника на конкретные запахи. Созданную машину они называют Smellicopter.

"Природа на голову превосходит наши искусственные датчики запаха. Используя обонятельную антенну настоящего мотылька на дроне Smellicopter, мы можем получить лучшее из обоих миров: чувствительность биологического организма на роботизированной платформе, которой можно управлять", - говорит Мелани Андерсон, ведущий автор исследования.

Полая трубчатая антенна позаимствована у бабочки вида табачный бражник (manduca sexta). В каждый конец антенны вставляют небольшие электроды, которые снимают сигнал с ее рецепторов. Антенна остается биологически и химически активной в течение четырех часов после удаления, но срок ее годности можно продлить, если хранить компонент в холодильнике.

Чтобы проверить обоняние полученного киборга, команда поместила сенсор в аэродинамическую трубу, где ему пришлось конкурировать со стандартным искусственным датчиком запаха. Тесты показали, что антенна мотылька реагирует на цветочный запах или на запах этанола гораздо быстрее любого другого датчика.

В следующих экспериментах исследователи установили сенсор на небольшой квадрокоптер, оснащенный двумя пластиковыми плавниками, позволяющими машине ориентироваться по ветру, и четырьмя инфракрасными датчиками обнаружения препятствий.

Smellicopter приводится в движение алгоритмом, который имитирует полет бабочки. Дрон начинает полет с дрейфа влево на указанное расстояние. Если он не обнаруживает достаточно сильный запах, то меняет курс и движется вправо. Обнаружив запах, беспилотник летит к его источнику. Если в какой-либо момент инфракрасные датчики обнаруживают препятствие в пределах 20 см, Smellicopter меняет направление.

Устройство может использоваться для обнаружения взрывчатых веществ или дыхания людей, застрявших под завалами на местах катастроф.

Другие интересные новости:

▪ Кресло с кардиографом не даст водителю заснуть за рулем

▪ Технология измерения времени с точностью до зептосекунд

▪ Любовь мозга к границам

▪ Не только потепление

▪ Электрический трейловый велосипед McLaren

Лента новостей науки и техники, новинок электроники

 

Интересные материалы Бесплатной технической библиотеки:

▪ раздел сайта Инструменты и механизмы для сельского хозяйства. Подборка статей

▪ статья Королев Сергей Павлович. Знаменитые афоризмы

▪ статья Как великий князь киевский Владимир Святославович мотивировал свой отказ от ислама? Подробный ответ

▪ статья Свободноягодник колючий. Легенды, выращивание, способы применения

▪ статья Самодельный высокоомный вольтметр. Энциклопедия радиоэлектроники и электротехники

▪ статья Низковольтный прерыватель тока нагрузки. Энциклопедия радиоэлектроники и электротехники

Оставьте свой комментарий к этой статье:

Имя:


E-mail (не обязательно):


Комментарий:





Главная страница | Библиотека | Статьи | Карта сайта | Отзывы о сайте

www.diagram.com.ua

www.diagram.com.ua
2000-2025