Menu Home

Бесплатная техническая библиотека для любителей и профессионалов Бесплатная техническая библиотека


Бортовая система контроля с речевым выводом информации. Энциклопедия радиоэлектроники и электротехники

Бесплатная техническая библиотека

Энциклопедия радиоэлектроники и электротехники / Автомобиль. Электронные устройства

Комментарии к статье Комментарии к статье

Современные автомобили оснащены большим количеством информационно-указательных приборов и сигнальных ламп, предназначенных для контроля работоспособности их основных систем. Однако получаемая с их помощью визуальная информация, с одной стороны, требует отвлечения внимания водителя от контроля дорожной ситуации, а с другой - не достаточно удобна и не всегда может быть вовремя замечена. Эта проблема особенно актуальна для автолюбителей с небольшим водительским стажем, а последствия ее могут быть весьма серьезны. Например не вовремя замеченные показания указателя температуры двигателя о перегреве могут привести к выходу его из строя и, как следствие, к большим финансовым затратам. Не менее неприятными могут оказаться и незамеченные отказы других узлов автомобиля, таких как тормозная и смазочная системы, генератор, задние сигнальные фонари и т.д.

Предлагаемая вниманию читателей "говорящая" бортовая система контроля (БСК) предназначена для использования в отечественных и импортных автомобилях и выдает информацию об обнаруженных неисправностях в речевой форме. Сообщения выдаются мужским или женским голосом (в зависимости от используемой программы и прошивки "речевого" ПЗУ), а качество речи соответствует "телефонному" по классификации Windows Sound System. Перечень сообщений, выдаваемых системой, приведен в таблице.

 N	Условие выдачи сообщения	Фраза сигнализации	Кол-во
 п/п								сообщений

 1 Температура двигателя Перегрев двигателя 2
 более 98 С

 2 Пониженный уровень тормоз- Отказ тормозной системы 2
 ной жидкости (срабатывание
 датчика разгерметизации
 тормозной системы)

 3 Напряжение в бортовой сети Нет зарядки аккумулятора 2
 меньше 11 В

 4 Напряжение в бортовой сети Отказ регулятора напряже- 2
 больше 15 В ния

 5 Низкое давление масла при Аварийное давление масла 2
 частоте вращения коленва-
 ла более 900 об/мин

 6 Не полностью открыта воз- Закрыта воздушная заслон- 1
 душная заслонка карбюра- ка
 тора (включен "подсос")
 при температуре двигателя
 более 80 С

 7 Обрыв цепи ламп Отказ сигнала торможения 2
 стоп-сигнала

 8 Обрыв цепи ламп Отказ габаритного сигнала 2
 задних габаритных фонарей

 9 Обрыв цепи ламп Отказ сигнала заднего хода 2
 фонарей заднего хода

 10 После включения зажигания Счастливого пути 1
 все контролируемые системы
 в норме
Несколько экземпляров данного устройства более года эксплуатировалось на 
легковых автомобилях различных марок и показало высокую надежность и 
эффективность.

Бортовая система контроля с речевым выводом информации
Рис.1 (нажмите для увеличения)

Устройство (рис.1) реализовано на базе однокристальной микроЭВМ КР1816ВЕ35. Микросхема DD6 выполняет функции формирователя шины адреса, а DD7 - внешней памяти программ. Порт P1 ОМЭВМ DD10 используется для формирования старших адресов "речевого" ПЗУ DD11, в котором содержится оцифрованная и определенным образом сжатая речевая информация. Младшие разряды порта P2 ОМЭВМ используются для адресации ПЗУ программ DD7, а старшие разряды этого порта совместно с ИС DD13 и DD8.4 - для выбора внешних устройств: ПЗУ речи DD11, коммутатора входных данных DD3-DD5 и регистра звукового тракта DD12. На логических элементах DD8.1, DD8.2, DD9.1, DD9.4 выполнен генератор импульсов частотой 7 кГц, использующихся в качестве тактовых при выводе речи.

Интерфейсная часть схемы, обеспечивающая сопряжение коммутатора данных DD3-DD5 с системой электрооборудования автомобиля и приведение входных сигналов к ТТЛ-уровням, реализована на ИС DD1, DD2 и DA2. При этом операционные усилители DA2.1, DA2.2 осуществляют сравнение сигнала датчика температуры с уставками, задаваемыми резисторами R7 и R11, на микросхеме DD2 реализован формирователь импульсов нормированной длительности из входных импульсов зажигания, а элементы ИС DD1 работают как преобразователи уровня и пороговые элементы.

Как видно из представленной на рис.1 схемы, из 18 входных линий коммутатора данных DD3-DD5 задействовано для ввода информации только 10. Остальные входы частично используются как служебные при настройке устройства, а частично - как резерв для подключения дополнительных датчиков и развития системы.

Звуковой тракт устройства включает в себя цифро-аналоговый преобразователь на ИС DA3 и DA4, фильтр Баттерворта 4 порядка с частотой среза 3 кГц на операционных усилителях DA5.1, DA5.2 и усилитель низкой частоты DA6.

Источник питания БСК выполнен на интегральном стабилизаторе DA1, формирующем напряжение +5 В, и транзисторах VT1-VT3, которые совместно с элементами VD2-VD4 и С5, С6 обеспечивают инверсию полярности и стабилизацию напряжения питания -5 В. В качестве управляющих импульсов инвертора полярности используется сигнал CLK, вырабатываемый тактовым генератором вывода речи.

Настройка устройства осуществляется с помощью подстроечных резисторов:

  • R7 - настройка на температуру, при которой выдается фраза "Закрыта воздушная заслонка";
  • R11 - настройка на температуру для выдачи фразы "Перегрев двигателя";
  • R21 - настройка на напряжение срабатывания для фразы "Нет зарядки аккумулятора";
  • R22 - настройка на напряжение срабатывания для фразы "Отказ регулятора напряжения";
  • R24 - регулировка тактовой частоты выдачи речи;
  • R36 - регулировка уровня громкости.

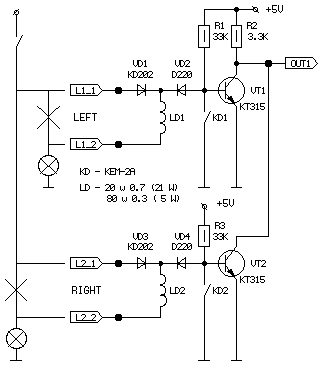
На рис.2 приведена принципиальная схема одного из трех идентичных каналов блока контроля работоспособности ламп в задних фонарях. Учитывая параллельность соединения одноименных ламп, для независимости контроля каждой из них схема электрооборудования автомобиля дорабатывается путем введения диодной развязки ламп с помощью VD1, VD3. После такой доработки узел обеспечивает контроль работоспособности обеих ламп как во включенном, так и в выключенном состоянии.

Бортовая система контроля с речевым выводом информации
Рис.2

До тех пор, пока напряжение на лампы не подано, элементы R1, VD2, LD1 и R3, VD4, LD2 совместно с нитями накала соответствующих ламп образуют делители напряжения. Так как сопротивления нитей ламп очень малы, падение напряжения на них незначительно, транзисторы VT1 и VT2 закрыты и на выходе узла присутствует логическая "1". В случае обрыва цепи любой из ламп соответствующий транзистор открывается и на выходе узла формируется логический "0" - признак отказа лампы. Во включенном состоянии ламп, т.е. когда на них подается напряжение от бортовой сети, контроль их работоспособности осуществляется с помощью датчиков тока. Датчики представляют собой герконы KD с намотанными на них обмотками LD. Последние включены последовательно с контролируемыми лампами, поэтому при протекании по ним тока контакты герконов замыкаются, шунтируя база-эмиттерные переходы транзисторов. Транзисторы VT1, VT2 находятся в закрытом состоянии, а выход узла - в состоянии логической "1". При отказе любой из ламп ток по обмотке соответствующего датчика не протекает, контакты геркона размыкаются, открывается соответствующий транзистор и состояние на выходе узла меняется на противоположное.

БСК подключается к системе электрооборудования автомобиля в соответствии со схемой, приведенной на рис.3, и работает следующим образом.

Бортовая система контроля с речевым выводом информации
Рис.3 (нажмите для увеличения)

После подачи на устройство напряжения питания при включении зажигания, начинается сканирование задействованных в системе штатных датчиков автомобиля и выходов блока контроля работоспособности ламп. Если в течение 5 секунд ни на одной из входных линий БСК не будет зафиксирован признак отказа, сканирование датчиков прерывается и устройство переходит к выдаче фразы "Счастливого пути", выбирая необходимую оцифрованную информацию из ПЗУ речи, после чего опять возвращается к опросу датчиков. В случае возникновения в процессе последующей эксплуатации автомобиля на одной или нескольких входных линиях БСК признака отказа, устройство аналогичным образом выдаст соответствующую фразу сигнализации. При этом для обеспечения надежности работы устройства и защиты от ложных срабатываний, активный уровень на входных линиях БСК воспринимается как признак отказа только в том случае, если он присутствует на линии непрерывно в течение 3 секунд.

В большинстве случаев программой предусмотрен двойной повтор фразы для повышения надежности ее восприятия. Кроме того, с этой же целью каждую фразу предваряет тональный звуковой сигнал, привлекающий внимание водителя и готовящий его к приему информации.

Конструктивно устройство выполнено в виде двух блоков: блока БСК, размещаемого в салоне автомобиля под приборной панелью, и блока контроля работоспособности ламп, устанавливаемого в районе задних фонарей.

Автор: С.Суков

Смотрите другие статьи раздела Автомобиль. Электронные устройства.

Читайте и пишите полезные комментарии к этой статье.

<< Назад

Последние новости науки и техники, новинки электроники:

Хорошо управляемые луга могут компенсировать выбросы от скота 15.02.2026

Животноводство, особенно разведение крупного рогатого скота, часто обвиняют в значительном вкладе в глобальное потепление из-за мощного парникового газа - метана, который выделяется при пищеварении у жвачных животных. Это вызывает острые политические споры и призывы к сокращению потребления мяса. Однако ученые напоминают, что полная картина климатического воздействия отрасли не ограничивается только выбросами от животных: огромную роль играет окружающая экосистема - пастбища, почва и растительность, которые способны активно поглощать углекислый газ из атмосферы. Исследователи из Университета Небраски-Линкольна решили глубже изучить этот баланс. Группа под руководством профессора Галена Эриксона сосредоточилась на том, как правильно организованные пастбища накапливают углерод в растениях и грунте благодаря естественным процессам, стимулируемым выпасом скота. Ученые подчеркивают, что при достаточном уровне осадков и грамотном управлении такие луга превращаются в мощные природные погло ...>>

NASA тестирует инновационную технологию крыла 15.02.2026

Коммерческая авиация ежегодно расходует колоссальные объемы керосина, что сказывается не только на бюджете авиакомпаний, но и на состоянии окружающей среды. В 2024 году глобальные затраты на авиационное топливо достигли 291 миллиарда долларов, и эта сумма продолжает расти. Чтобы справиться с этими вызовами, NASA активно работает над технологиями, способными заметно повысить аэродинамическую эффективность самолетов. Одним из самых перспективных направлений стало создание специальной конструкции крыла, которая максимизирует естественный ламинарный поток воздуха и минимизирует сопротивление. В январе 2026 года специалисты NASA Armstrong Flight Research Center успешно провели важный этап наземных испытаний концепции Crossflow Attenuated Natural Laminar Flow (CATNLF). Для эксперимента под фюзеляж исследовательского самолета F-15B закрепили вертикально ориентированную масштабную модель высотой около 0,9 м (3 фута), напоминающую узкий киль. Такая компоновка позволила подвергнуть прототип р ...>>

Забота о внуках очень полезна для здоровья мозга 14.02.2026

Общение между поколениями приносит радость всей семье, но мало кто задумывается, насколько активно бабушки и дедушки, заботящиеся о внуках, поддерживают свою умственную форму. Регулярное взаимодействие с детьми стимулирует мозг пожилых людей, помогая сохранять память, скорость мышления и общую когнитивную активность. Новые научные данные подтверждают, что такая добровольная помощь не только важна для общества, но и может замедлять возрастные изменения в мозге. Исследователи из Тилбургского университета в Нидерландах провели анализ, чтобы понять, приносит ли уход за внуками реальную пользу здоровью пожилых людей. Ведущий автор работы Флавия Черечес отметила, что многие бабушки и дедушки регулярно присматривают за детьми, и оставался открытым вопрос, насколько это положительно сказывается на их собственном благополучии, особенно в плане когнитивных функций. Ученые поставили цель выяснить, способен ли регулярный уход за внуками замедлить снижение памяти и других умственных способ ...>>

Случайная новость из Архива

Облака для парковки 04.07.2014

Компания SAP AG объявила о запуске инновационного пилотного проекта, разработанного совместно с концерном Volkswagen AG и некоторыми другими партнерами. Его цель - используя мобильные и облачные сервисы SAP, помочь водителям в поиске мест для парковки и ближайших ресторанов быстрого обслуживания в Ганновере (Германия). Проект является результатом многолетнего сотрудничества компаний в сфере инноваций и предусматривает стандартизацию и разработку общих форматов потребления облачных услуг, сообщили CNews в SAP.

Изначально авторы проекта стремились снизить стрессы и потери времени, с которыми ежедневно сталкиваются водители при поиске мест для парковки в крупных городах. Но затем круг задач расширился, и теперь пилот включает предоставление геолокационных сервисов для поиска ресторанов быстрого обслуживания в районе парковки. Проект основан на использовании облачной платформы SAP HANA и предусматривает агрегацию информации о местах парковки, местонахождении транспортных средств и возможных маршрутах. Также будет выполняться сбор информации по аэропорту Ганновера, чтобы упростить парковку в его окрестностях. Все эти процессы и собранные данные будут объединены в одном мобильном приложении с использованием портфеля SAP Cloud, рассказали в компании.

На сегодняшний день в рамках пилотного проекта SAP и Volkswagen представили комплексное и масштабируемое решение для облегчения парковки в крупном городе. Результатом проекта должно стать облачное решение от SAP, которое поможет водителям находить наиболее удачные места для парковки и экономить время и топливо, а также позволит оптимизировать городскую инфраструктуру. Компании рассчитывают продолжать совместную работу над стандартизацией предлагаемых услуг и их популяризацией.

"Многолетнее сотрудничество SAP и Volkswagen направлено на разрешение трудностей, с которыми ежедневно сталкиваются водители в крупнейших городах мира, - утверждает Джил Перес (Gil Perez), старший вице-президент Connected Vehicles, SAP. - Мы стремимся облегчить жизнь водителям и пытаемся стандартизировать предоставление подобных услуг. Это пример использования облачной платформы SAP HANA для решения повседневных проблем".

Другие интересные новости:

▪ Человек легко приспосабливается к шуму

▪ Велосипед Urtopia с ChatGPT

▪ Автомобили подмигивают встречным

▪ Умное кольцо Amazfit Helio

▪ Почему фотография еды вызывает аппетит

Лента новостей науки и техники, новинок электроники

 

Интересные материалы Бесплатной технической библиотеки:

▪ раздел сайта Основы безопасной жизнедеятельности (ОБЖД). Подборка статей

▪ статья Джордж Элиот (Мэри Энн Эванс). Знаменитые афоризмы

▪ статья Как работает ветряная мельница? Подробный ответ

▪ статья Домбайская поляна. Чудо природы

▪ статья Закалка стаканов. Простые рецепты и советы

▪ статья Сломанные и восстановленные часы. Секрет фокуса

Оставьте свой комментарий к этой статье:

Имя:


E-mail (не обязательно):


Комментарий:





Главная страница | Библиотека | Статьи | Карта сайта | Отзывы о сайте

www.diagram.com.ua

www.diagram.com.ua
2000-2026