Бесплатная техническая библиотека
Регулятор стеклоочистителя для автомобиля. Энциклопедия радиоэлектроники и электротехники

Энциклопедия радиоэлектроники и электротехники / Автомобиль. Электронные устройства
Комментарии к статье
В предлагаемой статье описан регулятор стеклоочистителя для автомобиля, позволяющий изменять частоту движений щеток стеклоочистителя.
Технические характеристики устройства:
- режим работы - непрерывный или переменный с периодом от 1 до 30 с;
- напряжение питания - 12 ± 3 В; l потребляемая мощность - не более 100 мА.
На рис. 1 изображена принципиальная схема устройства. На микросхеме интегрального таймера DA1 типа К1006ВИ1 собран генератор сверхнизких частот, работающий с периодом колебаний от 1 до 30 с. Резистором R1 устанавливается требуемая частота колебаний, а резистором R2 выбирается максимальная частота.
В целом, частота колебаний определяется цепочкой R1, R2, R3, C1. Конденсатор С2 предотвращает самовозбуждение микросхемы. На выходе микросхемы формируются прямоугольные импульсы. На рис. 2 показаны временные диаграммы сигнала в контрольной точке КТ1. В зависимости от положения регулятора резистора R2 меняется скважность импульсов. Диоды VD1, VD2 защищают микросхему от выхода из строя. Реле К1 должно иметь сопротивление обмотки по постоянному току не менее 150 Ом и мощные выходные клеммы.
Рис. 1 Принципиальная схема устройства
Выключатель S1 позволяет блокировать схему и включать стеклоочиститель на постоянную работу. Контакты реле К 1.1 коммутируют электродвигатель.
Рис. 2 Временные диаграммы сигнала в контрольной точке КТ1
При веденная схема обладает двумя недостатками: во-первых, микросхема работает на предельных режимах, а во-вторых, реле К1 обладает достаточно невысокой надежностью.
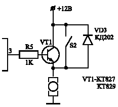
Рис. 3 Повышение надежности работы схемы
Используя транзистор VT1 типа КТ827 или КТ829 (рис. 3) можно существенно повысить надежность работы схемы. Резистор R5 ограничивает базовый ток, а диод VD3 зачищает транзистор от пробоя. Транзистор VT1 можно заменить транзисторной парой VT2, VT3, собранной по схеме составного транзистора (рис. 4).
Рис. 4 Схема составного транзистора
Правильно собранная из исправных деталей схема в налаживании не нуждается. Единственное, что необходимо сделать, так это при замкнутом резисторе R1 подобрать резистором R2 требуемую максимальную частота колебаний. Резистор R1 при этом выводится на панель управления.
Автор: Владимир Ковашенко, shem@compitech.mtu-net.ru; Публикация: radioradar.net
Смотрите другие статьи раздела Автомобиль. Электронные устройства.
Читайте и пишите полезные комментарии к этой статье.
<< Назад
Последние новости науки и техники, новинки электроники:
Раннее воздержание от алкоголя перестраивает мозг и иммунитет
10.03.2026
Алкогольная зависимость - хроническое расстройство с компульсивным употреблением спиртного, которое влияет не только на поведение, но и на функционирование мозга и иммунной системы. Недавние исследования показали, что даже на ранних этапах воздержания организм начинает перестраиваться, открывая новые возможности для терапии зависимости.
Ученые сосредоточились на пациентах, находящихся в первые недели абстиненции, и зафиксировали значительные изменения в мозговой активности. С помощью функциональной магнитно-резонансной томографии они выявили перестройку сетей нейронных связей, отвечающих за контроль импульсов и принятие решений. Эти изменения могут быть ключевыми для восстановления самоконтроля и снижения риска рецидива.
Одновременно с нейронной перестройкой исследователи наблюдали колебания иммунной системы. В крови повышался уровень цитокинов - сигнальных белков, регулирующих воспалительные процессы. Эти данные свидетельствуют о существовании нейроиммунного взаимодействия, при ...>>
Жесткий диск Seagate 44 ТВ
10.03.2026
С ростом объемов данных, обрабатываемых крупными компаниями и дата-центрами, требования к накопителям резко увеличиваются. Seagate анонсировала начало поставок новейших жестких дисков Exos емкостью 44 ТБ, которые обещают сочетание рекордного объема и высокой производительности, благодаря передовой платформе Mozaic 4+ и технологии термомагнитной записи HAMR.
Платформа Mozaic 4+ включает десять магнитных пластин, каждая из которых имеет емкость более 4 ТБ. В сумме это позволяет получить общий объем накопителя 44 ТБ - рекордный показатель для современных HDD. В сочетании с вращением шпинделя на скорости 7200 оборотов в минуту это обеспечивает скорость передачи данных порядка 300 МБ/с, что делает диск подходящим для работы с большими массивами информации.
Seagate отмечает, что использование Exos повышает общую эффективность систем хранения примерно на 47%. Для корпоративных клиентов это означает сокращение занимаемой площади под кластеры на 9 квадратных метров и снижение годового эне ...>>
Скука - двигатель перемен
09.03.2026
Современная жизнь редко оставляет человеку время на простое ощущение скуки. С развитием цифровых технологий и постоянным доступом к социальным сетям мы стремимся мгновенно развлекать себя, избегая пауз, когда ум может быть свободен от внешних раздражителей. Между тем, новое исследование показывает, что скука выполняет важную роль в психическом здоровье и может стимулировать личностное развитие.
Часто скука воспринимается как негативное состояние, которое хочется немедленно устранить. Однако психологи отмечают, что именно моменты, когда человеку становится по-настоящему скучно, могут побудить к поиску нового хобби, пересмотру жизненных приоритетов или появлению свежих идей. Это состояние открывает пространство для саморефлексии и внутреннего роста.
Исследователи из Университета Бата и Тринити-колледжа показали, что привычка уходить в социальные сети в моменты скуки мешает человеку достигать "максимальной скуки". В результате стимулируется лишь поверхностное отвлечение, которое не ...>>
Случайная новость из Архива Нанопинцеты извлекают отдельные молекулы из живой клетки, не разрушая ее
09.12.2018
Используя электрические импульсы, "пинцет" может извлекать отдельные ДНК, белки и органеллы из живых клеток, не разрушая их. Над разработкой трудились ученые из Имперского колледжа Лондона. Их исследование может помочь ученым в создании "атласа клеток человека" и дать новое представление о том, как функционируют здоровые клетки и что происходит в пораженных клетках.
Ученые постоянно расширяют свои знания о том, как функционируют клетки, но до сих пор остаются нерешенные вопросы. Это особенно справедливо для отдельных клеток одного типа, таких как клетки мозга, мышц или жировые клетки, которые все же сильно отличаются друг от друга по составу на молекулярном уровне. Составление "атласа" или "каталога" разнообразия клеток, кажущихся идентичными, может помочь исследователям лучше понять фундаментальные клеточные процессы и разработать улучшенные модели болезней и даже новые терапевтические методы для пациентов.
Однако при традиционных методах изучения этих различий клетка обычно разрушается - и в результате все ее содержимое смешивается. Это приводит к потере информации не только о том, как органеллы клетки были расположены относительно друг друга, но и о том, какие молекулярные изменения произошли в клетке со временем.
"Нанопинцет", разработанный учеными из Имперского колледжа Лондона, позволяет сохранить эту информацию. Руководитель проекта, профессор Джошуа Эдель (Joshua Edel), отметил: "С помощью пинцета мы можем извлечь из клетки минимальное количество молекул, которые нам нужны, в реальном времени, не повредив саму клетку. Мы продемонстрировали, что можем манипулировать и извлекать несколько различных частей из разных областей клетки, включая митохондрии из самой клетки, РНК из цитоплазмы и даже ДНК из ядра".
Пинцеты сделаны из острого стеклянного стержня с парой электродов на конце, изготовленных из материала на основе углерода - такого, как графит. Наконечник составляет менее 50 нанометров (нанометр - миллионная часть миллиметра) в диаметре и разделен на два электрода с промежутком 10-20 нанометров между ними.
Метод основан на явлении, называемом диэлектрофорезом. Пинцет генерирует достаточно высокое электрическое поле, которое позволяет захватывать и извлекать небольшое количество клеток, таких как ДНК или транскрипционные факторы - молекулы, которые могут изменять активность генов.
В будущем новый инструмент можно использовать в экспериментах с нервными клетками, который на данный момент невозможны. Добавляя или удаляя митохондрии из отдельных клеток с помощью "нанопинцета", исследователи смогут лучше понять роль этих органелл, особенно в нейродегенеративных заболеваниях.
|
Другие интересные новости:
▪ Старый телефон: после использования нагреть
▪ В метеорите обнаружена самая древняя магнитная запись
▪ Арахис против меди
▪ Медицинские DC/DC-преобразователи Mean Well MDS15/20
▪ Шлягеры от компьютера
Лента новостей науки и техники, новинок электроники
Интересные материалы Бесплатной технической библиотеки:
▪ раздел сайта Электричество для начинающих. Подборка статей
▪ статья Электроплуг. Чертеж, описание
▪ статья Что означают круги вокруг Луны или вокруг Солнца? Подробный ответ
▪ статья Пыльные бури. Советы туристу
▪ статья Электронное управление фазовым регулятором КР1182ПМ1. Энциклопедия радиоэлектроники и электротехники
▪ статья Радиомикрофон на трех транзисторах. Энциклопедия радиоэлектроники и электротехники
Оставьте свой комментарий к этой статье:
Главная страница | Библиотека | Статьи | Карта сайта | Отзывы о сайте

www.diagram.com.ua
2000-2026