Бесплатная техническая библиотека
Автомобильная сигнализация. Энциклопедия радиоэлектроники и электротехники

Энциклопедия радиоэлектроники и электротехники / Автомобиль. Охранные устройства и сигнализация
Комментарии к статье
Предлагаемое устройство автомобильной сигнализации (У АС) выполняет практически все необходимые функции, не содержит дефицитных деталей и может конкурировать с промышленными системами.
УАС питается от бортсети автомобиля (+12 В), а при пропадании ее продолжает нормально функционировать, так как имеет внутренний источник. Схема УАС приведена на рис.1. (45 Kb)
Каждое правильное подключение электронного ключа в гнездо Х1 сопровождается коротким запуском сирены и вспыхиванием габаритных огней автомобиля, а также попеременным переходом УАС из режима "Охрана" в режим "Выключено".
Режим "Выключено"
В этом режиме устройство потребляет совершенно ничтожный ток, а все электрооборудование автомобиля работает в обычном режиме. Датчики УАС заблокированы, а светодиод погашен.
Режим "Охрана"
Потребляемый ток не превышает 5 мА. Все датчики задействованы, светодиод мигает с частотой 1,4 Гц, система зажигания и пуска двигателя автомобиля заблокирована.
УАС переходит в режим "Тревога", если срабатывает один из датчиков. В этом случае мгновенно включается сирена, начинают мигать габаритные огни (f=1,6 Гц), а попытка завести двигатель кончается неудачей. Потребляемый ток не превышает в этом режиме 2 А. В режиме "Тревога" УАС будет находиться еще 20 с при условии, что все датчики вернулись в исходное состояние. Если нет, то двадцатисекундный цикл будет повторяться до возврата датчиков в исходное положение. Перевести УАС в режим "Выключено" из любого состояния можно только электронным ключом.
Схема УАС содержит:
- DA1, R1...R4, С1, РА1 -датчик положения, выполненный на основе микроамперметра. Он обеспечивает постановку на охрану при любом первоначальном положении кузова;
- DD1, R6...R13 - приемную часть электронного ключа;
- R10'...R13'-выносной электронный ключ. Логическая "1" на выводе 10 DD1 появляется только при выполнении условий:
R10'+R6=R10;
R11'+R7=R11;
R12'+R8=R12;
R13'+R9=R13.
Это и является "изюминкой" всей схемы. Для простоты удобно взять величину всех резисторов R10...R13 и R10'...R13' равной 10 кОм.
- VD1...VD4 - элементы защиты схемы при подаче на Х1 напряжения 220 В. В этом случае они просто сгорят, не повредив остальные элементы схемы;
- SB - контактные замыкатели. Их устанавливают на дверях, капоте, багажнике. Датчик замыкается при попытке взлома;
- DD2.1, С3, R5-одновибратор, обеспечивающий подавление помех от электронного ключа для нормальной работы счетного триггера DD3.1;
- DD2.3, R16, R19, R20, С6, VT1. VD8 -элементы выдержки времени (20с) в режиме "Тревога";
- DD2.4, R17, С4, VD10 - элементы одновибратора - формирователя импульса запуска сирены при каждом переходе УАС в новый режим;
- DD4.4, R18, R21, С5 - генератор импульсов (f=1,6 Гц), управляющий све-тoдиoдoмVD11;
- DD4.1...DD4.3, С7...С10, R22...R28, VT3...VT6 - электронную сирену;
- DD4.1, VT2, К1. К1.1 -элементы управления "габаритами" автомобиля (Р=1,6Гц);
-K2,K2.1,VT7,VD14, R29 - элементы блокировки системы зажигания и пуска двигателя;
- GB1, VD15, VD16, R30 - элементы бесперебойного питания и зарядки. От величины сопротивления резистора R30 зависит ток заряда GB1;
-VD13, С11...С13, DA2 - фильтр питания и стабилизатор +9 В.
Первоначальный сброс схемы происходит благодаря быстрому заряду С2 через R14. При этом DD3.1 по выводу 4 и DD3.2 по выводу 10 через DD2.3 сбрасываются в нулевые состояния. УАС устанавливается в режим "Охрана", и все датчики активизированы. Логический "0" с вывода 13 DD3.2 запрещает работу сирены и "габаритов". Логическая "1" на выводе 2 DD3.1 разрешает работу генератора на DD4.4 (F=1,4 Гц), который периодически включает VD11, а также обеспечивает на базе VT7 открывающее напряжение. Для обеспечения экономичности реле К2 срабатывает только при попытке запуска двигателя.
Как только срабатывает один из датчиков SB, УАС мгновенно переходит в режим "Тревога". Это происходит благодаря появлению логической "1" на выводе 8 DD3.2 через DD2.2. Триггер DD3.2 переключается в единичное состояние и запускает сирену DD4.1...DD4.3. Контакты К1.1 начинают замыкаться с частотой 1,6 Гц, обеспечивая вспыхивание габаритных огней. Светодиод VD11 продолжает мигать, а двигатель остается заблокирован. Одновременно начинает заряжаться С6 через R20. Как только он зарядится (20 с), логическая "1" через VD8, DD2.3 попадает на базу VT1 и на вывод 10 DD3.2. Если датчики не вернулись в исходное состояние, то VT1 разряжает С6, и 20-секундный цикл вновь повторяется. Если датчики все же вернулись в исходное состояние, вместе с разрядом С6 сбрасывается триггер DD3.2. УАС вновь переходит в режим "Охрана".
Мгновенно выключить УАС можно только электронным ключом. Каждое правильное подключение ключа к Х1 вызывает появление логической "1" на выводе 10 DD1.1 и логического "0" на выводе 11 DD2.1. Это приводит к переключению счетного триггера DD3.1 в противоположное состояние. Логическая "1" с вывода 1 DD3.1 через VD7, DD2.3 попадает на вывод 10 DD3.2, сбрасывает его и удерживает в нулевом состоянии, т.е. УАС оказывается в режиме "Выключено". Логический "0" с вывода 2 DD3.1 гасит VD11 и разблокирует систему зажигания двигателя.
Повторное подключение электронного ключа переводит УАС обратно в режим "Охрана". Каждый переход УАС в новый режим сопровождается коротким запуском сирены (0,7) с и вспыхиванием габаритов. Это обеспечивается быстрым зарядом или разрядом С4 через R17 и работой элементов DD2.4, VD10.
Детали и конструкция
Излучатель ВА1 - любая динамическая головка на 10 Вт (8 Ом) или 20 Вт (4 Ом). VT2...VT7 - любые из серий КТ972, КТ973, КТ853, КТ829. Транзисторы VT3...VT6 устанавливают на один общий радиатор через слюдяные прокладки. Сюда крепят и диод VD16. VT1 -любой из серийКТ315,КТ3102, КТ503. VD1...VD4-любые низковольтные диоды с обратным напряжением 10...20 В. VD5...VD10 - любые из серий КД521, КД522, КД503, КД510. VD12...VD14-любые из серий Д226, Д7 и других на ток не менее 0,1 А. VD15...VD16 можно заменить на КД2997, КД2999 и другие на ток не менее 10 А. R30 - МЛТ-1, остальные резисторы - МЛТ-0,125 или МЛТ-0,25. GB1 - любой малогабаритный аккумулятор, желательно без жидкого электролита. Его устанавливают вне корпуса АС. Х1 -любой пятиштырьковый разъем. Его устанавливают в зеркале заднего вида водителя или в любом другом месте, но снаружи автомобиля. VD11 - светодиод красного свечения АЛ307 или аналогичный. Он устанавливается под передним лобовым стеклом^ так чтобы его было хорошо видно с улицы. К1, К2, К2' - любые реле на ток коммутации не менее 5 А. Причем контакты К1.1 должны быть нормально разомкнутыми и подключаются параллельно выключателю "габаритов" автомобиля, а К2.1, К2.Г - нормально замкнутые и подключаются в разрыв провода от замка зажигания к катушке зажигания и от замка зажигания к реле стартера соответственно. Реле К2 и К2' можно заменить на одно с двумя парами контактов.
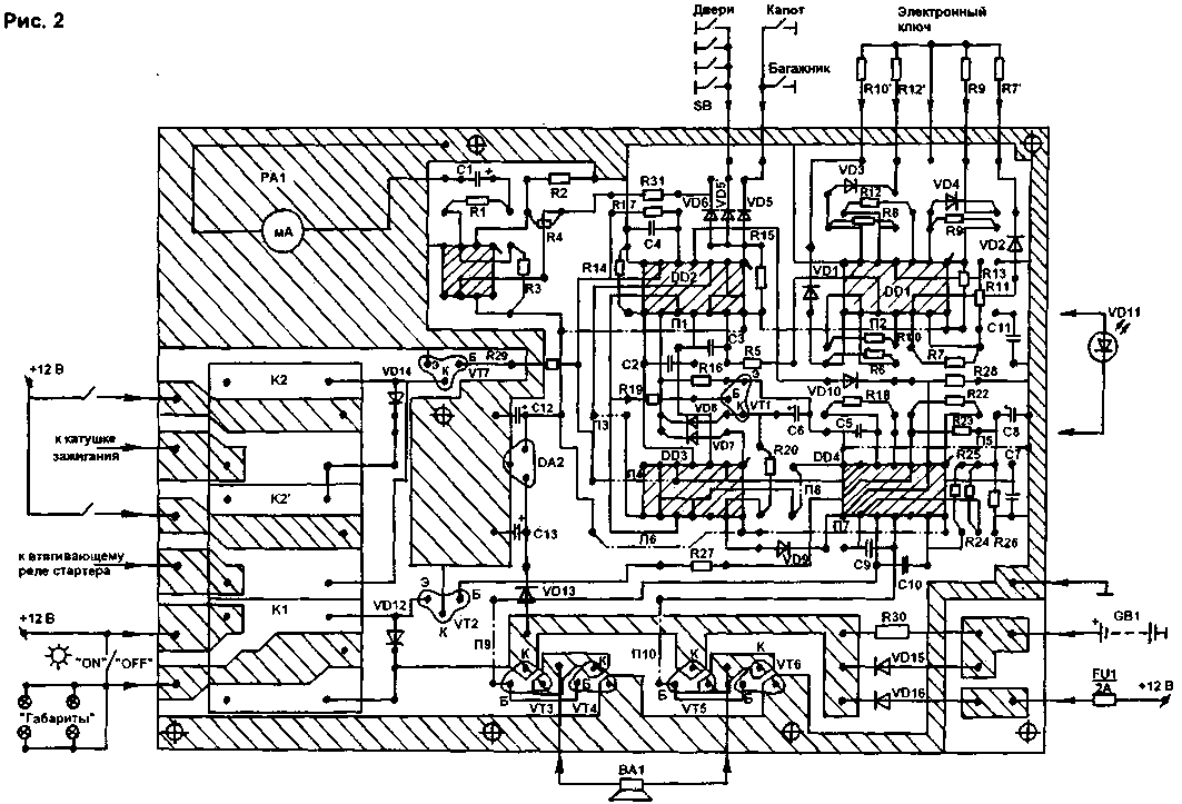
Печатная плата приведена на рис.2 (37 Kb) и показана со стороны деталей. Все проводники изображены как бы на просвет через плату, которая является односторонней и содержит 10 перемычек. Все проводники, по которым течет большой ток, выполнены максимально широкими и пропаяны припоем. Пропаивается и земляная шина.
Настройка. Как правило, устройство запускается сразу. Иногда требуется подбор резисторов электронного ключа. Для этого, подав напряжение питания на схему, подбором R13 добиваются появления логической "1" на выходе элемента DD1.4. Аналогично - для R12, добиваясь появления логической "1" на выходе DD1.3 и т.д. Резистором R4 устанавливают необходимую чувствительность датчика положения кузова, но это проделывают тогда, когда УАС уже установлена на автомобиле.
Автор: А.Частов; Публикация: Н. Большаков, rf.atnn.ru
Смотрите другие статьи раздела Автомобиль. Охранные устройства и сигнализация.
Читайте и пишите полезные комментарии к этой статье.
<< Назад
Последние новости науки и техники, новинки электроники:
Хорошо управляемые луга могут компенсировать выбросы от скота
15.02.2026
Животноводство, особенно разведение крупного рогатого скота, часто обвиняют в значительном вкладе в глобальное потепление из-за мощного парникового газа - метана, который выделяется при пищеварении у жвачных животных. Это вызывает острые политические споры и призывы к сокращению потребления мяса. Однако ученые напоминают, что полная картина климатического воздействия отрасли не ограничивается только выбросами от животных: огромную роль играет окружающая экосистема - пастбища, почва и растительность, которые способны активно поглощать углекислый газ из атмосферы.
Исследователи из Университета Небраски-Линкольна решили глубже изучить этот баланс. Группа под руководством профессора Галена Эриксона сосредоточилась на том, как правильно организованные пастбища накапливают углерод в растениях и грунте благодаря естественным процессам, стимулируемым выпасом скота. Ученые подчеркивают, что при достаточном уровне осадков и грамотном управлении такие луга превращаются в мощные природные погло ...>>
NASA тестирует инновационную технологию крыла
15.02.2026
Коммерческая авиация ежегодно расходует колоссальные объемы керосина, что сказывается не только на бюджете авиакомпаний, но и на состоянии окружающей среды. В 2024 году глобальные затраты на авиационное топливо достигли 291 миллиарда долларов, и эта сумма продолжает расти. Чтобы справиться с этими вызовами, NASA активно работает над технологиями, способными заметно повысить аэродинамическую эффективность самолетов. Одним из самых перспективных направлений стало создание специальной конструкции крыла, которая максимизирует естественный ламинарный поток воздуха и минимизирует сопротивление.
В январе 2026 года специалисты NASA Armstrong Flight Research Center успешно провели важный этап наземных испытаний концепции Crossflow Attenuated Natural Laminar Flow (CATNLF). Для эксперимента под фюзеляж исследовательского самолета F-15B закрепили вертикально ориентированную масштабную модель высотой около 0,9 м (3 фута), напоминающую узкий киль. Такая компоновка позволила подвергнуть прототип р ...>>
Забота о внуках очень полезна для здоровья мозга
14.02.2026
Общение между поколениями приносит радость всей семье, но мало кто задумывается, насколько активно бабушки и дедушки, заботящиеся о внуках, поддерживают свою умственную форму. Регулярное взаимодействие с детьми стимулирует мозг пожилых людей, помогая сохранять память, скорость мышления и общую когнитивную активность.
Новые научные данные подтверждают, что такая добровольная помощь не только важна для общества, но и может замедлять возрастные изменения в мозге.
Исследователи из Тилбургского университета в Нидерландах провели анализ, чтобы понять, приносит ли уход за внуками реальную пользу здоровью пожилых людей. Ведущий автор работы Флавия Черечес отметила, что многие бабушки и дедушки регулярно присматривают за детьми, и оставался открытым вопрос, насколько это положительно сказывается на их собственном благополучии, особенно в плане когнитивных функций.
Ученые поставили цель выяснить, способен ли регулярный уход за внуками замедлить снижение памяти и других умственных способ ...>>
Случайная новость из Архива Лабораторная свинина с антиоксидантами
20.11.2024
Исследователи из Национального университета представили уникальный продукт - лабораторную свинину, созданную с использованием красного сорго. Эта разработка не только воспроизводит вкус и текстуру традиционного мяса, но и обладает дополнительными полезными свойствами благодаря антиоксидантам.
Красное сорго - богатый источник антоцианов, натуральных соединений, придающих продукту насыщенный красный цвет и обладающих антиоксидантными свойствами. Использование этого злака позволяет отказаться от искусственных красителей и делает лабораторное мясо более натуральным и экологически чистым.
В основе разработки лежит использование белка кафирина, содержащегося в красном сорго. Команда под руководством профессора Хуан Дециана использовала кафирин для создания 3D-каркасов, необходимых для роста клеток.
Эти каркасы обеспечивают стабильный цвет, который не меняется при термической обработке, а также уникальную текстуру, напоминающую традиционное мясо. Кроме того, кафирин обладает гипоаллергенными свойствами и устойчивостью к разрушению, что делает его идеальным компонентом для применения в альтернативных продуктах питания.
Лабораторная свинина, выращенная с использованием красного сорго, отличается высоким содержанием белка - 22,9%, что превышает показатели обычного мяса. Кроме того, ее текстура остается стабильной даже после готовки, сохраняя приятный вкус и внешний вид.
Отказ от красителей и минимизация добавок делают продукт более экологически чистым. Использование растительных каркасов на основе сорго также снижает затраты на производство культивированного мяса, что делает его доступным для широкой аудитории. Помимо создания мяса, технология имеет потенциал для применения в других продуктах, включая безглютеновые хлебозаменители и антиоксидантные пищевые добавки.
Этот проект является частью глобального движения за устойчивое развитие пищевой индустрии. Альтернативные мясные продукты, такие как лабораторная свинина с антиоксидантами, помогают снизить нагрузку на окружающую среду и обеспечивают более безопасные и полезные варианты питания для потребителей.
Искусственное мясо, выращенное на основе красного сорго, открывает новые горизонты для пищевых технологий. Его натуральные свойства, экологичность и улучшенная пищевая ценность делают этот продукт важным шагом на пути к созданию более устойчивой и здоровой системы питания. В ближайшем будущем такие разработки могут не только изменить наш рацион, но и внести вклад в решение глобальных экологических и продовольственных проблем.
|
Другие интересные новости:
▪ Компьютер напишет любую курсовую
▪ Горячий отпечаток
▪ Вертолеты с винтами на сжатом воздухе
▪ 192-ядерный процессор для смартфонов и планшетов
▪ Антенна-фонтан
Лента новостей науки и техники, новинок электроники
Интересные материалы Бесплатной технической библиотеки:
▪ раздел сайта Усилители низкой частоты. Подборка статей
▪ статья Сумбур вместо музыки. Крылатое выражение
▪ статья Какой фильм заставил Игги Попа и Тома Уэйтса снова начать курить? Подробный ответ
▪ статья Ферула Леманна. Легенды, выращивание, способы применения
▪ статья Изоляция из фторопласта. Энциклопедия радиоэлектроники и электротехники
▪ статья Африканские пословицы и поговорки. Большая подборка
Оставьте свой комментарий к этой статье:
Главная страница | Библиотека | Статьи | Карта сайта | Отзывы о сайте

www.diagram.com.ua
2000-2026