Menu Home

Бесплатная техническая библиотека для любителей и профессионалов Бесплатная техническая библиотека


Транзисторный УМЗЧ с повышенной динамической термостабильностью. Энциклопедия радиоэлектроники и электротехники

Бесплатная техническая библиотека

Энциклопедия радиоэлектроники и электротехники / Усилители мощности транзисторные

Комментарии к статье Комментарии к статье

В статье описан УМЗЧ, в котором применены технические решения, улучшающие динамическую термостабильность выходного каскада на биполярных транзисторах. В таком каскаде исключены переключательные искажения благодаря устранению отсечки тока в мощных транзисторах. Во второй части статьи даны рекомендации по расширению полосы частот усилителя снизу, что благотворно влияет на качество звуковоспроизведения. Подобный этому УМЗЧ был представлен Е. Алешиным на выставке "Российский Hi-End 1998", где достойно конкурировал с ламповыми усилителями.

Транзисторный УМЗЧ с повышенной динамической термостабильностью
Рис. 1

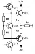
Основным источником тепловыделения в УМЗЧ является выходной каскад, и при разработке транзисторных усилителей мощности всегда большое внимание уделялось его термостабилизации. В 80-90-е годы в высококачественных УМЗЧ (например, [1 - 3]) наибольшее распространение получила схема выходного каскада, упрощенно изображенная на рис. 1. К ее достоинствам можно отнести удовлетворительную термостабильность (при размещении транзисторов VT2, VT4, VT5 на общем теплоотводе), высокую граничную частоту коэффициента передачи, низкое выходное сопротивление. Однако отсечка тока пассивного плеча, а также динамическая нестабильность тока покоя выходных транзисторов из-за колебаний температуры переходов транзисторов при изменении уровня сигнала способствуют увеличению коммутационных искажений. Эти особенности ухудшают субъективную оценку и достоверность воспроизведения звука.

О динамической стабилизации режима

Несколько лет назад хабаровский изобретатель Е. Алешин предложил способ стабилизации рабочего режима (тока покоя) транзисторных каскадов [4,5], позволивший на порядок уменьшить динамическую температурную нестабильность, исключить отсечку тока в двухтактном выходном каскаде УМЗЧ и сделать перераспределение тока в нем более точным (как в "параллельном" усилителе [6]).

Транзисторный УМЗЧ с повышенной динамической термостабильностью
Рис. 2

На рис. 2 представлена упрощенная схема усилителя с токовой ООС [2] (А1 - двухтактный повторитель), где, в отличие от прототипа, рабочая точка выходного каскада стабилизирована с помощью узла, предложенного Е. Алешиным. Стабилизатор тока покоя выполнен на элементах VT3, VT4 и VD1, VD2. При протекании сквозного тока через мощные транзисторы VT5, VT6 и включенные последовательно с ними нелинейные элементы - диоды VD1, VD2 - на последних образуется падение напряжения, которое при достижении порога открывания транзисторов VT3, VT4 вызывает появление их базового и коллекторного тока, уменьшая входной ток транзисторов VT5, VT6. В результате ограничивается сквозной ток через транзисторы выходного каскада и, соответственно, ток через диоды VD1, VD2 - датчики тока.

Статическая (долговременная) термостабильность достигается, как и в схеме на рис. 1, обеспечением теплового контакта транзисторов VT3, VT4 с диодами VD1, VD2. Динамическая стабилизация получается значительно лучше за счет меньшего выделения тепла на диодах, чем на мощных транзисторах, а эффект достижим, если кристаллы этих диодов и транзисторов сравнимы по объему.

При наличии сигнала плавное перераспределение тока через нагрузку и между диодами VD1 и VD2 получается вследствие логарифмической ВАХ диодов. Причем ток через них никогда не уменьшается до нуля, исключая отсечку тока выходных транзисторов. Ток через пассивное плечо можно значительно увеличить, включив резистор между базами транзисторов VT3, VT4 (т. е. параллельно VD1, VD2). При этом на ток покоя и на его распределение между плечами при наличии сигнала не влияют ни температура мощных транзисторов, ни падение напряжения на резисторах (если они имеются) в цепях базы и эмиттера этих транзисторов.

Может показаться сложным подобрать диоды и включаемые параллельно им эмиттерным переходом транзисторы, чтобы обеспечить условие стабилизации: Σ иБэ = Σ UVd. В действительности достаточно только найти подходящие типы приборов, подбор экземпляров не требуется. Кроме того, есть простой способ подстройки рабочей точки, что показано далее в описании предлагаемого УМЗЧ.

О тепловых искажениях

Здесь уместно немного рассказать о тепловых искажениях и методах их устранения при проектировании транзисторных усилителей.

Тепловые искажения - это изменения, вносимые в сигнал при прохождении его через электрическую цепь или усилительный каскад, обусловленные тепловым воздействием самого сигнала (тока) на термочувствительные параметры элементов усилителя. Пример тепловых искажений в пассивных цепях - компрессия сигнала в динамических головках из-за нагрева звуковых катушек (особенно у мощных, допускающих высокую температуру головок).

В полупроводниковых приборах рост температуры кристалла под действием протекающего тока сигнала вызывает изменение таких основных параметров, как, например, прямое напряжение диодов (-2,2 мВ/К), напряжение база - эмиттер биполярных транзисторов (-2,1 мВ/К), статический коэффициент передачи тока биполярных транзисторов (+0,5 %/К) и др.

Тепловые процессы имеют инерционный характер, обусловленный реальной теплоемкостью кристалла и корпуса прибора. Поэтому электротепловые процессы в транзисторах не только приводят к изменениям мгновенных значений параметров, но и создают эффект "памяти" в электрических цепях и усилительных каскадах. Тепловая память в усилительных каскадах проявляется как изменяющиеся во времени параметры после воздействия мощного сигнала: смещение рабочей точки каскадов, изменение коэффициента передачи (нестационарная мультипликативная ошибка); сдвиг постоянной составляющей сигнала (нестационарная аддитивная ошибка). Последнее похоже на проявление абсорбции диэлектрика конденсатора в цепи прохождения сигнала. Эти процессы создают линейные и нелинейные искажения сигнала, ухудшающие качество воспроизводимого звука [7].

Особо нужно отметить, что обычная термостабилизация не способна существенно улучшить динамическую термостабильность каскадов из-за намного большей постоянной времени тепловых процессов в устройстве по сравнению с постоянной времени тепловых процессов внутри полупроводникового прибора. Отчасти это верно даже для монолитных микросхем.

Очевидно, что для устранения проблем, связанных с тепловой памятью полупроводниковых приборов, необходимо применение схемных решений, уменьшающих колебания температуры кристаллов приборов или их влияние на параметры усилителя.

Такими решениями могут быть:

- изотермический режим работы полупроводникового прибора [8];
- режим термостабильной точки каскада на полевом транзисторе;
- охват одного или нескольких усилительных каскадов ООС, выполненной на другом усилительном элементе (транзисторе), имеющем малые колебания мощности (и, следовательно, температуры) при воздействии сигнала;
- коррекция "вперед" [9];
- взаимная компенсация тепловых искажений каскадов.

Описание схемы УМЗЧ

Усилитель мощности выполнен по принципиальной схеме (рис. 3), соответствующей показанной структурной схеме.

Транзисторный УМЗЧ с повышенной динамической термостабильностью
Рис. 3

Основные технические характеристики

Номинальное входное напряжение, В....................1
Номинальное сопротивление нагрузки, Ом .............4; 8
Выходная мощность при сопротивлении нагрузки 4 Ом, Вт ......................50
Коэффициент гармоник, %, при Рвых = 40 Вт, RH = 4 Ом,
не более ....................0,02
при Рвых= 20 Вт, RH= 8 Ом,
не более...................0,016
Уровень шума (с фильтром МЭК-А),дБн ................-101

На входе установлен ФНЧ R1C2 для уменьшения ВЧ наводок на вход. В эту же цепь включен ограничитель входного напряжения на элементах R3, R4, С1, C3, VD1 -VD4 для защиты от перегрузки входных каскадов усилителя. Входной сигнал с регулятора громкости (РГ) через ФНЧ поступает на "параллельный" повторитель VT1, VT2, VT4, VT5 (названный в [10] псевдодвухтактным эмиттерным повторителем). Резисторы R5, R6 служат для балансировки тока входа, т. е. для устранения постоянной составляющей тока через РГ, возникающей из-за различия в статических коэффициентах передачи тока входных биполярных транзисторов и создающей напряжение смещения на входе. Конденсатор С6 предотвращает самовозбуждение входного каскада на радиочастотах.

Статический режим работы повторителя стабилизирован по напряжению питания параметрическими стабилизаторами R7VD5, R12VD6 и задан резисторами R8-R11, R16, R17T8K, чтобы в покое разность тепловых мощностей между транзисторами каскадов повторителя была мала. Динамический тепловой режим, определяемый элементами R13, R14, R24, R25 в сочетании со статическим режимом, выбран таким, чтобы минимизировать колебания мощности на транзисторах повторителя при наличии сигнала и разницу мгновенных мощностей транзисторов VT1 и VT4 (VT2 и VT5), получив, таким образом, минимальную мгновенную разность температур их кристаллов. Это сделано для того, чтобы тепловые колебания напряжения иБЭ транзисторов первого и второго каскадов вычитались и напряжение сигнала на выходе повторителя, а следовательно, и на выходе усилителя в минимальной степени было подвержено тепловым искажениям, трактуемым как "память напряжения сигнала" (нестационарная аддитивная ошибка).

Напряжение с выхода усилителя через делитель R26R16 и R27R17 поступает на выход "параллельного" повторителя - эмиттеры VT4, VT5, изменяя ток через них, т. е. формируется ток ошибки, пропорциональный отклонению выходного напряжения усилителя, поделенного на коэффициент усиления УМЗЧ, от входного. Противофазный ток ошибки через токовый повторитель VT3 (VT6) поступает на усилитель тока VT13 (VT14). Его выход нагружен на резисторы R39, R40 и входное сопротивление выходного повторителя VT15, VT16, на которых выделяется напряжение (т. е. это каскад преобразования импеданса) и через выходной повторитель подается в нагрузку (АС). Резистор R41 определяет ток покоя усилителя тока ошибки (VT13, VT14) и выбран таким, чтобы исключить закрывание пассивного плеча этого каскада из-за протекания тока через R39, R40. Последние сдвигают вверх по частоте первый полюс в петле общей ООС.

Частотная коррекция в петле ООС осуществляется конденсаторами СЮ, С11, включенными между каскадом преобразования импеданса и выходом "параллельного" повторителя. Такое их включение улучшает переходную характеристику усилителя, когда он нагружен на низкоимпедансную нагрузку, т. е. на АС [2]. Коррекцию на опережение фазы выполняют цепи R28C7 и R29C8. Подстроечный резистор R15 служит для устранения смещения на выходе УМЗЧ по постоянному току.

Ток эмиттеров выходного каскада протекает через датчики тока - диоды VD11-VD14. Напряжение с диодов, содержащее информацию о мгновенном значении сквозного тока выходного каскада, через делитель R42R36R37R43 подается на дифференциальный усилитель VT11, VT12 и преобразуется им в ток. С коллекторов VT11, VT12 ток через токовое зеркало VT7, VT9 (VT8, VT10) поступает на вход усилителя тока ошибки, уменьшая его входной ток. Поскольку в обоих плечах изменение этого тока синфазно (в отличие от тока ошибки с "параллельного" повторителя), то оно приводит к изменению сквозного тока усилителя ошибки, а следовательно, и выходного каскада, но не изменяет выходное напряжение. Таким образом, ток покоя выходного каскада стабилизируется. Цепь R38C13 предотвращает параметрическое возбуждение узла стабилизации, а также вместе с R42, R43 выполняет частотную коррекцию в петле ООС.

Подключение узла стабилизации несколько отличается от схемы рис. 2, но это не принципиально, и в усилителях различной структуры может быть реализовано по-разному. При этом, однако, необходимо учитывать, что динамические колебания температуры транзисторов ОС стабилизации (VT3, VT4 на рис. 2 и VT11, VT12 на рис. 3) также влияют на термостабильность рабочей точки выходного каскада, но смещают ее в противоположную сторону по сравнению с диодами - датчиками тока.

Диоды VD7-VD10 - защитные, они предотвращают размыкание ООС стабилизации тока покоя при переходных процессах (например, при включении питания или сильных импульсных помехах), переходящую при этом в ПОС с неуправляемым нарастанием сквозного тока в выходном каскаде. ДиодЮ9 (VD10) создает также дополнительное падение напряжения на транзисторе токового зеркала VT7 (VT8), выводя его на более линейный участок характеристики.

Конструкция и детали

Усилитель собран автором на универсальной макетной плате. Мощные транзисторы выходного каскада установлены на общем теплоотводе с тепловым сопротивлением не более 2 К/Вт через изолирующие теплопроводящие прокладки. Мощные диоды вместе с транзисторами VT11, VT12 размещены на отдельном теплоотводе, соединенном с общим проводом, с тепловым сопротивлением не более 15 К/Вт. Транзисторы лучше установить с обратной стороны пластинчатого теплоотвода, напротив диодов с наибольшим прямым напряжением (если они разных типов, как на рис. 3), т. е. в данном случае VT11 - напротив VD12, a VT12 - напротив VD13. Транзисторы VT13, VT14 установлены на небольших теплоотводах с тепловым сопротивлением 20...30 К/Вт. Их можно разместить и на теплоотводе с диодами выходного каскада, но это ухудшит статическую термостабильность тока покоя. В таком варианте тепловое сопротивление общего теплоотвода должно быть не более 10 К/Вт.

Постоянные резисторы - метал-лопленочные, подстроечные - многооборотные. Резисторы R8-R11, R16- R18, R23, R26, R27, R32, R35 - с допуском ±1 %; их можно отобрать из обычных с допуском ±5 % или прецизионные ближайших к указанным номиналов из ряда Е96. Остальные постоянные резисторы имеют допуск ±5 %.

Оксидные конденсаторы С14, С15 - низкоимпедансные (low ESR), применяемые в импульсных блоках питания; неполярные с указанным номинальным напряжением - пленочные. Конденсаторы С2, С10, С11 желательно применить с диэлектриком из полистирола или полипропилена, остальные - керамические на напряжение 25 или 50 В с диэлектриком X7R (или групп NPO, COG для С6 С8).

Стабилитроны VD5, VD6 - прецизионные, они имеют допуск ±1 %, можно также использовать другие с допуском ±2 % (например, BZX55B) или отобрать из ряда ±5 % (BZX55C). Диоды VD7-VD10 - сверхбыстрые (ultrafast) на средний ток 1 А, с прямым напряжением 0,6...0,7 В при токе 0,1 А. Диоды выходного каскада могут быть любыми мощными диодами Шотки или сверхбыстрыми на средний ток не менее 10 А. Допустимо любое сочетание типов и числа диодов в плече; важно лишь, чтобы суммарное падение напряжения при заданном токе покоя, протекающем через них, было в пределах 0,7...0,9 В. Например, диод VD12 (VD13) можно заменить двумя MBR1045 или MBR1035, соединенными последовательно. Предпочтительнее использовать диоды на ток до 20 А и более, как имеющие больший объем кристалла, а потому способные обеспечить лучшую динамическую термостабильность.

Транзисторы ВС550С, ВС560С в "параллельном" повторителе могут быть заменены на ВС550В, ВС560В или ВС549, ВС559 с буквенными индексами С или В, а в других позициях также на ВС547, ВС557 или ВС546, ВС556 с буквенными индексами С или В. Транзисторы VT11, VT12 - маломощные высокочастотные с малой емкостью переходов, допустимым постоянным током коллектора не менее 0,1 А и напряжением коллектор- эмиттер не менее 60 В. Подойдут также 2SA1540, 2SC3955 или ВС546, ВС556 с любым буквенным индексом, в последнем случае запас устойчивости узла стабилизации несколько снизится. Транзисторы VT13, VT14 - высокочастотные средней мощности, с допустимым постоянным током коллектора не менее 1 А и напряжением коллектор- эмиттер не менее 60 В; предпочтительно использовать экземпляры с большим значением h2ia-Выходные транзисторы могут быть 2SA1302, 2SC3281, желательно группы О (с большим значением параметра h213). Комплементарные пары транзисторов всех каскадов желательно отобрать по близкому значению h213. Транзисторы "параллельного" повторителя лучше использовать из одной партии, то же относится к транзисторам токовых зеркал.

При отборе радиоэлементов можно руководствоваться рекомендациями, изложенными в [3] (№ 1, с. 18-20).

Питание УМЗЧ может быть нестабилизированным. Монтаж общего провода и питания выполняют по общеизвестным правилам. Отметим только, что к входной локальной "земле" отнесены элементы С1- С5, R2, VD3-VD6 и экран кабеля, соединяющего вход усилителя с регулятором громкости.

Налаживание и измерения параметров

Перед первым включением плавкие вставки в цепях питания заменяют резисторами сопротивлением 22...33 Ом и мощностью 5 Вт, а движки подстроечных резисторов устанавливают в среднее положение (у резистора R37 - в положение максимального сопротивления). Нагрузка отключена, вход замкнут. Медленно повышая напряжение питания, контролируют потребляемый ток в обеих цепях питания; он не должен превышать 0,15 А. Доведя напряжение на конденсаторах С14, C15 до +/-18 В, проверяют указанные на схеме напряжения: на диодах VD3, VD4 должно быть по 1,5... 1,7 В; на стабилитронах

VD5, VD6 - по 7,4...7,6 В. На выходе напряжение должно быть в пределах ±0,3 В, а токи, потреб ляемые от источников питания, должны быть одинаковыми. Повысив напряжение питания до +/-25 В (на C14, C15), снова проверяют указанные напряжения и потребляемый ток.

Контролируя осциллографом выходное напряжение, убеждаются в отсутствии самовозбуждения усилителя. Затем устанавливают минимум постоянного напряжения на выходе подстроечным резистором R15. Далее выставляют ток покоя выходного каскада подстроечным резистором R37, при необходимости подбирают R36. Контролируя милливольтметром напряжение на выходе, размыкают вход и подстроечным резистором R6 устанавливают на выходе такое же напряжение, как до размыкания. Затем, вновь замкнув вход, как можно точнее минимизируют напряжение смещения на выходе резистором R15. Разомкнув вход, опять проверяют напряжение на выходе и, если потребуется, доводят до нуля резистором R6.

На тестовых сигналах - синусоиде и меандре частотой 1 кГц - проверяют отсутствие самовозбуждения при различных амплитудах, вплоть до ограниче ния. Возможны три вида самовозбуждения (например, из-за использования других типов транзисторов). Первый, как правило, связан с излишним фазовым сдвигом в петле общей ООС, что устраняется увеличением емкости конденсаторов С10 и C11; при этом надо учитывать соответствующее снижение частоты первого полюса в петле ООС и максимальной скорости нарастания напряжения на выходе. Второй обусловлен фазовым сдвигом в петле ООС узла стабилизации тока покоя; его снижают уменьшением сопротивления резистора R38. Третий вид - параметрическое возбуждение в узле стабилизации тока покоя, хорошо заметное на выходе в отсутствие сигнала (при этом через выходной каскад протекает ток до нескольких ампер, если в цепях питания нет токоограничительных резисторов). Оно устраняется увеличением сопротивления R38. Как видно, требования к этому резистору противоречивые, поэтому (при необходимости) для определения оптимального сопротивления нужно найти его верхнюю и нижнюю границы, при которых самовозбуждение еще не возникает, и вычислить оптимальное значение как среднее арифметическое. Использовать для этой процедуры подстроечный резистор можно, если подпаивать его непосредственно к плате, без проводов, чтобы паразитные связи и индуктивности не исказили результат. Отношение найденных верхней и нижней границ должно быть более 3, чтобы обеспечить достаточный запас устойчивости. В противном случае потребуется замена транзисторов VT11, VT12 на другие типы. Иной путь - увеличение емкости конденсатора С13, но это нежелательно, поскольку снижает скорость узла стабилизации тока покоя.

Теперь можно установить плавкие вставки и подключить эквивалент нагрузки - резистор 4 Ом на 50 Вт. Снова проверяют отсутствие самовозбуждения на тестовых сигналах.

В последнюю очередь, если есть возможность воспользоваться спектроанализатором, подстроечным резистором R30 минимизируют уровень второй гармоники при поданном на вход тестовом сигнале частотой 1 кГц и мощности в нагрузке 40 Вт. Если при этом появится смещение напряжения на выходе (в отсутствие сигнала), то нужно опять минимизировать его с помощью R15. В крайнем случае на стройку по гармонике можно не выполнять, исключив резисторы R30, R31 и установив R26 того же номинала, что и R27

После настройки усилитель имеет следующие параметры.

При входном напряжении 1 В выходная мощность на нагрузке с импедансом 4 Ом (при фазовом сдвиге до 60 град.) равна 50 Вт. Скорость нарастания выходного напряжения - не менее 100 В/мкс.

Уровень гармонических искажений в полосе частот 10 Гц...22 кГц при выходной мощности 40 Вт на нагрузке 4 Ом - не более 0,02 %, при выходной мощности 20 Вт на нагрузке 8 Ом - не более 0,016 %.

Уровень интермодуляционных искажений (частоты 19 и 20 кГц в соотношении амплитуд 1:1) при пиковой выходной мощности 40 Вт на нагрузке 4 Ом - 0,01 %, при пиковой выходной мощности 20 Вт на нагрузке 8 Ом - 0,008 %.

Уровень шума, взвешенный по характеристике МЭК-А, при сопротивлении источника сигнала 0,13 и 26 кОм несколько отличается - соответственно -101, -89, -85 дБ. Подавление пульсаций питающего напряжения (более +/-17 В) на частоте 100 Гц - не менее 70 дБ.

Первый полюс в петле общей ООС при сопротивлении нагрузки 4 Ом - на частоте 20 кГц. Запас устойчивости общей ООС по модулю при сопротивлении нагрузки не менее 2 Ом - более 12 дБ.

На рис.4 и 5 показаны зависимости общего коэффициента гармоник (THD), а также коэффициентов четных (EVEN) и нечетных (ODD) гармоник от выходной мощности на частоте 1 кГц при сопротивлении нагрузки 4 и 8 Ом соответственно, на рис. 6 и 7 - то же, от частоты при выходной мощности 40 Вт на нагрузке 4 Ом и 20 Вт на нагрузке 8 Ом.

Транзисторный УМЗЧ с повышенной динамической термостабильностью

Измерения нелинейности проведены при сопротивлении источника сигнала 13 кОм, поэтому в результатах измерений учтена также входная нелинейность (в действительности она намного меньше общей).

Сопротивление источника сигнала 13 и 26 кОм соответствует среднему положению движка регулятора громкости номинальным сопротивлением 50 и 100 кОм соответственно.

При включении и выключении напряжения питания переходный процесс в УМЗЧ незначителен, поэтому АС можно подключать без узла задержки включения. В авторской конструкции с нестабилизированным источником питания амплитуда этого процесса при включении не превышает ±40 мВ длительностью около 20 мс, а при выключении - не более ±60 мВ длительностью до нескольких секунд.

Подавление пульсаций питающего напряжения можно увеличить, заменив параметрические стабилизаторы малошумящими интегральными [3] на LM317, LM337 и установив напряжение стабилизации 7,5±0,1 В.

Ток покоя выходного каскада выбран несколько завышенным для получения стабильно малой нелинейности и отсутствия коммутационных искажений, а также с целью уменьшения так называемых форматных искажений (ФИ). Суть ФИ заключается в немонотонной нелинейности передаточной характеристики, т. е. на разных участках характеристики она описывается различными функциями либо функция имеет разные параметры.

В результате сигнал, смещаемый по передаточной характеристике колебаниями НЧ составляющей, изменяет свой спектр гармоник и интермодуляции; при изменении амплитуды сигнала огибающая гармоник не соответствует огибающей сигнала, что слух может выделять как изменения тонкой структуры звука.

Сравнительные измерения динамической термостабильности тока покоя выходного каскада, проведенные в описанном УМЗЧ и усилителе с каскадом по схеме рис. 1, при прочих равных условиях (режимы и компоненты) показали ее улучшение в три-четыре раза. Лучший результат, как отмечалось выше, можно получить, применяя более сильноточные диоды. Динамическая термостабильность определялась сравнением мгновенного значения тока покоя до и после непродолжительного (до 1 с) импульсного воздействия на выходной каскад током нагрузки.

О снижении границы полосы пропускания

Усилитель мощности можно использовать без разделительного конденсатора на входе, получив таким образом границу полосы пропускания от нуля герц (другая идея E. Алёшина применительно ко всему звуковому тракту). В этом случае для улучшения стабильности нуля на выходе целесообразно использование сервоконтроля - ООС по постоянному току.

Возможная схема такого устройства в усилителе показана на рис. 8; это - вариант реализации нелинейной ООС по постоянному току [11, 12] с линейным участком возле нуля передаточной характеристики. Первый каскад на ОУ DA1.1 усиливает напряжение с выхода УМЗЧ и симметрично ограничивает его, причем для малых амплитуд сигнала каскад практически линеен. Второй - на ОУ DA1.2 - представляет собой интегратор, с выхода которого ток через резисторы R5, R6 подается в точки суммирования токов общей ООС усилителя мощности. Транзисторы VT1, VT2 формируют стабилизированное напряжение питания для ОУ (+/-6,8 В). Если в УМЗЧ установить интегральные стабилизаторы (см. выше), эти транзисторы можно исключить, подав питание на ОУ со стабилизаторов через резисторы (10 Ом, 0,125 Вт).

Транзисторный УМЗЧ с повышенной динамической термостабильностью

ОУ могут быть любыми с полевыми транзисторами на входе, напряжением питания от +/-6,5 В, обеспечивающие выходной ток не менее 3 мА для DA1.1 и 30 мА для DA1.2. Транзисторы - любые средней мощности, с h21Э больше 60. Если они в корпусе TO-220, то теплоотвод не нужен, а если меньшего размера, то для каждого нужен теплоотвод, способный эффективно рассеивать 0,6 Вт. Диоды Шотки - любые маломощные с минимальным прямым напряжением (менее 0,4 В при 2 мА), имеющие емкость перехода менее 100 пФ при обратном напряжении 1 В. Конденсатор C1 - пленочный (полиэтилентерефталатный), остальные - керамические с диэлектриком X7R и номинальным напряжением 25 В (или 50). Подстроечный резистор может быть любым малогабаритным, но надежнее использовать многооборотный.

Настройка узла нелинейной ООС по ПТ, подключенного к налаженному УМЗЧ, сводится к установке нуля на выходе усилителя при поданном на его вход тональном сигнале - синусоиде частотой 1 кГц - амплитудой на несколько вольт меньше напряжения ограничения на выходе. Точнее, нужно установить такое же напряжение, как в отсутствие сигнала (несколько милливольт). Нагрузка (эквивалент) должна быть подключена. Измерение выходного напряжения производят милливольтметром постоянного тока, подключенным к выходу через ФНЧ (R = 10 кОм, С = 1 мкФ). Тестовый сигнал не должен содержать четных гармоник более 1 %. Процесс настройки можно ускорить, временно уменьшив емкость конденсатора C1 до 0,1 мкФ.

По имеющимся сведениям, в частности из [13], подобный узел может улучшать качество звучания записей, сделанных на аппаратуре, имеющей нижнюю границу полосы пропускания значительно выше 0,02 Гц. По-видимому, это происходит за счет "обрезки" имеющихся в записи относительно медленных паразитных смещений сигнала, возникающих в дифференцирующих цепях (например, межкаскадный конденсатор) при прохождении через них импульсного сигнала, коим является звуковая (музыкальная) информация в электронном тракте [12] - см. далее. Для этого постоянная интегрирования в каскаде на DA1.2 должна быть достаточно мала, но не настолько, чтобы заметным образом уменьшать содержание НЧ в воспроизводимом звуке при малой громкости. Для схемы на рис. 8 это соответствует емкости C1 порядка 0,1 мкФ. Повторившим этот узел стоит поэкспериментировать, изменяя постоянную интегрирования при различных уровнях громкости.

Идея "0 Гц", или точнее "почти 0 Гц", как частотная граница полосы звукового тракта от микрофона до АС, подразумевает отказ от обычно применяемых цепей, дифференцирующих низкочастотные и инфранизкочастотные сигналы, - межкаскадных конденсаторов и интеграторов в цепи ООС, которые из практических соображений имеют относительно небольшие значения постоянной времени. В результате использования таких фильтров в нестационарный сигнал (звуковой, музыкальный) вносятся линейные искажения, оказывающие негативное влияние на субъективное восприятие воспроизводимого звука.

На рис. 9 показано, как изменяется симметричный нестационарный сигнал при прохождении через шесть дифференцирующих цепей первого порядка (утолщенная линия), имеющих частоту среза на порядок ниже частоты первого периода колебаний сигнала. Экспоненциальный участок переходного процесса показан штриховой линией.

Искажения возникают из-за создаваемого фильтром опережающего фазового сдвига в области НЧ, что при­ водит к "смазыванию" атаки звука [14]. То есть искажается огибающая звуковых колебаний, к чему чувствительность слуха увеличивается с понижением частоты, поскольку при анализе сигнала в слуховой системе в области НЧ превалируют временные факторы. Фазовый сдвиг между гармоническими компонентами звука способен также изменить ощущение тембра [15].

При этом происходит возрастание амплитуды сигнала, что увеличивает его динамический диапазон на несколько децибел и, соответственно, уменьшает динамический диапазон тракта на это же значение, которое тем больше, чем выше частота среза ФВЧ по отношению к частоте сигнала. В пределе увеличение амплитуды составляет +6 дБ на прямоугольном сигнале (реально оно всегда меньше)

Другое следствие опережающего фазового сдвига влияет на качество звуковоспроизведения косвенно. Оно заключается в том, что сдвиг фазы и изменение амплитуды ИНЧ и НЧ составляющих приводит к флуктуациям средней линии сигнала относительно нуля. Пунктирной линией на рис. 9 показано "скольжение" средней линии, которого не было в исходном сигнале.

Транзисторный УМЗЧ с повышенной динамической термостабильностью

Чтобы понять связь этого "скольжения" с ухудшением звучания, нужно учесть, что передаточная характеристика усилительных каскадов, особенно усилителя мощности, не только нелинейна, но, как правило, имеет немонотонную нелинейность (т. е. имеют место ФИ). Это означает, что сигнал, будучи перемещаем "скольжением" по передаточной характеристике, имеет изменяющийся спектр гармоник и интермодуляции, т. е. нелинейность по отношению к сигналу становится нестационарной. Последнее обстоятельство, по наблюдениям автора идеи E. Алёшина, существенно ухудшает качество звучания, не позволяя слуху адаптироваться к нелинейности тракта

Еще одно негативное следствие "скольжения" сигнала проявляется при электроакустическом преобразовании. При воспроизведении такого "скользящего" сигнала звукоизлучающей головкой возникает сдвиг спектра звука из-за эффекта Доплера. При воспроизведении реального звукового сигнала это вызывает дополнительную частотную модуляцию (детонацию) звука, что, как известно, также ухудшает субъективное качество звуковоспроизведения.

Литература:

1. Сухов Н. УМЗЧ высокой верности. - Радио, 1989, № 6, с. 55-57; № 7, с. 57-61.
2. Alexander М. A Current Feedback Audio Power Amplifier. - 88-th Convention of the AES, reprint #2902, March 1990.
3. Агеев С. Сверхлинейный УМЗЧ с глубокой OOC. - Радио, 1999, № 10-12; 2000, № 1,2, 4-6.
4. Алешин Е. Способ стабилизации рабочего режима в электронных устройствах. Patent WO 02/47253.
5. Стабилизация тока покоя выходного каскада. - <http://Ohz.nm.ru/archive/out_stage_istab.htm>.
6. Агеев А. "Параллельный" усилитель в УМЗЧ. - Радио, 1985, № 8, с. 26-29.
7. Лихницкий А. М. Причины слышимых различий в качестве звукопередачи усилителей звуковой частоты. - <http://www.aml.nm.ru/reasons.htm>.
8. Memory Distortion. - <http://peufeu.free.fr/audio/memory/>.
9. Кулиш. M. Линеаризация каскадов усиления напряжения без ООС. - Радио. 2005, № 12, с. 16-19.
10. Шкритек П. Справочное руководство позвукотехнике. - М.: Мир, 1991, с. 211,212.
11. Алешин Е. Способ улучшения качества работы звукового тракта (Patent WO 02/43339) - Заявка на изобретение
№ 2000129797 (РФ).
12. Алешин Е. Способ улучшения качества работы звукового тракта. Заявка на изобретение - <http://Ohz.nm.ru/archive/zayavka_servo.htm >.
13. Изобретения Алешина. О восстановлении ВПС... - <http://www.proning.ru/forum/viewtopic.php?t=7>.
14. Искажение атаки звукового сигнала дифференцирующими цепями. - <http://Ohz.nm.ru/archive/attack_distortion.htm>.
15. Алдошина И. Основы психоакустики. Гл. 14. Тембр. - <http://www.zvuk.kiev.ua/u4ebniki/ZVUK/aldoshina_psychoacoustics/aldoshina_psychoacoustics.djvu>

Публикация: radioradar.net

Смотрите другие статьи раздела Усилители мощности транзисторные.

Читайте и пишите полезные комментарии к этой статье.

<< Назад

Последние новости науки и техники, новинки электроники:

Власть является ключевым фактором счастья в отношениях 11.03.2026

Исследования семейных и романтических отношений показывают, что длительное счастье пары зависит не только от привычных факторов, таких как доверие, уважение и преданность, но и от более тонких психологических аспектов. Современные ученые ищут закономерности, которые отличают действительно счастливые пары от остальных, чтобы понять, какие механизмы поддерживают гармонию в отношениях. Группа исследователей из Университета Мартина Лютера в Галле-Виттенберге и Бамбергского университета провела опрос среди 181 пары, которые состояли в совместных отношениях более восьми лет и прожили вместе хотя бы месяц. Участники заполняли анкету, описывая различные аспекты своих отношений, включая распределение обязанностей, эмоциональную поддержку и степень вовлеченности в совместные решения. Анализ данных показал интересный паттерн: пары, где оба партнера ощущали высокий уровень личной власти, оказывались наиболее счастливыми и удовлетворенными. В данном контексте под властью понимается способност ...>>

Защищенная колонка-повербанк Anker Soundcore Boom Go 3i 11.03.2026

Компания Anker представила новую модель линейки Soundcore - колонку Soundcore Boom Go 3i, ориентированную на активное использование на улице. Новинка отличается высокой степенью защиты: корпус соответствует стандарту IP68, что обеспечивает водо- и пыленепроницаемость, а ударопрочный дизайн выдерживает падение с высоты до одного метра. За качество звука отвечает 15-ваттный драйвер, обеспечивающий пик громкости до 92 дБ, а технология BassUp 2.0 усиливает низкие частоты, делая звучание более насыщенным. Колонка обладает автономностью до 24 часов, а LED-индикатор позволяет контролировать уровень заряда батареи. Кроме того, Soundcore Boom Go 3i может выполнять функцию павербанка: согласно внутренним тестам, устройство способно зарядить iPhone 17 с нуля до 40% за один час, что делает его полезным аксессуаром в походах и поездках. Среди функциональных особенностей модели стоит выделить технологию Auracast, которая улучшает подключение и позволяет создавать стереопару из двух колонок ...>>

Раннее воздержание от алкоголя перестраивает мозг и иммунитет 10.03.2026

Алкогольная зависимость - хроническое расстройство с компульсивным употреблением спиртного, которое влияет не только на поведение, но и на функционирование мозга и иммунной системы. Недавние исследования показали, что даже на ранних этапах воздержания организм начинает перестраиваться, открывая новые возможности для терапии зависимости. Ученые сосредоточились на пациентах, находящихся в первые недели абстиненции, и зафиксировали значительные изменения в мозговой активности. С помощью функциональной магнитно-резонансной томографии они выявили перестройку сетей нейронных связей, отвечающих за контроль импульсов и принятие решений. Эти изменения могут быть ключевыми для восстановления самоконтроля и снижения риска рецидива. Одновременно с нейронной перестройкой исследователи наблюдали колебания иммунной системы. В крови повышался уровень цитокинов - сигнальных белков, регулирующих воспалительные процессы. Эти данные свидетельствуют о существовании нейроиммунного взаимодействия, при ...>>

Случайная новость из Архива

Микроструктурированное оптоволокно для скоростного квантового интернета 05.08.2024

Современные достижения в области квантовой связи открывают новые перспективы для создания сверхскоростного интернета будущего. Одной из наиболее важных разработок в этой области стали волокна с микроструктурированной сердцевиной, разработанные британскими физиками из Университета Бата. Эти новые волокна, благодаря своему уникальному строению, могут стать основой для высокоскоростных квантовых сетей.

В отличие от традиционных оптических волокон со сплошным сердечником, которые используются в современных каналах связи, волокна с микроструктурированной сердцевиной состоят из сложного узора воздушных карманов. Такая структура позволяет эффективно передавать свет на длинах волн, подходящих для квантовой связи, что является важным шагом на пути к созданию квантового интернета.

Современные оптические волокна оптимизированы для передачи света на длинах волн, минимизирующих потери в стекле. Однако эти длины волн не совместимы с диапазонами источников отдельных фотонов, кубитов и других активных оптических компонентов, необходимых для квантовой связи. Новые волокна, разработанные в Университете Бата, позволяют манипулировать свойствами света, что открывает возможности для создания запутанных пар фотонов, изменения их цвета или даже захвата отдельных атомов внутри волокон.

Микроструктурированные волокна обладают низкими потерями, низкой задержкой и низкой дисперсией. Эти характеристики делают их идеальными для передачи данных в квантовых сетях, как на короткие, так и на длинные дистанции. Это важное достижение, поскольку высокая скорость и надежность передачи данных являются критическими для успешного функционирования квантового интернета.

Физики из Университета Бата сосредоточились на решении ключевых проблем, связанных с квантовым интернетом. Одной из них является создание масштабируемой и надежной широкомасштабной квантовой сети. Новые волокна предлагают решения, которые могут сделать такие сети реальностью. Соавтор исследования, Кэмерон МакГарри, подчеркивает, что, как и нынешний интернет, квантовый интернет будет зависеть от оптических волокон для передачи информации между узлами. Однако новые волокна будут значительно отличаться от тех, что используются сегодня, и потребуют новой технологической поддержки.

Разработка микроструктурированных оптоволокон с воздушными карманами представляет собой значительный шаг вперед в области квантовой связи. Эти волокна не только обеспечивают передачу света на необходимых длинах волн, но и предлагают множество новых возможностей для манипуляции светом, что является ключевым для создания эффективных квантовых сетей. В ближайшем будущем такие технологии могут стать основой для высокоскоростного и надежного квантового интернета, открывая новые горизонты для коммуникации и передачи данных.

Другие интересные новости:

▪ Ветряная турбина Challenergy, устойчивая к сильному ветру

▪ Полностью защищенный промышленный бизнес-планшет Fujitsu Stylistic V535

▪ Роботы-медузы для очистки океанов от мусора

▪ Умная система очистки воздуха в салоне автомобиля

▪ Сам себе батарейка

Лента новостей науки и техники, новинок электроники

 

Интересные материалы Бесплатной технической библиотеки:

▪ раздел сайта Палиндромы. Подборка статей

▪ статья Цели организации первой медицинской помощи при массовых поражениях. Основы безопасной жизнедеятельности

▪ статья Опасны ли угри? Подробный ответ

▪ статья Клизмы. Медицинская помощь

▪ статья Творог. Простые рецепты и советы

▪ статья Неожиданный прыжок пробки. Секрет фокуса

Оставьте свой комментарий к этой статье:

Имя:


E-mail (не обязательно):


Комментарий:




Комментарии к статье:

mir
В тексте есть ссылки на источники [x], а самих источников нет.

Диаграмма
2mir Спасибо, исправили.


Главная страница | Библиотека | Статьи | Карта сайта | Отзывы о сайте

www.diagram.com.ua

www.diagram.com.ua
2000-2026