Menu Home

Бесплатная техническая библиотека для любителей и профессионалов Бесплатная техническая библиотека


Трехканальный мультимедийный УМЗЧ. Энциклопедия радиоэлектроники и электротехники

Бесплатная техническая библиотека

Энциклопедия радиоэлектроники и электротехники / Усилители мощности транзисторные

Комментарии к статье Комментарии к статье

Несмотря на множество моделей мультимедийных АС промышленного производства, интерес радиолюбителей к самостоятельному изготовлению подобных конструкций не снижается. Особый интерес вызывают системы с общим низкочастотным каналом. Низкочастотный громкоговоритель - сабвуфер - при этом размещают в отдельном корпусе, что позволяет значительно уменьшить габариты АС левого и правого каналов. Для подобного рода конструкций и предназначен описываемый здесь усилитель с общей номинальной мощностью около 20 Вт.

К особенностям мультимедийного комплекса можно отнести относительно небольшие размеры видеомонитора и соответствующие им габариты акустической системы, размещаемой, как правило, в непосредственной близости от слушателя. В связи с этим максимальная мощность усилителей для такой АС обычно не превышает 10...20 Вт. Близость расположения мультимедийной акустической системы нередко ограничивает ее допустимые размеры, поэтому здесь распространено размещение низкочастотной головки в одном общем корпусе - сабвуфере, а стереофонические громкоговорители выступают здесь в роли "сателлитов".

Для формирования сигнала канала НЧ (сабвуфера) обычно используются сумматор и активный фильтр. В качестве примера на рис. 1 приведена схема этого узла.

Трехканальный мультимедийный УМЗЧ. Формирователь сигнала НЧ (сабвуфера)
Рис.1. Формирователь сигнала НЧ (сабвуфера)

На ОУ DA1.1 выполнен инвертирующий сумматор, совмещенный с фильтром первого порядка, на ОУ DA1.2 - активный фильтр Баттерворта второго порядка. Частота среза получившегося в итоге фильтра третьего порядка составляет примерно 180 Гц. Делитель R1R2 задает режим ОУ по постоянному току. Полоса частот громкоговорителей СЧ-ВЧ (сателлитов) ограничена фильтрами первого порядка на входе стереофонического УМЗЧ.

Однако для выделения полосы частот сабвуфера вовсе не обязательно использовать активные фильтры. На страницах журнала были опубликованы два варианта УМЗЧ для компьютера [1], в которых применен оригинальный способ формирования сигнала для сабвуфера, не требующий отдельного фильтра. К сожалению, в первом варианте конструкции использованы две разные версии микросхемы TDA1519, не всегда имеющиеся в продаже. Во втором варианте - безнадежно устаревшие TDA2005, по уровню искажений и шумов не отвечающие современным требованиям; этой микросхеме требуется немало внешних элементов. Применив современные микросхемы УМЗЧ, предназначенные для автомобильной радиоаппаратуры, можно несколько упростить схему и значительно повысить эксплуатационные характеристики УМЗЧ.

Усилитель мощности удобно выполнить на основе распространенной микросхемы TDA1554Q (Philips). В нее входят два инвертирующих и два неинвертирующих усилителя с усилением по 20 дБ, их входное сопротивление - 60 кОм. Возможны два варианта их включения. Первый - стандартный, как четырехканальный УМЗЧ с максимальной выходной мощностью 4x6 Вт (4x11 Вт) на нагрузке 4(2) Ом. Второй вариант - как двухканальный УМЗЧ в мостовом включении с максимальной выходной мощностью 2x22 Вт на нагрузке 4 Ом.

В предлагаемой конструкции два инвертирующих канала использованы в обычном включении, а два неинвертирующих, благодаря оригинальному решению, - в мостовом включении.

Параметры усилителя
Чувствительность, мВ 500
Номинальное сопротивление нагрузки, Ом 4
Номинальная выходная мощность, Вт,
каналов СЧ-ВЧ
канала НЧ
2x3,5
12
Максимальная выходная мощность, Вт,
каналов СЧ-ВЧ
канала НЧ
2x6
22
Максимальный потребляемый ток, А 3,5
Частота среза каналов СЧ-ВЧ, Гц 180
Частота среза канала НЧ, Гц 50...170

Напряжение питания усилителя может быть в пределах +10... 16 В. Ток, потребляемый устройством при отсутствии сигнала, - не более 0,1 А. В дежурном режиме "Standby" (режим дистанционного выключения) - 0,1 мА. Номинальная мощность указана при напряжении питания, равном 15 В, и гармонических искажениях около 0,5 %. Максимальная мощность, как принято, определяется при искажениях 10%.

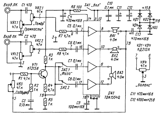
Схема усилителя приведена на рис. 2. Устройство максимально упрощено, а номиналы большинства элементов унифицированы.

Трехканальный мультимедийный УМЗЧ. Принципиальная схема усилителя
Рис.2. Принципиальная схема усилителя

Громкость и тембр регулируются сдвоенными переменными резисторами VR1 и VR2 соответственно. Во избежание перегрузки усилителя глубина регулировки тембра зависит от положения движка регулятора громкости. При максимальной громкости подъем ВЧ не превышает 2...3 дБ (и то - за счет завала НЧ и СЧ), но возрастает до 5...6 дБ при малой громкости [2]. Регулировка тембра ВЧ на "завал" не предусмотрена, поскольку, как показывает практика, в ней нет необходимости. Кроме того, большинство звуковых плат ПК имеют программно управляемые регуляторы тембра и баланса. В случае необходимости диапазон регулировки тембра в усилителе можно довести до 12...14 дБ, установив переменный резистор VR2 сопротивлением 10 кОм. Предусмотрена также возможность установки регулятора стереобаланса (VR4), хотя его необходимость еще более сомнительна.

По соображениям монтажа для сателлитов использованы инвертирующие каналы усиления, поэтому для сохранения исходной фазы сигнала динамические головки ВА1, ВА2 подключены в обратной полярности. Суммарный сигнал для сабвуфера формируется на общем для двух каналов разделительном кон-денсатореС13, как и в [1]. Частота среза этого фильтра составляет 170... 180 Гц. Емкость конденсатора С13 указана для динамических головок с полным сопротивлением 4 Ом. Для головок с полным сопротивлением 8 Ом его емкость нужно уменьшить до 220 мкФ.

По отношению к сигналам сателлитов сигнал сабвуфера образуется как дополнительная функция, поэтому при выполнении некоторых условий (об этом позже) на результирующей АЧХ возможно появление "горба" на частоте раздела величиной до 3 дБ. Для устранения этого недостатка в сабвуферный канал введен перестраиваемый пропорционально-интегрирующий фильтр VR3R1R2C3, частота среза которого изменяется в диапазоне 50... 150 Гц. При перестройке частоты одновременно изменяется и уровень сигнала, что позволяет отказаться от обычного регулятора уровня в канале сабвуфера. На рис. 3 приведены теоретические АЧХ фильтров по электрическому напряжению; семейство кривых канала НЧ для удобства смещено вниз на 6 дБ.

Трехканальный мультимедийный УМЗЧ. Теоретические АЧХ фильтров по напряжению
Рис.3. Теоретические АЧХ фильтров по напряжению

Для обеспечения работы двух одинаковых усилителей в мостовом включении необходимо подать на их входы противофазные сигналы. В этой конструкции использован каскад с разделенной нагрузкой. С коллектора транзистора VT1 снимается инвертированный сигнал, а с части эмиттерной нагрузки - неинвертированный. Коэффициент передачи каскада по обоим выходам составляет около -16 дБ, поэтому напряжение на входе канала НЧ в режиме максимально широкой полосы приблизительно на 4 дБ выше, чем в каналах сателлитов. Это компенсирует разницу в чувствительности широкополосных и низкочастотных головок и обеспечивает запас регулировки уровня в канале сабвуфера.

Кроме того, эта мера автоматически исключает перегрузку каскада на транзисторе VT1 по входу: за счет разницы в усилении ограничение сигнала на выходе мостового усилителя начнется раньше, чем на обычных выходах (откуда и берется сигнал для VT1). Благодаря глубокой ООС через резисторы R4, R5 линейность каскада удовлетворительна и при больших сигналах. Режим каскада по постоянному току обеспечивается за счет подключения цепи VR3R1 к конденсатору С13. На этом конденсаторе присутствует постоянное напряжение, примерно равное половине напряжения питания.

Еще один, пока непривычный для подобных усилителей узел - переключатель фазы сигнала сабвуфера SA2. Однако в системах домашнего театра и автомобильных сабвуферах такой каскад обязательно есть. Необходимость его применения вызвана следующим: при пространственно разнесенной акустической системе результирующая АЧХ в точке прослушивания будет определяться соотношением фаз приходящих сигналов. Сдвиг фаз, в свою очередь, определяется расстоянием до динамических головок.

На рис. 4 показаны теоретические АЧХ в ближнем поле излучения для случаев синфазного и противофазного включения головок при их компактной установке. Реальные АЧХ по звуковому давлению в зависимости от расстояний и характеристик головок могут принимать еще более причудливые формы. Очевидно, что введение переключателя фазы позволяет более гибко управлять результирующей АЧХ.

Трехканальный мультимедийный УМЗЧ. Теоретические АЧХ в ближнем поле излучения
Рис.4. Теоретические АЧХ в ближнем поле излучения

Выключатель питания SA1 управляет состоянием микросхемы, через него же подается напряжение питания на каскад фа-зорасщепителя. В выключенном состоянии выходы переведены в высокоимпедансное состояние, а ток потребления не превышает 100 мкА. Назначение остальных деталей очевидно. Емкость фильтра разделена на две части, поскольку установить конденсатор большой емкости непосредственно возле выводов питания микросхемы затруднительно.

О деталях и конструкции. Оксидные конденсаторы К50-35 или аналогичные импортные, конденсаторы С1, С2, СЮ - керамические любого типа, остальные - К73-17. Все постоянные резисторы - МЛТ0.125. Переменный резистор регулировки громкости должен быть с показательной зависимостью сопротивления от угла поворота (типа В), остальные - с линейной (типа А). Транзистор КТ315В можно заменить любым транзистором структуры n-p-n с коэффициентом передачи тока базы не менее 50. Выбор остальных деталей не критичен.

Выпрямитель выполнен на импульсных диодах КД213А, это позволит при необходимости значительно увеличить емкость фильтра без риска возникновения мультипликативных помех. Сетевой трансформатор можно использовать любой с габаритной мощностью не менее 80 Вт (лучше больше), допустимым током вторичной обмотки не менее 5 Аи выходным напряжением 9... 11 В.

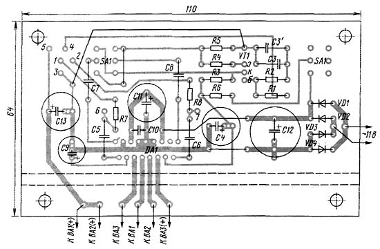
Ввиду относительной простоты усилитель вполне можно собрать на макетной плате (в таком варианте он работал у автора). Для журнальной публикации была разработана печатная плата (рис. 5), на которой размещается большинство деталей. Плата рассчитана на установку переключателей П2К на два направления и упомянутых выше деталей. Конденсатор C3 емкостью 0,15 мкФ в случае необходимости можно составить из конденсаторов емкостью 0,1 мкФ и 0,047 мкФ, для чего на плате предусмотрены дополнительные контактные площадки.

Трехканальный мультимедийный УМЗЧ. Печатная плата усилителя
Рис.5. Печатная плата усилителя

Переменные резисторы, разъемы и сетевой трансформатор размещают вне платы. Перемычки в цепи сигнала выполнены тонким монтажным проводом, для монтажа цепей питания и акустических систем необходимо использовать провод сечением не менее 0,75 мм2. Теплоотвод можно изготовить из дюралевого уголка 30x50 мм или использовать готовый от автомагнитолы (именно такой применен в авторском варианте).

Правильно собранный усилитель налаживания не требует. При включении достаточно убедиться в наличии указанных на схеме напряжений (допустимое отклонение ±10%). В случае наводок от блока питания компьютера следует включить два керамических конденсатора емкостью 220...470 пФ на входе микросхемы (между точками 6, 7 платы и общим проводом). Их можно разместить со стороны печатных проводников.

Для воспроизведения низких частот нужно использовать специализированную низкочастотную динамическую головку в акустическом оформлении. Самый простой способ - использовать АС от отечественной бытовой аппаратуры, удалив лишние детали. Автор для испытаний применял AC S-30B ("Радиотехника"). Акустическое оформление сателлитов может быть простейшим, в том числе и открытым.

Литература

  1. Сапожников М. Два простых УМЗЧ для компьютера. - Радио, 2002, №4, с.15.
  2. Шихатов А. Пассивные регуляторы тембра. - Радио, 1999, №1, с. 14, 15.

Автор: А.Шихатов, г. Москва; Публикация: radioradar.net

Смотрите другие статьи раздела Усилители мощности транзисторные.

Читайте и пишите полезные комментарии к этой статье.

<< Назад

Последние новости науки и техники, новинки электроники:

Хорошо управляемые луга могут компенсировать выбросы от скота 15.02.2026

Животноводство, особенно разведение крупного рогатого скота, часто обвиняют в значительном вкладе в глобальное потепление из-за мощного парникового газа - метана, который выделяется при пищеварении у жвачных животных. Это вызывает острые политические споры и призывы к сокращению потребления мяса. Однако ученые напоминают, что полная картина климатического воздействия отрасли не ограничивается только выбросами от животных: огромную роль играет окружающая экосистема - пастбища, почва и растительность, которые способны активно поглощать углекислый газ из атмосферы. Исследователи из Университета Небраски-Линкольна решили глубже изучить этот баланс. Группа под руководством профессора Галена Эриксона сосредоточилась на том, как правильно организованные пастбища накапливают углерод в растениях и грунте благодаря естественным процессам, стимулируемым выпасом скота. Ученые подчеркивают, что при достаточном уровне осадков и грамотном управлении такие луга превращаются в мощные природные погло ...>>

NASA тестирует инновационную технологию крыла 15.02.2026

Коммерческая авиация ежегодно расходует колоссальные объемы керосина, что сказывается не только на бюджете авиакомпаний, но и на состоянии окружающей среды. В 2024 году глобальные затраты на авиационное топливо достигли 291 миллиарда долларов, и эта сумма продолжает расти. Чтобы справиться с этими вызовами, NASA активно работает над технологиями, способными заметно повысить аэродинамическую эффективность самолетов. Одним из самых перспективных направлений стало создание специальной конструкции крыла, которая максимизирует естественный ламинарный поток воздуха и минимизирует сопротивление. В январе 2026 года специалисты NASA Armstrong Flight Research Center успешно провели важный этап наземных испытаний концепции Crossflow Attenuated Natural Laminar Flow (CATNLF). Для эксперимента под фюзеляж исследовательского самолета F-15B закрепили вертикально ориентированную масштабную модель высотой около 0,9 м (3 фута), напоминающую узкий киль. Такая компоновка позволила подвергнуть прототип р ...>>

Забота о внуках очень полезна для здоровья мозга 14.02.2026

Общение между поколениями приносит радость всей семье, но мало кто задумывается, насколько активно бабушки и дедушки, заботящиеся о внуках, поддерживают свою умственную форму. Регулярное взаимодействие с детьми стимулирует мозг пожилых людей, помогая сохранять память, скорость мышления и общую когнитивную активность. Новые научные данные подтверждают, что такая добровольная помощь не только важна для общества, но и может замедлять возрастные изменения в мозге. Исследователи из Тилбургского университета в Нидерландах провели анализ, чтобы понять, приносит ли уход за внуками реальную пользу здоровью пожилых людей. Ведущий автор работы Флавия Черечес отметила, что многие бабушки и дедушки регулярно присматривают за детьми, и оставался открытым вопрос, насколько это положительно сказывается на их собственном благополучии, особенно в плане когнитивных функций. Ученые поставили цель выяснить, способен ли регулярный уход за внуками замедлить снижение памяти и других умственных способ ...>>

Случайная новость из Архива

ЦРУ в борьбе с глобальным потеплением 04.08.2013

Центральное разведывательное управление США изучает несколько проектов, которые могут повернуть вспять или хотя бы замедлить негативные процессы глобального потепления. Но пока по поводу участия разведчиков в потенциально разрушительной деятельности есть много вопросов.

Американские разведчики совместно с НАСА и специалистами Национальной академии наук США (NAS) запустили проект по изучению нескольких вариантов геоинженерного вмешательства в глобальный климат планеты с целью снизить или "отменить" опасные побочные эффекты техногенной деятельности нашей цивилизации. Судя по всему, участие ЦРУ означает, что правительство США всерьез обеспокоено тем, что глобальное потепление может негативно сказаться на международной безопасности, в том числе и национальной безопасности самих США. В частности в некоторых регионах может растаять ледяной и снежный покров, что может привести к конфликтам за новые территории и морские пути. Прежде всего это касается России и Канады. Также, войны и гуманитарные кризисы могут начаться из-за того, что некоторые обширные регионы будут получать больше осадков, а другие меньше.

Геоинжинеринг - это деятельность, направленная на изменения климата всей планеты или обширного региона. Текущий проект NAS не планирует проведения подобных мероприятий, по крайней мере пока, но ученые вместе с ЦРУ потратят $630 000 и 21 месяц на изучение вариантов такого воздействия на планету. В частности, имеются в виду варианты с выбросом в атмосферу частиц, отражающих солнечный свет или создание установок, поглощающих избыток углекислого газа. Кроме изучения способов борьбы с глобальным потеплением, целью проекта является оценка возможных негативных последствий глобального потепления.

Надо отметить, что ранее ЦРУ уже интересовалось проблемой глобального потепления и даже имело исследовательский центр, занимающийся этой проблемой. Однако в прошлом году этот центр был закрыт усилиями членов Конгресса США, которые возражали против участия разведчиков в такой деятельности. Пока еще не известно, как американские политики отреагируют на новую инициативу ЦРУ, и будут ли частные лица, общественные организации и СМИ интересоваться этим вопросом.

Надо заметить, что самый большой опыт по воздействию на климат имеют как раз американские военные и спецслужбы. В частности, во время войны во Вьетнаме, ВВС США в соответствии с планом ЦРУ не без успеха вызывали проливные дожди, которые смывали партизанские тропы. В последнее время появилось много более масштабных геоинженерных проектов. Например предлагается засеять часть океана у побережья Канады планктоном, который будет "высасывать" углекислый газ из воздуха.

К сожалению, пока оценить последствия таких серьезных вмешательств в климат сложно и высока вероятность вызвать экологическую катастрофу. Уже известен случай, когда бизнесмен Расс Джордж из Калифорнии втайне от мировой общественности и путем обмана местных жителей высыпал в Тихий океан "подкормку" для планктона - 110 тонн сульфата железа. По его словам, это привело к цветению планктона на площади 10 тыс. кв. км. Пока последствия этого самовольного эксперимента изучаются (прошел всего год), но ученые опасаются, что расположенной рядом богатейшей экосистеме островов Королевы Шарлотты моет быть нанесен непоправимый ущерб.

Другие интересные новости:

▪ Карманный ядерно-резонансный сканер

▪ Асфальт на постном масле

▪ Смартфон LG Optimus Black

▪ Под взглядом автомата

▪ Человекоподобные роботы Asimo продолжают совершенствоваться

Лента новостей науки и техники, новинок электроники

 

Интересные материалы Бесплатной технической библиотеки:

▪ раздел сайта Молниезащита. Подборка статей

▪ статья Лукиан из Самосаты. Знаменитые афоризмы

▪ статья Кто были первые монахини? Подробный ответ

▪ статья Электромонтер по обслуживанию и ремонту электропитающих устройств. Типовая инструкция по охране труда

▪ статья Средства визуального контроля. Энциклопедия радиоэлектроники и электротехники

▪ статья Дождь из-под зонта. Секрет фокуса

Оставьте свой комментарий к этой статье:

Имя:


E-mail (не обязательно):


Комментарий:





Главная страница | Библиотека | Статьи | Карта сайта | Отзывы о сайте

www.diagram.com.ua

www.diagram.com.ua
2000-2026