Бесплатная техническая библиотека
Звуковой аудиокомплекс. Энциклопедия радиоэлектроники и электротехники

Энциклопедия радиоэлектроники и электротехники / Аудиотехника
Комментарии к статье
Выношу на суд читателей разработанный и изготовленный мною звуковой комплекс, точнее звуковой аудиокомплекс.
Начну я свой рассказ издалека и с некоторыми пояснениями. Заниматься конструированием радиоаппаратуры я начал в середине 60-х годов прошлого века. В начале 70-х годов в городе Борисове был построен комфортабельный, по тем временам, ресторан "Березина". Работал в этом ресторане профессиональный вокально-инструментальный ансамбль. Так вот этот ансамбль работал на радиоаппаратуре, которую полностью изготовил я. По тем временам сложно было приобрести качественную радиоаппаратуру: усилители, звуковые колонки и т.д. Изготовленная мною по тем временам ламповая звукоусилительная техника работала практически 24 часа в сутки и главное - безотказно.
С тех далеких времен я преследовал цель создать звуковую аппаратуру, позволяющую вызывать у слушателя эффект полного присутствия на выступлении музыкального исполнителя. С тех пор я собрал более 100 усилителей низкой частоты различной мощности и сложности от 1 Вт до 300 Вт, на различных элементных базах, от ламп и транзисторов до устройств полностью на микросхемах. Удавалось получать при воспроизведении качественных стереофонических фонограмм эффект объемного и качественного звучания, но не более.
Однажды в 1999 году, присутствуя на концерте ВИА "Песняры", я пришел к неожиданному решению этой проблемы. А не создать ли мне звуковую аппаратуру по методу вокально-инструментального ансамбля? То есть голосовая аппаратура отдельно, а для инструментов отдельно. Не буду описывать, сколько мне пришлось потрудиться над воплощением этой идеи в жизнь. Было перечитано огромное количество специальной литературы на эту тему, поставлено множество экспериментов. В 2000 году я достиг того, к чему стремился. На звуковом аудио комплексе, состоящем из шести усилителей низкой частоты и восьми звуковых колонок, я виртуально присутствовал на концертах "Битлз", "Песняры" и т.д. Мною разработана недорогостоящая усилительная аппаратура, позволяющая получать эффект полного присутствия слушателя на исполнении музыкального произведения при воспроизведении качественно записанных стереофонических фонограмм. Приглашенные мною на прослушивание музыкальные специалисты все в один голос заявляли, что живое исполнение практически не отличается от исполнения на фонограмме, подчеркиваю особо еще раз, качественно записанной стереофонической фонограммы.
Рис.1. Структурная схема аудиокомплекса
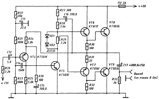
Аппаратура для воспроизведения фонограмм использовалась следующая: бобинный магнитофон "Астра 106 стерео" первого класса, проигрыватель виниловых дисков высшего класса "Радиотехника", плеер для проигрывания аудио дисков "Томсон", компьютерный 52-х скоростной CD-ROM. Co всей этой аппаратурой воспроизведения, разработанные в моем исполнении усилители, согласовались наилучшим образом. Структурная схема аудиокомплекса приведена на рис.1. Шесть усилителей были объедены в два корпуса. В одном корпусе голосовой стереофонический усилитель высококачественного воспроизведения (рис.2), с глубокой регулировкой частотной характеристики по высоким и низким частотам и разделенной регулировкой усиления по каждому каналу.
Рис.2. Принципиальная схема голосового стереофонического усилителя
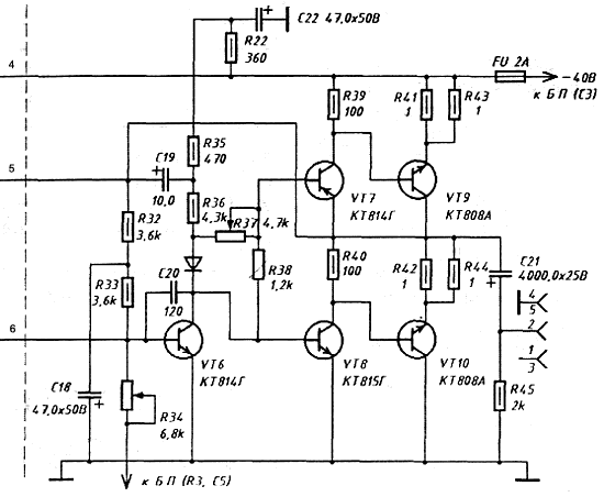
В другом корпусе находятся четыре усилителя НЧ, содержащие четыре оконечных и четыре предварительных усилителя эффектов. Эти усилители (рис. 3 и 4) не имеют никаких частотных регулировок, точнее имеют фиксированные регулировки по высоким и низким частотам.
Рис.3. Принципиальная схема предварительного усилителя эффектов
Рис.4. Принципиальная схема оконечного усилителя эффектов

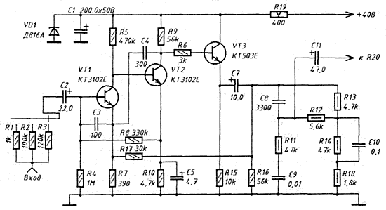
Рис.5. Принципиальные схемы БП
Громкоговорители расположены от плоскости пола на высоте 2,5 метра. Марки громкоговорителей представлены в табл.1.
Таблица 1
| 1-й громкоговоритель |
6ГД2, 6ГДВ-1-16 (4 Ом) |
| 2-й громкоговоритель |
4ГД-53А, ЗГДВ-1-8 (8 Ом) |
| 3-й громкоговоритель |
5ГДШ-1-4, 2 шт. (8 Ом) |
| 4-й громкоговоритель |
5ГДШ-1-4, 2 шт. (8 Ом) |
| 5-й громкоговоритель |
6ГД2, 6ГДВ-1-16 (4 Ом) |
| 6-й громкоговоритель |
5ГДШ-1-4, ЗГДВ-1-8 (4 Ом) |
| 7-й громкоговоритель |
5ГДШ-1-4, ЗГДВ-1-8 (4 Ом) |
| 8-й громкоговоритель |
5ГДШ-1-4, 2 шт. (8 Ом) |
Кубический объем помещения, в которых может быть установлен звуковой аудио комплекс с заданными параметрами усилителей НЧ и громкоговорителей, может находиться в пределах 80...10000 м3. Примерное расположение громкоговорителей показано на рис.6.
Рис.6. Примерное расположение громкоговорителей
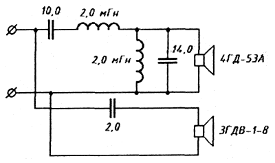
Принципиальная схема 2-го громкоговорителя приведена на рис.7. Изготовленный звуковой аудиокомплекс прошел испытания по специальной программе, отказов в работе не наблюдалось.
Рис.7. Принципиальная схема 2-го громкоговорителя
Для желающих изготовить комплекс предоставлю более подробную информацию по изготовлению и наладке.
Автор: А.Гайдук, г. Борисов; Публикация: radioradar.net
Смотрите другие статьи раздела Аудиотехника.
Читайте и пишите полезные комментарии к этой статье.
<< Назад
Последние новости науки и техники, новинки электроники:
Оптимальная продолжительность сна
12.11.2025
Сон играет ключевую роль в поддержании здоровья, когнитивных функций и общего самочувствия. Несмотря на широко распространенный стереотип о восьмичасовом сне, последние исследования показывают, что оптимальная продолжительность сна для большинства здоровых взрослых ближе к семи часам.
Эволюционный биолог из Гарварда, Дэниел Э. Либерман, утверждает, что традиционная норма восьми часов сна - это скорее культурное наследие индустриальной эпохи, чем биологическая необходимость. По его словам, полевые исследования, проведенные в сообществах, не использующих электричество, показывают, что средняя продолжительность сна составляет 6-7 часов, что значительно отличается от общепринятого стандарта.
Современные эпидемиологические данные подтверждают этот взгляд. Исследования выявили так называемую "U-образную кривую" зависимости между продолжительностью сна и рисками для здоровья. Минимальные показатели заболеваемости и смертности наблюдаются именно у людей, спящих около семи часов в сутки. ...>>
Дефицит кислорода усиливает выброс закиси азота
12.11.2025
Парниковые газы играют ключевую роль в изменении климата, а закись азота (N2O) - один из наиболее опасных среди них. Этот газ не только втрое сильнее углекислого газа в удержании тепла, но и разрушает озоновый слой. Недавнее исследование американских ученых показало, что микробы в зонах с низким содержанием кислорода активно производят N2O, усиливая глобальные климатические риски.
Команда из Университета Пенсильвании изучала прибрежные воды у Сан-Диего и провела наблюдения на глубинах от 40 до 120 метров в Восточной тропической северной части Тихого океана - одной из крупнейших зон дефицита кислорода. Исследователи сосредоточились на том, как морские микроорганизмы превращают нитраты в закись азота.
В ходе работы выяснилось, что существует два пути образования N2O. Один путь начинается с нитрата, другой - с нитрита. На первый взгляд более короткий путь должен быть эффективнее, однако микробы, использующие нитрат, продуцируют больше газа, поскольку этот "сырьевой" источник более д ...>>
Омега-3 помогают молодым кораллам выживать
11.11.2025
Сохранение коралловых рифов становится все более актуальной задачей в условиях глобального изменения климата. Молодые кораллы особенно уязвимы на ранних стадиях развития, когда стрессовые условия и нехватка питательных веществ могут привести к высокой смертности. Недавнее исследование ученых из Технологического университета Сиднея показывает, что специальные пищевые добавки способны существенно повысить выживаемость личинок кораллов.
В ходе работы исследователи разработали особый состав "детского питания" для коралловых личинок. В него вошли масла, богатые омега-3 жирными кислотами, а также важные стерины, необходимые для формирования клеточных мембран. Личинки, получавшие эти добавки, развивались быстрее, становились крепче и демонстрировали более высокую устойчивость к стрессовым факторам.
Особое внимание ученые уделили липидам. Анализ показал, что личинки активно усваивают эти вещества, что напрямую влияет на их жизнеспособность. Стерины, содержащиеся в корме, повышают устойчи ...>>
Случайная новость из Архива Компьютерная память помогает человеческой
22.12.2014
Чтобы лучше запомнить что-то новое, попробуйте разгрузить свою память, передав компьютеру старую информацию из своего мозга.
Сохраняя информацию на жесткий диск компьютера или на "флешку", мы лучше запоминаем следующую порцию сведений - к такому выводу пришли в своей работе Бенджамин Сторм (Benjamin C. Storm) и Шон Стоун (Sean M. Stone) из Калифорнийского университета в Санта-Крузе (США).
В экспериментах психологов участвовало двадцать студентов, которые должны были изучить два PDF-файла с тем, чтобы запомнить как можно больше из написанного в них. В каждом файле был список существительных, и первый список закрывали сразу же после прочтения. При этом некоторым говорили просто закрыть его, а другим - сохранить в определенное место на компьютере. Второй файл читали по времени столько же, сколько и первый, но после участники эксперимента должны были сразу же сказать, сколько слов из него они запомнили. И лишь затем их проверяли насчет первого списка - того, который они закрыли после прочтения и перешли ко второму.
Оказалось, что больше всего слов из второго списка запоминалось в том случае, если первый не просто закрывали, а специально сохраняли на жестком диске. То есть в памяти у человека как будто освобождалось больше места под новую порцию слов, ведь предыдущие он сохранил на "внешнем носителе". Результаты подтвердились в другом таком же опыте с вдвое большим числом добровольцев. Однако на сей раз обнаружились некоторые нюансы. Так, если студентам говорили, что сохраняемый список не так уж важен, что его, конечно, нужно сохранить, но если он станет вдруг недоступен, то ничего страшного, то в таком случае второй список они запоминали безо всяких преимуществ, как если бы первый список они просто закрыли без сохранения.
В предыдущих работах на тему взаимодействия памяти компьютерной и памяти живой говорилось, что, когда мы сохраняем информацию в компьютере, нам самим становится труднее ее вспомнить. Долговременная нейронная память со старыми сведениями делается недоступной - ведь мы знаем, что "скопировали" их на жесткий диск. Однако, как оказывается, здесь есть и положительная сторона: одновременно мы освобождаем когнитивно-психологические ресурсы под что-то новое.
Хотя психологи использовали в экспериментах только компьютерную память, возможно, что такой же эффект имеет место и в том случае, если мы записываем что-то на клочке бумаги. Впрочем, так это или не так, играет ли какую-то роль тип "внешнего носителя", можно выяснить только после дополнительных экспериментов - равно как и нейронный механизм, лежащий в основе описанного феномена.
|
Другие интересные новости:
▪ Квантовые компьютеры для решения глобальных проблем
▪ Обезболивающее из самого острого вещества в мире
▪ Первый прозревший
▪ Онлайн-обучение эффективнее традиционного
▪ Операционные усилители STMicroelectronics TSX561, TSX562, TSX564
Лента новостей науки и техники, новинок электроники
Интересные материалы Бесплатной технической библиотеки:
▪ раздел сайта Основы безопасной жизнедеятельности (ОБЖД). Подборка статей
▪ статья Мягкая калошница. Советы домашнему мастеру
▪ статья Как работает паровой двигатель? Подробный ответ
▪ статья Брюква. Легенды, выращивание, способы применения
▪ статья Стабилизированный преобразователь для ПДУ. Энциклопедия радиоэлектроники и электротехники
▪ статья Опорный генератор. Энциклопедия радиоэлектроники и электротехники
Оставьте свой комментарий к этой статье:
Главная страница | Библиотека | Статьи | Карта сайта | Отзывы о сайте

www.diagram.com.ua
2000-2025