Menu Home

Бесплатная техническая библиотека для любителей и профессионалов Бесплатная техническая библиотека


Реставрация кассетника. Энциклопедия радиоэлектроники и электротехники

Бесплатная техническая библиотека

Энциклопедия радиоэлектроники и электротехники / Аудиотехника

Комментарии к статье Комментарии к статье

Давно лежащий без дела, морально и физически устаревший кассетный магнитофон может обрести вторую жизнь и послужить еще в качестве вполне приличного кассетного проигрывателя с неплохими характеристиками. Современная элементная база позволяет произвести такую переделку довольно легко, при малых затратах времени. А режим "запись"? В настоящее время, когда почти на каждом углу торгуют аудиокассетами с записями, по ценам лишь немного превышающим стоимость "чистых", тратить свое время на "писание" просто жалко. Если же у кого-то возникнут сомнения относительно качества работы лентопротяжного механизма советского производства, то попробуйте замерить коэффициент детонации у китайского плейера после года эксплуатации и сравнить показания.

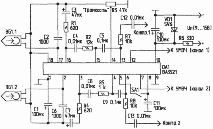
Для модернизации из большого разнообразия импортных микросхем выбрана ВА3521 ф.ROHM, представляющая собой стереофонический усилитель воспроизведения с электронной регулировкой громкости и встроенной защитой выходного каскада от перегрузок. Непосредственное подключение магнитной головки к усилителю воспроизведения микросхемы без развязывающего конденсатора позволяет расширить динамический диапазон и улучшить качество звучания. Электролитические конденсаторы дают специфические искажения, и их отсутствие в цепях прохождения сигнала - довольно ощутимое преимущество перед аналогичными микросхемами. Микросхема выполнена в стандартном 18-выводном корпусе DIP. Назначение выводов ИМС приведено в табл.1, электрические параметры - в табл.2, а схема проигрывателя - на рисунке 1.

Реставрация кассетника
Рис.1. Принципиальная схема проигрывателя (нажмите для увеличения)

Таблица.1. Назначение выводов ВА3521

НазначениеDIPНазначение
1 Общий 18 Uпит/2
2 Вход 2 канала 17 Вход 1 канала
3 Коррекция АЧХ 16 Коррекция АЧХ
4 Коррекция АЧХ 15 Коррекция АЧХ
5 "Mute" 14 Громкость
6 - 13 -
7 Выход 2 канала 12 Выход 1 канала
8 "Mute" 11 -
9 Общий 10 Uпит

Переменный резистор R3 осуществляет электронную регулировку громкости в обоих каналах одновременно. Цепочки C5-R2-C4 и C8-R5-C9 корректируют АЧХ воспроизведения согласно стандарта NAB для магнитной ленты Fе2O3 (тип 1). При подключении вывода 5 ИМС к выводу 8 выключателем SA1, происходит блокировка выхода - режим "Mute" (отключение). Если такой режим не нужен, можно оставить эти два вывода свободными. Элементы R6, VD1, С10 образуют параметрический стабилизатор напряжения, С11 - помехоподавляющий конденсатор режима "Mute". Он устанавливается для устранения щелчков при включении/отключении выхода. Цепочки R7-C12 и R8-C13 ограничивают ток на выводах контроля (нерегулируемые выходы).

Таблица.2. Электрические параметры проигрывателя

Напряжение питания, В +4,5...+6
Ток потребления, мА 20
Полоса воспроизведения, Гц 15...20000
Коэффициент гармоник, % 0,1
Отношение сигнал/шум, дБ 68
Входное напряжение, мВ 5

К комплектующим особых требований нет. Подходят практически любые общедоступные, в том числе импортные. Резисторы - типа МЛТ, С2-33 с допуском не хуже +5% и мощностью не менее 0,125 Вт. Электролитические конденсаторы должны быть с напряжением не менее 10 В, например, типа К50-35. Их емкость можно спокойно увеличить в 2...5 раз. Остальные конденсаторы - керамические, К10-7в, К10-17, КМ с допуском не хуже ±10%. Стабилитрон VD1 подойдет любой маломощный с напряжением стабилизации 4,7...6,2 В. Микросхему ВА3521 допустимо заменить на ВА3520 или СХА8008Р, которые изготовлены в аналогичном корпусе, имеют идентичную схему включения и небольшие отличия по электрическим параметрам. При установке заведомо исправных элементов схема начинает работать сразу, какой-либо наладки или подбора по номиналам не требуется.

Основная проблема, которая может возникнуть - магнитная головка (ее габаритные размеры и способ крепежа). Поэтому лучше в аппаратуру советского производства устанавливать отечественную магнитную головку (ЗД24Н080, ЗД24Н091 и т.д.), в импортную - аналогичную той, которая стояла. Замену магнитной головки и ее юстировку (регулировку высоты и угла наклона) нужно производить обязательно! Контролировать правильность установки, если нет специальной измерительной аппаратуры, можно на слух, ориентируясь на громкость и чистоту звучания высоких частот в воспроизводимой фонограмме. Соответственно, и кассету необходимо выбирать с качественной записью и с большим количеством высоких звуковых частот.

В переносных моделях магнитофонов и магнитол азиатской сборки свободного места больше чем достаточно, поэтому с установкой собранной платы в корпус проблем обычно не возникает. В магнитофонах советского производства, несмотря на приличные габариты корпуса, найти свободное место недалеко от магнитной головки бывает затруднительно. Могу предложить такой выход: найти на старой плате зону усилителя воспроизведения, удалить все теперь уже ненужные радиодетали, аккуратно выпилить место под новую, установить ее в прорезанное отверстие и скрепить обе платы между собой. Будьте внимательны и не торопитесь при этой операции - можно случайно повредить другие нужные узлы магнитофона: регулятор скорости вращения двигателя, автостоп или блок питания. Генератор стирания и подмагничивания, а также усилитель записи со старой печатной платы удаляют. Если не хочется возиться, достаточно удалить только стирающую головку и перерезать дорожку питания к генератору.

При модернизации главное условие - собранный усилитель воспроизведения разместить как можно ближе к магнитной головке и подключить его только экранированным проводом с качественной припайкой экранирующего провода (оплетки).

В качестве резистора для регулятора громкости можно попытаться использовать уже имеющийся в аппарате. Он подсоединяется обычным монтажным проводом. Если провода оказались слишком длинными, или резистор имеет небольшой, но допустимый износ, и при регулировке прослушиваются шорохи и треск, подключите блокирующий конденсатор емкостью от 0,01...100 мкФ между его средним выводом и корпусом. Громкость звучания регулируется одновременно в двух каналах, поэтому искать сдвоенный резистор нет необходимости.

Уровень выходного напряжения усилителя воспроизведения довольно высок и позволяет использовать регулятор тембра модернизируемого аппарата как активного, так и пассивного типа. Чаще всего элементы пассивных регуляторов спаяны непосредственно на выводах переменных резисторов, и сложностей здесь не возникает. Можно также воспользоваться микросхемой типа TDA1524A, TDA1526, К174ХА48, которая обеспечивает электронную регулировку громкости (в данном случае не используется), баланса и тембра ВЧ, НЧ одинарным резистором в обоих каналах одновременно.

Как показала практика, даже морально устаревшая микросхема УМЗЧ TDA2003 (К174УН14) "звучит" гораздо качественнее многих штатных микросхем в аппаратах азиатской сборки или транзисторно-трансформаторных усилителей - советской. Выбор усилителей мощности в микросхемном исполнении довольно широк. Ориентироваться нужно на напряжение и мощность блока питания магнитофона, наличие и цену микросхемы. Устанавливать двухканальный усилитель в переносной аппаратуре и делать полностью стереофонический вариант не имеет смысла - батарейки быстрее сядут, да и динамик, как правило, имеется только один. А для домашнего прослушивания лучше сделать отдельный выносной высококачественный усилитель мощности с хорошей акустикой.

Если после модернизации остался неиспользованным еще один переменный резистор (раньше он был регулятором уровня записи), можно установить дополнительно печатную плату УКВ-приемника с перестройкой частоты на варикапах и использовать этот резистор для электронной настройки на радиовещательную станцию. В этом случае кнопка "Запись" используется для переключения входа усилителя мощности с выхода усилителя воспроизведения на выход приемника.

Автор: С.Гвоздев

Смотрите другие статьи раздела Аудиотехника.

Читайте и пишите полезные комментарии к этой статье.

<< Назад

Последние новости науки и техники, новинки электроники:

Глазные капли, возвращающие молодость зрению 05.10.2025

С возрастом человеческий глаз постепенно теряет способность четко видеть на близком расстоянии - развивается пресбиопия, или возрастная дальнозоркость. Этот естественный процесс связан с утратой эластичности хрусталика и ослаблением цилиарной мышцы, отвечающей за фокусировку. Миллионы людей по всему миру сталкиваются с необходимостью носить очки для чтения или прибегают к хирургическим методам коррекции. Однако исследователи из Центра передовых исследований пресбиопии в Буэнос-Айресе представили решение, которое может стать удобной и неинвазивной альтернативой - специальные глазные капли, способные улучшать зрение на длительный срок. Разработку возглавила Джованна Беноцци, директор Центра. По ее словам, цель исследования состояла в том, чтобы предоставить пациентам с пресбиопией эффективный и безопасный способ коррекции зрения без хирургического вмешательства. Новые капли, созданные на основе пилокарпина и диклофенака, показали убедительные результаты: уже через час после первого пр ...>>

Цифровая рация Xiaomi Digital Walkie Talkie 05.10.2025

Компания Xiaomi представила современное устройство, объединившее классические принципы радиосвязи с возможностями цифровых технологий. Новинка под названием Xiaomi Digital Walkie Talkie демонстрирует, как привычные рации могут быть переосмыслены в духе времени. Устройство оснащено цветным дисплеем диагональю 1,57 дюйма, который отображает список контактов, параметры соединения и даже примерное местоположение собеседника. Такой подход превращает стандартную рацию в компактное средство связи, сочетающее функциональность смартфона и устойчивость профессиональной техники. Одним из ключевых преимуществ стала высокая автономность. Встроенный аккумулятор емкостью 2500 мА·ч обеспечивает до 100 часов работы в режиме ожидания и около 14 часов непрерывных разговоров, что особенно важно в экспедициях, на дальних маршрутах или в зонах, где подзарядка невозможна. Согласно данным портала unionrayo.com, такое время работы выгодно отличает устройство от большинства аналогов. По дальности дейст ...>>

Открыт обращаемый драйвер старения 04.10.2025

Недавняя работа ученых из Сямэньского университета в Китае показала, что в гипоталамусе, главном регуляторе внутренних функций организма, кроется один из ключей к продлению молодости. Команда под руководством Лиге Ленга обнаружила, что снижение уровня белка менина в гипоталамусе связано с ускорением процессов старения. Менин, как выяснилось, играет важную роль в предотвращении воспаления и поддержании нормальной работы нейронов. Когда его уровень снижается, в мозге возрастает активность воспалительных сигналов, что запускает цепную реакцию возрастных изменений во всем организме - от ослабления когнитивных функций до потери плотности костей и истончения кожи. Чтобы понять, как именно менин влияет на старение, ученые вывели генномодифицированных мышей, у которых этот белок можно было выборочно отключить. Даже у молодых животных такое вмешательство быстро привело к ухудшению памяти, снижению прочности костей и эластичности кожи, а также к укорочению жизни. Эти результаты убедительно ...>>

Случайная новость из Архива

Дизельный дым вредит сердцу и сосудам 05.02.2020

Грязный воздух вреден для здоровья - об этом говорят данные медицинской статистики: те, кто дышит воздухом с большим количеством промышленных и автомобильных загрязнений, чаще страдают от разных болезней, вплоть до болезни Альцгеймера.

Исследователи из Афинского национального университета имени Каподистрии оборудовали специальное помещение, в котором можно было контролировать состав воздуха, и наполнили его воздухом с продуктами сгорания дизельного топлива - в том количестве, какое можно найти в центре густонаселенного города (на сгоревший дизель приходится около 50% всех загрязнений городского воздуха). Для сравнения ту же комнату наполняли чистым воздухом. Участников эксперимента, сорок человек без каких-либо сердечно-сосудистых проблем, делили на две части: одни два часа дышали задымленным воздухом, другие - чистым воздухом. Спустя месяц те и другие возвращались в лабораторию, но теперь уже менялись ролями: те, кто раньше дышал чистым воздухом, теперь дышали дизельными выхлопами, и наоборот.

Состояние сердца и сосудов оценивали по целому ряду параметров: измеряли активность протеина С, который работает в крови антикоагулянтом, уменьшая вероятность тромбов, измеряли активность С-реактивного белка - одного из основных маркеров воспаления; у кровеносных сосудов измеряли, насколько они могут расширяться под действием усиливающегося тока крови, насколько эластичная или жесткая у них стенка, и т. д. Оказалось, что даже двух часов в дизельной атмосфере достаточно, чтобы сердечно-сосудистые параметры изменились, причем не в лучшую сторону.

У подышавших грязным воздухом повышалась активность воспалительного белка (у курящих участников эксперимента его оказывалось больше, чем у некурящих). Также повышалась активность белка фибриногена, необходимого для свертывания крови; одновременно понижалась активность белка-антикоагулянта - из чего можно сделать вывод, что в сосудах увеличивалась вероятность тромбов. Появлялись отклонения в сердечном ритме, а стенки сосудов становились менее гибкими - что, в свою очередь, должно сказываться на кровоснабжении органов и на работе сердца. Что особенно важно, все эти изменения держались в течение суток, хотя грязным воздухом люди дышали всего два часа. А ведь многие из нас проводят в центре города не два часа и не три, а больше.

Другие интересные новости:

▪ Технология FreeSync - во всех мониторах Samsung Ultra HD

▪ 20-нм чипы, произведенные на TSMC

▪ 3D-печать в домашних условиях

▪ Всеядный автомобильный двигатель

▪ Новая система улавливания углерода

Лента новостей науки и техники, новинок электроники

 

Интересные материалы Бесплатной технической библиотеки:

▪ раздел сайта Биографии великих ученых. Подборка статей

▪ статья Кекуле Август. Биография ученого

▪ статья Почему название Силиконовая долина по сути неверно? Подробный ответ

▪ статья Координатор по складским операциям. Должностная инструкция

▪ статья Стереофонический трехламповый усилитель. Энциклопедия радиоэлектроники и электротехники

▪ статья Телефонный номер. Секрет фокуса

Оставьте свой комментарий к этой статье:

Имя:


E-mail (не обязательно):


Комментарий:





Главная страница | Библиотека | Статьи | Карта сайта | Отзывы о сайте

www.diagram.com.ua

www.diagram.com.ua
2000-2025