Menu Home

Бесплатная техническая библиотека для любителей и профессионалов Бесплатная техническая библиотека


Простой средневолновый синтезатор частоты. Энциклопедия радиоэлектроники и электротехники

Бесплатная техническая библиотека

Энциклопедия радиоэлектроники и электротехники / Радиоприем

Комментарии к статье Комментарии к статье

Разрабатывая этот синтезатор, авторы постарались по возможности максимально упростить его схему и конструкцию не в ущерб техническим характеристикам.

Предлагаемый синтезатор разработан в развитие интересной темы, предложенной в [1]. К сожалению, активная деятельность "золотодобытчиков" делает изготовление описанного там синтезатора затруднительным для широкого круга радиолюбителей, а при его переводе на не содержащие золота микросхемы в корпусах DIP значительно увеличиваются габариты устройства. Кроме того, для многих радиолюбителей, особенно начинающих и живущих вдали от промышленных центров, сложную проблему представляет изготовление двусторонней печатной платы с металлизированными отверстиями. Не облегчает жизнь и поиск кварцевых резонаторов с низкими и "некруглыми" частотами.

Рассматриваемый синтезатор построен по классической схеме с петлей фазовой автоподстройки частоты (ФАПЧ) на микросхемах структуры КМОП в корпусах, не содержащих золота, и с широко распространенным кварцевым резонатором на 1 МГц.

Основные технические характеристики

  • Диапазон частот, кГц......1449...1800
  • Шаг перестройки, кГц.......9
  • Число фиксированных частот .......40
  • Точность установки частоты,
  • Гц, не хуже.......±5
  • Температурный уход частоты, оС-1.......1,5·10-6
  • Напряжение питания, В.......15...30
  • Потребляемый ток, мА .......50
  • Габаритные размеры, мм .......90x70x25

Структурная схема синтезатора представлена на рис. 1. Генератор, управляемый напряжением (ГУН), работает на той же частоте, которая поступает на выход. Устойчивость к наводкам обеспечивается тем, что частотозадающие цепи этого генератора не содержат катушек индуктивности, а сам он практически целиком находится внутри одной микросхемы.

Простой средневолновый синтезатор частоты
Рис. 1

Формирователь импульсов (ФИ) имеет однотактный мощный выход с открытым стоком и допустимым напряжением до 200 В. Для оптимального согласования с нагрузкой в формирователе предусмотрена возможность регулировки длительности выходных импульсов.

Образцовый сигнал частоты сравнения 100 Гц получается делением частоты кварцевого генератора (КГ) 1 МГц на 10000. Столь низкой эта частота выбрана по той причине, что в спектре выходного сигнала синтезатора неизбежно присутствуют составляющие, отстоящие на ее значение от основной выходной частоты. Если в связной аппаратуре с этим можно мириться, то для вещательного передатчика наличие спектральных составляющих, создающих при амплитудном детектировании сигналы звуковых частот, недопустимо. Поэтому частоту сравнения необходимо выбирать в надтональной или подтональной области. В нашем случае принят второй вариант, поскольку 100 Гц легко подавить последетекторным фильтром приемника, не ухудшая качества принимаемых речевых и музыкальных сигналов.

Частотно-фазовый детектор (ЧФД) сравнивает образцовый сигнал 100 Гц с сигналом такой же (в режиме захвата) частоты, полученным делением частоты ГУН сначала на 9, а затем с помощью делителя с переменным коэффициентом деления (ДПКД) на 1610-2000 в соответствии с заданным значением выходной частоты. В зависимости от знака рассогласования сравниваемых сигналов по частоте и фазе ЧФД вырабатывает управляющий сигнал, увеличивающий или уменьшающий частоту ГУН. Управляющее напряжение поступает на ГУН через пропорционально-интегрирующий фильтр (ПИФ), оптимизирующий динамические характеристики петли ФАПЧ.

Предварительное деление частоты ГУН на 9 продиктовано двумя причинами. Во-первых, это требуется для получения сетки частот с шагом 9 кГц. Во-вторых, микросхема КА561ИЕ15А, примененная в ДПКД, имеет максимальную рабочую частоту 1,5 МГц.

Простой средневолновый синтезатор частоты
Рис. 2 (нажмите для увеличения)

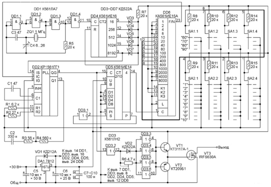
Принципиальная схема синтезатора изображена на рис. 2. Все примененные в нем цифровые микросхемы - структуры КМОП малой и средней степеней интеграции. Микросхемы серий К561 и КР1561 работоспособны на частотах до 2...3 МГц при напряжении питания 3...15 В. Потребляемый ими в динамическом режиме ток не превышает единиц миллиампер.

КГ выполнен на микросхеме DD1. Подстроечным конденсатором C4 устанавливают частоту генерации 1 МГц с точностью не хуже 1...2 Гц.

Для получения образцового сигнала частотой 100 Гц импульсы с выхода КГ поступают на вход С двоичного счетчика DD4. Примененная здесь микросхема К561ИЕ16 представляет собой 14-разрядный двоичный счетчик. Необходимый коэффициент деления 10000 получается с помощью логического узла 5И на диодах VD3-VD7 и резисторе R7. Когда в процессе счета на всех выходах счетчика, к которым подключены диоды, высокие логические уровни будут присутствовать одновременно, на его входе R уровень также станет высоким, что установит счетчик в исходное нулевое состояние, затем процесс подсчета импульсов повторится. Коэффициент деления при показанном на схеме подключении диодов получается равным Кд = 16+256+512+1024+8192= 10000.

ГУН и ЧФД находятся в микросхеме DD2 КР1561ГГ1. Крайние значения частоты диапазона перестройки ГУН задают резисторами R1, R2, C1. Перестраивают частоту напряжением на входе IG (выводе 9 микросхемы).

Исходные данные для выбора указанных выше элементов - диапазон частот синтезатора 1,449.1,8 МГц и разброс параметров ГУН, который от экземпляра к экземпляру микросхем может доходить до 20 %. Таким образом, необходимо иметь запас по перестройке не менее 0,36 МГц. С некоторым запасом будем считать, что ГУН должен перестраиваться в диапазоне 1.2,2 МГц. Нижнюю границу этого диапазона (при нулевом напряжении на входе IG) устанавливают резистором R2, верхнюю границу (при управляющем напряжении, равном напряжению питания) - суммарным сопротивлением резисторов R1 и R2. Работу ГУН разрешает низкий логический уровень на входе INH (выводе 5).

ЧФД имеет два входа IC и IS (выводы 3 и 14) и выход Q1 (вывод 13). Сигнал рассогласования с выхода Q1 через ПИФ R4R3C2 поступает на управляющий вход ГУН IG.

ПИФ - весьма критичная часть петли ФАПЧ. Расчет этого фильтра в общем виде довольно сложен и требует знания теории автоматического управления [2]. Для радиолюбительской практики вполне удовлетворительные характеристики обеспечиваются расчетом с использованием соотношений, приведенных в справочных материалах по микросхеме MC14046B - зарубежному аналогу КР1561ГГ1:

где N - коэффициент деления рабочей частоты в петле ФАПЧ; fmax и fmin - граничные частоты перестройки ГУН; 3000 Ом - выходное сопротивление ЧФД.

С выхода ГУН сигнал рабочей частоты поступает на ФИ и делитель частоты на 9. Последний выполнен на микросхеме DD5 К561ИЕ14 и элементе DD3.1 микросхемы К561ЛН2.

Четырехразрядный реверсивный счетчик К561ИЕ14 может работать как двоичный (на входе B высокий уровень) или как десятичный (на входе B низкий уровень). Направление счета задают уровнем на входе U: высокий - увеличение, низкий - уменьшение. На вход C подают счетные импульсы, причем состояние счетчика изменяется по их нарастающим перепадам. Счет разрешен при низком уровне на входе PI.

Вход S позволяет асинхронно записывать в триггеры счетчика любой восьмиразрядный код с входов D1-D8. Поскольку счетчик отдельного входа начальной установки не имеет, эту функцию выполняет вход S при низких уровнях на входах D1-D8 (в режиме счета на увеличение). На выходе переноса появляется низкий уровень, когда в режиме счета на увеличение накопленное число стало максимальным (или минимальным в режиме счета на уменьшение).

В нашем случае счетчик работает на увеличение в десятичном режиме. При поступлении десятого импульса сигнал с выхода переноса через инвертор DD3.1 принудительно устанавливает счетчик в нулевое состояние.

С выхода 4 счетчика сигнал поступает на ДПКД - микросхему DD6 КА561ИЕ15А. У нее имеются вход счетных импульсов С, четыре управляющих входа K1, K2, K3, L, шестнадцать входов 1-8000 для установки коэффициента деления и один выход. Коэффициент деления может находиться в интервале 3-21327, причем предусмотрено несколько способов его установки. В синтезаторе использован наиболее простой и удобный способ - коэффициент задают двоично-десятичным кодом, поданным на входы 1-8000. При этом, однако, максимально возможное его значение - 16659.

Чтобы воспользоваться этим способом, на входах K1 и L должны быть установлены разные логические уровни (низкий и высокий или высокий и низкий), а на входе K3 - низкий уровень. Вход K2 служит для установки счетчика в начальное состояние, которая происходит при низком уровне на этом входе за три периода счетных импульсов. При высоком уровне на нем счетчик работает в режиме делителя частоты.

Нужные уровни на входах 1-8000 задают галетными переключателями SA1 и SA2. Их контактам, соединенным с общим проводом, соответствуют низкие уровни на соответствующих входах микросхемы, а свободным - высокие (их поддерживают резисторы R8-R15).

ФИ позволяет установить длительность выходных импульсов, оптимальную для подключенной к синтезатору нагрузки, например, выходного контура без промежуточных усилителей (как в передатчике, схема которого приведена в [3]). ФИ построен на логических инверторах DD3.2-DD3.6, диоде VD2, подстроечном резисторе R6, транзисторах VT1-VT3. Эмиттерный повторитель на транзисторах VT1 и VT2 уменьшает длительность зарядки и разрядки емкости затвора полевого транзистора VT3, увеличивая этим скорость его включения и выключения. Зарядка входной емкости элементов DD3.3-DD3.6 происходит быстро через малое динамическое сопротивление диода VD2, а разрядка - сравнительно медленно через подстроечный резистор R6. Длительность разрядки, а за счет этого и длительность формируемого импульса зависят от введенного сопротивления резистора R6.

О конструкции и налаживании синтезатора

Синтезатор выполнен на односторонней печатной плате толщиной 1,5 мм (рис. 3).

Простой средневолновый синтезатор частоты
Рис. 3

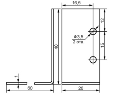
Она изготовлена методом термического переноса рисунка проводников на поверхность фольги с его распечатки на лазерном принтере. Номера монтажных отверстий на плате, предназначенных для проводов, идущих к переключателям, совпадают с номерами проводов жгута на схеме. В эти отверстия, а также в те, которые предназначены для проводов питания и нагрузки, желательно установить монтажные штыри. Транзистор VT3 и стабилизатор напряжения DA1 находятся на общем теплоотводе (не забывайте смазать их посадочные места теплопроводной пастой КПТ-8), изготовленном из алюминиевого листа по чертежу, показанному на рис. 4. Транзистор VT3 необходимо устанавливать на теплоотвод через изолирующую прокладку. Длинное плечо теплоотвода зафиксировано на плате проволочным хомутом.

Простой средневолновый синтезатор частоты
Рис. 4

Постоянные резисторы - МЛТ или аналогичные. Подстроечный резистор R6 - СП3-38а. Конденсатор C2 (это может быть, например, К73-24) должен быть с органическим диэлектриком. Конденсатор C4 - подстроечный КТ4-24. Конденсаторы C1, C3, C7-C10 - любые керамические подходящего размера. Оксидные конденсаторы также любые, подходящие по размеру и номинальному напряжению.

Простой средневолновый синтезатор частоты
Рис. 5

Микросхему КА561ИЕ15А можно заменить на 564ИЕ15, но она, к сожалению, дороже, так как содержит золото. Именно такая микросхема установлена в синтезаторе, изображенном на фотоснимке рис. 5. Вместо К561ЛА7 будет без изменения схемы и платы работать К561ЛЕ5. Транзисторы VT1, VT2 - любые маломощные кремниевые соответствующей структуры.

Переключатели SA1 и SA2 - П2Г-3 соответственно 4П4Н и 10П4Н или любые другие галетные, подходящие по числу положений и направлений. Кварцевый резонатор - РГ-06 или РК170.

Безошибочно собранный из заведомо исправных элементов синтезатор не требует налаживания, необходимо лишь выставить подстроечным конденсатором C4 частоту кварцевого генератора с точностью ±2 Гц. Ее контролируют на выводе 11 микросхемы DD1. Подстроечным резистором R6 добиваются получения максимально неискаженного сигнала несущей на эквиваленте антенны.

P.S. В передатчике с усилителем мощности плату синтезатора необходимо хорошо экранировать для предотвращения наводок на ГУН, способных привести к сбоям работы ФАПЧ.

Литература

  1. Комаров С. Средневолновый радиовещательный синтезатор частоты. - Радио, 2012, № 9, с. 19-23; № 10, с. 21 -23.
  2. Хоровиц П., Хилл У. Искусство схемотехники. Пер. с англ. под ред. М. В. Гальперина. - М.: Мир, 1993. В 3-хтомах (4-е изд., перераб. и доп.).
  3. Комаров С. Маломощный радиовещательный средневолновый АМ передатчик. - cqf.su/technics5-1.html.

Авторы: Е. Голомазов, М. Доуталиев, Б. Канаев

Смотрите другие статьи раздела Радиоприем.

Читайте и пишите полезные комментарии к этой статье.

<< Назад

Последние новости науки и техники, новинки электроники:

Лабораторная модель прогнозирования землетрясений 30.11.2025

Предсказание землетрясений остается одной из самых сложных задач геофизики. Несмотря на развитие сейсмологии, ученые все еще не могут точно определить момент начала разрушительного движения разломов. Недавние эксперименты американских исследователей открывают новые горизонты: впервые удалось наблюдать микроскопические изменения в контактной зоне разломов, которые предшествуют землетрясению. Группа под руководством Сильвена Барбота обнаружила, что "реальная площадь контакта" - участки, где поверхности разлома действительно соприкасаются - изменяется за миллисекунды до высвобождения накопленной энергии. "Мы открыли окно в сердце механики землетрясений", - отмечает Барбот. Эти изменения позволяют фиксировать этапы зарождения сейсмического события еще до появления традиционных сейсмических волн. Для наблюдений ученые использовали прозрачные акриловые материалы, через которые можно было отслеживать световые изменения в зоне контакта. В ходе искусственного моделирования примерно 30% ко ...>>

Музыка как естественный анальгетик 30.11.2025

Ученые все активнее исследуют немедикаментозные способы облегчения боли. Одним из перспективных направлений становится использование музыки, которая способна воздействовать на эмоциональное состояние и когнитивное восприятие боли. Новое исследование международной группы специалистов демонстрирует, что даже кратковременное прослушивание любимых композиций может значительно снижать болевые ощущения у пациентов с острой болью в спине. В эксперименте участвовали пациенты, обратившиеся за помощью в отделение неотложной помощи с выраженной болью в спине. Им предлагалось на протяжении десяти минут слушать свои любимые музыкальные треки. Уже после этой короткой сессии врачи фиксировали заметное уменьшение интенсивности боли как в состоянии покоя, так и при движениях. Авторы исследования подчеркивают, что музыка не устраняет саму причину боли. Тем не менее, она воздействует на эмоциональный фон пациента, снижает уровень тревожности и отвлекает внимание, что в сумме приводит к субъективном ...>>

Алкоголь может привести к слобоумию 29.11.2025

Проблема влияния алкоголя на стареющий мозг давно вызывает интерес как у врачей, так и у исследователей когнитивного старения. В последние годы стало очевидно, что границы "безопасного" употребления спиртного размываются, и новое крупное исследование, проведенное международной группой ученых, вновь указывает на это. Работы Оксфордского университета, выполненные совместно с исследователями из Йельского и Кембриджского университетов, показывают: даже небольшие дозы алкоголя способны ускорять когнитивный спад. Команда проанализировала данные более чем 500 тысяч участников из британского биобанка и американской Программы миллионов ветеранов. Дополнительно был выполнен метаанализ сорока пяти исследований, в общей сложности включавших сведения о 2,4 миллиона человек. Такой масштаб позволил оценить не только прямую связь между употреблением спиртного и развитием деменции, но и влияние генетической предрасположенности. Один из наиболее тревожных результатов касается людей с повышенным ге ...>>

Случайная новость из Архива

Свет и гель против артроза 03.08.2025

Повреждения суставного хряща представляют собой одну из наиболее сложных проблем современной медицины. Хрящевые ткани обладают крайне низкой способностью к регенерации, и это затрудняет лечение заболеваний опорно-двигательного аппарата. Особенно актуальна эта проблема для пожилых людей и спортсменов. Однако ученые из Китая предложили инновационный способ восстановления хряща с помощью инъекционного гидрогеля, открывающий путь к безоперационному лечению.

В отличие от традиционных методов, предполагающих хирургическое вмешательство и длительное восстановление, новая технология предлагает вводить гидрогель прямо в область повреждения с помощью инъекции. Ключевым моментом здесь является способность материала к сверхбыстрому гелеобразованию при воздействии ультрафиолета, что позволяет ему мгновенно затвердевать на месте и обеспечивать необходимую поддержку для роста новой ткани.

Основой разработки стал уникальный химический состав, включающий органические соединения, сшитые под действием света. Такая светочувствительная полимеризация позволяет легко контролировать момент и место образования геля, что важно для точного и минимально инвазивного лечения. Исследователи подчеркивают, что новый материал обладает высокой адгезией к тканям и устойчивостью к механическим нагрузкам, что делает его особенно подходящим для применения в артроскопии.

При создании гидрогеля китайская команда ученых экспериментировала с различными формами каркаса, на который наносится гель. Наилучший результат показала структура в форме звезды - она обеспечивала равномерное распределение нагрузки и наилучшую поддержку хондроцитов. Эти клетки, будучи погруженными в гель, запускают процесс образования новой хрящевой ткани. После ультрафиолетового отверждения гель затвердевает всего за 10 секунд, формируя надежную основу для регенерации.

Результаты первых экспериментов на мышах подтвердили жизнеспособность и эффективность технологии. Ученые наблюдали за формированием нового хряща в течение восьми недель после инъекций. В дальнейшем испытания были расширены на более крупных животных - свиней, чей суставный аппарат ближе к человеческому по размерам и структуре. Через шесть месяцев после инъекции исследователи с помощью МРТ обнаружили значительное восстановление поврежденных участков.

Новая технология представляет собой важный шаг вперед по сравнению с существующими методами, требующими сложной трансплантации клеток и механического вмешательства. Она не только снижает травматичность, но и значительно ускоряет процесс восстановления. Более того, гидрогель совместим с современными методами артроскопического лечения, что дает возможность его быстрого внедрения в клиническую практику.

Сейчас разработчики готовятся к следующему этапу - клиническим испытаниям на людях. Если эффективность и безопасность подтвердятся, новая методика может в ближайшие годы стать альтернативой традиционным хирургическим подходам к лечению дефектов хряща.

Другие интересные новости:

▪ Женщины запоминают слова лучше, чем мужчины

▪ Радиоактивная гроза

▪ Микродисплей OLED с рекордной плотностью пикселей

▪ Антирекорд выбросов углекислого газ

▪ Датчик изображения типа CMOS с глобальным затвором и расширенным динамическим диапазоном

Лента новостей науки и техники, новинок электроники

 

Интересные материалы Бесплатной технической библиотеки:

▪ раздел сайта Шпионские штучки. Подборка статей

▪ статья Вольфганг Менцель. Знаменитые афоризмы

▪ статья Кто умеет определять музыку на пластинках без ее прослушивания? Подробный ответ

▪ статья Кресс-салат. Легенды, выращивание, способы применения

▪ статья Усилитель низкой частоты на микросхеме KA22061. Энциклопедия радиоэлектроники и электротехники

▪ статья Стабилизатор напряжения с защитой от короткого замыкания, 13-16/9 вольт. Энциклопедия радиоэлектроники и электротехники

Оставьте свой комментарий к этой статье:

Имя:


E-mail (не обязательно):


Комментарий:





Главная страница | Библиотека | Статьи | Карта сайта | Отзывы о сайте

www.diagram.com.ua

www.diagram.com.ua
2000-2025