Menu Home

Бесплатная техническая библиотека для любителей и профессионалов Бесплатная техническая библиотека


Трехблочная акустическая система. Энциклопедия радиоэлектроники и электротехники

Бесплатная техническая библиотека

Энциклопедия радиоэлектроники и электротехники / Аудиотехника

Комментарии к статье Комментарии к статье

В разработанной автором конструкции трехполосной АС приняты меры по оптимизации ряда эксплуатационных характеристик - направленности излучателей, сопряжению их фазовых характеристик и подавлению паразитных вибраций корпусов. Достоинством конструкции является и возможность подключения полосовых громкоговорителей отдельными кабелями к общему или раздельным усилителям мощности.

Отличие описываемой АС от типовых вариантов акустического оформления состоит в том, что каждой из трех полос звуковых частот соответствует свой корпус индивидуальной формы, продиктованной определенными требованиями. Эту АС (фото на рис. 1) отличает возможность адаптировать направленность в каждой полосе и суммарную фазовую характеристику, оптимизируя качество звучания с учетом акустических особенностей конкретного помещения и размещения в нем слушателей.

Трехблочная акустическая система
Рис. 1

Основной упор при разработке конструкции корпуса для низкочастотных головок ставился на минимизацию резонансных явлений и на снижение уровня вибраций. Вместе с тем при изготовлении АС не использовались редкие и дефицитные материалы и трудоемкие технологии, связанные с выклейкой криволинейных форм. При повторении конструкции допустимо использовать и близкие аналоги примененных динамических головок, но важно обеспечить требования к форме, вибро- и звукоизоляции корпусов, которые изложены в статье.

Внешняя конфигурация корпусов частей АС (формы, наличие фасок для сглаживания углов) и способы соединения их элементов содействуют демпфированию и положительно влияют на акустические характеристики АС. На качество звучания также существенно влияет регулируемая диаграмма направленности. К достоинствам этой трехблочной АС можно отнести возможность смещения акустических центров полосовых головок в вертикальной плоскости. К такой АС легко (и выигрышно) подключать многополосные УМЗЧ с активными разделительными фильтрами.

Основные технические характеристики

  • Номинальное сопротивление, Ом.......4
  • Полоса рабочих частот АС, Гц.......30...22000
  • Чувствительность АС, дБ/Вт м...90
  • Частоты разделения, Гц.......500 и 3000

Для работы с описываемой АС рекомендуемая номинальная мощность усилителя в полосе НЧ - 150...200 Вт, а в полосе СЧ-ВЧ - не менее 70 Вт.

Конструкция корпусов АС

Чертежи конструкции АС представлены на рис. 2, 3. Блоки для СЧ- и ВЧ-головок выполнены согласно рекомендациям [1, 2] в виде отдельного узла, его угол наклона в вертикальной плоскости связан с расстоянием от места слушателя до АС. В нем легко регулируется сопряжение фазы излучения в области разделения полос НЧ и СЧ смещением этих блоков по глубине относительно передней плоскости корпуса для низкочастотных головок. ВЧ-головка установлена в шарообразном корпусе и установлена на шестигранном корпусе для СЧ-головки. Конструкция крепления блока ВЧ-головки обеспечивает возможность регулирования ее направленности по двум координатам независимо от ориентации блока СЧ-головки.

Трехблочная акустическая система
Рис. 2

Трехблочная акустическая система
Рис. 3

В полосах СЧ и ВЧ применены фильтры и динамические головки, хорошо зарекомендовавшие себя в конструкциях. Для полосы ВЧ была выбрана динамическая головка D26TG-35-06 фирмы VIFA, а для полосы СЧ - головка H143 фирмы SEAS. Такой выбор был обусловлен их удачным применением в акустических системах С. Батя [3, 4]. В блоке НЧ использованы недорогие динамические головки фирмы KENWOOD KFC-WF255 (Рном = 140 Вт, Rном = 4 Ом, полоса рабочих частот - 28...800 Гц, чувствительность - 91 дБ/Вт·м), предназначенные для автомобильных сабвуферов.

Подставкой под громкоговорители АС общей массой трех блоков около 80 кг служат плиты из ламинированной ДСП толщиной 25 мм, на которые с двух сторон наклеено два слоя линолеума. Помимо эстетической функции, эти подставки служат необходимым изолятором передачи вибраций через пол.

Схема и конструкция кроссовера

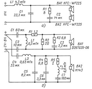
Фильтр для головок НЧ представляет собой ФНЧ второго порядка с частотой разделения 500 Гц, он рассчитан по методике, изложенной в [1]. АЧХ НЧ-головки рассчитана по паспортным данным с помощью программы Win ISD 0,50a7. Схемы фильтров для СЧ- и ВЧ-головок аналогичны описанным в [3, 4]. Схемы узлов кроссовера показаны на рис. 4,а, б.

Трехблочная акустическая система
Рис. 4

Кроссовер полос СЧ и ВЧ смонтирован на печатных платах размерами 130x127 мм (соответственно рис. 5 и 6), выполненных из фольгированного стеклотекстолита. Конденсаторы в фильтрах - К73-16 на 63 В и МБГО на 160 В, резисторы - С5-5В и С5-16МВ. Соприкасающиеся детали монтажа (конденсаторы К73-16) задемпфированы силиконовым герметиком. Обе платы фильтров этих полос установлены в блоке СЧ и зафиксированы в пластмассовых направляющих, которые приклеены к корпусу через два слоя мягкого линолеума для исключения резонансных явлений.

Трехблочная акустическая система
Рис. 5

Трехблочная акустическая система
Рис. 6

Конструкционные параметры катушек аналогичны рекомендациям, данным в [3, 4]. Параметры фильтра для головки H143 взяты из [3] при повторении конструкции. Катушки каркасов изготовлены из оргстекла толщиной 3 мм и склеены дихлорэтаном. Их параметры и конструкционные размеры приведены в таблице. В ней приняты следующие обозначения: D - диаметр каркаса; H и T - размеры сечения обмотки; N - число витков; d - диаметр провода. После намотки провод зафиксирован лаком, а каркасы катушек приклеены к плате герметиком.

Элемент Индуктивность, мГн (сопротивление, Ом) D, мм H=T, мм N d, мм
L1 0,3 (0,3) 20 10 110 0,8
L2 0,63 (0,6) 22 12 150 0,7
L3 6,6 (9) 26 14 435 0,5

Катушка фильтра НЧ содержит 259 витков провода ПЭВ-2 диаметром 1,32 мм. Чертеж катушки изображен на рис. 7. Он изготовлен из оргстекла толщиной 6 мм и склеен дихлорэтаном. Каждый слой обмотки катушек всех фильтров покрыт лаком. Выводы каждой НЧ-головки выведены в нишу фильтра НЧ медным многожильным проводом. Катушка приклеена в нише к корпусу блока НЧ клеем "Момент". Все элементы фильтра НЧ соединены навесным монтажом гибким медным проводом сечением 4 ммминимальной длины и установлены в нише задней панели (см. рис. 3).

Трехблочная акустическая система
Рис. 7

Конструкция и сборка корпуса блока НЧ

При разработке конструкции и выборе материалов для корпуса и элементов виброизоляции и вибропоглощения учитывались рекомендации из [5]. При склеивании деталей из ДСП учитывают деформации заготовок, вызванные транспортировкой и хранением. Для скрепления частей корпуса применен клей ПВА. Его необходимо наносить на стороны, которые в дальнейшем будут клеить к вогнутой стороне другой, либо наоборот. Это позволяет избежать деформации корпусов АС в течение долгих лет эксплуатации. В качестве клея при сборке корпуса использован бесцветный силиконовый герметик, не дающий жесткую механическую связь между деталями конструкции. Толщина слоя герметика при сборке лимитируется проволочными ограничителями Г-образной формы диаметром 2 мм, установленными с шагом 200...300 мм. Сборка корпуса осуществляется из готовых, предварительно покрашенных и покрытых лаком сборочных частей. Толщина передней панели корпуса блока НЧ равна 64 мм. Это сделано для уменьшения передачи колебаний от корпуса динамической головки на корпус АС.

Уровень звукового давления в обычной гостиной, создаваемого за счет излучения стенок типичного корпуса, всего лишь примерно на 12 дБ ниже, чем от излучения диффузора, по крайней мере, в низкочастотной части ЗЧ. На отдельных частотах, где стенки корпуса имеют резонансы, амплитуда звука, излучаемого корпусом, может даже превысить амплитуду, излучаемую диффузором [6].

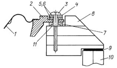
В конструкции данной АС для устранения этих негативных факторов применены методы виброизоляции и вибропоглощения. Эффект виброизоляции обеспечивается применением упругих амортизаторов (рис. 8) при креплении возбудителя вибрации - НЧ-головки (от диффузора 1 к диффузородержателю 2) к передней стенке корпуса 8, а иногда и передней стенки к боковым 10. В данной конструкции применены оба метода. Диффузородержатель головки закреплен через сплошную прокладку 7 из высококачественной плотной мелкопористой резины толщиной 4 мм, а головки шурупов 3 зафиксированы через металлические шайбы 4 с локальными опорными виброизоляторами 5, 6 из такой же резины.

Для уменьшения передачи вибрации от корпуса динамической головки к передней панели через крепежные шурупы они дополнительно изолированы втулками 11 из фторопласта, внутренний диаметр которых равен диаметру крепящего шурупа, а наружный равен диаметру крепежных отверстий головки. При необходимости размер этих отверстий следует увеличить до соответствующего втулкам с толщиной стенки не менее 1,5 мм. Естественно, все эти мероприятия не должны влиять на герметичность места соединения головок и корпуса АС. Сама же передняя панель крепится к боковым стенкам на толстый слой (конечное сечение 3x25 мм) силиконового герметика 9, что позволило дополнительно уменьшить передаваемый уровень вибраций на боковые и задние стенки корпуса. Уголки при креплении этой детали не использовались.

Трехблочная акустическая система
Рис. 8

Эффект поглощения вибрации обеспечен применением сэндвича линолеум-пенопласт толщиной 10 мм-линолеум, которым обклеены все внутренние поверхности корпуса АС, исключая переднюю панель. Слой синтепона, прошитого в четыре слоя, выполняет функцию демпфирования (весь набор в итоге около 35 мм толщиной). Линолеум необходимо применить как можно более толстый (3,5...4,5 мм), качественный, не армированный и не утепленный (однородный материал). Необходимо использовать пенопласт, имеющий максимальную плотность.

Сначала производился раскрой линолеума с учетом обеспечения зазора 40 мм по периметру внутренних поверхностей каждой внутренней стороны корпуса. Приклейка производилась послойно клеем "Момент" на собранную без передней панели конструкцию с простукиванием всех участков резиновым молотком после просушки клея. После чего на первый слой линолеума наклеивались куски пенопласта толщиной 10 мм, размерами 50x50 мм с зазором 10...15 мм между ними. После высыхания наклеивался второй слой линолеума и только потом четыре слоя синтепона, прошитого через 20...30 мм.

Любая халатность на этих этапах работы может быть причиной появления необъяснимых призвуков и резонансов. Для получения разных характеристик боковых панелей одна из них в каждой АС имеет оба слоя линолеума двойной толщины.

Изготовление и сборка корпусов блоков СЧ и ВЧ

Детали корпуса блока СЧ изготовлены из предварительно покрытого шпоном ДСП, имеют одинаковый угол 22,5 град. и обеспечивают полную идентичность геометрии, отсюда легкость сборки. Собирают блок СЧ (см. рис. 1) на клею ПВА с помощью двух кондукторов, которые изготовлены размерами, аналогичными размерам перемычки, делящей внутренний объем корпуса на две части; единственное отличие - необходимо изготовить держатели. Сборку производят на горизонтальной поверхности, а всю конструкцию фиксируют резиновой лентой до полного высыхания. Торцы после высыхания укрепляют мебельными скрепками, а продольные швы изнутри необходимо проклеить полосками х/б ткани на клее ПВА.

Для звукоизоляции блока СЧ применены оклейка линолеумом внутренних поверхностей (исключая переднюю панель) в два слоя и заполнение объема распушенной ватой или синтепоном. Блок красят и лакируют после сборки. Готовую переднюю панель приклеивают к корпусу герметиком. Опоры блока СЧ выточены из эбонита, и на их основания наклеены кружки из пробкового дерева.

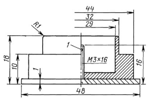
Корпус блока ВЧ (рис. 9) изготавливают на токарном станке из переклейки четырех слоев древесины во избежание эффекта рассыхания. В данной конструкции применена древесина липы из-за легкости обработки и массы. Узел крепления блока ВЧ показан на рис. 10, а на рис. 11 - часть этого узла, цилиндрическая опора, где 1 - винт с отверстием, в котором зацепляют пружину, как показано на рис. 2. Детали крепления изготовлены из нержавеющей стали.

Трехблочная акустическая система
Рис. 9

Трехблочная акустическая система
Рис. 10

Трехблочная акустическая система
Рис. 11

Идея такого крепления проста и хорошо зарекомендовала себя в эксплуатации в течение шести лет. Выбранное направление излучения ВЧ-головки остается надежно фиксированным благодаря тому, что на нижнюю поверхность блока ВЧ наклеено кольцо диаметром 60 мм из тонкой (1 мм) резины. В качестве провода от платы фильтров к головке использована витая пара из медного провода сечением 0,75 мм2 во фторопластовой изоляции.

Сборку блоков СЧ и ВЧ проводят в следующей последовательности. Прикрепляют собранную конструкцию к корпусу блока СЧ шестью шурупами, затем пропускают провод от платы фильтра канала ВЧ, после чего, установив корпус блока ВЧ, натягивают пружину из пружинной стали марок ОВС, ХВГ (диаметр проволоки - 0,8 мм, диаметр пружины - 5 мм, длина намотки - 25 мм), фиксируя ее к крючку. Длины витой пары должно хватать для свободного подключения к ней ВЧ-головки.

После чего шурупами фиксируют головку к корпусу блока ВЧ. Отверстия под провода в блоках СЧ и НЧ тщательно герметизируют с последующей проверкой качества герметизации. Блок Сч имеет две крышки из оргстекла, которые одновременно служат держателями выходных клемм блоков СЧ и ВЧ.

О проверке вибраций АС

Проверка корпусных резонансов блока НЧ производилась путем измерения уровня вибраций прибором АГАТ-М [7], поэтому графики параметров отражают зависимость частотно-линейных перемещений, которые адекватно показывают резонансные характеристики корпуса в точках контроля. Крепление датчика производилось простым неразрушающим методом. На необходимое место корпуса АС наклеивают скотч (тонкий и качественный). После тщательной притирки и обезжиривания на него приклеивают "суперклеем" корпус датчика и производят замеры на необходимых частотах. В качестве генератора НЧ применен Г3-112. Сначала было произведено измерение уровня передачи вибраций при стандартной конструкции крепления НЧ-головок, затем - при конструкции, описанной здесь. При стандартном креплении (с резиновым уплотнителем между громкоговорителем и корпусом) уровень передаваемых вибраций был в среднем на порядок выше. Эти измерения помогли также выявить и устранить резонанс корпуса установкой перемычки, как было рекомендовано в [5].

Подключение и настройка АС

В данный момент эта АС эксплуатируется с двумя УМЗЧ ROTEL RB-1070, включенными по схеме двухполосного усиления (bi-amping). Левый канал первого усилителя работает с блоком НЧ, правый - с блоками СЧ и ВЧ, которые подключают параллельно; отсюда - раздельные кабели подключения. Второй УМЗЧ подсоединен аналогично.

Настройка звучания по субъективным параметрам в конкретном помещении осуществляется выбором места установки АС (при размещении АС в углах помещения возникает ощутимый подъем низких частот), а также изменением геометрии расположения и направленности излучателей и сопряжения их фазовых характеристик [2, 3]. После проведения настройки (при прослушивании музыки разных стилей в конкретном помещении) рекомендуется зафиксировать положение корпусов блоков СЧ и ВЧ к блоку НЧ двусторонней липкой лентой.

После регулировки тонального баланса АС показала хорошую локализацию расположения инструментов при воспроизведении джазовой и оркестровой музыки. Тяжелая и электронная музыка звучала также неплохо, что было обеспечено введением конструкционных особенностей корпуса НЧ и, как следствие, отсутствием резонансных явлений. Низкочастотные составляющие спектра музыкальных сигналов звучат в "нужный" момент и не оставляют резонансных призвуков, что говорит об эффективности примененных мер по виброизоляции и вибропоглощению в конструкции блока НЧ. Зона стереоэффекта значительно шире, чем у АС с типовым оформлением, и, что важнее, ярче (напоминает использование расширителей стереобазы) как по горизонтали, так и по вертикали помещения. Отчетливо стали различаться передний и задний планы сцены несмотря на небольшие габариты помещения. Если после настройки "на слух" произвести анализ расположения блоков СЧ и ВЧ относительно блока НЧ, то нередко можно обнаружить несимметрию акустических характеристик конкретного помещения.

Литература

  1. Алдошина И. А., Войшвилло А. Г. Высококачественные акустические системы и излучатели. - М.: Радио и связь, 1985.
  2. Алексеев И. Об искажениях частотных характеристик малогабаритных акустических систем и "глубоких басах". - Радиохобби, 2000, № 5, с. 5-8.
  3. Бать С. Трехполосный громкоговоритель с головкой W21EX001. - Радио, 2003, № 8, с. 15-18.
  4. Бать С. Любительские громкоговорители (Громкоговоритель V3). - М.: РадиоСофт, журнал "Радио", 2002.
  5. James K. Iverson. Теория резонансов корпусов громкоговорителей. - .
  6. James Moir. Механические резонансы в корпусах громкоговорителей. M.I.E.E.
  7. АГАТ-М. Двухканальный измеритель вибраций. - Руководство по эксплуатации.

Автор: Е. Шалагин

Смотрите другие статьи раздела Аудиотехника.

Читайте и пишите полезные комментарии к этой статье.

<< Назад

Последние новости науки и техники, новинки электроники:

Токсичность интернета преувеличена 07.01.2026

Социальные сети нередко воспринимаются как арена постоянной агрессии, оскорблений и распространения фейковой информации. Новое исследование Стэнфордского университета показывает, что реальность значительно отличается от популярного представления: интернет гораздо менее токсичен, чем многие пользователи считают. Ученые опросили более тысячи американцев, попросив их оценить долю пользователей соцсетей, которые ведут себя агрессивно или распространяют ненависть. Оказалось, что впечатления людей сильно преувеличивают масштабы проблемы. Например, респонденты считали, что почти половина пользователей Reddit хотя бы раз оставляла оскорбительные комментарии, тогда как фактические данные платформы показывают, что таких людей не более 3%. Аналогичная ситуация наблюдается с дезинформацией. Опрос показал, что большинство участников считали почти половину аудитории Facebook распространителями фейковых новостей, однако статистика говорит об обратном: фактическая доля таких пользователей состав ...>>

Процессоры Ryzen AI 400 07.01.2026

Современные вычисления все больше ориентируются на интеграцию искусственного интеллекта и высокую производительность в компактных устройствах, таких как ноутбуки и мини-ПК. Новая линейка процессоров AMD Ryzen AI 400 демонстрирует, как разработчики объединяют мощные центральные ядра, графику и нейросетевые ускорители в одном чипе, чтобы удовлетворять растущие потребности пользователей в играх, контенте и ИИ-приложениях. AMD представила процессоры серии Gorgon Point, которые включают до 12 ядер Zen 5 и до 24 потоков вычислений. Чипы поддерживают интегрированную графику RDNA 3.5, обеспечивают максимальную тактовую частоту до 5,2 ГГц и имеют энергопотребление от 15 Вт до 54 Вт. Особое внимание уделено NPU, способному обрабатывать до 60 триллионов операций в секунду (TOPS), что делает эти процессоры эффективными для задач с искусственным интеллектом. Конструкция Ryzen AI 400 сочетает ядра Zen 5 и Zen 5c, обеспечивая высокую гибкость и производительность. Несмотря на то, что архитектур ...>>

Женщины лучше распознают признаки болезни по лицу 06.01.2026

Способность распознавать, что кто-то нездоров, часто проявляется интуитивно: бледная кожа, опущенные веки, уставшее выражение лица могут сигнализировать о недомогании. Новое исследование международной группы ученых показало, что женщины в среднем точнее мужчин улавливают такие тонкие невербальные признаки болезни, что может иметь эволюционные и социальные объяснения. В отличие от предыдущих работ, где использовались отредактированные фотографии или имитация больных лиц, ученые решили проверить, насколько люди способны распознавать естественные признаки недомогания. Такой подход позволил оценить реальную чувствительность к изменениям в лицах, возникающим при болезни. В исследовании приняли участие 280 студентов, поровну мужчин и женщин. Участникам предложили оценить 24 фотографии, на которых изображены люди как в здоровом состоянии, так и во время болезни. Это дало возможность сравнить восприятие естественных признаков недомогания в реальных лицах. Для анализа состояния каждого ...>>

Случайная новость из Архива

Грузовик для перевозки антиматерии 08.11.2024

Антиматерия, о которой многие слышали в контексте научной фантастики, уже стала реальностью в лабораториях. В ЦЕРН, крупнейшей в мире лаборатории физики частиц, ежедневно производятся антипротоны в антипротонном замедлителе. Однако содержание и транспортировка антиматерии - сложная задача, ведь при встрече материи и антиматерии происходит аннигиляция, в результате которой они взаимно уничтожаются, выделяя энергию.

Считается, что после Большого взрыва во Вселенной было создано равное количество материи и антиматерии, которые должны были аннигилировать и оставить пустую Вселенную. Однако, как мы видим, материя сохранилась, а антиматерия почти исчезла. Чтобы разобраться в причинах этого феномена, ученые ЦЕРН проводят эксперимент по барион-антибарионной симметрии под названием BASE. Этот эксперимент предполагает создание антипротонов, которые затем должны быть перемещены для дальнейшего исследования.

Для перемещения антипротонов необходима специальная установка - ловушка для свободных элементарных частиц. Эта установка представляет собой сложную систему, включающую вакуумную камеру, сверхпроводящий магнит с криогенным охлаждением и резервные источники питания. Ловушка весит почти 1000 килограммов, что делает ее достаточно тяжелой и громоздкой, но она все же более компактна по сравнению с аналогичными устройствами. Для ее транспортировки используется грузовик, на который установка помещается с помощью двух подъемных кранов.

Прежде чем приступить к транспортировке антипротонов, ученые провели тесты с обычными протонами. Они переместили облако из 70 протонов через главную площадку ЦЕРН, проверяя, насколько эффективно установка справляется с задачей удержания частиц. На первый взгляд это может показаться простым, но любое небольшое возмущение может привести к тому, что протоны вернутся в атомное ядро, сорвав эксперимент. Тем не менее, транспортировка протонов прошла успешно, что дало ученым уверенность в том, что методика сработает и для антипротонов.

"Если это сработало с протонами, то с антипротонами тоже все получится", - утверждает Кристиан Сморра из Дюссельдорфского университета имени Генриха Гейне. Он отметил, что основное отличие заключается в необходимости более продвинутой вакуумной камеры для антипротонов, чтобы предотвратить их аннигиляцию при контакте с окружающей материей.

Однако в процессе транспортировки антиматерии возникают определенные сложности. Во-первых, необходимо минимизировать вибрации, поскольку малейшие колебания могут повлиять на стабильность удержания частиц. Во-вторых, важно поддерживать температуру ловушки ниже 8,2 Кельвина с помощью жидкого гелия, что требует больших затрат энергии. Если охлаждение прекратится, антипротоны исчезнут из-за аннигиляции.

В ближайшем будущем ученые планируют переместить антипротоны на расстояние 600 метров в другую лабораторию ЦЕРН. В долгосрочной перспективе их цель - научиться транспортировать антиматерию и другие экзотические частицы, такие как сверхзаряженные ионы, в различные исследовательские центры Европы, включая Университет Генриха Гейне.

Успешная транспортировка антипротонов станет важным шагом в изучении антиматерии и поможет ученым разгадать одну из главных загадок Вселенной - почему материя преобладает над антиматерией. Это исследование не только продвигает границы науки, но и открывает новые возможности для будущих экспериментов в физике элементарных частиц.

Другие интересные новости:

▪ Измерено магнитное поле черной дыры в центре Галактики

▪ Технология AOC снизит вред мониторов для зрения

▪ Спасательный робот-гуманоид

▪ Ultra HD 3D-экрану Toshiba не нужны очки

▪ Робот-хирург отправится на Международную космическую станцию

Лента новостей науки и техники, новинок электроники

 

Интересные материалы Бесплатной технической библиотеки:

▪ раздел сайта Узлы радиолюбительской техники. Подборка статей

▪ статья Теофраст. Знаменитые афоризмы

▪ статья Как наличие привидений влияет на цену английского дома? Подробный ответ

▪ статья Пылесос для масла. Личный транспорт

▪ статья Продуктовый дозиметр. Энциклопедия радиоэлектроники и электротехники

▪ статья УМЗЧ. Энциклопедия радиоэлектроники и электротехники

Оставьте свой комментарий к этой статье:

Имя:


E-mail (не обязательно):


Комментарий:





Главная страница | Библиотека | Статьи | Карта сайта | Отзывы о сайте

www.diagram.com.ua

www.diagram.com.ua
2000-2026