Menu Home

Бесплатная техническая библиотека для любителей и профессионалов Бесплатная техническая библиотека


Стабилизация режима усилителей класса АВ. Энциклопедия радиоэлектроники и электротехники

Бесплатная техническая библиотека

Энциклопедия радиоэлектроники и электротехники / Усилители мощности транзисторные

Комментарии к статье Комментарии к статье

В предлагаемой вниманию читателей статье представлен способ автоматической регулировки напряжения смещения двухтактных усилителей для стабилизации тока, потребляемого усилителем при прохождении усиливаемого сигнала через ноль и в состоянии покоя.

К достоинствам статьи можно отнести методику расчета и проверки стабильности режима выходного каскада УМЗЧ.

Усилители класса АВ наиболее распространены среди линейных усилителей мощности, поскольку позволяют сочетать высокую экономичность усилителей класса В с отсутствием искажений в усилителях класса А. Однако формирование необходимого для этого напряжения смещения транзисторов, поддерживающего плечи двухтактного каскада в режиме оптимального начального тока (тока покоя), было и остается основной проблемой построения таких усилителей, проблемой стабилизации их параметров. Объясняется это нестабильностью характеристик транзисторов, их зависимостью от температуры и уровня сигнала, а также от разброса и дрейфа параметров тех же транзисторов. В статье [1] речь идет не столько о стабилизации, сколько об обеспечении "определенности" режима. Достигнутый практический уровень характеризует подборка схем в [2]. Из них и из других известных автору публикаций видно, что приемлемого схемотехнического решения стабилизации режима усилителей этого класса до сих пор нет; не сформулировано однозначного способа (правила, критерия, алгоритма) регулирования напряжения смещения, который позволял бы автоматически устанавливать оптимальное напряжение смещения мощных транзисторов. Одно из решений этой проблемы предлагается ниже.

Критерий оптимальности

Режим усилителей наиболее эффективно стабилизируют методами обратной связи путем измерения некоторой электрической величины, зависящей от напряжения смещения, сравнения ее с эталонным значением и автоматического регулирования. Попытки регулировкой напряжения смещения стабилизировать ток покоя усилителей приводили или только к частичному решению задачи [3, 4], или к созданию усилителей [5], обладающих необходимой стабильностью, но проигрывающих высококачественным усилителям класса АВ по некоторым параметрам. Ток этих усилителей в момент прохождения усиливаемого сигнала через ноль - его называют начальным током - не равен току покоя усилителей; их правильнее отнести к усилителям с динамическим смещением. Для двухтактных усилителей со стабилизацией минимальных токов плеч [6], кроме того, опасно перевозбуждение. Только стабильные по всем параметрам усилители класса АВ можно считать совершенными, находящимися вне конкуренции.

Критерий оптимальности напряжения смещения усилителей класса АВ - стабильность начального тока, равного току покоя усилителя класса АВ и поддерживаемого автоматически.

Этот критерий оптимальности без его формулировки и без разделения понятий тока покоя и начального тока использован в [7]. Однако автор выбрал неудачную методику определения начального тока (в терминологии автора - тока покоя) путем его вычисления с помощью операционных усилителей как разницы между измеряемыми токами плеч и нагрузки. Кроме сложности реализации и довольно больших потерь мощности в измерительных резисторах, основной недостаток выбранной методики заключается в том, что погрешность определения может превосходить искомое значение. Развитием идей из [7] можно считать техническое решение [8], где достигнут хороший результат применительно к усилителям на полевых транзисторах, но недостаточно полно формулируются и выполняются требования, обязательные для любых усилителей класса АВ. Ниже подробно рассмотрен метод измерения начального тока с помощью детектора минимальных значений суммы токов в плечах двухтактного каскада.

Теоретическое обоснование

Для того чтобы выявить возможность измерения начального тока в двухтактном каскаде на фоне меняющихся сигналов, рассмотрим изменения токов в плечах такого каскада и их суммы в предположении, что ток сигнала в нагрузке изменяется по простейшему синусоидальному закону:

iн = lmsinα.

Здесь iн - мгновенное значение тока нагрузки; Im - его амплитуда; α = Ωt - фазовый угол; Ω - рабочая частота; t - время.

Характер изменения токов в плечах двухтактного каскада изображен на рис. 1,а, а суммы абсолютных значений токов - на рис. 1,б.

Стабилизация режима усилителей класса АВ
Рис. 1.

Ток нагрузки в двухтактном каскаде определяется разностью токов плеч или суммой абсолютных значений приращений токов плеч

iн = |Δi1| + lΔi2|.

При малых токах сигнала оба плеча усилителя работают в линейном режиме класса А. Приращения токов плеч по абсолютной величине равны половине тока нагрузки:

 |Δi1| + lΔi2| = 0,5iн = 0,5lmsinα,

и выражения для токов плеч будут иметь вид

при 0 ≤ α ≤ α0.

Здесь и далее через α0 обозначен фазовый угол, при превышении которого усилитель переходит из режима класса А в режим с отсечкой тока в плече.

Если все токи нормировать по отношению к максимальному току нагрузки (нормированные токи обозначены жирным шрифтом)

Iнач/Im = Iнач  и   Im/I= 1  то

 

при 0 ≤ α ≤ α0.

При α = α0 ток второго плеча уменьшается до нуля, т. е.

iнач - 0,5sinα0 = 0.

Из этого определяем α0 = arcsin2IНАЧ.

В режиме отсечки тока в одном плече ток нагрузки определяется приращениями тока другого плеча:

при α0 ≤ α ≤ π/2.

При α ≥ π/2 характер изменения токов повторяется в обратном порядке, а при α >π меняется знак тока нагрузки и его формирование производится другим плечом (см. рис. 1).

Сумма токов плеч 

имеет постоянное минимальное значение, определяемое только начальным током усилителя

(i1 + i2)мин = 2Iнач.

Это дает возможность сформулировать способ стабилизации: для стабилизации режима усилителя класса АВ при любом желаемом начальном токе необходимо и достаточно стабилизировать минимальное значение суммы токов плеч, равное двукратному значению начального тока одного плеча.

Обобщенная структурная схема

На рис. 2 приведена простейшая схема усилителя со стабилизацией начального тока по предлагаемому способу. Она получена доработкой схемы из [4] путем включения в нее резистора R13 и пикового детектора на транзисторе VT8. Импульсы напряжения на резисторе R13 максимальны при минимальном суммарном напряжении на резисторах R10 и R11, т. е. в режиме покоя усилителя и при прохождении сигнала через ноль. Эмиттерным током транзистора VT8 заряжается конденсатор C3 до напряжения, чуть ниже максимального напряжения на резисторе R13. При этом напряжение на входе регулятора напряжения смещения VT3 тем больше, чем меньше суммарное напряжение на резисторах R10 и R11. При уменьшении начального тока транзисторов VT6 и VT7 напряжение смещения возрастает, а при их возрастании - уменьшается. В результате начальный ток транзисторов оконечного каскада стабилизируется на уровне тока покоя.

Стабилизация режима усилителей класса АВ
Рис. 2.

Вне зависимости от конкретного исполнения, будь то трансформаторный или бестрансформаторный усилитель с параллельным или последовательным включением плеч, можно назвать обязательные для стабилизации его режима элементы. Эти элементы изображены на рис. 3, часть которых применяется, в частности, в усилителе, схема которого изображена на рис. 2. В обобщенную схему входят сам усилитель и регулятор напряжения смещения, за исключением нагрузки R„. Регулятором напряжения смещения служит транзистор VT3 с резистором R6.

Стабилизация режима усилителей класса АВ
Рис. 3.

Датчиками 1 и 2 токов в двух плечах усилителя на рис. 2 являются резисторы R10 и R11; суммирующее устройство реализовано последовательным включением этих резисторов: с них снимается напряжение, пропорциональное сумме токов. С помощью транзистора VT3 минимальное суммарное напряжение инвертируется в максимальное напряжение на резисторе R13. Детектирование этого напряжения осуществляется транзистором VT8 с RC-цепью R12С3.

Все эти элементы целесообразно объединить в специальный модуль стабилизации, поскольку именно ими в комплексе стабилизируется любой заданный начальный ток усилителя и обеспечивается равенство этого тока току покоя. В усилении сигнала эти элементы не участвуют. Ниже дано описание более сложного модуля стабилизации, предназначенного для симметричной схемы усилителя с датчиками тока, вынесенными к цепям питания.

Выбор начального тока

Обеспечивая возможность стабилизации начального тока, необходимо обосновать выбор его оптимального значения и допустимого интервала изменения. Для выбора оптимального тока Iнач рассмотрим зависимости основных параметров усилителя класса АВ от начального тока, меняющегося в максимальных пределах, т. е. от нуля (класс В) до 0,5Im (класс А) и от амплитуды тока сигнала.

Расчетные графики зависимости этих параметров от начального тока усилителя изображены на рис. 4,а.

Стабилизация режима усилителей класса АВ
Рис. 4.

Кривая КПД характеризует зависимость максимального коэффициента полезного действия усилителя от выбранного значения начального тока. При его увеличении максимальный КПД снижается от значения 0,785, свойственного усилителям класса В, до 0,5,свойственного усилителям класса А.

Кривая Pтепл/Pвых макс   рахактеризует максимальную тепловую мощность, выделяемую на выходных транзисторах, от выбранного начального тока усилителя. При начальном токе Iнач ≥ 0,13Im, максимальная тепловая мощность определяется именно этим током в состоянии покоя усилителя (восходящий прямолинейный участок кривой). При меньшем начальном токе максимальная тепловая мощность определяется в основном мощностью от переменного тока сигнала, выделяемой на усилительных транзисторах. Для усилителей класса В (при Iнач = 0) максимум тепловой мощности достигает 0,405Рвых макс.

Кривая tмин/T характеризует относительную продолжительность (в долях периода) минимума суммы токов плеч в зависимости от начального тока:

 tмин/T = α0/(π/2) = 2α0/С = (2arcsin (2Iнач))/π.

Эта зависимость характеризует необходимое быстродействие (время считывания) детектора минимальных значений. Продолжительность минимума суммы токов тем больше, а требования к пиковому детектору соответственно тем ниже, чем больше начальный ток. В классе А пиковый детектор вообще не нужен. С уменьшением начального тока требования к пиковому детектору, естественно, возрастают.

На рис. 4,б изображена зависимость тепловой мощности, выделяемой на усилительных транзисторах, от тока сигнала при разных начальных токах усилителя. На этих кривых наглядно видна зона оптимальных значений начального тока. Ею можно считать ток от 0 до 0,1Im. При максимальном токе этого диапазона гарантированно отсутствуют искажения типа "ступенька", а тепловая мощность, выделяющаяся на транзисторах в режиме покоя, не превосходит мощности, выделяемой на них в режиме сильного сигнала. Во всем возможном интервале значений токов сигнала она колеблется вокруг значения 0,4Рвых макс и максимально превосходит максимальную тепловую мощность усилителей класса В только на 10%, оставаясь меньше максимальной тепловой мощности усилителей класса А в 4,5 раза.

Максимальный КПД усилителя с таким начальным током равен 77 %, что только на 2 % ниже, чем в усилителях класса В. Дальнейшее увеличение начального тока, хотя и допустимо, не дает никакого энергетического выигрыша и почти не снижает искажений. Уменьшение же начального тока желательно с точки зрения снижения тепловых потерь мощности в режиме покоя. Целесообразность этого решает разработчик. Непосредственная стабилизация начального тока устраняет опасность работы с напряжениями смещения, полностью закрывающими усилитель, и тем самым опасность разрыва цепи общей отрицательной обратной связи (ООС). Нелинейные искажения уменьшаются посредством ООС и могут быть проконтролированы при налаживании усилителя. Начальный ток усилителя при этом может быть установлен значительно меньшим, чем 0,1Im.

Верхняя часть динамического диапазона усиливаемых сигналов, выводящих выходной каскад из режима класса А в режим класса АВ, связана соотношением Im/(2Iнач) При начальном токе 0,1Iона составляет 14 дБ, а при начальном токе 0,05Im - 20 дБ. Если мы посмотрим осциллографом усиливаемый сигнал, то увидим пиковые значения, на 14...20 дБ превышающие среднеквадратический уровень звуковых сигналов. Это означает, что если максимальная выходная мощность усилителей используется для неискажающего воспроизведения именно этих пиков, то большую часть времени усилитель работает при относительно малых уровнях сигнала, т. е. в режиме класса А. Этим оправдывается снижение тока покоя и, соответственно, потребляемой мощности в этом режиме. Максимальное значение начального тока рекомендуемого интервала выделено на рис. 4,а штриховкой.

Экспериментальный усилитель

На рис. 5 представлена схема высококачественного усилителя средней мощности, нагрузкой которого может служить акустическая система S-30.

Стабилизация режима усилителей класса АВ
Рис. 5.

При рассмотрении схемы можно считать замкнутыми попарно выводы 1 и 3, а также 4 и 6 модуля стабилизации. Выводы 2 и 5 являются противофазными выходами для управления регуляторами напряжения смещения.

Особенностями самого усилителя являются использование мощных полевых транзисторов в выходном каскаде и симметричность структуры для обеих полярностей усиливаемого сигнала. Напряжение смещения для полевых транзисторов образуется на резисторах R17 и R18 токами транзисторов VT1 и VT2, а их автоматическая регулировка - синхронной регулировкой токов предварительных каскадов усилителя транзисторами VT3 и VT4. Резисторы Rl9 и R20 служат для повышения динамической стабильности транзисторов, элементы С10, R21, R22 и L1 - для коррекции частотной характеристики системы с комплексным характером нагрузки.

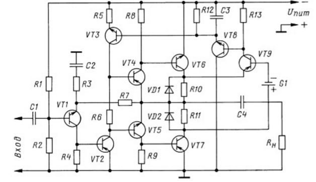
Модуль стабилизации

Модуль стабилизации для симметричной схемы усилителя имеет изолированные от нагрузки измерители тока плеч, а в качестве источника образцового напряжения используется общий источник питания; кроме того, модуль имеет два противофазных выхода. Его схема изображена на рис. 6.

Стабилизация режима усилителей класса АВ
Рис. 6.

Измерительными датчиками минимального тока в плечах выходного каскада служат резисторы R1 и R3, шунтированные, как и в схеме на рис. 2, кремниевыми диодами VD1 и VD2 для обхода большим током нагрузки. Для суммирования используются уменьшенные копии этих токов, сформированные транзисторами VT3 и VT4 с токозадающими резисторами R4 и R5. Транзисторы VT1 и VT2 служат для компенсации напряжения база-эмиттер транзисторов VT3 и VT4. Благодаря этому напряжение на резисторах R4 и R5 можно считать равным напряжению на резисторах R1 и R3, а коэффициент передачи тока от измерителей к копирующим каскадам равным отношению сопротивлений резисторов R1 к R4 и R3 к R5.

Суммирующее устройство реализовано на резисторе R7. Масштабируемая копия тока нижнего плеча выходного каскада подается на него непосредственно через коллектор VT4, а соответствующая тому же масштабу копия тока верхнего плеча - транзистором VT3 через токовое зеркало на транзисторах VT5, VT6 с резисторами R6 и R8. Токи транзисторов VT4 и VT6 суммируются с током транзистора VT8 на резисторе R7. Минимум суммы токов VT4 и VT6 при этом превращается в максимум тока VT8, т. е. в максимум напряжения на резисторе R12 при прохождении усиливаемого сигнала через ноль и в режиме покоя усилителя.

В состоянии покоя это напряжение постоянно и максимально. По мере роста амплитуды сигнала оно получает сначала небольшие и редкие, затем глубокие и длительные провалы, приобретая вид хаотичной кривой, вершинами привязанной к максимальным значениям напряжения. Наиболее глубокие провалы соответствуют наибольшей амплитуде сигнала, наибольшая длительность провалов - наиболее низким усиливаемым частотам; плоские вершины соответствуют работе усилителя в режиме класса А, центры вершин - моментам перехода усиливаемого сигнала через ноль.

Пиковый детектор на транзисторе VT7 быстро заряжает конденсатор С1 до напряжения, чуть меньшего (на ΔUбэ ≈ 0,6 В) максимального напряжения на резисторе R12. Постоянная времени τзар ≈ C1·R12/h21Э7, где h21Э7 - коэффициент передачи тока базы транзистора VT7. Разрядка происходит медленнее. Ее постоянная времени τраз ≈ C1·R11.

Отношение  τзарраз = R12/(R11·h21Э7)  должно быть не более относительной продолжительности минимума суммы токов плеч, поскольку зарядка (считывание информации о минимуме суммы токов) должна производиться возможно быстро, а разрядка (хранение этой информации до следующего считывания) должна быть возможно длительной: τзарраз ≤ tмин/T.

Наиболее тяжелый режим работы пикового детектора - режим максимального сигнала на нижней усиливаемой частоте Fн когда провалы напряжения на резисторе R12 максимальны и по глубине, и по длительности. По допустимой амплитуде пульсаций на конденсаторе С1 в этом режиме  δп, выраженной в процентах, при известном сопротивлении разрядки (R11 в схеме рис. 6) можно рассчитать и минимальную емкость этого конденсатора 

Напряжение на этом конденсаторе в режиме покоя усилителя постоянно. В режиме усиления это напряжение приобретает на месте провалов входного напряжения неглубокие (измеряемые единицами или долями процентов) пилообразные импульсы при выходе усилителя из режима класса А, с медленным спадом и быстрым возвратом к максимальному значению в режиме класса А. Это напряжение в среднем остается пропорциональным начальному току усилителя и служит управляющим напряжением регуляторов смещения.

Пульсации управляющего напряжения неизбежно вносят на низших частотах сигнала небольшие искажения. Но эти искажения тем меньше, чем больше емкость накопительного конденсатора детектора; они вносятся только в сильный сигнал, выводящий усилитель из класса А, а в симметричной схеме, как наша, взаимно компенсируются плечами усилителя. В экспериментальном усилителе эти искажения никак не ощущаются.

В коллекторную цепь транзистора VT7 включена цепь C2R9, точно такая же, как и в эмиттерную - C1R11. Это позволяет получить второй противофазный выход модуля стабилизации. Резистор R10 служит для ограничения бросков тока транзистора VT7 при переходных процессах. Установка начального тока усилителя возможна выбором равных резисторов R1 и R3, а также подбором резистора R7 или R12. Режим стабилизации этого тока не требует впоследствии какой-либо подстройки.

Пример расчета элементов стабилизации

Выбранная акустическая система рассчитана на выходную мощность до 30 Вт. При номинальном ее электрическом сопротивлении 4 Ом и выходной мощности усилителя 15 Вт амплитуда тока составит 2,74 А. Максимальное рекомендуемое значение начального тока, равное току покоя выходных транзисторов, составляет Iнач макс = 0,1Im = 0,274А. Выбираем Iнач = 0,1 А.

Нормированное значение Iнач = Iнач/Im = 0,1/2,74 = 0,0365

Поскольку расчету подлежит замкнутая система с обратной связью, все элементы которой зависят друг от друга, мысленно разорвем ее в точке соединения собственно усилителя и модуля стабилизации. Зададимся удобным для работы номинальным напряжением управления регуляторами смещения, которое должно устанавливаться в этой точке в линейном режиме при выбранном начальном токе (токе покоя) Uупр = 10 В. Это дает возможность рассчитывать элементы двух схем независимо друг от друга.

В самом усилителе (см. рис. 5) для выбранных полевых транзисторов измеренное пороговое напряжение составляет 3,5...3,8 В. При указанных на схеме сопротивлениях резисторов R17 и R18 такое напряжение достигается при токе транзисторов VT1 и VT2 в интервале 7,45...8,01 мА. Примерно такие же токи должны иметь транзисторы VT5 и VT6. Токи транзисторов VT3 и VT4 равны сумме токов VT1 и VT3 или VT2 и VT4; примем их равными 15 мА. При этом сопротивление резисторов R5 = R6 = (Uупр - ΔUбэ)/IVT3 = (10 - 0,6)/15·10-3 ≈ 620 Ом.

Неравенство порогового напряжения транзисторов VT7 и VT8 и соответствующих токов транзисторов VT1 и VT2 достигается автоматически действием ООС через резистор R13, обеспечивающей равенство токов стока транзисторов VT7 и VT8.

Переходим к расчету элементов модуля стабилизации (см. рис. 6). Сопротивление резисторов R1 и R3 выбираем таким, чтобы рабочее напряжение на них, обусловленное удвоенным начальным током, было заведомо меньше напряжения открывания (0,6 В) мощных кремниевых диодов VD1 иVD2: R1 = R3 < Uотк/(2Iнач) = 0,6/(2·0,1) = 3 Ом.

Выбираем R1 = R3 = 2 Ом.

Рабочее напряжение на этих резисторах в состоянии покоя усилителя, контролируемое при его настройке (правильнее сказать - при проверке настраивать нечего), составит

UR1 = UR3 = Iнач·R1 = 0,2 В.

При выбранных значениях R4 = R5 = 100 Ом токи транзисторов VT3 и VT4 будут уменьшенными в 50 раз копиями токов плеч усилителя. В режиме молчания и при переходе сигнала через ноль они будут равны 2 мА. Максимальное значение этих токов, равное 7 мА, определяется максимальным напряжением (0,7 В) на диодах VD1 и VD2. Сопротивление резистора R7 выбираем из условия, что максимальным током одного из

транзисторов VT3 или VT4 при прохождении достаточно сильного сигнала каскад

на транзисторе VT8 может закрываться: R7 = Eпит/(2·Iмакс) = 60/(2·7) = 4,3 кОм. Не опасно, если максимальные токи если максимальные токи транзисторов VT3 и VT4 будут несколько больше или меньше 7 мА. Они не несут информации о начальном токе усилителя, а транзистор VT8 или закрыт, или его ток минимален. В режиме молчания или при прохождении напряжения сигнала через ноль транзистор VT8 открыт и его коллектор-

ный ток максимален: 

IVT8 макс = (0,5·Eпит - ΔUбэ)/R7 - 2Iнач/50 = (0,5 · 60 - 0,6)/4,3 - (2 · 100)/50 = 3 мА.

При этом токе формируется номинальное напряжение управления регуляторами напряжения смещения. Сопротивление резистора R12 определяем из условия, что постоянное напряжение на нем в режиме молчания или пульсирующее в момент перехода усиливаемого сигнала через ноль будет на ΔUбэ больше, чем управляющее напряжение:

R12 = (Uупр + ΔUбэ)/IVT8 макс = (10 + 0,6)/3 = 3,6 кОм

Численный расчет минимальной емкости конденсатора С1 по формуле, приведенной в предыдущем разделе, при Fн = 20 Гц и δп = 3 % дает 82 мкФ. Примененные конденсаторы С1 и С2 имеют меньшую емкость, но она увеличена вдвое конденсаторами С4 и С5 самого усилителя (рис. 5).

Проверяем быстродействие пикового детектора:

τзарраз = R12/(R11·h21Э7) = 3600/(10000 · 100) = 0,0036;

 tмин/T = (2 · arcsin (2 · 0,0365))/π = 0,0465.

Соотношение   τзарраз ≤ tмин/T  выполняется с запасом.

Выведем формулу для проверочного расчета начального тока по выбранным и заданным параметрам элементов схемы. Ток покоя (он же начальный) мощных транзисторов определяется их напряжением смещения, которое при высокой или очень высокой крутизне восходящих участков характеристик полевых транзисторов не сильно отличается от порогового напряжения этих транзисторов, поэтому будем считать, что при любом начальном токе напряжение смещения примерно равно пороговому.

Учитывая, что токи транзисторов VT3 и VT4 (на рис. 5) делятся транзисторами дифференциальных каскадов пополам, имеем

Второе равенство равносильно первому, поскольку R5 = R6 и R17 = R18.

По схеме на рис. 6 можем записать 

Решая эти выражения совместно, получим для усилителя в целом

Здесь введены дополнительные индексы для обозначения узла, к которому принадлежит тот или иной резистор: мс - модуль стабилизации, ус - собственно усилитель.

Численный расчет с подстановкой в формулу данных усилителя при Uпор = 3,5 В дает значение Iнач = 102,5 мА при допустимой погрешности. Но особенно ценна возможность с помощью этой формулы оценить влияние на начальный ток усилителя дрейфа тех или иных параметров элементов усилителя и, в первую очередь, порогового напряжения полевых транзисторов. Совершенно недопустимое для многих усилителей изменение Uпор транзисторов на ±20 % привело бы к выходу их из строя или к сильным искажениям сигнала. В нашем случае оно только меняет начальный ток усилителя на ±12,5 %, что вполне допустимо и скорее всего даже не будет замечено слушателями.

Конструкция и детали

Усилитель выполнен на базе конструкции "Радиотехника У-101-стерео". Две печатные платы усилителя, соответствующие чертежу на рис. 7, устанавливают вместо печатных плат модулей УНЧ-50-8 на теплоотводы базового усилителя. Оконечные транзисторы VT7 и VT8 закрепляют на изолированных теплоотводах без дополнительной изоляции. Оксидные конденсаторы усилителя - К50-35, С7 - неполярный Jamicon NK, остальные - К10-17. Резисторы R19 и R20 - С5-16МВ, остальные - С2-33Н. Бескаркасный дроссель L1 от модуля УНЧ-50-8 содержит 16 витков провода ПЭВ-11,3, намотанных в два слоя с внутренним диаметром 5 мм.

Стабилизация режима усилителей класса АВ
Рис. 7.

Платы модулей стабилизации, чертеж которых изображен на рис. 8, устанавливают перпендикулярно на платы усилителя; они крепятся своими выводами 1-6. Конденсаторы - К50-35, резисторы - С2-33Н.

Стабилизация режима усилителей класса АВ
Рис. 8.

Заключение

Кажущаяся поначалу сложность модуля стабилизации оправдывается действенностью предлагаемого способа стабилизации, легкостью расчета и малой потребляемой мощностью этого модуля, атакже практически отсутствием необходимости налаживания усилителя. Это подтверждается и безупречной работой экспериментального усилителя в течение несколькихлет. Такая стабилизация режима мощных каскадов может быть применена как в усилителях высокого класса и повышенной надежности, так и в большинстве транзисторных усилителей, в устройствах контроля, измерения и автоматики.

Литература

  1. Грошев В. Я. Методы обеспечения определенности и стабильности начального режима двухтактных усилителей на биполярных транзисторах. - Радиотехника, 1989, № 2.
  2. Сухов Н. Лучшие конструкции УНЧ и сабвуферов своими руками. - С.-Пб.: Наука и техника, 2012.
  3. Моисеев В. К., Егоров Н.Н. Бестрансформаторныйдвухтакт-ный усилитель. Авт. свид. № 307487. БИ № 20, 1971.
  4. Ефремов В. С. Бестрансформаторный транзисторный двухтактный усилитель классаАВ. Авт. свид. № 663073. БИ № 18, 1979.
  5. Компаненко Л. Усилитель мощности с "нулевым" током покоя выходного каскада. - Радио, 2004, № 1,с. 18, 19.
  6. Ефремов В. С. Двухтактные усилители со стабилизацией минимальных токов плеч. В сб. Полупроводниковая электроника в технике связи, вып. 23. - М.: Радио и связь, 1983.
  7. Терешин В. Стабилизация тока покоя в усилителях мощности ЗЧ. - Радио, 1987, № 3, с. 33-35.
  8. Мулындин А. Стабилизация тока покоя УМЗЧ с полевыми транзисторами. - Радио, 2008, № 10, с. 9.

Автор: В. Ефремов

Смотрите другие статьи раздела Усилители мощности транзисторные.

Читайте и пишите полезные комментарии к этой статье.

<< Назад

Последние новости науки и техники, новинки электроники:

Питомцы как стимулятор разума 06.10.2025

Помимо эмоциональной поддержки, домашние питомцы могут оказывать заметное воздействие на когнитивные процессы, особенно у пожилых людей. Новое масштабное исследование показало, что общение с кошками и собаками не просто улучшает настроение - оно действительно способствует замедлению возрастного снижения умственных способностей. Работа проводилась в рамках проекта Survey of Health, Ageing and Retirement in Europe (SHARE), охватывающего период с 2004 по 2022 год. В исследовании приняли участие тысячи европейцев старше 50 лет. Анализ показал, что владельцы домашних животных демонстрируют более устойчивые когнитивные функции по сравнению с теми, кто не держит питомцев. Особенно выражен эффект оказался у владельцев кошек и собак. Согласно данным ученых, владельцы собак дольше сохраняют хорошую память, в то время как хозяева кошек медленнее теряют способность к быстрому речевому взаимодействию. Исследователи связывают это с тем, что ежедневное взаимодействие с животными требует внимани ...>>

Мини-ПК ExpertCenter PN54-S1 06.10.2025

Компания ASUSTeK Computer презентовала новый мини-компьютер ASUS ExpertCenter PN54-S1. Устройство ориентировано на пользователей, которым важно сочетание производительности, энергоэффективности и универсальности - от офисных задач до мультимедийных проектов. В основе ExpertCenter PN54-S1 лежит современная аппаратная платформа AMD Hawk Point, использующая архитектуру Zen 4. Это поколение чипов отличается улучшенным управлением энергопотреблением и повышенной вычислительной мощностью. Новинка доступна в конфигурациях с процессорами Ryzen 7260, Ryzen 5220 и Ryzen 5210, представленных AMD в начале 2025 года. Таким образом, устройство охватывает широкий диапазон задач - от базовых офисных до ресурсоемких вычислений. Корпус мини-ПК выполнен из прочного алюминия и имеет размеры 130&#215;130&#215;34 мм, что делает его практически незаметным на рабочем столе или за монитором. Несмотря на компактность, внутренняя компоновка позволяет установить два модуля оперативной памяти SO-DIMM ...>>

Глазные капли, возвращающие молодость зрению 05.10.2025

С возрастом человеческий глаз постепенно теряет способность четко видеть на близком расстоянии - развивается пресбиопия, или возрастная дальнозоркость. Этот естественный процесс связан с утратой эластичности хрусталика и ослаблением цилиарной мышцы, отвечающей за фокусировку. Миллионы людей по всему миру сталкиваются с необходимостью носить очки для чтения или прибегают к хирургическим методам коррекции. Однако исследователи из Центра передовых исследований пресбиопии в Буэнос-Айресе представили решение, которое может стать удобной и неинвазивной альтернативой - специальные глазные капли, способные улучшать зрение на длительный срок. Разработку возглавила Джованна Беноцци, директор Центра. По ее словам, цель исследования состояла в том, чтобы предоставить пациентам с пресбиопией эффективный и безопасный способ коррекции зрения без хирургического вмешательства. Новые капли, созданные на основе пилокарпина и диклофенака, показали убедительные результаты: уже через час после первого пр ...>>

Случайная новость из Архива

Планшет с 3D-съемкой от Google 30.05.2014

В июне этого года компания Google собирается выпустить экспериментальную партию из 4 тыс. прототипов планшетов с функцией 3D-съемки. Об этом сообщает издание Wall Street Journal ссылаясь на источники, знакомые с планами компании.

Планшеты будут оборудованы 7-дюймовым экраном. Съемка трехмерных изображений будет осуществляться при помощи двух основных камер, инфракрасного датчика, определяющего расстояние до объекта, а также специального ПО, умеющего создавать трехмерные изображения.

Прототип планшета создается в рамках проекта Tango, в связи с которым Google в феврале анонсировала смартфон, обладающий функциями 3D-съемки. Именно тогда и стало известно о планах компании по выпуску пробной партии планшетов с такими же возможностями. Такое устройство может не только делать привычные многим стереофотографии, но также создавать трехмерные карты окружающего пространства: на сегодняшний день выполнение подобной задачи предполагает использование профессионального оборудования высокой стоимости.

Один из возможных вариантов использования таких карт - улучшение навигации внутри зданий, а также применение в программах дополненной реальности.

Для Google обычной является практика, когда компания разрабатывает инновационное устройство, после чего предлагает его разработчикам, надеясь, что оно вдохновит их на создание новых приложений для пользователей. К примеру, до появления проекта Tango американская компания уже создала "умные" очки Google Glass, которые длительное время были доступны только разработчикам программного обеспечения. Совершенно противоположные методы использует Apple, которая создает свои устройства в строжайшей тайне, и запускает их в массовую продажу сразу после анонса.

В понедельник, 19 мая Трип Чоудри (Trip Chowdhry), управляющий директор аналитической компании Global Equities Research сделал предположение, что Google сейчас тайно готовится к выпуску своего 3D-принтера.

3D-камеры, а также планшеты и смартфоны с функциями трехмерной съемки уже появлялись ранее на рынке, однако широкой популярности до сих пор не получили. К примеру, функция трехмерной съемки при помощи двух камер на задней панели устройства применяется в смартфоне HTC One.

Другие интересные новости:

▪ Бюджетный смартфон Vivo Y02

▪ Портативный проектор ASUS ZenBeam L2

▪ Сверхъяркие тонкопленочные светодиоды и лазеры

▪ Бактерии могут выжить в межпланетном путешествии

▪ Самый черный цвет для автомобиля BMW

Лента новостей науки и техники, новинок электроники

 

Интересные материалы Бесплатной технической библиотеки:

▪ раздел сайта Основы первой медицинской помощи (ОПМП). Подборка статей

▪ статья Айседора Дункан. Знаменитые афоризмы

▪ статья Сколько глаз у скорпиона? Подробный ответ

▪ статья Разносторонний узел. Советы туристу

▪ статья Термометр повышенной точности с датчиком DS18S20. Энциклопедия радиоэлектроники и электротехники

▪ статья Исчезновение монеты с пальца. Секрет фокуса

Оставьте свой комментарий к этой статье:

Имя:


E-mail (не обязательно):


Комментарий:





Главная страница | Библиотека | Статьи | Карта сайта | Отзывы о сайте

www.diagram.com.ua

www.diagram.com.ua
2000-2025