Áåñïëàòíàÿ òåõíè÷åñêàÿ áèáëèîòåêà
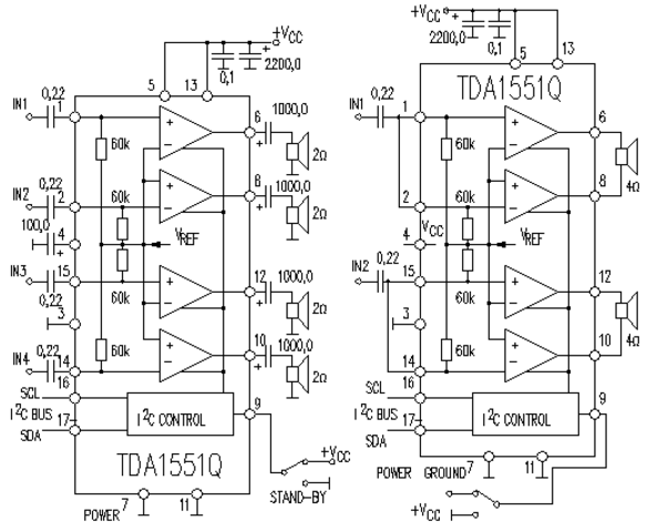
Óñèëèòåëü íà ìèêðîñõåìå TDA1521, 2õ12 âàòò. Ýíöèêëîïåäèÿ ðàäèîýëåêòðîíèêè è ýëåêòðîòåõíèêè

Ýíöèêëîïåäèÿ ðàäèîýëåêòðîíèêè è ýëåêòðîòåõíèêè / Óñèëèòåëè ìîùíîñòè òðàíçèñòîðíûå
Êîììåíòàðèè ê ñòàòüå


Ñìîòðèòå äðóãèå ñòàòüè ðàçäåëà Óñèëèòåëè ìîùíîñòè òðàíçèñòîðíûå.
×èòàéòå è ïèøèòå ïîëåçíûå êîììåíòàðèè ê ýòîé ñòàòüå.
<< Íàçàä
Ïîñëåäíèå íîâîñòè íàóêè è òåõíèêè, íîâèíêè ýëåêòðîíèêè:
Êðàòêîâðåìåííîå ãîëîäàíèå è ðàáîòà ìîçãà
25.11.2025
Íà ôîíå ðîñòà ïîïóëÿðíîñòè èíòåðâàëüíîãî ãîëîäàíèÿ ìíîãèå îïàñàþòñÿ, ÷òî îòêàç îò åäû íà íåñêîëüêî ÷àñîâ ìîæåò îáåðíóòüñÿ ñíèæåíèåì êîíöåíòðàöèè, óõóäøåíèåì ïàìÿòè è îáùèì "çàòóìàíèâàíèåì" ñîçíàíèÿ. Îäíàêî ñîâðåìåííûå èññëåäîâàíèÿ ïîçâîëÿþò èíà÷å âçãëÿíóòü íà ýòó òåìó.
Íàó÷íûé îáçîð, âêëþ÷èâøèé ñâûøå ñåìèäåñÿòè íåçàâèñèìûõ ýêñïåðèìåíòîâ è áîëåå 3,5 òûñÿ÷è ó÷àñòíèêîâ, ïîêàçàë: çäîðîâûå âçðîñëûå, êîòîðûå íå åëè îò äåñÿòè äî äâåíàäöàòè ÷àñîâ, âûïîëíÿëè êîãíèòèâíûå òåñòû òàê æå êà÷åñòâåííî, êàê è òå, êòî ïðèíèìàë ïèùó ïåðåä èñïûòàíèåì. Ïàìÿòü, ñêîðîñòü ðåàêöèè, ëîãè÷åñêîå ìûøëåíèå è âíèìàíèå îñòàâàëèñü íà ïðåæíåì óðîâíå, ÷òî îïðîâåðãàåò ðàñïðîñòðàíåííûé áûòîâîé ìèô.
Äîêòîð Äýâèä Ìîðî, ïðîôåññîð ïñèõîëîãèè èç Óíèâåðñèòåòà Îêëåíäà â Íîâîé Çåëàíäèè, ïîä÷åðêèâàåò, ÷òî ïðåäñòàâëåíèÿ î "ãîëîâíîé òóìàííîñòè" âî âðåìÿ ãîëîäà ÷àñòî îêàçûâàþòñÿ ïðåóâåëè÷åííûìè. Îí îòìå÷àåò, ÷òî ëþäè ñêëîííû ñâÿçûâàòü ÷óâñòâî ãîëîäà ñ íèçêîé ýíåðãèåé, ðàçäðàæèòåëüíîñòüþ è íåâîçìîæíîñòüþ ñîñðåäîòî÷èòüñÿ, õîòÿ ÷å ...>>
Óìíàÿ ðîçåòêà TP-Link Tapo P410M
25.11.2025
Êîìïàíèÿ TP-Link âûïóñòèëà íà ðûíîê íîâóþ óëè÷íóþ ðîçåòêó Tapo P410M. Îíà ïîëó÷èëà ïîääåðæêó óíèâåðñàëüíîãî ñòàíäàðòà Matter è ñòàëà åùå îäíèì øàãîì â ñòîðîíó åäèíîé ýêîñèñòåìû óìíûõ óñòðîéñòâ.
Îñîáåííîñòü Tapo P410M çàêëþ÷àåòñÿ â òîì, ÷òî îíà ðàññ÷èòàíà íà ðàáîòó â ñëîæíûõ êëèìàòè÷åñêèõ óñëîâèÿõ. Óñòðîéñòâî ôóíêöèîíèðóåò ïðè òåìïåðàòóðå îò -20 äî +50 °C è çàùèùåíî îò äîæäÿ, âëàãè è ïûëè ïî ñòàíäàðòó IP54. Áëàãîäàðÿ ýòîìó ðîçåòêà áåçîïàñíî èñïîëüçóåòñÿ íà îòêðûòîì âîçäóõå, áóäü òî âíóòðåííèé äâîð, ñàäîâàÿ çîíà èëè íàðóæíîå îñâåùåíèå âîçëå äîìà.
Êîìïàíèÿ TP-Link òàêæå àêöåíòèðîâàëà âíèìàíèå íà óäîáñòâå ïîäêëþ÷åíèÿ. Ðîçåòêà ïîääåðæèâàåò Wi-Fi 2,4 ÃÃö è Bluetooth LE, ÷òî èçáàâëÿåò îò íåîáõîäèìîñòè ïîêóïàòü îòäåëüíûé õàá. Íàñòðîéêà âûïîëíÿåòñÿ ÷åðåç ôèðìåííîå ïðèëîæåíèå Tapo èëè ñ èñïîëüçîâàíèåì QR-êîäà íà êîðïóñå, ÷òî îñîáåííî óäîáíî ïðè óñòàíîâêå â òðóäíîäîñòóïíûõ ìåñòàõ. Ïîñëå ïåðâè÷íîé êîíôèãóðàöèè óïðàâëåíèå óñòðîéñòâîì äîñòóïíî èç ïðèëîæåíèÿ èëè ñ ïîìîùüþ ãîëîñîâûõ ïîìîùíèêîâ A ...>>
Èãðîâîé ìîíèòîð Sony PlayStation Gaming Monitor
24.11.2025
Íà ïðåçåíòàöèè State of Play êîìïàíèÿ Sony ïðåäñòàâèëà óñòðîéñòâî, êîòîðîå ìîæåò èçìåíèòü ïðåäñòàâëåíèÿ î ôèðìåííîé ýêîñèñòåìå PlayStation, - ñâîé ïåðâûé èãðîâîé ìîíèòîð ïîä ýòèì áðåíäîì.
PlayStation Gaming Monitor, êàê îôèöèàëüíî íàçâàëè íîâèíêó, îðèåíòèðîâàí ñðàçó íà äâå àóäèòîðèè: âëàäåëüöåâ êîíñîëåé è ïîëüçîâàòåëåé ÏÊ. Äëÿ êîìïüþòåðíûõ ñèñòåì, âêëþ÷àÿ macOS, ïîääåðæèâàåòñÿ ÷àñòîòà îáíîâëåíèÿ äî 240 Ãö ñ òåõíîëîãèåé ïåðåìåííîé ÷àñòîòû VRR, à äëÿ êîíñîëåé PlayStation 5 è PlayStation 5 Pro ÷àñòîòà îãðàíè÷åíà 120 Ãö, ÷òî ñîîòâåòñòâóåò àðõèòåêòóðå è âîçìîæíîñòÿì ñàìèõ ïðèñòàâîê. Îñíîâó óñòðîéñòâà ñîñòàâëÿåò 27-äþéìîâàÿ IPS-ïàíåëü ñ ðàçðåøåíèåì QHD 2560?1440 ïèêñåëåé, îáåñïå÷èâàþùàÿ âûñîêóþ ÷åòêîñòü è øèðîêèé óãîë îáçîðà.
Îòäåëüíîå âíèìàíèå ïðîäóêöèÿ çàñëóæèëà áëàãîäàðÿ ôóíêöèè, íå âñòðå÷àâøåéñÿ ðàíåå â ìîíèòîðàõ Sony.  íèæíåé ÷àñòè êîðïóñà íàõîäèòñÿ âñòðîåííàÿ âûäâèæíàÿ äîê-ñòàíöèÿ äëÿ áåñïðîâîäíîé çàðÿäêè êîíòðîëëåðîâ DualSense. Òàêîé ïîäõîä ïîçâîëÿåò èçáàâèòüñÿ îò îòäåëüíûõ çàð ...>>
Ñëó÷àéíàÿ íîâîñòü èç Àðõèâà Ãðàôåí íà ïëàòèíîâûõ ïîâåðõíîñòÿõ ïðîòèâîðå÷èò çàêîíó Êóëîíà
01.02.2023
Èññëåäîâàòåëè èç Áàçåëÿ è Òåëü-Àâèâà îáíàðóæèëè, ÷òî òðåíèå ìåíÿåòñÿ ñî ñêîðîñòüþ â êîíêðåòíûõ ãðàôåíîâûõ ñòðóêòóðàõ íà ïëàòèíîâûõ ïîâåðõíîñòÿõ, íàðóøàÿ çàêîí Êóëîíà, óòâåðæäàþùèé, ÷òî òðåíèå íå çàâèñèò îò ñêîðîñòè â ìàêðîìèðå.
Ìàòåðèàëû, èçãîòîâëåííûå èç îòäåëüíûõ àòîìíûõ ñëîåâ, âûñîêî öåíÿò èõ íèçêèå ñâîéñòâà òðåíèÿ, ïîëåçíûå äëÿ óìåíüøåíèÿ òðåíèÿ íà æåñòêèõ äèñêàõ èëè ïîäâèæíûõ ÷àñòÿõ ñïóòíèêîâ èëè êîñìè÷åñêèõ òåëåñêîïîâ. Ãðàôåí, ñîñòîÿùèé èç îäíîãî ñëîÿ àòîìîâ óãëåðîäà, ðàñïîëîæåííûõ êàê ñîòû, ÿâëÿåòñÿ ÿðêèì ïðèìåðîì è ïðîâåðÿåòñÿ íà åãî ïîòåíöèàë â êà÷åñòâå ñìàçî÷íîãî ñëîÿ. Áîëåå ðàííèå èññëåäîâàíèÿ ïîêàçàëè, ÷òî ãðàôåíîâàÿ ëåíòà ìîæåò ñêîëüçèòü ïî çîëîòîé ïîâåðõíîñòè ïî÷òè áåç òðåíèÿ.
Åñëè ãðàôåí íàíåñòè íà ïëàòèíîâóþ ïîâåðõíîñòü, ýòî îêàçûâàåò çíà÷èòåëüíîå âëèÿíèå íà èçìåðÿåìûå ñèëû òðåíèÿ. Òåïåðü ôèçèêè èç Áàçåëüñêîãî è Òåëü-Àâèâñêîãî óíèâåðñèòåòîâ âûÿñíèëè, ÷òî â ýòîì ñëó÷àå òðåíèå çàâèñèò îò ñêîðîñòè, ñ êîòîðîé êîí÷èê àòîìíî-ñèëîâîãî ìèêðîñêîïà ïåðåìåùàåòñÿ ïîïåðåê ïîâåðõíîñòè. Ýòîò âûâîä ñòàë íåîæèäàííîñòüþ, ïîñêîëüêó òðåíèå íå çàâèñèò îò ñêîðîñòè ïî çàêîíó Êóëîíà, ïðèìåíÿåìîãî â ìàêðîìèðå.
 ñî÷åòàíèè ñ ïëàòèíîâîé ïîäëîæêîé ãðàôåí áîëüøå íå îáðàçóåò òîëüêî øåñòèóãîëüíóþ ñîòîâóþ ñòðóêòóðó àòîìîâ óãëåðîäà, à îáðàçóåò ñâåðõñòðóêòóðû, èçâåñòíûå êàê ñâåðõðåøåòêè Ìóàðà. Òîãäà ïîâåðõíîñòü óæå íå ÿâëÿåòñÿ àáñîëþòíî ïëîñêîé è èìååò îïðåäåëåííóþ ñòåïåíü øåðîõîâàòîñòè.
"Åñëè ìû ïåðåìåñòèì íàêîíå÷íèê ÀÑÌ ïî ýòîé ñëåãêà ãîôðèðîâàííîé ïîâåðõíîñòè íà íèçêîé ñêîðîñòè, ìû èçìåðÿåì ñëàáóþ è ïî÷òè ïîñòîÿííóþ ñèëó òðåíèÿ", - îáúÿñíÿåò ïðîôåññîð Ýðíñò Ìàéåð èç Øâåéöàðñêîãî èíñòèòóòà íàíîíàóêè è ôàêóëüòåòà ôèçèêè Áàçåëüñêîãî óíèâåðñèòåòà. "Íî âûøå îïðåäåëåííîãî ïîðîãà òðåíèå ðàñòåò ñî ñêîðîñòüþ íàêîíå÷íèêà AFM", - äîáàâëÿåò ïåðâûé àâòîð äîêòîð Éèìèí Ñîíã. "×åì áîëüøå íàäñòðîéêà ìóàðà, òåì íèæå ïîðîã, ïðè êîòîðîì òðåíèå ñòàíîâèòñÿ çàâèñèìûì îò ñêîðîñòè".
Èññëåäîâàòåëè îáíàðóæèëè, ÷òî íà õðåáòàõ ñâåðõñòðóêòóð ìóàðà ñóùåñòâóåò áîëüøåå ñîïðîòèâëåíèå ïðè äâèæåíèè êîí÷èêà. Ýòè ãðåáíè èñïûòûâàþò óïðóãóþ äåôîðìàöèþ ÷åðåç òîëêàþùèé êîí÷èê, ïðåæäå ÷åì ñíîâà ðàññëàáèòüñÿ, êîãäà äàâëåíèå äîñòàòî÷íî âûñîêî. Ýòîò ýôôåêò ïðèâîäèò ê áîëüøèì ñèëàì òðåíèÿ, êîòîðûå óâåëè÷èâàþòñÿ ñî ñêîðîñòüþ êîí÷èêà. Ìîäåëèðîâàíèå è àíàëèòè÷åñêàÿ ìîäåëü ïîäòâåðæäàþò ýêñïåðèìåíòàëüíûå ðåçóëüòàòû, ïîëó÷åííûå ýòîé ìåæäóíàðîäíîé ãðóïïîé èññëåäîâàòåëåé.
|
Äðóãèå èíòåðåñíûå íîâîñòè:
▪ Ïðîçðà÷íûå ÷åëîâå÷åñêèå êëåòêè
▪ Çåëåíàÿ ðåâîëþöèÿ â îêåàíàõ: ðàñöâåò ôèòîïëàíêòîíà
▪ ×àñû óïðàâëÿþò òåëåâèçîðîì
▪ Îáíàðóæåíà ñàìàÿ äðåâíÿÿ ìîëåêóëà âî Âñåëåííîé
▪ Ìîäóëè ôëýø-ïàìÿòè eMMC
Ëåíòà íîâîñòåé íàóêè è òåõíèêè, íîâèíîê ýëåêòðîíèêè
Èíòåðåñíûå ìàòåðèàëû Áåñïëàòíîé òåõíè÷åñêîé áèáëèîòåêè:
▪ ðàçäåë ñàéòà Óçëû ðàäèîëþáèòåëüñêîé òåõíèêè. Ïîäáîðêà ñòàòåé
▪ ñòàòüÿ Àëåêñàíäð Ïîóï. Çíàìåíèòûå àôîðèçìû
▪ ñòàòüÿ Íóæíî ëè ïðèíèìàòü âèòàìèíû? Ïîäðîáíûé îòâåò
▪ ñòàòüÿ Òåëåôîíèñò ìåæäóãîðîäíîé ñâÿçè. Òèïîâàÿ èíñòðóêöèÿ ïî îõðàíå òðóäà
▪ ñòàòüÿ Ìîùíàÿ ñâåòîäèîäíàÿ ëàìïà. Ýíöèêëîïåäèÿ ðàäèîýëåêòðîíèêè è ýëåêòðîòåõíèêè
▪ ñòàòüÿ Ëåòàþùèé ïëàòîê. Ñåêðåò ôîêóñà
Îñòàâüòå ñâîé êîììåíòàðèé ê ýòîé ñòàòüå:
Ãëàâíàÿ ñòðàíèöà | Áèáëèîòåêà | Ñòàòüè | Êàðòà ñàéòà | Îòçûâû î ñàéòå

www.diagram.com.ua
2000-2025