Menu Home

Бесплатная техническая библиотека для любителей и профессионалов Бесплатная техническая библиотека


Универсальный блок защиты АС. Энциклопедия радиоэлектроники и электротехники

Бесплатная техническая библиотека

Энциклопедия радиоэлектроники и электротехники / Акустические системы

Комментарии к статье Комментарии к статье

Универсальный блок защиты АС выполнен на малогабаритных деталях и может быть встроен в любой усилитель, не имеющий подобной защиты. Особенность этого блока - в применении встроенного питания от сети, надежных электромагнитных реле и светодиодной индикации появления постоянного напряжения на выходе усилителя. Устройство обеспечивает стабильную задержку и защиту даже после кратковременного пропадания сетевого напряжения.

Известно, что при подаче питания на усилитель в акустической системе (АС) может возникнуть громкий щелчок (хлопок). Чтобы устранить это явление, необходимо подключать нагрузку к выходу УМЗЧ с некоторой задержкой, достаточной для завершения всех переходных процессов (обычно 1...3 с) [1]. При отключении же питания АС должна отключиться до момента, когда накопительные конденсаторы фильтра питания усилителя заметно разрядятся (более чем на 20 %). В противном случае процесс выключения тоже может создать неприятные призвуки или щелчки.

Представленный модуль реализует функции бесшумного включения и выключения усилителя (фактически АС), а также позволяет защитить НЧ-головки АС при появлении постоянного напряжения на выходе УМЗЧ, связанного с его аварийной работой или выходом из строя.

Технические характеристики

  • Напряжение питания, В .......190...264
  • Напряжение срабатывания защиты, В.......0,6...0,7
  • Время задержки включения/перезапуска, с .......2,5...3
  • Время срабатывания защиты (Uвх = 2 В), с, не более 1,4
  • Время срабатывания защиты (Uвх = 20 В), с, не более 0,25
  • Время выключения модуля, с, не более .......0,25
  • Потребляемая мощность, Вт, не более .......2,5
  • Максимальный коммутируемый ток, А .......12

С реализацией задержки и защиты АС вопросов не возникает. Но как реализовать быстрое отключение АС при пропадании (относительно кратковременном) сетевого напряжения, но достаточном для возникновения переходного процесса и щелчка? Есть два разумных варианта: использование информации о наличии переменного напряжения в одной из существующих вторичных обмоток трансформатора, питающего УМЗЧ (как это реализовано в микросхеме μРС1237 [2]), или использование отдельного трансформатора питания (либо от дополнительной обмотки трансформатора УМЗЧ) для узла защиты. Первый вариант накладывает определенные ограничения, сужая универсальность модуля. Второй же позволяет использовать в питании устройства сглаживающий конденсатор небольшой емкости, благодаря чему блок защиты гарантированно отключит АС быстрее, чем разрядятся конденсаторы в блоке питания УМЗЧ.

Очевидно, что второй вариант - более надежный и простой в реализации, позволяющий подключить модуль практически к любому усилителю. Недостаток такого решения - более высокая стоимость за счет применения дополнительного блока питания, но универсальность и надежность здесь превалируют.

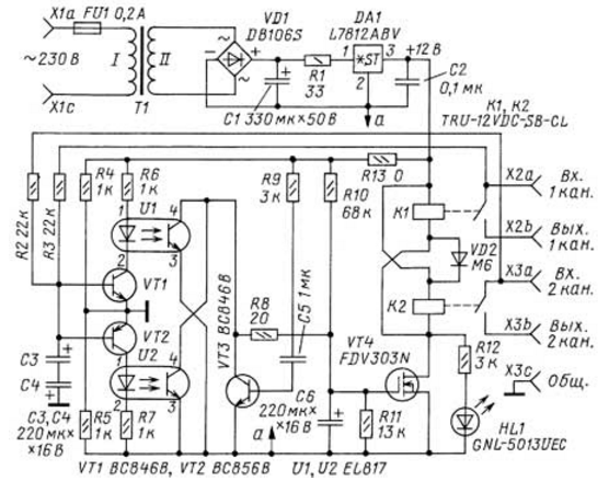
Схема устройства показана на рис. 1. Его входы нужно подключать к выходам каналов стереофонического УМЗЧ, а выходы - к нагрузкам (АС) соответствующих каналов. Общий провод модуля, громкоговорителей АС (или кроссовера) подключают к общему проводу усилителя непосредственно.

Универсальный блок защиты АС
Рис. 1. Схема устройства

При подаче напряжения питания конденсатор C6 медленно заряжается через резистор R10 до 1,9 В (определяется соотношением сопротивления резисторов R10 и R11), что достаточно для открывания транзистора VT4. Срабатывают реле K1, K2, и нагрузка подключается к усилителю.

При возникновении на любом из входов устройства (контакты Х2а, Х3а) постоянного напряжения более ±0,6...0,7 В открывается соответствующий транзистор (VT1 - для напряжения плюсовой полярности, VT2 - минусовой полярности), включая излучающий диод оптопары U1 или U2. Освещенный фототранзистор оптопары через резистор R8 разряжает конденсатор С6, и полевой транзистор VT4 закрывается, обесточивая реле. Свечение светодиода HL1 индицирует отключение АС и неисправность УМЗЧ. Резистор R8 ограничивает ток разрядки конденсатора С6, а резисторный делитель R4R5 обеспечивает искусственную среднюю точку питающего напряжения.

Большинство подобных устройств защиты и задержки включения АС имеют неприятный недостаток - отсутствие задержки при рестарте за короткий промежуток времени после отключения питания. Пример такой ситуации - кратковременное пропадание электричества в сети. Этот недостаток не позволяет получить должного уровня защиты АС и всей аппаратуры в целом, где применен такой узел. Для исключения этого недостатка введены элементы R9, С5, VT3. Эта цепь кратковременно срабатывает при пропадании и появлении напряжения питания, разряжая конденсатор С6, что и обеспечивает нормальный последующий старт узла защиты. Применение полевого транзистора VT4 с пониженным напряжением открывания (примерно 1,5 В) обеспечивает меньшее напряжение заряда С6, причем время рестарта практически равно времени первого включения. При сохранении постоянных времени зарядки-разрядки конденсатора С6 его емкость можно существенно уменьшить, соответственно увеличив сопротивление резисторов R8-R11. Ёмкость конденсатора С1 увеличивать не рекомендуется - она определяет скорость выключения блока защиты.

При номинальном сетевом напряжении 230 В и комнатной температуре 25 оС стабилизатор DA1 нагревается до 50...52 оС. При проверке на максимальном переменном напряжении 274 В (ограничено возможностями ЛАТРа) нагрев стабилизатора составил 64...65 оС - все в пределах нормы. Если исключить резистор R1, то нижняя допустимая граница питания блока упадет до 170 В, но при этом увеличится нагрев DA1 в среднем на 10...12 оС. Понятно, что это изменение целесообразно лишь для местности, где напряжение в сети всегда ниже номинального.

Если представить себе ситуацию, когда оба канала УМЗЧ выходят из строя, и в первом канале на выходе образуется напряжение одной полярности, а на втором - обратной полярности, равное по модулю напряжению на выходе первого канала (с разницей менее 0,6...0,7 В), то после суммирования через резисторы R2 и R3 получится напряжение, которого недостаточно для открывания транзистора VT1 или VT2. То есть система защиты не сработает, и это является недостатком (его можно преодолеть изменением сопротивления одного из этих резисторов на ±10 %). Но вероятность такого события пренебрежимо мала и является скорее примером гипотетического моделирования отказа.

Печатная плата (рис. 2), имеющая размеры 66x45 мм, выполнена на фольгированном стеклотекстолите и рассчитана на установку транзисторов в корпусах SOT-23, резисторов типоразмера 0805 (кроме резисторов R1 и R13 - 1206), конденсаторов C2, C5 типоразмера 0805 и диода VD2 в корпусе SMA. На фото рис. 3 показана смонтированная плата со стороны пайки деталей поверхностного монтажа.

Универсальный блок защиты АС
Рис. 2. Печатная плата 

Универсальный блок защиты АС
Рис. 3. Смонтированная плата со стороны пайки деталей поверхностного монтажа

В качестве T1 применен маломощный трансформатор ТПК-2 с вторичной обмоткой на 12 В. Диодный мост может быть любой из серий DB103S-DB107S или MB2S-MB6S, для чего на печатной плате предусмотрены два посадочных места. Диод VD2 - любой с прямым током 1 А и обратным допустимым напряжением не менее 200 В.

Обмотки реле должны быть на ток потребления не более 30 мА (повышенной чувствительности) при напряжении 12 В. Можно было бы использовать одно реле с двумя парами контактов, но автору не удалось найти такого на коммутируемый ток более 8...10 А. Достоинство указанных на схеме реле TRU-12VDC-SB-CL в том, что они имеют на контактах напыление AgCdO (серебро-окись кадмия), устойчивое к механическому износу, и максимальный коммутируемый ток 12 А. Заменить их можно более доступными реле SRD (T73) 12VDС-L-S-С фирмы SONGLE, допускающими ток коммутации до 10 А.

Оптопары U1, U2 можно применить практически любые с соответствующей структурой, например, PS2501, PC817. Светодиод HL1 - любой, желательно красного цвета свечения, например, из серии АЛ307 или иные.

Транзисторы VT1-VT3 могут быть заменены любыми другими маломощными транзисторами соответствующей структуры и типоразмера. Возможно использование MMBT5551, MMBT4401 (VT1, VT3) и MMBT5401, MMBT4403 (VT2).

В качестве замены n-канального полевого транзистора (ПТ) VT4 с низким пороговым напряжением затвора (Gate Threshold Voltage) можно порекомендовать NTR4003N, IRLML2502. Если подобные замены недоступны, то допустимо применить иной n-канальный ПТ с изолированным затвором, ориентируясь на сопротивление открытого канала не более 3...5 Ом, максимальное напряжение сток-исток - не менее 20 В и максимальный ток стока - не менее 300 мА. В этом случае в схему потребуется внести следующие изменения: R8 = 75 Ом, R10 = R11 = 68 кОм, C6 = 47 мкФ на 16 В. Но следует помнить, что время задержки при быстром рестарте немного уменьшится. Так как пороговый уровень включения у различных ПТ может значительно отличаться, то, возможно, потребуется подкорректировать время задержки включения реле подбором пары резисторов R10, R11 из условия их равенства.

Плавкую вставку FU1 можно использовать на ток 0,16 или 0,25 А, например, отечественную ВП4-10 0,2 А, имеющую малые габариты и гибкие выводы для монтажа на плату. Клеммники X1-X3 - серии DG127, XY304 или аналогичные. Как видно из схемы, центральный контакт в X1 не используется. Это сделано для того, чтобы увеличить зазор между проводниками сетевого питания.

Собранное устройство (его фото на рис. 4) не нуждается в налаживании и работает сразу после подачи питания. Его конструкция повторена много раз, и высокая надежность подтверждена длительной эксплуатацией.

Универсальный блок защиты АС
Рис. 4. Собранное устройство

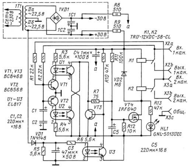
На рис. 5 представлена схема, позволяющая исключить малогабаритный трансформатор. В качестве примера показана упрощенная схема блока питания УМЗЧ с напряжением +/-30 В. При этом немного изменены как схема, так и способ подключения модуля к усилителю.

Универсальный блок защиты АС
Рис. 5. Схема, позволяющая исключить малогабаритный трансформатор

Модуль имеет двухполярное питание через гасящие резисторы R8, R9, поэтому формирование искусственной средней точки не требуется (резисторы R4, R5 на рис. 2). Для большей эффективности реле включены последовательно и добавлен конденсатор (C4) в качестве фильтра питания.

На компонентах VD1, R5, C3 выполнен однополупериодный выпрямитель, напряжение с которого подается на оптопару U3. В исходном состоянии за счет резистора R10 транзистор VT3 находится в режиме насыщения, шунтируя конденсатор С5 до тех пор, пока не появится напряжение на излучающем диоде оптопары U3, после чего VT3 закрывается и С5 начинает медленно заряжаться, открывая транзистор VT4. При этом общее время задержки подключения нагрузки достигает 2...2,5 с.

При выключении усилителя конденсатор С3 быстро разряжается, обесточивая оптопару U3. Транзистор VT3 открывается и разряжает конденсатор C5, вследствие чего отключаются реле с нагрузкой. Таким образом, реализуется механизм быстрого выключения с общим временем не более 0,3...0,5 с.

Последующий старт включения происходит с разряженным конденсатором C5, поэтому, в отличие от схемы на рис. 2, его принудительная разрядка не требуется.

В качестве VT4 можно применить n-канальный ПТ с пороговым напряжением открывания 2...5 В и максимальным током стока не менее 1 А, например, IRF510-IRF540, IRF610-IRF640. Выпрямительный диод VD1 - любой с обратным напряжением не менее 100 В и прямым током от 100 мА: SF12-SF16, 1 N4002-1N4007 и пр. При использовании реле с обмотками, потребляющими ток 50 мА, необходимо изменить номиналы резисторов R8, R9 на 330 Ом.

Примечание. Для повышения надежности работы между базой и эмиттером транзистора VT3 (рис. 1) надо установить резистор сопротивлением 50...100 кОм.

Литература

  1. Атаев Д. И., Болотников В. А. Функциональные узлы усилителей высококачественного звуковоспроизведения. - М.: Радио и связь, 1989, с. 120.
  2. UPC1237. Protector IC for stereo power amplifier. - URL: unisonic.com.tw/datasheet/UPCI 237.pdf

Автор: Н. Вашкалюк

Смотрите другие статьи раздела Акустические системы.

Читайте и пишите полезные комментарии к этой статье.

<< Назад

Последние новости науки и техники, новинки электроники:

Ранняя Вселенная не была ледяной 28.11.2025

Понимание того, как формировались первые структуры во Вселенной, требует взгляда в эпохи, в которых не существовало ни звезд, ни галактик, ни привычных нам источников света. Научные группы по всему миру пытаются восстановить картину тех времен при помощи слабейших радиосигналов, оставшихся от водорода, который наполнял космос вскоре после Большого взрыва. Новые результаты, полученные на радиотелескопе Murchison Widefield Array в Австралии, неожиданным образом меняют представление об этих ранних этапах. Сразу после Большого взрыва, произошедшего около 13,8 миллиарда лет назад, пространство стремительно расширялось и остывало. Через несколько сотен тысяч лет образовался нейтральный водород, и началась так называемая эпоха тьмы, когда Вселенная была лишена источников излучения. Лишь значительно позже гравитация собрала газ в плотные области, где зародились первые звезды и ранние черные дыры, а их интенсивное излучение привело к реионизации водорода и окончательному появлению света. ...>>

Устройство идеальной очистки воздуха 28.11.2025

Качество воздуха в закрытых помещениях давно стало важнейшим фактором здоровья, особенно в городах, где люди проводят подавляющую часть времени внутри зданий. В последние годы исследователи уделяют все больше внимания именно тем технологиям, которые способны задерживать или разрушать вредоносные частицы до того, как они попадут в дыхательные пути человека. Одним из таких новаторских направлений стала разработка инженеров Университета Британской Колумбии в Оканагане, которые предложили принципиально иной подход к очистке воздуха в присутствии людей. По словам профессора Школы инженерии доктора Санни Ли, традиционные персонализированные вентиляционные системы действительно могут улучшать качество воздуха вокруг пользователя, однако их принцип работы имеет ряд ограничений. Человек вынужден находиться в строго определенной зоне, а одновременное использование одной системы несколькими людьми снижает эффективность. Кроме того, непрерывный поток сухого очищенного воздуха способен вызывать ...>>

Ощущение текстуры через экран гаджета 27.11.2025

Гаджеты научились передавать изображение и звук с впечатляющей реалистичностью, но тактильные ощущения по-прежнему остаются недоступными для полноценной цифровой симуляции. Именно поэтому инженеры и исследователи во всем мире стремятся создать технологии, которые позволят "почувствовать" виртуальный объект так же естественно, как и настоящий. Новая разработка специалистов Северо-Западного университета США стала одним из самых заметных шагов в этом направлении. Возглавлявшая исследование аспирантка Сильвия Тан (Sylvia Tan) подчеркивает, что прикосновение остается последним фундаментальным чувственным каналом, для которого пока нет зрелого цифрового аналога. По ее словам, если визуальные и звуковые интерфейсы давно обеспечивают высокую степень реалистичности, то осязание лишь начинает приближаться к этому уровню. В недавней публикации в журнале Science Advances Тан отмечает, что новая технология способна изменить само представление о взаимодействии человека с устройствами. Разработ ...>>

Случайная новость из Архива

Выращивание печени непосредственно в организме человека 07.04.2024

Трансплантация печени стала неотъемлемой частью медицинской практики для лечения тяжелых заболеваний этого органа. Однако недостаток донорских органов и осложнения, связанные с хирургическим вмешательством, создают потребность в альтернативных методах лечения. В этом контексте компания LyGenesis представила новаторский подход к восстановлению функции печени, основанный на использовании собственных клеток пациента.

Американская биотехнологическая компания LyGenesis, базирующаяся в Питтсбурге, штат Пенсильвания, запустила клинические испытания своей клеточной терапии. Первому пациенту с острой печеночной недостаточностью были введены донорские клетки в лимфатический узел в верхней части живота.

Проблема нехватки донорских органов для трансплантации остро стоит как в Соединенных Штатах, так и во всем мире. Ожидание подходящего органа может привести к трагическим последствиям, и альтернативные методы лечения становятся все более необходимыми. Метод, предложенный компанией LyGenesis, направлен на создание миниатюрных органов в лимфатических узлах с использованием донорских клеток.

Одним из главных преимуществ этой терапии является возможность использования одного донорского органа для лечения нескольких пациентов. Кроме того, такой подход позволяет использовать ткани, которые ранее считались непригодными для трансплантации.

После успешных экспериментов на животных компания перешла к клиническим испытаниям на людях. Первый пациент уже выписан из больницы и продолжает получать необходимые медикаменты под контролем врачей. Клетки начнут размножаться в лимфатическом узле, формируя структуру, которая сможет выполнять функции печени.

По словам исполнительного директора LyGenesis Майкла Хаффорда, новая печень будет обладать высокой степенью васкуляризации, что позволит ей эффективно фильтровать кровь и поддерживать жизненно важные функции.

Клеточная терапия, предложенная компанией LyGenesis, представляет собой революционный подход к лечению печеночной недостаточности. В случае успеха этот метод не только уменьшит ожидание на трансплантацию печени, но и значительно улучшит результаты лечения для многих пациентов, столкнувшихся с этой тяжелой проблемой.

Другие интересные новости:

▪ Два киви в день спасают от депрессии

▪ Новая система улавливания углекислого газа

▪ Кислота под землей

▪ Пассивное охлаждение автомобильного салона

▪ Вред от ветряков снижен

Лента новостей науки и техники, новинок электроники

 

Интересные материалы Бесплатной технической библиотеки:

▪ раздел сайта Основы безопасной жизнедеятельности (ОБЖД). Подборка статей

▪ статья Барашек в бумажке. Крылатое выражение

▪ статья Что такое ехидна? Подробный ответ

▪ статья Устройства на логических элементах. Радио - начинающим

▪ статья Автосторож на одной микросхеме. Энциклопедия радиоэлектроники и электротехники

▪ статья Громкостной модулятор вращения двигателя. Энциклопедия радиоэлектроники и электротехники

Оставьте свой комментарий к этой статье:

Имя:


E-mail (не обязательно):


Комментарий:





Главная страница | Библиотека | Статьи | Карта сайта | Отзывы о сайте

www.diagram.com.ua

www.diagram.com.ua
2000-2025