Menu Home

Бесплатная техническая библиотека для любителей и профессионалов Бесплатная техническая библиотека


Корректор АЧХ Линквица в маломощных УМЗЧ. Энциклопедия радиоэлектроники и электротехники

Бесплатная техническая библиотека

Энциклопедия радиоэлектроники и электротехники / Усилители мощности транзисторные

Комментарии к статье Комментарии к статье

Акустическое оформление громкоговорителей можно представить как фильтр ВЧ, поэтому наблюдается не только спад амплитудно-частотной характеристики (АЧХ) в области низких частот (от 12 до 24 дБ на октаву), но и соответствующее изменение фазочастотной характеристики (ФЧХ). В зависимости от добротности НЧ-головки в акустическом оформлении, может иметь место выброс на АЧХ (до 6...8 дБ на частоте резонанса головки в акустическом оформлении fc), что приводит к "бубнящему" звучанию.

Применение специального корректора с "зеркальной" относительно АЧХ громкоговорителя характеристикой позволяет не только расширить диапазон частот в области НЧ и убрать "бубнение", но и скорректировать ФЧХ, что благоприятно сказывается на верности воспроизведения звука. Эквивалентная добротность акустической системы (АС) становится близкой к оптимальной, равной 0,71.

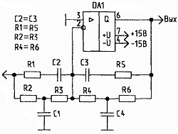
Корректор АЧХ Линквица (рис.1) представляет собой инвертирующий усилитель, охваченный частотно-зависимой ООС с помощью двух двойных неполных Т-мостов - на входе и в цепи ОС. Входной Т-мост настроен на частоту fc, в цепи ОС - на частоту (0,25...0,5)fc.

Корректор АЧХ Линквица в маломощных УМЗЧ
Рис.1. Корректор АЧХ Линквица

Элементы Т-мостов выбраны таким образом, чтобы постоянные времени Корректирующих RC-цепей

τ1 = R1*С2 = R5*C3;
τ2 = R2*С1 = R4*С4

были равны. Коэффициент усиления в области НЧ определяется отношением Kнч = R4/R2. В зависимости от добротности НЧ-головки в акустическом оформлении, значение Kнч меняется в пределах 4,5...15.

Очевидно, что при использовании корректора, УМЗЧ должен иметь соответствующий запас по перегрузке. От резисторов R1 и R5 зависит добротность Т-мостов. Параметры элементов корректора для некоторых значений добротности головки в акустической системе с фазоинвертором (ФИ) приведены в табл.1.

Таблица 1

Добротность головки в АС с ФИ (fc=80 Гц) R1(R5),
кОм
R2(R3),
кОм
R4(R6),
кОм
С1,
нФ
С2(С3),
нФ
С4,
нФ
Нижняя частота АС, Гц
(-ЗдБ)
1,0 18,0 12,2 54,1 566 47 128 0,48*fs
1,2 8,83 13,2 68,6 482 47 108 0,48*fs
1,4 2,32 14,0 61,9 432 47 97,5 0,48*fs
1,6 2,12 12,2 71,5 569 47 96,8 0,41*fs
1,8 2,65 23,8 169 318 22 44,7 0,38*fs
2,0 2,31 21,5 188 391 22 44,5 0,34*fs
2,5 2,79 16,7 242 646 22 44,5 0,26*fs

Номиналы RC-элементов должны быть подобраны с точностью ±1 %. В последней колонке дана нижняя частота громкоговорителя с корректором (относительно резонансной частоты головки fs). Для других значений частоты fc емкости конденсаторов С1...С4 пересчитываются. Например, емкость С1 равна:

С1' = С1*80 / fc

Аналогичным образом пересчитывают и остальные емкости. Можно наоборот, емкости оставить прежними, а пересчитать номиналы резисторов R1...R6.

При добротности головки 1,6 и выше характеристика корректора имеет значительный подъем на частотах 20...30 Гц. Во избежание перегрузки УМЗЧ на инфранизких частотах, на его входе целесообразно поставить дополнительный RC-фильтр первого порядка с частотой среза 30 Гц.

Для понимания работы корректора рассмотрим свойства двойного Т-моста (рис.2а).

Корректор АЧХ Линквица в маломощных УМЗЧ. Двойной Т-мост
Рис.2.a. Двойной Т-мост

Он представляет собой режекторный фильтр с частотой настройки f0:

f0=1 / 2πRC .

Глубина режекции (подавления частоты f0) такого фильтра при работе на высокоомную нагрузку достигает 50 дБ. Неполный двойной Т-мост (рис.2б) имеет ту же частоту настройки, однако добротность фильтра гораздо ниже, и глубина режекции - всего 10 дБ.

Корректор АЧХ Линквица в маломощных УМЗЧ. Неполный двойной Т-мост
Рис.2.б. Неполный двойной Т-мост

Достоинство неполного моста в том, что он позволяет перестраивать частоту настройки фильтра изменением всего одной емкости Сх. Частоту настройки неполного двойного Т-моста определяют по формуле:

f = f0 * n1/2, n = 2 * Cx/C.

Глубина режекции неполного двойного Т-моста для некоторых значений n приведены в табл.2.

Таблица 2

n 0,1 0,125 0,25 0,5 1,0 2 3 4 5 10
Глубина режекции, дБ 1,5 2,0 3,5 6,0 10 14 17 19 21 26

Корректор АЧХ Линквица предназначен в основном для закрытых акустических систем, но его можно использовать и совместно с фазоинвертором.

Для определения добротности АС Qтс И частоты резонанса fc потребуется любой электретный микрофон (например, МЭК-3) и предварительный усилитель с гладкой АЧХ в пределах от 10 до 10000 Гц.

Частоту резонанса fc с точностью 10...15% можно определить следующим образом. Герметизируют корпус АС, плотно закрыв отверстие фазоинвертора. Размещают микрофон в непосредственной близости (на расстоянии 2...З мм) от диффузора НЧ-головки со смещением 2/3 радиуса диффузора от его центральной оси. На АС подают сигнал мощностью 0,1...0,5 Вт. Сигнал с выхода усилителя контролируют вольтметром и осциллографом. Изменяя частоту генератора, строят АЧХ АС от 20 до 500 Гц.

Убеждаются в наличии горба на АЧХ в области fc и спада характеристики с крутизной 12 дБ/окт. ниже этой частоты.

Снимают НЧ-головку и определяют ее частоту основного резонанса в свободном пространстве fs и полную добротность Qтs, например, по методикам, изложенным в [2]. После этого определяют добротность АС по формуле:

Qтс = Qтs * fc / fs .

Вид АЧХ и ФЧХ корректора для Qтс = 1,0 показаны на рис.3, АЧХ для Qтс = 1,4; 1,8; 2,5 - соответственно на рис.4...6.

Корректор АЧХ Линквица в маломощных УМЗЧ
Рис.3.

Корректор АЧХ Линквица в маломощных УМЗЧ
Рис.4.

Корректор АЧХ Линквица в маломощных УМЗЧ
Рис.5.

Корректор АЧХ Линквица в маломощных УМЗЧ
Рис.6.

Чертеж печатной платы размерами 45x49 мм для двухканального корректора показан на рис.7, сборочный чертеж - на рис.8. На плате предусмотрены места для установки неполярных конденсаторов развязки по питанию (на схеме они не показаны). В качестве операционных усилителей можно использовать микросхемы типа К544УД1 или КР140УД608.

Корректор АЧХ Линквица в маломощных УМЗЧ. Печатная плата двухканального корректора
Рис.7. Печатная плата двухканального корректора

Корректор АЧХ Линквица в маломощных УМЗЧ. Сборочный чертеж
Рис.8. Сборочный чертеж

Учитывая, что корректор может иметь усиление на частотах 30...40 Гц от 10 до 15 дБ (3...5 раз), что при использовании в маломощном усилителе приведет к его перегрузке и жесткому ограничению сигнала, необходимо принять меры для уменьшения заметности искажений. Для этой цели в последнее время все чаще используют ограничители сигнала (лимитеры) [3,4].

Возможный вариант адаптивного лимитера показан на рис.9. С помощью резисторов R4 и R5 добиваются плавного симметричного ограничения сигнала, не доходящего до жесткого ограничения при 2...3-кратной перегрузке по входу. Благодаря подключению входного делителя к источнику питания УМЗЧ, плавное ограничение будет сохраняться и при изменении напряжения питания.

Корректор АЧХ Линквица в маломощных УМЗЧ. Адаптивный лимитер
Рис.9. Адаптивный лимитер

Плавность характеристики лимитера зависит от количества диодов и, в некоторой степени, от входных резисторов (чем больше номинал резистора и меньше диодов, тем жестче характеристика ограничения). Диоды желательно подобрать с близкими характеристиками.

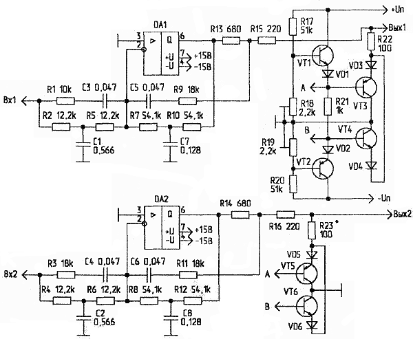
Чертеж печатной платы ограничителя размерами 52x34 мм изображен на рис.10, сборочный чертеж - на рис.11. В качестве VT1 и VT2 можно использовать транзисторы типа КТ502Е, КТ503Е, VT3 и VT4 - любые маломощные комплементарные, например, КТ3102, КТ3107. Диоды - любые маломощные, как кремниевые, так и германиевые.

Корректор АЧХ Линквица в маломощных УМЗЧ. Печатная плата ограничителя
Рис.10. Печатная плата ограничителя

Корректор АЧХ Линквица в маломощных УМЗЧ. Сборочный чертеж
Рис.11. Сборочный чертеж

По сравнению с "жестким" ограничением, при использовании лимитера спектр сигнала обогащается гармониками более низкого порядка. Однако и в этом случае на вершинах сигнала происходит значительное уменьшение СЧ- и ВЧ-составляющих и добавление нечетных гармоник.

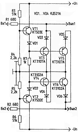
Для уменьшения этого эффекта разработан корректор, совмещенный с лимитером (рис.12).

Корректор АЧХ Линквица в маломощных УМЗЧ. Корректор, совмещенный с лимитером
Рис.12. Корректор, совмещенный с лимитером

Чтобы увеличить плавность ограничения, вместо увеличения количества диодов введены резисторы R22 и R23, а для уменьшения ограничения СЧ- и ВЧ-составляющих последовательные RC-цепи включены в делители R13-R15 (R14-R16). Осциллограммы сигналов частотой 30 Гц (700 мВ) и 1 кГц (175 мВ) с обычным ограничителем (без делителей) и с предлагаемым показаны на рис.13 и 14 соответственно.

Корректор АЧХ Линквица в маломощных УМЗЧ
Рис.13.

Корректор АЧХ Линквица в маломощных УМЗЧ
Рис.14.

На осциллограмме рис.14 по сравнению с рис.13 заметно значительно меньшее подавление сигнала частотой 1 кГц, однако уже появляются фазовые искажения. Поэтому приходится искать компромисс между степенью сохранения СЧ- и ВЧ-составляющих сигнала и дополнительными фазовыми искажениями.

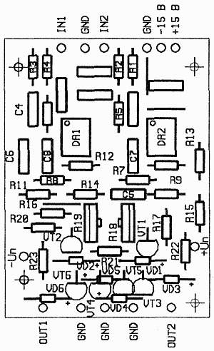
Печатная плата устройства размерами 55x75 мм показана на рис.15, а сборочный чертеж - на рис.16.

Корректор АЧХ Линквица в маломощных УМЗЧ. Печатная плата корректора, совмещенного с лимитером
Рис.15. Печатная плата корректора, совмещенного с лимитером

Корректор АЧХ Линквица в маломощных УМЗЧ. Сборочный чертеж
Рис.16. Сборочный чертеж

Литература

  1. И.Алексеев. Об искажениях частотных характеристик малогабаритных акустических систем и "глубоких басах". - Радиохобби, 2000, N5, С.59.
  2. И.Алдошина, А.Войшвило. Высококачественные акустические системы и излучатели. - М.: Радио и связь, 1985.
  3. А.Петров. Транзисторный УМЗЧ на пути к совершенству. - Радиолюбитель, 1999, N5, С.18.
  4. С.Агеев. Сверхлинейный УМЗЧ с глубокой ООС. - Радио, 1999, N11, С. 14.

Автор: А.Петров, г.Могилев; Публикация: radioradar.net

Смотрите другие статьи раздела Усилители мощности транзисторные.

Читайте и пишите полезные комментарии к этой статье.

<< Назад

Последние новости науки и техники, новинки электроники:

Питомцы как стимулятор разума 06.10.2025

Помимо эмоциональной поддержки, домашние питомцы могут оказывать заметное воздействие на когнитивные процессы, особенно у пожилых людей. Новое масштабное исследование показало, что общение с кошками и собаками не просто улучшает настроение - оно действительно способствует замедлению возрастного снижения умственных способностей. Работа проводилась в рамках проекта Survey of Health, Ageing and Retirement in Europe (SHARE), охватывающего период с 2004 по 2022 год. В исследовании приняли участие тысячи европейцев старше 50 лет. Анализ показал, что владельцы домашних животных демонстрируют более устойчивые когнитивные функции по сравнению с теми, кто не держит питомцев. Особенно выражен эффект оказался у владельцев кошек и собак. Согласно данным ученых, владельцы собак дольше сохраняют хорошую память, в то время как хозяева кошек медленнее теряют способность к быстрому речевому взаимодействию. Исследователи связывают это с тем, что ежедневное взаимодействие с животными требует внимани ...>>

Мини-ПК ExpertCenter PN54-S1 06.10.2025

Компания ASUSTeK Computer презентовала новый мини-компьютер ASUS ExpertCenter PN54-S1. Устройство ориентировано на пользователей, которым важно сочетание производительности, энергоэффективности и универсальности - от офисных задач до мультимедийных проектов. В основе ExpertCenter PN54-S1 лежит современная аппаратная платформа AMD Hawk Point, использующая архитектуру Zen 4. Это поколение чипов отличается улучшенным управлением энергопотреблением и повышенной вычислительной мощностью. Новинка доступна в конфигурациях с процессорами Ryzen 7260, Ryzen 5220 и Ryzen 5210, представленных AMD в начале 2025 года. Таким образом, устройство охватывает широкий диапазон задач - от базовых офисных до ресурсоемких вычислений. Корпус мини-ПК выполнен из прочного алюминия и имеет размеры 130&#215;130&#215;34 мм, что делает его практически незаметным на рабочем столе или за монитором. Несмотря на компактность, внутренняя компоновка позволяет установить два модуля оперативной памяти SO-DIMM ...>>

Глазные капли, возвращающие молодость зрению 05.10.2025

С возрастом человеческий глаз постепенно теряет способность четко видеть на близком расстоянии - развивается пресбиопия, или возрастная дальнозоркость. Этот естественный процесс связан с утратой эластичности хрусталика и ослаблением цилиарной мышцы, отвечающей за фокусировку. Миллионы людей по всему миру сталкиваются с необходимостью носить очки для чтения или прибегают к хирургическим методам коррекции. Однако исследователи из Центра передовых исследований пресбиопии в Буэнос-Айресе представили решение, которое может стать удобной и неинвазивной альтернативой - специальные глазные капли, способные улучшать зрение на длительный срок. Разработку возглавила Джованна Беноцци, директор Центра. По ее словам, цель исследования состояла в том, чтобы предоставить пациентам с пресбиопией эффективный и безопасный способ коррекции зрения без хирургического вмешательства. Новые капли, созданные на основе пилокарпина и диклофенака, показали убедительные результаты: уже через час после первого пр ...>>

Случайная новость из Архива

Опасность исчезновения насекомых 05.04.2020

Насекомые составляют 80% видов живых существ планеты. Да, это с учетом растений. И только 10% из них приносят какой-то вред человеку: распространяют болезни, уничтожают урожай, в конце концов кусаются. Но даже они участвуют в поддержании сетей питания на Земле. Нет насекомых - нет птиц, амфибий и рептилий, которые ими питаются. Соответственно, скоро погибнут и хищные рептилии, птицы млекопитающие, которым без насекомых не выжить. Нет насекомых-опылителей - нет растений. А значит, и всех растительноядных существ, включая веганов. Не важно, что ты ешь - все останутся без еды.

В 1948 году швейцарский химик Пауль Мюллер получил Нобелевскую премию "За открытие высокой эффективности дихлордифенилтрихлорэтана (ДДТ) как контактного яда". Это был первый и единственный случай в истории, когда ученый получил наивысшую награду за открытие пестицида. Но очень быстро ученые разочаровались в грубом пестициде. С одной стороны он предотвратил эпидемию тифа в Неаполе в 1944 году, а согласно статистике ВОЗ, антималярийные кампании с применением ДДТ спасли пять миллионов жизней. Но помимо этого, пестицид разрушал сложные связи в природе, вместе с условно вредными погубил много полезных насекомых, в том числе опылителей. Оказалось, что яд отравляет растения, теплокровных животных и даже человека, но это уже совсем другая история. Как ни парадоксально, проблема борьбы с вредными насекомыми оказалась гораздо сложнее, чем предполагали изначально, и убив разом всех "плохих" насекомых, посыпалась биосфера в целом.

Еду сегодня уже можно синтезировать в пробирке, а растения опылять искусственно, хотя это долго и дорого. Уже существуют роботы-опылители, которые призваны помочь стремительно вымирающим пчелам. Они не заменят естественных опылителей, но помогут оттянуть апокалипсис, по сравнению с которым пандемия COVID-19 покажется детским утренником. И даже теоретически невозможно искусственно опылить все растения, как это делают насекомые. А значит, на планете будет сокращаться растительность и очень скоро нам не будет хватать кислорода.

А что делать с мусором и с трупами? С остатками диких живых существ? Ведь насекомые наряду с грибами, червями и бактериями участвуют в разложении органики и частично неорганики. И делают это быстрее всех вышеперечисленных строителей биосферы. Добавим к этому, что болезни не только продолжат распространяться, но это будет происходить гораздо быстрее.

Можно спорить, что отсутствие насекомых приведет к смене рациона насекомоядных животных и птиц. Однако это длительный процесс который не успеет пройти полностью. Те единичные особи, которые перейдут на растения и мясо также не будут иметь шансов, ибо не будет достаточно растений, а потом и мяса.

Другие интересные новости:

▪ Кристаллы против ядов

▪ Держание за руки синхронизирует мозговые волны и облегчает боль

▪ Сверхмалогабаритная антенна для мобильных телефонов

▪ Рекорд по продолжительности пребывания женщины в космосе

▪ Еда всем на пользу

Лента новостей науки и техники, новинок электроники

 

Интересные материалы Бесплатной технической библиотеки:

▪ раздел сайта Электропитание. Подборка статей

▪ статья Признаки изменения погодных условий. Основы безопасной жизнедеятельности

▪ статья Какие звери самые быстрые? Подробный ответ

▪ статья Специалист по франчайзингу. Должностная инструкция

▪ статья Амперметр переменного тока с линейной шкалой. Энциклопедия радиоэлектроники и электротехники

▪ статья Блок питания для аналоговых и цифровых микросхем. Энциклопедия радиоэлектроники и электротехники

Оставьте свой комментарий к этой статье:

Имя:


E-mail (не обязательно):


Комментарий:





Главная страница | Библиотека | Статьи | Карта сайта | Отзывы о сайте

www.diagram.com.ua

www.diagram.com.ua
2000-2025