Бесплатная техническая библиотека
Ламповый УМЗЧ с глубокой ООС. Энциклопедия радиоэлектроники и электротехники

Энциклопедия радиоэлектроники и электротехники / Усилители мощности ламповые
Комментарии к статье
При конструировании ламповых усилителей мощности звуковой частоты (УМЗЧ) многие авторы используют выходные каскады, работающие в классе А. Аргументируют они свое решение минимальным коэффициентом нелинейных искажений подобных каскадов. Однако каскады, работающие в классе А, имеют достаточно приличный начальный ток анода (рабочая точка лежит на середине линейного участка характеристики лампы). Следовательно, КПД лампы будет весьма низким. Постоянный ток, протекающий через лампу, будет разогревать ее электроды. Если не предусмотреть принудительного охлаждения ламп, то их электроды будут интенсивно разрушаться. Следует отметить, что при построении усилителей класса А с выходной мощностью 10...20 Вт, еще можно создать компактную систему охлаждения. Но если усилитель рассчитывать, например, на 100 Вт, то придется сооружать весьма громоздкий "охладитель".
Поэтому выгоднее использовать более экономичный режим работы ламп в классе В. Недостатком данного режима является повышенный уровень нелинейных искажений. Связано это с тем, что в данном режиме рабочая точка лампы лежит в более нелинейном начальном участке характеристики лампы. При двухтактной схеме включения ламп это вызывает искажения в виде "ступеньки". Существует весьма простой способ компенсации подобных искажений. Для этого усилитель необходимо охватить глубокой отрицательной обратной связью.
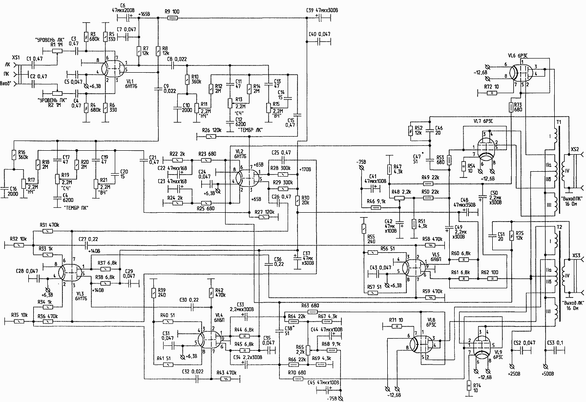
Предлагаемый усилитель питается от двухтрансформаторного источника питания (рис.1). Трансформатор ТЗ обеспечивает питанием анодные цепи всей схемы и сеточные цепи выходных ламп усилителя, Т4 формирует накальные напряжения, напряжения смещения на сетках выходных ламп и напряжение для питания вентиляторов, охлаждающих усилитель. Для уменьшения уровня фона накал ламп предварительного усилителя осуществляется от источника постоянного тока.
Рис. 1. Двухтрансформаторный источник питания
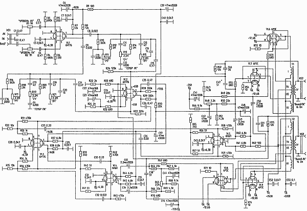
Принципиальная схема усилителя изображена на рис.2. На малогабаритном двойном триоде VL1 собран предварительный усилитель. Уровни входных сигналов регулируются переменными резисторами R1 и R2. Сигналы левого и правого каналов подаются на трехполосные регуляторы тембра. Далее сигналы через компенсирующий усилитель на двойном триоде VL2 поступают на фазоинверторы на двойном триоде VL3. Корректирующие RC-цепи, подключенные к катодам триодов VL2, снижают нелинейные искажения усилителя и предотвращают его самовозбуждение на инфранизких частотах. На анодах VL3 получаются противофазные сигналы, необходимые для работы двухтактных выходных каскадов. Противофазные сигналы "раскачиваются" предварительными усилителями на двойных триодах VL4, VL5 до уровней, необходимых для возбуждения выходных ламп VL6...VL9. Оба тетрода в каждой лампе для увеличения отдаваемой мощности включены параллельно. Нагрузкой ламп служат выходные трансформаторы Т1, Т2.
Рис.2. Принципиальная схема усилителя (нажмите для увеличения)
Параметры усилителя:
| Полоса частот (при неравномерности АЧХ ±1,5 дБ}, Гц
| 20...26000 |
| Чувствительность со входов, мВ
| 250 |
| Входное сопротивление, МОм
| 1 |
| Номинальная выходная мощность, Вт
| 80 |
| Пиковая выходная мощность, Вт
| 120 |
| Коэффициент нелинейных искажений (при выходной мощности 50 Вт), %, не более
| 0,4 |
| Уровень фона 50 Гц, не более, дБ
| 80 |
| Выходное сопротивление, Ом
| 8 |
Трансформаторы согласуют высокое сопротивление ламп с сопротивлением акустических систем.
Усилитель собирается в дюралюминиевом корпусе. Вентиляторы М1 и М2 располагают таким образом, чтобы они обдували выходные лампы. XS1 - гнездо "JACK" или "miniJACK". R1, R2, R11, R13, R15, R17, R19, R21 - любые переменные резисторы подходящего типа. SA1 должен выдерживать ток до 6 А при напряжении питания 220 В. Для Т1 и Т2 используют Ш-образные сердечники с сечением 32x64 мм. Обмотки I, III содержат по 600 витков провода ПЭВТЛ-2 d0,4 мм, а обмотки IIа и IIб - по 100 витков того же провода. Обмотка IV содержит 70 витков провода ПЭВ-2 d1,2 мм. ТЗ и Т4 наматываются на тороидальных сердечниках сечением 65x25 мм (Т3) и 40x25 мм (Т4). Т3 имеет первичную обмотку, состоящую из 600 витков провода ПЭВТЛ-2 d0,8 мм, и вторичную, состоящую из двух обмоток по 570 витков того же провода. Первичная обмотка Т4 состоит из 1600 витков провода ПЭВТЛ-2 d0,31 мм, обмотка II - 500 витков того же провода, III и IV - 52 и 104 витка провода ПЭВТЛ-2 d0,8 мм. Порядок намотки обмоток для Т1 и Т2 показан на рис.3.
Рис.3. Порядок намотки обмоток для Т1 и Т2
Налаживание усилителя начинают с источника питания. Снимают с панелек лампы VL6...VL9 и включают питание. При этом должен загореться HL1, а М1 и М2 должны заработать. Измеряют постоянные выходные напряжения, которые должны отличаться от указанных по схеме не более чем на ±10%. Движки регуляторов громкости устанавливают в крайнее правое, а регуляторов тембра - в среднее положение. Временно отключают цепи ООС (R52, С46, С47, R75, С38, С51). На входы ЛК и ПК подают синусоидальные сигналы частотой 1 кГц и амплитудой 250 мВ. Двухканальным осциллографом контролируют противофазные сигналы на анодах ламп VL4, VL5 (их амплитуды должны быть одинаковыми, а форма неискаженной). Устанавливают на место VL6...VL9, а к выходам подключают либо акустические системы, либо (лучше) эквиваленты нагрузки (резисторы 8 Ом х 150 Вт). На выходе также должен наблюдаться неискаженный сигнал. Восстанавливают цепи ООС. Если усилитель будет самовозбуждаться, следует подобрать емкости С38, С47 или резисторы R52, R75. При этом нельзя сильно уменьшать ООС, поскольку соответственно увеличится коэффициент нелинейных искажений. На этом настройка усилителя заканчивается.
Внимание! В целях правильной эксплуатации усилителя следует помнить, что включение усилителя без нагрузки категорически воспрещается. Несоблюдение данного требования приведет к выходу из строя выходных ламп и трансформаторов.
Автор: В.Федоров; Публикация: radioradar.net
Смотрите другие статьи раздела Усилители мощности ламповые.
Читайте и пишите полезные комментарии к этой статье.
<< Назад
Последние новости науки и техники, новинки электроники:
Стерильного нейтрино не существует
15.01.2026
В физике элементарных частиц поиск новых, пока не обнаруженных объектов играет ключевую роль в понимании устройства Вселенной. Иногда такие поиски приводят к громким открытиям, а иногда - к не менее важным отрицательным результатам, которые позволяют отбросить неверные направления. Именно к таким случаям относится недавний вывод ученых о судьбе стерильного нейтрино - одной из самых интригующих гипотетических частиц последних десятилетий.
Исследователи из американской лаборатории Fermilab официально сообщили, что им не удалось найти доказательства существования стерильного нейтрино. К такому выводу пришла команда эксперимента MicroBooNE после многолетнего анализа столкновений нейтрино, которые ранее рассматривались как возможный намек на существование четвертого типа этих частиц. Предполагалось, что стерильное нейтрино взаимодействует с материей исключительно через гравитацию, что делало его крайне трудным объектом для обнаружения.
В рамках современной физики нейтрино известны в т ...>>
Беспроводные наушники и колонки Fender
15.01.2026
Музыкальная индустрия постепенно адаптируется к цифровым технологиям, и известный производитель музыкальных инструментов Fender расширяет свое присутствие за пределы гитар и усилителей, представляя современные решения для прослушивания музыки. Новые беспроводные наушники и Bluetooth-колонки Fender объединяют богатый звук, модульность и удобство использования как для дома, так и для профессиональной работы.
Флагманской новинкой стали наушники Fender Mix, отличающиеся модульной конструкцией. Динамики подключаются к оголовью через порт USB Type-C и могут быть сняты вместе с амбушюрами, что облегчает уход и транспортировку. Один из динамиков оснащен встроенным адаптером USB Type-C для подключения к источнику звука без потерь, поддерживая кодеки LDHC и Fire, а также функцию Auracast. На другом динамике размещен съемный аккумулятор, который обеспечивает до 100 часов работы без активного шумоподавления; при включении ANC время работы сокращается до 52 часов. Наушники доступны по цене $299 ...>>
Польза белкового завтрака
14.01.2026
Правильное питание по утрам играет ключевую роль в поддержании здоровья и контроле веса. Многочисленные исследования подтверждают, что состав завтрака может влиять на аппетит в течение всего дня и качество употребляемой пищи. Австралийские ученые провели масштабный эксперимент, который показал, что употребление белковой пищи с утра помогает дольше чувствовать сытость и предотвращает переедание.
В исследовании участвовали более 9 тысяч человек среднего возраста 46 лет. В период с 2011 по 2012 год специалисты анализировали рационы респондентов, оценивая долю основных макронутриентов. В среднем участники потребляли 43% углеводов, 31% жиров, 18% белков, 2% клетчатки и 4% алкоголя. Такой рацион позволил ученым проследить взаимосвязь между утренним приемом пищи и пищевым поведением в течение дня.
Выяснилось, что участники, чей завтрак содержал недостаточное количество белка, ощущали повышенный аппетит в течение дня. Они ели больше, чем необходимо, и часто выбирали продукты с высоким со ...>>
Случайная новость из Архива Хлороформ против озона
04.01.2019
Как известно, озоновый слой, который находится на высоте в среднем 20-25 км (в разных широтах - по-разному, где выше, где-то ниже), защищает нас от наиболее опасной части солнечного ультрафиолета. Поэтому, когда оказалось, что озоновый слой истончается, это вызвало большое беспокойство.
Нашли и главного виновника - хлорфторуглероды, которые использовались как хладагенты в холодильниках, пропелленты в аэрозольных баллонах, вспенивающие агенты и пр. Их производство и выброс в атмосферу попытались ограничить в 1987 году Монреальским протоколом, и это помогло - озоновый слой не только перестал разрушаться, но даже начал восстанавливаться.
Однако исследователи из Массачусетского технологического института считают, что радоваться рано: у озонового слоя есть и другие враги, один из которых - хлороформ. Обычно у нас с ним связаны медицинские ассоциации, потому что когда-то его использовали как средство для наркоза, однако у него есть масса применений в промышленности; он нужен, к примеру, при производстве тефлона и охлаждающих агентов. Хлороформ не очень стабилен, его молекулы живут около пяти месяцев. Тем не менее, за такой срок они вполне могут подняться в стратосферу, к озоновому слою: здесь они разрушаются с образованием хлора, который, в свою очередь, разрушает озон.
На самом деле то, что хлороформ разрушает озон, давно не секрет. Однако во времена Монреальского протокола наибольшее беспокойство вызывали стабильные, долгоживущие молекулы хлорфторуглеродов, поэтому вред от короткоживущих соединений, вроде хлороформа, считался чем-то незначительным. Теперь же настал черед обратить внимание и на короткоживущий хлороформ, поскольку его производство в последние годы сильно возросло.
Сюэкунь Фан (Xuekun Fang) и его коллеги проанализировали данные со специальных станций, которые рассеяны по всему миру и которые собирают данные о химическом составе атмосферы с конца 70-х годов прошлого века. Оказалось, что концентрация хлороформа в атмосфере заметно увеличилась с 2010 г. по 2015 г. По сравнению с периодом между 2000 и 2010 гг., когда ежегодно в атмосферу выбрасывалось около 270 килотонн хлороформа, к 2015 году эта цифра доросла до 324 килотонн. Причем в Северном полушарии хлороформа в три раза больше, чем в Южном, и источник его в Северном полушарии - Восточная Азия: станции наблюдения за атмосферой показали, что именно в Восточной Азии хлороформа выбрасывалось больше и чаще, чем в других регионах. А местные тайфуны и муссоны только помогают ему быстрее подняться к озоновому слою.
Впрочем, тут стоит бояться не того, что хлороформ разрушит озоновый слой, а того, что он замедлит его восстановление. Ученые выяснили, что если выбросы хлороформа останутся на уровне 2015 года, то восстановление озонового слоя задержится на несколько месяцев. Если же его количество в атмосфере будет так же расти до 2050 года и дальше, то озоновый слой восстановится с задержкой от четырех до восьми лет.
|
Другие интересные новости:
▪ Новые решения HP для ЦОДов
▪ Пролетая над Венерой
▪ Многофункциональные счетчики/таймеры серии CT от Autonics
▪ U-образная компьютерная клавиатура
▪ Ноутбук Razer x Lambda Tensorbook для разработчиков
Лента новостей науки и техники, новинок электроники
Интересные материалы Бесплатной технической библиотеки:
▪ раздел сайта Эффектные фокусы и их разгадки. Подборка статей
▪ статья Микромельница. Чертеж, описание
▪ статья Сколько лет было самой молодой маме в мире? Подробный ответ
▪ статья Электромонтер связи и радиофикации. Должностная инструкция
▪ статья Изготовление сварочного трансформатора. Энциклопедия радиоэлектроники и электротехники
▪ статья Женщина в воздухе. Секрет фокуса
Оставьте свой комментарий к этой статье:
Главная страница | Библиотека | Статьи | Карта сайта | Отзывы о сайте

www.diagram.com.ua
2000-2026