Menu Home

Бесплатная техническая библиотека для любителей и профессионалов Бесплатная техническая библиотека


Предварительный УЗЧ на микросхемах серии К174. Энциклопедия радиоэлектроники и электротехники

Бесплатная техническая библиотека

Энциклопедия радиоэлектроники и электротехники / Усилители мощности транзисторные

Комментарии к статье Комментарии к статье

Двухканальный предварительный усилитель звуковых частот с тонкомпенсированной электронной регулировкой громкости и тембра по низким и высоким частотам можно построить на специализированных малошумящих микросхемах серии К174. Несложное устройство, о котором пойдет разговор в этой статье, предназначено для модернизации стационарной промышленной аппаратуры 2-й...4-й групп сложности прежних лет выпуска или для установки в аналогичные самодельные аппараты. Применение электронных регулировок позволяет устранить прохождение сигнала через переменные резисторы, устранив тем самым свойственные им шумы, шорохи и искажения, возникающие при недостаточно хорошем контакте токосъемного контакта с резистивным слоем. Кроме того, цепи регулировки становятся нечувствительными к фоновым наводкам сетевой частоты 50 Гц, что позволяет разместить переменные резисторы в любом удобном месте аппарата.

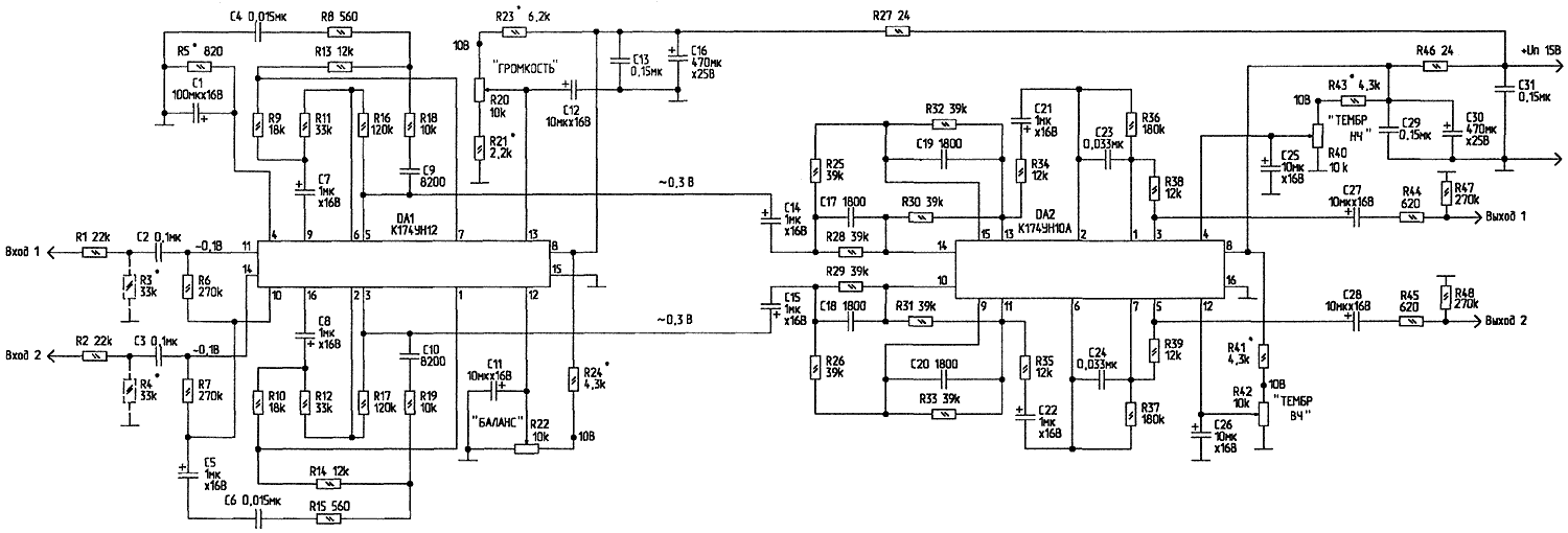
Предварительный УЗЧ на микросхемах серии К174. Принципиальная схема ПУЗЧ
(нажмите для увеличения)

Узел регулировки баланса и регулятор громкости с тонкомпенсацией построены на микросхеме DA1 типа К174УН12 (импортный аналог - ТСА730). Переменное напряжение звуковой частоты через входные резистивные делители напряжения и разделительные конденсаторы С2, C3 поступает на входы микросхемы DA1 (вывод 11 -вход первого канала, вывод 14 - вход второго канала). Коэффициент передачи по напряжению (-60...+18 дБ) для обоих каналов зависит от управляющего напряжения на выводе 13 DA1. Его регулировка производится резистором R20 "Громкость". Баланс каналов регулируется переменным резистором R22. Выходные напряжения при регулировке баланса изменяются на ±8 дБ.

Особенности человеческого слуха таковы, что при снижении уровня громкости чувствительность к низкочастотному и высокочастотному участкам звукового диапазона снижается. Поэтому, чтобы при уменьшении громкости частотное восприятие фонограммы не изменялось, необходимо осуществлять подъем НЧ- и ВЧ-составляющих звука. Для этого и предназначена так называемая тон-компенсация. Ее глубина зависит от значения управляющего напряжения на выводе 4 DA1.

Микросхема DA1 питается однополярным напряжением +15 В через RC-фильтр R27-C16-C13. Особенностью этой микросхемы является то, что при уменьшении напряжения питания ниже 2 В оба ее канала закрываются, что предотвращает появление искаженного, постепенно затихающего звука после отключения питания аппарата.

Электронный регулятор тембра построен на микросхеме DA2 типа К174УН10А, (импортный аналог -ТСА740). Диапазон регулировки тембра по НЧ и ВЧ для каждого канала - не менее ±15 дБ. Коэффициент передачи на частоте 1 кГц при изменении управляющего напряжения на выводах 4 и 12 в диапазоне 1...10 В изменяется не более чем на ±2 дБ. Тембр на низких частотах регулируется переменным резистором R40, на высоких - R42. Выходное напряжение первого и второго каналов снимается соответственно с выводов 3 и 5 DA2. Входное сопротивление подключаемой нагрузки должно быть не менее 22 кОм, что в большинстве случаев легко выполнимо.

Предварительный усилитель звуковой частоты питается стабилизированным напряжением +15±1,5 В и потребляет ток не более 80 мА.

Детали. Постоянные резисторы могут быть типов С2-8, С1-4, С2-14, МЛ Т. Следует учитывать, что резисторы одного типа но меньшей мощности имеют большее напряжение собственных шумов. Переменные резисторы - любого типа, например, СПЗ-30, СПЗ-33, СПЗ-4. Резистор R22 "Баланс" - обязательно с линейной характеристикой (группы "А"). Резистор регулировки громкости R20 - группы "В" или "А". Резисторы регулировки тембра R40, R42 - группы "А".

Оксидные конденсаторы можно взять типов К50-24, К50-35 или их импортные аналоги. Блокировочные конденсаторы С13, С29, С31 -керамические, типов К10-17, КМ-5, КМ-6. Остальные - К73-9, К73-2, К73-17. Конденсаторы С7, С8, С14, С15, С21, С22, по возможности, лучше взять неполярные (пленочные).

Микросхему К174УН10А можно заменить на К174УН10Б, но у последней немного больше уровень шума и гармоник.

Налаживание правильно собранного усилителя рассмотрим на примере его установки в стационарный магнитофон. Оба входа усилителя временно соединяются вместе и подключаются к выходу усилителя воспроизведения или системы шумопонижения. При отсутствии схемы магнитофона нужно найти резистор регулировки громкости и подключить входы усилителя к его движку. Если аппарат имеет цепи регулировки баланса и тембра, то их нужно исключить из схемы прохождения сигнала.

Далее, в магнитофон вставляется пленка с записанным сигналом частотой 1000 Гц и уровнем 0 дБ. Регуляторы громкости, баланса и тембра настраиваемого усилителя устанавливаются в среднее положение. При необходимости, подбирая резисторы R3, R4, на входах 11, 14 DA1 устанавливается напряжение 100...200 мВ. Измеряется напряжение на выходах усилителя. Так как технология производства микросхем не идеальна, а навесные компоненты имеют некоторый разброс, то вполне вероятно, что выходные напряжения каналов будут несколько отличаться одно от другого. Уравнять их можно дополнительным подбором сопротивления одного из резисторов R3 или R4. Установка вместо постоянных резисторов R1, R3 и R2, R4 подстроечных нежелательна, так как снижается надежность, может существенно возрасти уровень шумов. Теперь входы подсоединяются к своим каналам. Резистор R20 устанавливается в нижнее по схеме положение. Резистор R21 подбирается так, чтобы при громкости, близкой к нулевой, незначительное перемещение движка резистора R20 вверх приводило бы к увеличению громкости. Резисторами R23, R24, R41, R43 устанавливается напряжение 9...10 В в соответствующих точках, резистором R5 устанавливается желаемая величина тонкомпенсации. С уменьшением его сопротивления тонкомпенсация увеличивается. Если вместо этого резистора установить переменный сопротивлением 2,2 кОм, то можно будет регулировать глубину тонкомпенсации.

Устройство можно смонтировать на печатной плате размерами 120x50 мм из двустороннего фольгированного стеклотекстолита. Фольга со стороны установки деталей используется как общий провод. Это снижает требования к разводке сигнальных и питающих цепей, что существенно для тех, у кого опыт в конструировании и изготовлении высококачественной звуковоспроизводящей аппаратуры невелик. Если используется односторонний фольгированный материал, то слой фольги служит общим проводом, а все остальные соединения выполняются проводными перемычками.

В зависимости от обстоятельств, вовсе не обязательно собирать рассмотренный усилитель полностью. Если, к примеру, вам нужен только регулятор тембра, то можно собрать соответствующий узел на микросхеме К174УН10 с деталями ее обрамления.

Электронная регулировка режимами работы открывает пути по дальнейшему развитию конструкции. Например, вместо резисторной можно сделать псевдосенсорную кнопочную регулировку громкости и тембра.

Литература

  1. А.В.Нефедов, А.И.Аксенов. Элементы схем бытовой радиоаппаратуры. Микросхемы. Справочник. - М.: Радио и связь, 1995, С.113-118.
  2. Д.И.Атаев, В.А.Болотников. Функциональные узлы усилителей высококачественного звуковоспроизведения. - М.: Радио и связь, 1989, С.121-138.

Автор: А.Бутов, с.Курба; Публикация: radioradar.net

Смотрите другие статьи раздела Усилители мощности транзисторные.

Читайте и пишите полезные комментарии к этой статье.

<< Назад

Последние новости науки и техники, новинки электроники:

Власть является ключевым фактором счастья в отношениях 11.03.2026

Исследования семейных и романтических отношений показывают, что длительное счастье пары зависит не только от привычных факторов, таких как доверие, уважение и преданность, но и от более тонких психологических аспектов. Современные ученые ищут закономерности, которые отличают действительно счастливые пары от остальных, чтобы понять, какие механизмы поддерживают гармонию в отношениях. Группа исследователей из Университета Мартина Лютера в Галле-Виттенберге и Бамбергского университета провела опрос среди 181 пары, которые состояли в совместных отношениях более восьми лет и прожили вместе хотя бы месяц. Участники заполняли анкету, описывая различные аспекты своих отношений, включая распределение обязанностей, эмоциональную поддержку и степень вовлеченности в совместные решения. Анализ данных показал интересный паттерн: пары, где оба партнера ощущали высокий уровень личной власти, оказывались наиболее счастливыми и удовлетворенными. В данном контексте под властью понимается способност ...>>

Защищенная колонка-повербанк Anker Soundcore Boom Go 3i 11.03.2026

Компания Anker представила новую модель линейки Soundcore - колонку Soundcore Boom Go 3i, ориентированную на активное использование на улице. Новинка отличается высокой степенью защиты: корпус соответствует стандарту IP68, что обеспечивает водо- и пыленепроницаемость, а ударопрочный дизайн выдерживает падение с высоты до одного метра. За качество звука отвечает 15-ваттный драйвер, обеспечивающий пик громкости до 92 дБ, а технология BassUp 2.0 усиливает низкие частоты, делая звучание более насыщенным. Колонка обладает автономностью до 24 часов, а LED-индикатор позволяет контролировать уровень заряда батареи. Кроме того, Soundcore Boom Go 3i может выполнять функцию павербанка: согласно внутренним тестам, устройство способно зарядить iPhone 17 с нуля до 40% за один час, что делает его полезным аксессуаром в походах и поездках. Среди функциональных особенностей модели стоит выделить технологию Auracast, которая улучшает подключение и позволяет создавать стереопару из двух колонок ...>>

Раннее воздержание от алкоголя перестраивает мозг и иммунитет 10.03.2026

Алкогольная зависимость - хроническое расстройство с компульсивным употреблением спиртного, которое влияет не только на поведение, но и на функционирование мозга и иммунной системы. Недавние исследования показали, что даже на ранних этапах воздержания организм начинает перестраиваться, открывая новые возможности для терапии зависимости. Ученые сосредоточились на пациентах, находящихся в первые недели абстиненции, и зафиксировали значительные изменения в мозговой активности. С помощью функциональной магнитно-резонансной томографии они выявили перестройку сетей нейронных связей, отвечающих за контроль импульсов и принятие решений. Эти изменения могут быть ключевыми для восстановления самоконтроля и снижения риска рецидива. Одновременно с нейронной перестройкой исследователи наблюдали колебания иммунной системы. В крови повышался уровень цитокинов - сигнальных белков, регулирующих воспалительные процессы. Эти данные свидетельствуют о существовании нейроиммунного взаимодействия, при ...>>

Случайная новость из Архива

Сон защищает от простуды 11.09.2015

Сон иногда называют лекарством от всех болезней, и здесь есть своя правда - недостаток сна ослабляет наши защитные системы, так что у вирусов и бактерий появляется неплохой шанс проникнуть в организм и закрепиться в нем. Однако до сих пор полезные, "здравоохранительные" свойства сна основывались на субъективных свидетельствах, когда человек сам оценивал свое состояние в зависимости от "дозы сна" и сообщал об этом медикам. Такие опросы, безусловно, важны, но для строгих научных выводов определенно недостаточны.

Арику Прейзеру (Aric Prather) из Калифорнийского университета в Сан-Франциско вместе с коллегами из Университета Карнеги - Меллон и Питтсбургского университета удалось получить более объективные доказательства того, что сон помогает противостоять если и не всем болезням, то, по крайней мере, простуде. В течение недели исследователи собирали данные о сне у более чем полутора сотен людей, которым выдавали специальный наручный прибор, регистрировавший движения тела во время сна; кроме того, участники эксперимента также записывали время, когда ложились спать и когда просыпались.

Затем участников эксперимента снабжали назальным спреем с риновирусом, вызывающим простуду, и селили их в гостинице, где они безвылазно жили пять дней. Перед тем, как человек впрыскивал себе в нос раствор вируса, у него брали анализ крови, чтобы определить уровень уже имеющихся антител к инфекции - очевидно, что если их уровень изначально был достаточно высок (то есть иммунная система помнила, что делать с простудой), то и болезнь отступала быстро. Тех, у кого иммунитет и так был готов к встрече с простудой, приходилось выводить из исследования: даже если бы они заболели, то выздоровели бы слишком быстро, и сон тут вряд ли бы сыграл какую-нибудь значительную роль в противостоянии вирусу.

Случилось ли заражение или нет, следили по внешним симптомам (насморк и т. д.) и с помощью специальных тестов. Например, в нос больному закапывали специальный краситель и измеряли время, за которое он дойдет до глотки; если это занимало около 35 минут, значит, дыхательные пути заметно воспалились и отекли, и болезнь, следовательно, находилась на подъеме. Попутно брали пробы слизистой из носа, в которых измеряли концентрацию вируса и антител против него.

Вероятность подхватить простуду сравнивали с тем, как долго человек спит. Качество сна здесь тоже учитывали: если сон был беспокойный, то в общей сложности время сна оказывалось меньше, чем при спокойном сне, даже если оба подопытных ложились в кровать и вставали в одно и то же время. Оказалось, что если ночью спать меньше 5 часов или же 5-6 часов, то вероятность серьезно заболеть простудой будет соответственно в 4,5 и 4,2 раза выше, чем если спать 6-7 часов и более.

Сон, очевидно, как-то помогает иммунитету. Можно предположить, что сон помогает бороться и с другими инфекциями, не только с простудным вирусом, однако, чтобы в этом убедиться, потребуются дополнительные исследования.

Другие интересные новости:

▪ Безопасное топливо не загорается при контакте с огнем

▪ Создается искусственная кровь

▪ Полностью автономный шаттл

▪ Навигация внутри помещений

▪ 16-битные микроконтроллеры Microchip dsPIC33CK64MC

Лента новостей науки и техники, новинок электроники

 

Интересные материалы Бесплатной технической библиотеки:

▪ раздел сайта Применение микросхем. Подборка статей

▪ статья Поступайте с другими так, как вы хотите, чтобы они с вами поступали. Крылатое выражение

▪ статья Какой кинофильм был первым? Подробный ответ

▪ статья Кервель ажурный. Легенды, выращивание, способы применения

▪ статья Расчет усилителей с обратной связью. Энциклопедия радиоэлектроники и электротехники

▪ статья Простое зарядное устройство для Ni-Cd и Ni-MH аккумуляторов. Энциклопедия радиоэлектроники и электротехники

Оставьте свой комментарий к этой статье:

Имя:


E-mail (не обязательно):


Комментарий:





Главная страница | Библиотека | Статьи | Карта сайта | Отзывы о сайте

www.diagram.com.ua

www.diagram.com.ua
2000-2026