Menu Home

Бесплатная техническая библиотека для любителей и профессионалов Бесплатная техническая библиотека


Как звучат CD (домыслы и реальность). Энциклопедия радиоэлектроники и электротехники

Бесплатная техническая библиотека

Энциклопедия радиоэлектроники и электротехники / Аудиотехника

Комментарии к статье Комментарии к статье

На рынке бытовой аудиоаппаратуры прочно утвердился цифровой формат записи звуковых компакт-дисков (КД) Audio CD. В популярной любительской и профессиональной литературе различные авторы неоднократно высказывались по поводу достоинств и недостатков данного формата. В предлагаемой статье, опираясь на свой опыт, попытаюсь рассеять некоторые заблуждения.

В [1] автор указывает на нецелесообразность копирования компакт-кассет с компакт-дисков, ссылаясь при этом на то, что качество звучания КД, по его мнению, можно приравнять к качеству звучания аналоговой звуковоспроизводящей аппаратуры 3-го класса. В этой статье (что весьма интересно) автор поставил под сомнение теорему Шеннона (или, как ее называют в отечественной литературе, теорему Котельникова).

Предположим, что на вход аналого-цифрового преобразователя (АЦП) поступает сигнал с равномерно распределенным спектром в полосе частот от 0 до 20 кГц (рис.1 а). Если осуществлять аналого-цифровое преобразование с частотой дискретизации fg=44,1 кГц (несколько выше, чем по теореме Шеннона), а затем производить обратное цифро-аналоговое преобразование на той же fg, то в спектре аналогового сигнала, претерпевшего указанные преобразования, появятся паразитные полосы с центральными частотами, кратными fg (рис.1б). Упрощенно данное явление можно назвать трансформацией элементарных синусоидальных сигналов в сигналы сложной формы (например, описанный в [1] случай преобразования одиночного синусоидального сигнала 20 кГц в меандр с той же частотой).

Как звучат CD (домыслы и реальность)
Рис.1

Для дальнейшего понимания сути происходящего обратимся к преобразованию гармонических периодических сигналов из временной области в частотную. На рис.2 графически отображен данный процесс. Во временной плоскости UOt построен график периодического сигнала. Если разложить функцию, изображенную на графике, используя дискретное преобразование Фурье (ДПФ), быстрое преобразование Хартли (БПХ) или современное дискретное косинусное преобразование (ДКП) на гармоники, и графически отобразить их амплитуду со сдвигом по частотной оси Of, то можно увидеть, что исходный сигнал в своем спектре содержит две гармоники с амплитудами U1 и U2. На практике временную зависимость амплитуды наблюдают с помощью осциллографов, а частотную - с помощью анализаторов спектра.

Как звучат CD (домыслы и реальность)
Рис.2

Если осуществить ДКП синусоидального и прямоугольного сигналов с частотой 20 кГц при fg=40 кГц, получится результат, изображенный на рис.3 а и б соответственно. Как можно видеть, в спектре прямоугольного сигнала, помимо основной частоты, имеется множество гармоник с частотами, кратными основной, и амплитудами, убывающими с ростом номера гармоники. Используя ФНЧ (т.е. вырезая все "лишние" гармоники), можно из прямоугольного получить синусоидальный сигнал. Обеспечить данный процесс можно как аналоговыми, так и цифровыми методами.

Как звучат CD (домыслы и реальность)
Рис.3

Если теперь, зная, что на выходе ЦАП сигнал из синусоидального становится прямоугольным, т.е. в спектре появляются паразитные полосы (рис.16), использовать ФНЧ с частотой среза fcp=20 кГц, из результирующего сигнала можно удалить все паразитные полосы, кратные fg. Активные ФНЧ п-го порядка обычно имеются во всех проигрывателях компакт-дисков (ПКД), если не прямо в схеме, то в составе интегральных ЦАП.

Паразитные гармоники в сигнале появляются из-за неидеальности АЧХ ФНЧ, включенных на входе и выходе АЦП и ЦАП (рис.4). В результате возникают наложения спектров формируемых ЦАПом сигналов, причем уровень паразитных составляющих тем меньше, чем "круче" АЧХ ФНЧ и больше затухание в его полосе заграждения.

Как звучат CD (домыслы и реальность)
Рис.4

Увеличение fg в 4 или 8 раз относительно частоты Найквиста (верхней частоты сигнала) позволяет несколько раздвинуть составляющие спектра сигнала на выходе ЦАП, однако при этом неоправданно возрастает поток цифровых данных, сократить который средствами стандарта AudioCD нельзя.

Лишь улучшая характеристики ФНЧ до АЦП и после ЦАП, можно бороться с повышением помех, создаваемых боковыми паразитными полосами. Современные ПКД с ФНЧ не ниже 6 порядка относительно успешно справляются с задачей фильтрации сигнала после ЦАП, обеспечивая ослабление паразитных помех не менее 90 дБ. Полоса пропускания каналов звука при этом составляет 20...21600 Гц при неравномерности 5*10-3 дБ. Данные параметры заметно превосходят аналогичные параметры аналоговой звуковоспроизводящей аппаратуры всех классов.

Из вышеописанного можно сделать вывод, что при дискретизации сигнала с fg=2fB необходимо ужесточить требования к ФНЧ на выходе ЦАП ПКД.

В [1] автор также сообщает о компрессии сигнала перед записью на КД, а также об образовании завала частот в записях, произведенных с этих КД, в области 20...200 Гц. Точнее сказать, завал доходит до частоты 1 кГц, считающейся эталонной для техники звуковых частот.

Как следует из теории помехоустойчивости, при передаче сигналов (в т.ч. и звуковых), сигналы, имеющие большие динамический диапазон и полосу частот, перед передачей целесообразно компрессировать, что успешно ввел в обиход на практике американский исследователь Долби. Экспандирование сигнала осуществляется в ПКД по желанию пользователя. Стоит заметить, что в большинстве CD-ROM-драйвов, проигрывающих КД, экспандер фактически отсутствует. Его функцию заменяет ФНЧ, имеющийся в подавляющем большинстве звуковых карт и в активных колонках (кнопка "Bass"), который поднимает уровень басов, но никак не может являться полным аналогом экспандера.

Цифровая часть ПКД имеет возможность как корректировать, так и маскировать ошибки, причем могут исправляться как ошибки, обусловленные плохим качеством самой записи на КД, так и дефектами его поверхности. Однако нельзя переоценивать данную функцию ПКД, поскольку коды, используемые в нем для проверки, исправляют конечное число ошибок, а их количество при эксплуатации КД (механические повреждения), к сожалению, растет. Таким образом, при воспроизведении некачественных КД, особенно прошедших интенсивную эксплуатацию, качество звучания ПКД резко снижается.

В качестве примера приведу такой факт. Трехбитный корректирующий код четырехбитного слова (при коррекции Хэмминга) исправляет не более 1 ошибки. Следовательно, необходимо иметь такую запись, чтобы ошибка встречалась не чаще чем 1 раз на 7 бит информации. Конечно, в ПКД используются более мощные корректирующие коды, однако все равно имеется некоторый предел количества ошибок. Важную роль играют также качество аппаратуры, на которой производится запись КД; качество матрицы, с которой производится тиражирование КД при их массовом производстве; а также условия эксплуатации КД.

Существует мнение, что одно и то же музыкальное произведение, записанное на КД на разной аппаратуре, звучит по-разному. Это действительно так, ввиду того что ПКД пытается исправить (замаскировать) ошибки, возникающие при воспроизведении КД, записанных с помощью некачественной техники.

Схемотехнически процесс возникновения и маскировки ошибок изображен на рис.5. Пусть в моменты t1-t2 и t3-t4 на сигнал воздействует импульсная помеха (рис.5а). Корректирующее устройство отслеживает ее и замещает соседними "непораженными" отсчетами (рис.56), т.е. интерполирует сигнал. Однако если применить ДКП к полученному сигналу и проанализировать его спектр, в нем можно увидеть паразитные полосы. Если с ВЧ-составляющими успешно "борется" ФНЧ на выходе ЦАП, то более низкочастотные помехи накладываются на результирующий сигнал, создавая специфические искажения, особенно заметные при длительных помехах.

Как звучат CD (домыслы и реальность)
Рис.5

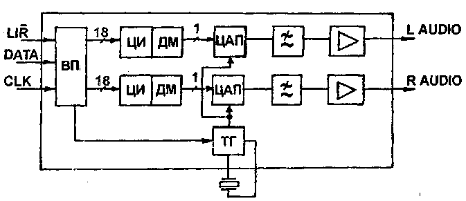
В литературе встречается указание на то, что так называемые "однобитные ЦАП" имеют худшие параметры, чем многобитные. В частности, большее значение фазового дрожания ("джиттера") наблюдается именно у однобитных ЦАП.

На рис.6 изображена функциональная схема однобитного ЦАП CS4328 фирмы Crystal Sem. Последовательные данные (могут быть представлены в 4-х форматах) поступают во входной преобразователь (ВП), преобразующий их в 18-разрядные параллельные потоки двух каналов. Сигналы через цифровые интерполя-торы (ЦИ) поступают на цифровые дельта-модуляторы (ДМ), которые формируют одноразрядные потоки данных с 64-кратной "сверхдискретизацией". Далее сигналы поступают на однобитные ЦАП, ФНЧ шестого порядка, и через буферные усилители подаются на выход схемы.

Как звучат CD (домыслы и реальность)
Рис.6

Поскольку в микросхеме используются более простые и дешевые однобитные ЦАП, стоимость прибора уменьшается при незначительном ухудшении его параметров. Тактовый генератор (ТГ), управляющий ЦАП, синхронизируется с помощью петли ФАПЧ приходящими синхроимпульсами CLK, что снижает уровень джиттера. Фильтр на переключаемых конденсаторах позволяет использовать схему на любых тактовых частотах (т.е. отсутствует необходимость перенастройки ФНЧ). Динамический диапазон микросхемы достигает 93 дБ.

Несомненно, на момент выпуска первых ПКД, устройства данного класса имели характеристики, сопоставимые или превышающие соответствующие характеристики аналоговой звуковоспроизводящей аппаратуры высшего класса. Схемные решения различных фирм-изготовителей отличались разнообразием, что вызвало продвижение на рынок моделей как высокого, так и низкого качества.

Приход на смену CD многопрофильного DVD-диска (звуковой версии) позволяет решить задачу фильтрации паразитных гармоник в спектре выходного сигнала цифровыми методами, а также путем увеличения частоты дискретизации. Поскольку в DVD-технологии используется MPEG-2 Audio-уплотнение данных, т.е. частотно-амплитудное представление сигнала посредством ДКП с последующим сокращением избыточности, появляется возможность эффективной цифровой фильтрации с использованием цифровых сигнальных процессоров.

Емкость однослойного DVD равна 4,7 Гб против 680 Мб КД, что позволяет записывать на DVD большие объемы данных. Однако поскольку в схемных решениях будут использоваться те же электронные приборы (АЦП, ЦАП и пр.), то так же остро будут стоять проблемы с уменьшением джиттера и т.п. Решать их будут фирмы, выпускающие электронные компоненты, путем проектирования более современных и качественных приборов.

На данный же момент ПКД является наиболее полноценной заменой морально устаревшей аналоговой аппаратуры воспроизведения звука.

Литература

1. Скулкин И. О качестве звука на компакт-дисках. - Радиолюбитель, 1998, N1.C.19
2. Золотухин И. и др. Цифровые звуковые магнитофоны. - Т. Радио и связь, 1990.

Автор: В.Федоров, г.Липецк; Публикация: Н. Большаков, rf.atnn.ru

Смотрите другие статьи раздела Аудиотехника.

Читайте и пишите полезные комментарии к этой статье.

<< Назад

Последние новости науки и техники, новинки электроники:

Власть является ключевым фактором счастья в отношениях 11.03.2026

Исследования семейных и романтических отношений показывают, что длительное счастье пары зависит не только от привычных факторов, таких как доверие, уважение и преданность, но и от более тонких психологических аспектов. Современные ученые ищут закономерности, которые отличают действительно счастливые пары от остальных, чтобы понять, какие механизмы поддерживают гармонию в отношениях. Группа исследователей из Университета Мартина Лютера в Галле-Виттенберге и Бамбергского университета провела опрос среди 181 пары, которые состояли в совместных отношениях более восьми лет и прожили вместе хотя бы месяц. Участники заполняли анкету, описывая различные аспекты своих отношений, включая распределение обязанностей, эмоциональную поддержку и степень вовлеченности в совместные решения. Анализ данных показал интересный паттерн: пары, где оба партнера ощущали высокий уровень личной власти, оказывались наиболее счастливыми и удовлетворенными. В данном контексте под властью понимается способност ...>>

Защищенная колонка-повербанк Anker Soundcore Boom Go 3i 11.03.2026

Компания Anker представила новую модель линейки Soundcore - колонку Soundcore Boom Go 3i, ориентированную на активное использование на улице. Новинка отличается высокой степенью защиты: корпус соответствует стандарту IP68, что обеспечивает водо- и пыленепроницаемость, а ударопрочный дизайн выдерживает падение с высоты до одного метра. За качество звука отвечает 15-ваттный драйвер, обеспечивающий пик громкости до 92 дБ, а технология BassUp 2.0 усиливает низкие частоты, делая звучание более насыщенным. Колонка обладает автономностью до 24 часов, а LED-индикатор позволяет контролировать уровень заряда батареи. Кроме того, Soundcore Boom Go 3i может выполнять функцию павербанка: согласно внутренним тестам, устройство способно зарядить iPhone 17 с нуля до 40% за один час, что делает его полезным аксессуаром в походах и поездках. Среди функциональных особенностей модели стоит выделить технологию Auracast, которая улучшает подключение и позволяет создавать стереопару из двух колонок ...>>

Раннее воздержание от алкоголя перестраивает мозг и иммунитет 10.03.2026

Алкогольная зависимость - хроническое расстройство с компульсивным употреблением спиртного, которое влияет не только на поведение, но и на функционирование мозга и иммунной системы. Недавние исследования показали, что даже на ранних этапах воздержания организм начинает перестраиваться, открывая новые возможности для терапии зависимости. Ученые сосредоточились на пациентах, находящихся в первые недели абстиненции, и зафиксировали значительные изменения в мозговой активности. С помощью функциональной магнитно-резонансной томографии они выявили перестройку сетей нейронных связей, отвечающих за контроль импульсов и принятие решений. Эти изменения могут быть ключевыми для восстановления самоконтроля и снижения риска рецидива. Одновременно с нейронной перестройкой исследователи наблюдали колебания иммунной системы. В крови повышался уровень цитокинов - сигнальных белков, регулирующих воспалительные процессы. Эти данные свидетельствуют о существовании нейроиммунного взаимодействия, при ...>>

Случайная новость из Архива

Планшетный компьютер ZenPad C 7.0 09.08.2015

Компания Asus представила ZenPad C 7.0 - новый планшетный компьютер под управлением операционной системы Android 5.0 Lollipop. Новинка имеет экран с диагональю 7 дюймов и выпускается в двух вариантах процессорной платформы, поддерживает голосовые звонки и мобильный интернет 3G в качестве опции.

Планшетный компьютер обладает дизайном с элементами фирменного стиля Asus, отражающего философию Zen. Задняя панель планшета получила оригинальную отделку под тисненую кожу. Благодаря скругленным углам корпуса и нескользящему покрытию планшет удобно держать в руке.

ZenPad C 7.0 доступен в версиях с поддержкой Wi-Fi (Z170C), 3G и функций мобильной телефонии (Z170CG, Z170MG), поэтому каждый пользователь может выбрать устройство, которое будет соответствовать его личным потребностям. ZenPad C 7.0 Z170C и Z170CG оснащаются процессором Atom x3, который обеспечивает высокую производительность, плавное воспроизведение видео и низкое энергопотребление. ZenPad C 7.0 Z170MG оснащается высокоскоростным 64-битным 4-ядерным процессором MTK. Благодаря 2-мегапиксельной основной и 0,3-мегапиксельной фронтальной камерам с технологией Asus PixelMaster пользователь может получать качественные фотографии, а также снимать видеоролики даже в условиях низкой освещенности.

Новый Asus ZenPad C 7.0 оптимизирован под мультимедийные приложения, поэтому он оснащается IPS-экраном с углами обзора до 178 градусов и качественной цветопередачей. Набор технологий Asus VisualMaster, включающий в себя технологии Asus Tru2Life и Asus TruVivid, использует современные процессы обработки изображения и обеспечивает высокое качество картинки.

Так, Asus Tru2Life позволяет автоматически изменять контрастность и резкость картинки, чтобы увеличивать диапазон отображаемых оттенков. В свою очередь, Asus TruVivid представляет собой метод изготовления дисплея, при котором число слоев различных материалов уменьшается с шести до двух, что способствует получению более четкого, яркого и красочного изображения, а также повышает чувствительность сенсорного экрана.

ZenPad C 7.0, как и все представители линейки Asus ZenPad, поддерживает новую технологию DTS-HD Premium Sound, которая преобразовывает стереосигнал в виртуальный многоканальный звук при его воспроизведении через наушники или встроенные динамики планшета.

Другие интересные новости:

▪ Получен новый изотоп фтора

▪ Гибрид утюга с пылесосом

▪ В космос отправят первый деревянный спутник

▪ Создан прототип квантового радара

▪ Зеркало заднего вида с тачскрином и LTE

Лента новостей науки и техники, новинок электроники

Интересные материалы Бесплатной технической библиотеки:

▪ раздел сайта Инфракрасная техника. Подборка статей

▪ статья Гуго Штейнгауз. Знаменитые афоризмы

▪ статья Как долго верблюд может обходиться без воды? Подробный ответ

▪ статья Работа с газонокосилкой. Типовая инструкция по охране труда

▪ статья Генератор тональных импульсов в контрольном стенде. Энциклопедия радиоэлектроники и электротехники

▪ статья УКВ приставка к приемнику прямого усиления. Энциклопедия радиоэлектроники и электротехники

Оставьте свой комментарий к этой статье:

Имя:


E-mail (не обязательно):


Комментарий:





Главная страница | Библиотека | Статьи | Карта сайта | Отзывы о сайте

www.diagram.com.ua

www.diagram.com.ua
2000-2026