Menu Home

Бесплатная техническая библиотека для любителей и профессионалов Бесплатная техническая библиотека


Измеряем КСВ: теория и практика. Энциклопедия радиоэлектроники и электротехники

Бесплатная техническая библиотека

Энциклопедия радиоэлектроники и электротехники / Антенны. Измерения, настройка, согласование

Комментарии к статье Комментарии к статье

Прибор для измерения качества согласования фидера с антенной (КСВ-метр) является непременной составной частью любительской радиостанции. Насколько достоверную информацию о состоянии антенного хозяйства дает такой прибор? Практика показывает, что далеко не все КСВ-метры заводского изготовления обеспечивают высокую точность измерений. В еще большей степени это справедливо, когда речь идет о самодельных конструкциях. В предлагаемой вниманию читателей статье рассматривается КСВ-метр с токовым трансформатором. Приборы такого типа получили широкое распространение как у профессионалов, так и у радиолюбителей. В статье дана теория его работы и проанализированы факторы, влияющие на точность измерений. Завершает ее описание двух несложных практических конструкций КСВ-метров, характеристики которых удовлетворят самого взыскательного радиолюбителя.

Немного теории

Если подключенная к передатчику однородная соединительная линия (фидер) с волновым сопротивлением Zо нагружена на сопротивление Zн≠Zо, то в ней возникают как падающая, так и отраженная волна. Коэффициент отражения г (reflection) в общем виде определяют как отношение амплитуды отраженной от нагрузки волны к амплитуде падающей. Коэффициенты отражения по току г, и по напряжению ru равны отношению соответствующих величин в отраженной и падающих волнах. Фаза отраженного тока (по отношению к падающему) зависит от соотношения между Zн и Zо. Если Zн>Zо, то отраженный ток будет противофазен падающему, а если Zн<Zо, то синфазен. Коэффициент ru имеет такое же значение, как и г„ но знаки у них разные, т. е. фазы противоположные. Из-за этого стоячие волны, которые образуются на линии в результате суммирования падающей и отраженных волн, будут расположены таким образом, что в точке линии с максимумом волны тока будет минимум волны напряжения, и наоборот.

Величину коэффициента отражения r определяют по формуле

где Rн и Хн - соответственно активная и реактивная составляющие нагрузочного сопротивления При чисто активной нагрузке Хн = 0 формула упрощается до r=(Rн-Zо)/(Rн+Zо). Например, если кабель с волновым сопротивлением 50 Ом нагружен резистором сопротивлением 75 Ом, то коэффициент отражения будет r = (75-50)/(75+50) = 0,2.

На рис. 1,а показано распределение напряжения Uл и тока Iл вдоль линии именно для этого случая (потери в линии не учитываются). Масштаб по оси ординат для тока принят в Zо раз больше - при этом у обоих графиков будет одинаковый размер по вертикали. Пунктирная линия - графики напряжения Uло и тока Iло в случае, когда Rн=Zо. Для примера взят участок линии длиной λ. При большей ее длине картина будет циклично повторяться через каждые 0,5λ. В тех точках линии, где фазы падающей и отраженной совпадают, напряжение максимально и равно Uл max -= Uло(1 + r) = Uло( 1 + 0,2) = 1,2Uлo, а в тех, где фазы противоположны, - минимально и равно Uл min = Uло(1 - 0,2) = = 0,8Uло. По определению КСВ = Uл max/ /Uл min=1l2Uло/0I8Uло=1I5.

Измеряем КСВ: теория и практика

Формулы для расчета КСВ и r можно записать и так: КСВ = (1+r)/(1-r) и r = = (КСВ-1)/(КСВ+1). Отметим важный момент - сумма максимального и минимального напряжений Uл max + Uл min = Uло(1 + r) + Uло(1 - r) = 2Uno, а их разность Uл max - Uл min = 2Uлo. По полученным значениям можно рассчитать мощность падающей волны Рпад = Uло2/Zo и мощность отраженной волны Pотр = = (rUло)2/Zo. В нашем случае (для КСВ = 1,5 и r = 0,2) мощность отраженной волны составит всего 4 % от мощности падающей.

Определение КСВ по измерениям распределения напряжения вдоль участка линии в поисках значений Uл max и Uл min широко применялось в прошлом

не только на открытых воздушных линиях, но и в коаксиальных фидерах (преимущественно на УКВ). Для этого использовался измерительный участок фидера, имеющий длинную продольную щель, вдоль которой перемещалась тележка с вставленным в нее зондом - головкой ВЧ вольтметра.

КСВ можно определить, измеряя ток Iл в одном из проводов линии на участке длиной менее 0,5λ. Определив максимальное и минимальное значения, рассчитывают КСВ = Imax/Imin. Для измерения тока применяют преобразователь ток-напряжение в виде токового трансформатора (TT) с нагрузочным резистором, напряжение на котором пропорционально и синфазно измеряемому току. Отметим интересный факт - при определенных параметрах TT на его выходе можно получить напряжение, равное напряжению на линии (между проводниками), т.е. Uтл = IлZo.

На рис. 1,б приведены совместно график изменения Uл вдоль линии и график изменения Uтл. Графики имеют одинаковые амплитуду и форму, но сдвинуты один относительно другого на 0.25Х. Анализ этих кривых показывает, что можно определить г (или КСВ) при одновременном измерении величин Uл и UТЛ в любом месте линии. В местах расположения максимумов и минимумов обеих кривых (точки 1 и 2) это очевидно: отношение этих величин Uл/Uтл (или Uтл/Uл) равно КСВ, сумма равна 2Uло, а разность - 2rUлo. В промежуточных точках Uл и Uтл сдвинуты по фазе, и их нужно складывать уже как векторы, однако приведенные выше соотношения сохраняются, так как отраженная волна напряжения всегда обратна по фазе отраженной волне тока, а rUлo = rUтлo.

Следовательно, прибор, содержащий вольтметр, калиброванный преобразователь ток-напряжение и схему сложения-вычитания, позволит определить такие параметры линии, как r или КСВ, а также Рпад и Ротр при включении его в любом месте линии.

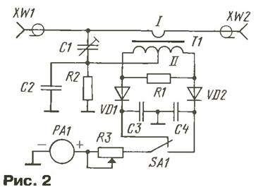
Первые сведения об устройствах такого рода относятся к 1943 г и воспроизведены в [1]. Первые известные автору практические устройства были описаны в [2, 3]. Вариант схемы, взятый за основу, показан на рис. 2. Устройство содержало:

  • датчик напряжения - емкостный делитель на С1 и С2 с выходным напряжением Uc, значительно меньшим, чем напряжение на линии Uл. Отношение р = Uc/Uл называется коэффициентом связи;
  • токовый трансформатор Т1, намотанный на карбонильном кольцевом магнитопроводе. Его первичная обмотка имела один виток в виде проводника, проходящего по центру кольца, вторичная - n витков, нагрузка по вторичной обмотке - резистор R1, выходное напряжение - 2Uт. Вторичную обмотку можно выполнить из двух отдельных обмоток с напряжением Uт каждая и со своим нагрузочным резистором, однако конструктивно удобнее сделать одну обмотку с отводом от середины;
  • детекторы на диодах VD1 и VD2, переключатель SA1 и вольтметр на микроамперметре РА1 с добавочными резисторами.

Вторичная обмотка трансформатора Т1 включена таким образом, что при подключении передатчика к левому по схеме разъему, а нагрузки - к правому, на диод VD1 поступает суммарное напряжение Uc + UT, а на диод VD2 - разностное. При подключении к выходу КСВ-метра резистивной эталонной нагрузки с сопротивлением, равным волновому сопротивлению линии, отраженная волна отсутствует и, следовательно, ВЧ напряжение на VD2 может быть нулевым. Это достигается в процессе балансировки прибора уравниванием напряжений UT и Uc с помощью подстроечного конденсатора С1. Как было показано выше, после такой настройки величина разностного напряжения (при Zн≠Zо) будет пропорциональна коэффициенту отражения г. Измерения с реальной нагрузкой производят так. Сначала в показанном на схеме положении переключателя SA1 ("Падающая волна") калибровочным переменным резистором R3 выставляют стрелку прибора на последнее деление шкалы (например, 100 мкА). Затем переключатель SA1 переводят в нижнее по схеме положение ("Отраженная волна") и отсчитывают значение г. Применительно к случаю с RH = 75 Ом прибор должен показать 20 мкА, что соответствует r = 0,2. Величину КСВ определяют по приведенной выше формуле - КСВ = (1 +0,2)/ /(1-0,2) = 1,5 или КСВ = (100+20)/ /(100-20) = 1,5. В этом примере детектор предполагается линейным - в действительности необходимо вводить поправку, учитывающую его нелинейность. При соответствующей калибровке прибор может быть использован для измерения падающей и отраженной мощностей.

Точность КСВ-метра как измерительного прибора зависит от ряда факторов, в первую очередь от точности балансировки прибора в положении SA1 "Отраженная волна" при Rн = Zo. Идеальной балансировке соответствуют напряжения Uс и Uт, равные по величине и строго противоположные по фазе, т. е. их разность (алгебраическая сумма) равна нулю. В реальной конструкции несбалансированный остаток Uост есть всегда. Рассмотрим на примере, как это отражается на конечном результате измерений. Допустим, что при балансировке получились напряжения Uс = 0,5 В и Uт = 0,45 В (т. е. разбаланс 0,05 В, что вполне реально). При нагрузке Rн = 75 Ом в 50-омной линии реально имеем КСВ = 75/50 = 1,5 и r = 0,2, а величина отраженной волны, пересчитанная к внутриприборным уровням, составит rUc= 0,2x0,5 = 0,1 В и rUт = 0,2x0,45 = 0,09 В.

Вновь обратимся к рис. 1,б, кривые на котором приведены для КСВ = 1,5 (кривые Uл и Uтл для линии будут в нашем случае соответствовать Uс и Uт). В точке 1 Uс max = 0,5 + 0,1 =0,6 В, Uт min = 0,45 - 0,09 = 0,36 В и КСВ = 0,6/0,36 = 1,67. В точке 2UTmax = 0,45 + 0,09 = 0,54 В, Ucmin = 0,5 - 0,1 = 0.4 и КСВ = 0,54/0,4 = 1,35. Из этого несложного расчета видно, что в зависимости от места включения такого КСВ-метра в линию с реальным КСВ=1,5 или при изменении длины линии между прибором и нагрузкой могут быть считаны разные значения КСВ - от 1,35 до 1,67!

Что может привести к неточной балансировке?

1. Наличие напряжения отсечки германиевого диода (в нашем случае VD2), при котором он перестает проводить, - примерно 0,05 В. Поэтому при UOCT < 0,05 В прибор РА1 покажет "ноль" и можно допустить ошибку в балансировке. Относительная неточность значительно уменьшится, если поднять в несколько раз напряжения Uc и соответственно UT. Например, при Uc = 2 В и UT = 1,95 В (Uост = 0,05 В) пределы изменения КСВ для приведенного выше примера будут уже только от 1,46 до 1,54.

2. Наличие частотной зависимости напряжений Uc или UT. При этом точная балансировка может быть достигнута не во всем диапазоне рабочих частот. Разберем на примере одну из возможных причин. Допустим, в приборе использован конденсатор делителя С2 емкостью 150 пФ с проволочными выводами диаметром 0,5 мм и длиной по 10 мм каждый. Измеренная индуктивность проволоки такого диаметра длиной 20 мм оказалась равной L = = 0,03 мкГн. На верхней рабочей частоте f = 30 МГц сопротивление конденсатора будет Хс = 1 /2πfС = -j35,4 Ом, суммарное реактивное сопротивление выводов XL = 22πfL = j5,7 Ом. В результате сопротивление нижнего плеча делителя уменьшится до значения -j35,4 + j5f7 = -j29,7 Ом (оно соответствует конденсатору емкостью 177 пФ). В то же время на частотах от 7 МГц и ниже влияние выводов ничтожно. Отсюда вывод - в нижнем плече делителя следует применять безындуктивные конденсаторы с минимальными выводами (например, опорные или проходные) и включение нескольких конденсаторов параллельно. Выводы "верхнего" конденсатора С1 практически не влияют на ситуацию, так как Xс у верхнего конденсатора в несколько десятков раз больше, чем у нижнего. Получить равномерную балансировку во всей рабочей полосе частот можно с помощью оригинального решения, о котором речь пойдет при описании практических конструкций.

3. Влияние паразитных реактивностей приводит к несинфазности напряжений Uc и UT (при ZH = Zo!). Сдвиг фаз на несколько градусов незначительно отражается на их сумме, но сильно ухудшает балансировку. К примеру, если сдвиг фаз составляет всего α = 3° и Uc = UT = 2 В, несбалансированный остаток составит Uост - Ucsinα = 2x0,052 = 0,104 В. Рассмотрим возможные причины такого влияния.

3.1. Влияние реактивности выводов вторичной обмотки. При длине выводов всего по 10 мм на верхней границе KB диапазона их сопротивление XL=j5,7 Ом (см. предыдущий пример) и фаза тока во вторичной цепи Т1 будет по отношению к току в линии (и напряжению Uc) сдвинута на угол α = arctg(XL/R1). Здесь R1 - сопротивление нагрузки трансформатора, которое обычно лежит в пределах от 10 до 100 Ом. Для крайних значений получаем α = arctg(5,7/10) = 30° (!) и α = arctg(5,7/100) - 3°. В действительности во вторичной цепи паразитная индуктивность может быть еще больше из-за наличия индуктивности рассеяния Т1 и индуктивности выводов R1. Отметим, что хотя полное сопротивление вторичной цепи на верхних частотах возрастает, напряжение UT, снимаемое непосредственно с R1, остается неизменным (свойство токового трансформатора см. ниже).

3.2. Индуктивное сопротивление вторичной обмотки Т1 на нижних частотах рабочего диапазона (~1,8 МГц) может ощутимо шунтировать R1, что приведет к уменьшению UT и его фазовому сдвигу.

3.3. Сопротивление R2 - часть детекторной цепи. Так как по схеме оно шунтирует С2, на нижних частотах коэффициент деления может получить частотную и фазовую зависимости.

3.4. В схеме рис. 2 детекторы на VD1 или VD2 в открытом состоянии шунтируют своим входным сопротивлением RBX нижнее плечо емкостного делителя на С2, т.е RBX действует так же, как и R2. Влияние RBX незначительно при (R3+R2) более 40 кОм, что требует применения чувствительного индикатора РА1 с током полного отклонения не более 100 мкА и ВЧ напряжения на VD1 не менее 4 В.

Измеряем КСВ: теория и практика

3.5. Входной и выходной разъемы КСВ-метра обычно разнесены на 30...100 мм. На частоте 30 МГц разница фаз напряжений на разъемах составит α= [(0,03... 0,1)/10]360°- 1... 3,5°. Как это может отразиться на работе, продемонстрировано на рис. 3,а и рис. 3,б. Разница схем на этих рисунках только в том, что конденсатор С1 подключен к разным разъемам (Т1 в обоих случаях находится на середине проводника между разъемами).

Измеряем КСВ: теория и практика

В первом случае некомпенсированный остаток можно уменьшить, если скорректировать фазу UOCT с помощью небольшого параллельно включенного конденсатора Ск, а во втором - включением последовательно с R1 небольшой индуктивности Lк в виде проволочной петли. Такой способ нередко применяется как в самодельных, так и "фирменных" КСВ-метрах, но делать это не следует. Чтобы убедиться в этом, достаточно повернуть прибор так, чтобы входной разъем стал выходным. При этом компенсация, которая помогала до поворота, станет вредной - Uoct существенно увеличится. При работе на реальной линии с несогласованной нагрузкой, в зависимости от длины линии, прибор может попасть в такое место на линии, где введенная коррекция "улучшит" реальный КСВ или, наоборот, "ухудшит" его. В любом случае будет неправильный отсчет. Рекомендация - располагать разъемы по возможности ближе друг к другу и использовать оригинальное схемное решение, приведенное ниже.

Для иллюстрации того, как сильно могут повлиять рассмотренные выше причины на достоверность показаний КСВ-метра, на рис. 4 показаны результаты проверки двух приборов заводского изготовления [4]. Проверка заключалась в том, что несогласованная нагрузка с расчетным КСВ = 2,25 устанавливалась на конце линии, состоящей из ряда последовательно соединенных отрезков кабеля с Zо = 50 Ом длиной каждый по λ/8.

Измеряем КСВ: теория и практика

В процессе измерений полная длина линии изменялась от λ/8 до 5/8λ. Проверялись два прибора: недорогой BRAND X (кривая 2) и одна из лучших моделей - BIRD 43 (кривая 3). Кривая 1 показывает истинный КСВ. Как говорится, комментарии излишни.

На рис. 5 приведен график зависимости ошибки измерений от величины коэффициента направленности D (directivity) КСВ-метра [4]. Аналогичные графики для КБВ = 1/КСВ приведены в [5]. Применительно к конструкции рис. 2 этот коэффициент равен отношению напряжений ВЧ на диодах VD1 и VD2 при подключении к выходу КСВ-метра нагрузки Rн = Zо D = 20lg(2Uо/Uост). Таким образом, чем лучше удалось сбалансировать схему (чем меньше Uост), тем выше D. Можно также использовать показания индикатора РА1 - D = 20 х х lg(Iпад/Iотр). однако это значение D будет менее точным из-за нелинейности диодов.

Измеряем КСВ: теория и практика

На графике по горизонтальной оси отложены реальные значения КСВ, а на вертикальной - измеренные с учетом ошибки в зависимости от величины D КСВ-метра. Пунктиром показан пример - реальный КСВ = 2, прибор с D = 20 дБ даст показания 1,5 или 2,5, а при D = 40 дБ - соответственно 1,9 или 2,1.

Как следует из литературных данных [2, 3], КСВ-метр по схеме рис. 2 имеет D - 20 дБ. Это значит, что без существенной коррекции он не может применяться для точных измерений.

Вторая по важности причина неправильных показаний КСВ-метра связана с нелинейностью вольт-амперной характеристики детекторных диодов. Это приводит к зависимости показаний от уровня подаваемой мощности, особенно в начальной части шкалы индикатора РА1. В фирменных КСВ-метрах нередко на индикаторе делают две шкалы - для малого и большого уровней мощности.

Трансформатор тока Т1 является важной частью КСВ-метра. Основные его характеристики такие же, как и у более привычного трансформатора напряжения: число витков первичной обмотки n1 и вторичной n2, коэффициент трансформации к = n2/n1, ток вторичной обмотки I2 = l1/к. Отличие состоит в том, что ток через первичную обмотку определяется внешней цепью ( в нашем случае это ток в фидере ) и не зависит от сопротивления нагрузки вторичной обмотки R1, поэтому ток l2 также не зависит от величины сопротивления резистора R1. Например, если по фидеру Zo = 50 Ом передается мощность Р = 100 Вт, ток I1 = √P/Zo= 1,41 А и при к = 20 ток вторичной обмотки будет l2 = I1/к - 0,07 А . Напряжение на выводах вторичной обмотки будет определяться величиной R1: 2UT= l2 х R1 и при R1 = 68 Ом составит 2UT = 4,8 В. Выделяемая на резисторе мощность Р = (2UT)2/R1 = 0,34 Вт. Обратим внимание на особенность токового трансформатора - чем меньше витков во вторичной обмотке, тем больше будет напряжение на ее выводах (при одном и том же R1). Самый тяжелый режим для токового трансформатора - режим холостого хода (R1 = ∞), при этом напряжение на его выходе резко возрастает, магнитопровод насыщается и разогревается настолько, что может разрушиться.

В большинстве случаев в первичной обмотке используют один виток. Этот виток может иметь разные формы, как показано на рис. 6,а и рис. 6,б (они равноценны), а вот обмотка по рис. 6,в - это уже два витка.

Измеряем КСВ: теория и практика

Отдельный вопрос - применение соединенного с корпусом экрана в виде трубки между центральным проводом и вторичной обмоткой. С одной стороны, экран устраняет емкостную связь между обмотками, чем несколько улучшает балансировку разностного сигнала; с другой - в экране возникают вихревые токи, также влияющие на балансировку. Практика показала, что с экраном и без него можно получить примерно одинаковые результаты. Если экран все же используется, длину его следует сделать минимальной, примерно равной ширине примененного магнитопроводом, и соединить с корпусом широким коротким проводником. "Заземление" экрана следует делать на среднюю линию, равноудаленную от обоих разъемов. Для экрана можно использовать латунную трубку диаметром 4 мм от телескопических антенн.

Для КСВ-метров на проходящую мощность до 1 кВт подойдут ферритовые кольцевые магнитопроводы размерами К12x6x4 и даже К10x6x3. Практика показала, что оптимальное число витков п2 = 20. При индуктивности вторичной обмотки 40...60 мкГн получается наибольшая частотная равномерность (допустимая величина - до 200 мкГн). Возможно использование магнитопроводов с проницаемостью от 200 до 1000, при этом желательно выбрать типоразмер, который обеспечит оптимальную индуктивность обмотки.

Можно использовать магнитопроводы и с меньшей проницаемостью, если применить большие типоразмеры, увеличить число витков и/или уменьшить сопротивление R1. Если проницаемость имеющихся магнитопроводов неизвестна, при наличии измерителя индуктивности ее можно определить. Для этого следует намотать десять витков на неизвестном магнитопроводе (витком считается каждое пересечение проводом внутреннего отверстия сердечника), измерить индуктивность катушки L (мкГн) и подставить это значение в формулу μ = 2,5 LDср/S, где Dср - средний диаметр магнитопровода в см; S - сечение сердечника в см2 (пример - у К10x6x3 Dcp = 0,8 см и S = 0,2x0,3 = 0,06 см2).

Если μ магнитопровода известна, индуктивность обмотки из n витков можно рассчитать: L = μn2S/250Dcp.

Применимость магнитопроводов на уровень мощности 1 кВт и более можно проверить и при 100 Вт в фидере. Для этого следует временно установить резистор R1, величиной в 4 раза большей, соответственно напряжение Uт также вырастет в 4 раза, а это эквивалентно возрастанию проходящей мощности в 16 раз. Разогрев магнитопровода можно проверить наощупь (мощность на временном резисторе R1 также вырастет в 4 раза). В реальных условиях мощность на резисторе R1 возрастает пропорционально росту мощности в фидере.

КСВ-метры UT1МА

Две конструкции КСВ-метра UT1MA, о которых пойдет речь ниже, имеют практически одинаковую схему, но разное исполнение. В первом варианте (КМА - 01) высокочастотный датчик и индикаторная часть раздельные. Датчик имеет входной и выходной коаксиальные разъемы и может быть установлен в любом месте фидерного тракта. Он соединен с индикатором трехпроводным кабелем любой длины. Во втором варианте (КМА - 02) оба узла размещены в одном корпусе.

Схема КСВ - метра приведена на рис. 7 и отличается она от базовой схемы рис. 2 наличием трех цепей коррекции.

Измеряем КСВ: теория и практика

Рассмотрим эти отличия.

  1. Верхнее плечо емкостного делителя С1 выполнено из двух одинаковых постоянных конденсаторов С1 = С1' + С1", подключенных соответственно к входному и выходному разъемам. Как отмечалось в первой части статьи, фазы напряжений на этих разъемах несколько различаются, и при таком включении фаза Uc усредняется и сближается с фазой UT. Это улучшает балансировку прибора.
  2. За счет введения катушки L1 сопротивление верхнего плеча емкостного делителя становится частотно-зависимым, что позволяет выровнять балансировку на верхнем краю рабочего диапазона (21...30 МГц).
  3. Подбором резистора R2 (т. е. постоянной времени цепочки R2C2) можно компенсировать разбалансировку, вызванную спадом напряжения UT и его фазовым сдвигом на нижнем краю диапазона (1,8...3,5 МГц).

Кроме того, балансировка осуществляется подстроечным конденсатором, включенным в нижнее плечо делителя. Это упрощает монтаж и позволяет применить маломощный малогабаритный подстроечный конденсатор.

В конструкции предусмотрена возможность измерения мощности падающей и отраженной волн. Для этого переключателем SA2 в цепь индикатора вместо переменного калибровочного резистора R4 вводится подстроечный резистор R5, которым устанавливается нужный предел измеряемой мощности.

Применение оптимальной коррекции и рациональная конструкция прибора позволили получить коэффициент направленности D в пределах 35...45 дБ в полосе частот 1,8...30 МГц.

В КСВ - метрах применены следующие детали.

Вторичная обмотка трансформатора Т1 содержит 2 x 10 витков (намотка в 2 провода) проводом 0,35 ПЭВ, размещенных равномерно на феррито-вом кольце К12 x 6 x 4 проницаемостью около 400 (измеренная индуктивность ~ 90 мкГн).

Резистор R1 - 68 Ом МЛТ, желательно без винтовой канавки на теле резистора. При проходящей мощности менее 250 Вт достаточно установить резистор с мощностью рассеивания 1 Вт, при мощности 500 Вт - 2 Вт. При мощности 1 кВт резистор R1 можно составить из двух параллельно включенных резисторов сопротивлением 130 Ом и мощностью 2 Вт каждый. Впрочем, если КС В - метр проектируется под высокий уровень мощности, есть смысл увеличить в два раза число витков вторичной обмотки Т1 (до 2 x 20 витков). Это позволит в 4 раза уменьшить требуемую мощность рассеивания резистора R1 (при этом конденсатор С2 должен иметь вдвое большую емкость).

Емкость каждого из конденсаторов С Г и С1" может быть в пределах 2,4...3 пФ (КТ, КТК, КД на рабочее напряжение 500 В при Р ≥ 1 кВт и 200...250 В при меньшей мощности). Конденсаторы С2 - на любое напряжение (КТК или другие безындуктивные, один или 2 - 3 параллельно), конденсатор C3 - малогабаритный подстроечный с пределами изменения емкости 3...20 пФ (КПК - М, КТ - 4). Требуемая емкость конденсатора С2 зависит от суммарной величины емкости верхнего плеча емкостного делителя, в которую входит помимо конденсаторов С' + С1" еще и емкость С0 ~ 1 пФ между вторичной обмоткой трансформатора Т1 и центральным проводником. Общая емкость нижнего плеча - С2 плюс C3 при R1 = 68 Ом должна быть примерно в 30 раз больше емкости верхнего. Диоды VD1 и VD2 - Д311, конденсаторы С4, С5 и С6 - емкостью 0,0033... 0,01 мкФ (КМ или другие высокочастотные), индикатор РА1 - М2003 с током полного отклонения 100 мкА, переменный резистор R4 - 150 кОм СП - 4 - 2м, подстроечный резистор R4 - 150 кОм. Резистор R3 имеет сопротивление 10 кОм - он предохраняет индикатор от возможной перегрузки.

Величину корректирующей индуктивности L1 можно определить так. При балансировке прибора (без L1 ) надо отметить положения ротора подстроеч-ного конденсатора C3 на частотах 14 и 29 МГц, затем выпаять его и измерить емкость в обоих отмеченных положениях. Допустим, для верхней частоты емкость оказалась меньше на 5 пФ, а общая емкость нижнего плеча делителя - около 130 пФ, т. е. разница составляет 5/130 или около 4 %. Следовательно, для частотного выравнивания нужно на частоте 29 МГц уменьшить сопротивление верхнего плеча также на ~ 4 %. К примеру, при С1 + С0 = 5 пФ емкостное сопротивление Хс = 1/2πfС - j1100 Ом, соответственно, Xc - j44 Ом и L1 = XL1 / 2πf = = 0,24мкГн.

В авторских приборах катушка L1 имела 8...9 витков проводом ПЭЛШО 0,29. Внутренний диаметр катушки - 5 мм, намотка плотная с последующей пропиткой клеем БФ - 2. Окончательное число витков уточняется после ее установки на место. Первоначально производят балансировку на частоте 14 МГц, затем устанавливают частоту 29 МГц и подбирают такое число витков катушки L1, при котором схема балансируется на обеих частотах при одном и том же положении подстроечника C3.

После достижения хорошей балансировки на средних и верхних частотах устанавливают частоту 1,8 МГц, на место резистора R2 временно впаивают переменный резистор сопротивлением 15...20 кОм и находят значение, при котором UOCT минимально. Значение сопротивления резистора R2 зависит от индуктивности вторичной обмотки Т1 и лежит в пределах 5...20 кОм для ее индуктивности 40...200 мкГн (большие значения сопротивления для большей индуктивности).

В радиолюбительских условиях наиболее часто в индикаторе КСВ-метра используют микроамперметр с линейной шкалой и отсчет ведут по формуле КСВ = (Iпад + Iотр) / (Iпад -Iотр), где I в микроамперах - показания индикатора в режимах "падающая" и "отраженная" соответственно. При этом не учитывается ошибка из-за нелинейности начального участка ВАХ диодов. Проверка с помощью нагрузок разной величины на частоте 7 МГц показала, что при мощности около 100 Вт показания индикатора были в среднем на одно деление (1 мкА) меньше реальных значений, при 25 Вт - меньше на 2,5...3 мкА, а при 10 Вт - на 4 мкА. Отсюда простая рекомендация: для 100-ваттного варианта - заранее сместить начальное (нулевое) положение стрелки прибора на одно деление вверх, а при использовании 10 Вт (например, при настройке антенны) прибавлять к отсчету по шкале е положении "отраженная" еще 4 мкА. Пример - отсчеты "падающая/отраженная" соответственно 100/16 мкА, а правильный КСВ будет (100 + 20) / (100 - 20) = 1,5. При значительной мощности - 500 Вт и более - в указанной коррекции нет необходимости.

Следует заметить, что все типы любительских КСВ-метров (на токовом трансформаторе, мостовые, на направленных ответвителях) дают значения коэффициента отражения r, а величину КСВ затем приходится вычислять. Между тем именно r является основным показателем степени согласования, а КСВ - это показатель производный. Подтверждением сказанного может быть тот факт, что в электросвязи степень согласования характеризуется затуханием несогласованности (тот же r, только в децибелах). В дорогих фирменных приборах также предусмотрен отсчет r под названием return loss (обратные потери).

Это замечание сделано для того, чтобы подчеркнуть следующий факт. В любительских условиях достаточно сложно изготовить шкалу индикатора в величинах КСВ, а вот r можно отсчитывать непосредственно по линейной шкале.

Что будет, если в качестве детекторов применить кремниевые диоды? Если у германиевого диода при комнатной температуре напряжение отсечки, при котором ток через диод всего 0,2...0,3 мкА, составляет около 0,045 В, то у кремниевого уже 0,3 В. Следовательно, чтобы сохранить точность отсчета при переходе на кремниевые диоды, необходимо более чем в 6 раз поднять уровни напряжений Uc и UT (!). В эксперименте, при замене диодов Д311 на КД522 при Р = 100 Вт, нагрузке Zн = 75 Ом и тех же Uc и UT, получились цифры: до замены- 100/19 и КСВ=1,48, после замены - 100/12 и расчетный КСВ=1,27. Применение схемы удвоения на диодах КД522 дало еще худший результат - 100/11 и расчетный КСВ = 1,25.

Корпус датчика в раздельном варианте может быть изготовлен из меди, алюминия или спаян из пластинок двусторонне фольгированного стеклотекстолита толщиной 1,5...2 мм. Эскиз такой конструкции приведен на рис. 8,а.

Измеряем КСВ: теория и практика

Корпус состоит из двух отсеков, в одном друг напротив друга расположены ВЧ разъемы (СР - 50 или SO - 239 с фланцами размерами 25x25 мм ), перемычка из провода диаметром 1,4 мм в полиэтиленовой изоляции диаметром 4,8 мм (от кабеля РК50 - 4), токовый трансформатор Т1, конденсаторы емкостного делителя и компенсационная катушка L1, в другом - резисторы R1, R2, диоды, подстроечный и блокировочные конденсаторы и малогабаритный НЧ разъем. Выводы Т1 минимальной длины. Точка соединения конденсаторов С1' и С1" с катушкой L1 "висит в воздухе", а точка соединения конденсаторов С4 и С5 среднего вывода разъема ХЗ соединена с корпусом прибора.

Перегородки 2, 3 и 5 имеют одинаковые размеры. В перегородке 2 отверстий нет, а в перегородке 5 отверстие делают под конкретный НЧ разъем, через который будет подключаться индикаторный блок. В средней перемычке 3 (рис. 8,б) вокруг трех отверстий с обеих сторон выбирают фольгу, а в отверстия устанавливают три проходных проводника (например, латунные винты М2 и МЗ). Эскизы боковин 1 и 4 приведены на рис. 8,в. Пунктирными линиями показаны места соединения перед пайкой, которая для большей прочности и обеспечения электрического контакта производится с обеих сторон.

Конструкция индикаторного блока без особенностей и здесь не рассматривается.

ВЧ датчик второго варианта КСВ - метра монтируется на съемной задней стенке (медь, алюминий, латунь) металлического корпуса КСВ-метра (рис. 9).

Измеряем КСВ: теория и практика

В отличие от первого варианта все детали (кроме Т1 и разъемов XW1 и XW2) смонтированы на печатной плате (рис. 10), туда же припаян НЧ разъем типа межблочных телевизионных.

Измеряем КСВ: теория и практика

Конденсаторы С1' и С1" одним выводом припаяны к контактной площадке на печатной плате, а другими концами - к ВЧ разъемам. Элементы С2, C3 и L1 расположены со стороны фольги. Ограничивающий резистор R3 перенесен на плату (R3' и R3" показаны на схеме пунктиром). Диоды VD1 и VD2 установлены вертикально. Плата крепится к панели между ВЧ разъемами с помощью небольших напаяных уголков из меди толщиной 0,5...1 мм (место пайки показано на рис. 10 пунктиром). Датчик желательно накрыть экраном. Конструкция индикатора - без особенностей.

Для настройки и проверки КСВ - метра необходим образцовый нагрузочный резистор 50 Ом (эквивалент антенны) мощностью 50...100 Вт. Одна из возможных радиолюбительских конструкций показана на рис. 11. В ней используется распространенный резистор ТВО сопротивлением 51 Ом и мощностью рассеивания 60 Вт (прямоугольник размерами 45 x 25 x 180 мм).

Измеряем КСВ: теория и практика

Внутри керамического корпуса резистора находится длинный цилиндрический канал, заполненный резистивным веществом. Резистор должен быть плотно прижат к днищу алюминиевого кожуха. Это улучшает отвод тепла и создает распределенную емкость, улучшающую широко-полосность. С помощью дополнительных резисторов с мощностью рассеивания 2 Вт входное сопротивление нагрузки устанавливают в пределах 49,9...50,1 Ом. С небольшим корректирующим конденсатором на входе (~ 10 пФ) удается на базе этого резистора получить нагрузку с КСВ не хуже 1,05 в полосе частот до 30 МГц. Отличные нагрузки получаются из специальных малогабаритных резисторов типа Р1 - 3 номиналом 49,9 Ом, выдерживающих значительную мощность при использовании внешнего радиатора.

Были проведены сравнительные испытания КСВ-метров разных фирм и приборов, описанных в этой статье. Проверка заключалась в том, что к передатчику с выходной мощностью около 100 Вт через испытуемый 50-омный КСВ - метр подключалась несогласованная нагрузка 75 Ом (эквивалент антенны на мощность 100 Вт заводского изготовления) и производилось два измерения. Одно - при подключении коротким кабелем РК50 длиной 10 см, другое - через кабель РК50 длиной ~ 0,25λ. Чем меньше разброс показаний, тем достовернее прибор.

При частоте 29 МГц получены следующие значения КСВ:

  • DRAKE WH - 7......1,46/1,54
  • DIAMOND SX - 100......1,3/1,7
  • ALAN KW - 220......1,3/1,7
  • ROGER RSM-600......1,35/1,65
  • UT1MA......1,44/1,5

С нагрузкой 50 Ом при любой длине кабелей все приборы "дружно" показывали КСВ < 1,1.

Причину большого разброса показаний RSM - 600 удалось выяснить при его исследовании. В этом приборе в качестве датчика напряжения используется не емкостный делитель, а понижающий трансформатор напряжения с фиксированным коэффициентом трансформации. Это снимает "проблемы" емкостного делителя, но снижает надежность прибора при измерении больших мощностей (предельная мощность RSM - 600 - всего 200/400 Вт). В его схеме нет подстроечного элемента, поэтому резистор нагрузки токового трансформатора должен быть высокой точности (хотя бы 50±0,5 Ом), а реально был использован резистор сопротивлением 47,4 Ом. После его замены на резистор 49,9 Ом результаты измерений стали значительно лучше - 1,48/1,58. Возможно, с этой же причиной связан большой разброс показаний приборов SX - 100 и KW - 220.

Измерение при несогласованной нагрузке с помощью дополнительного четвертьволнового 50 - омного кабеля - надежный способ проверки качества КСВ - метра. Отметим три момента:

  1. Для такой проверки можно использовать и нагрузку 50 Ом, если включить параллельно ее входу конденсатор, например, в виде небольшого отрезка разомкнутого на конце коаксиального кабеля. Подключение удобно произвести через коаксиальный тройниковый переход. Опытные данные - с отрезком РК50 длиной 28 см на частоте 29 МГц, такая комбинированная нагрузка имела КСВ - 1,3, а при длине 79 см - КСВ - - 2,5 (любую нагрузку подключать к КСВ - метру только 50 - омным кабелем).
  2. Реальный КСВ в линии примерно соответствует среднему от двух отсчитанных значений (с добавочным четвертьволновым кабелем и без него).
  3. При измерении реального антенно-фидерного устройства могут возникнуть трудности, связанные с затеканием тока на внешнюю поверхность оплетки кабеля. При наличии такого тока изменение длины фидера снизу может привести к изменению этого тока, что приведет к изменению нагрузки фидера и реального КСВ. Уменьшить влияние внешнего тока можно, свернув входящий в помещение фидер в виде бухты из 15...20 витков диаметром 15...20 см (защитный дроссель).

Литература

  1. D. Lechner, P. Finck. Kurzwellen sender. - Berlin: Militarverlag, 1979.
  2. W.B. Bruene- An Inside Pictures of Directional Wattmeters. - QST, April, 1959.
  3. D. DeMaw. In-Line RF Power Metering. - QST, December, 1969.
  4. W. Orr, S. Cowan. The beam antenna handbook. - RAC, USA, 1993.
  5. Бекетов В., Харченко К. Измерения и испытания при конструировании и регулировке радиолюбительских антенн. - М.: Связь, 1971.

Автор: Э.Гуткин (UT1MA), г.Луганск, Украина

Смотрите другие статьи раздела Антенны. Измерения, настройка, согласование.

Читайте и пишите полезные комментарии к этой статье.

<< Назад

Последние новости науки и техники, новинки электроники:

Оптимальная продолжительность сна 12.11.2025

Сон играет ключевую роль в поддержании здоровья, когнитивных функций и общего самочувствия. Несмотря на широко распространенный стереотип о восьмичасовом сне, последние исследования показывают, что оптимальная продолжительность сна для большинства здоровых взрослых ближе к семи часам. Эволюционный биолог из Гарварда, Дэниел Э. Либерман, утверждает, что традиционная норма восьми часов сна - это скорее культурное наследие индустриальной эпохи, чем биологическая необходимость. По его словам, полевые исследования, проведенные в сообществах, не использующих электричество, показывают, что средняя продолжительность сна составляет 6-7 часов, что значительно отличается от общепринятого стандарта. Современные эпидемиологические данные подтверждают этот взгляд. Исследования выявили так называемую "U-образную кривую" зависимости между продолжительностью сна и рисками для здоровья. Минимальные показатели заболеваемости и смертности наблюдаются именно у людей, спящих около семи часов в сутки. ...>>

Дефицит кислорода усиливает выброс закиси азота 12.11.2025

Парниковые газы играют ключевую роль в изменении климата, а закись азота (N2O) - один из наиболее опасных среди них. Этот газ не только втрое сильнее углекислого газа в удержании тепла, но и разрушает озоновый слой. Недавнее исследование американских ученых показало, что микробы в зонах с низким содержанием кислорода активно производят N2O, усиливая глобальные климатические риски. Команда из Университета Пенсильвании изучала прибрежные воды у Сан-Диего и провела наблюдения на глубинах от 40 до 120 метров в Восточной тропической северной части Тихого океана - одной из крупнейших зон дефицита кислорода. Исследователи сосредоточились на том, как морские микроорганизмы превращают нитраты в закись азота. В ходе работы выяснилось, что существует два пути образования N2O. Один путь начинается с нитрата, другой - с нитрита. На первый взгляд более короткий путь должен быть эффективнее, однако микробы, использующие нитрат, продуцируют больше газа, поскольку этот "сырьевой" источник более д ...>>

Омега-3 помогают молодым кораллам выживать 11.11.2025

Сохранение коралловых рифов становится все более актуальной задачей в условиях глобального изменения климата. Молодые кораллы особенно уязвимы на ранних стадиях развития, когда стрессовые условия и нехватка питательных веществ могут привести к высокой смертности. Недавнее исследование ученых из Технологического университета Сиднея показывает, что специальные пищевые добавки способны существенно повысить выживаемость личинок кораллов. В ходе работы исследователи разработали особый состав "детского питания" для коралловых личинок. В него вошли масла, богатые омега-3 жирными кислотами, а также важные стерины, необходимые для формирования клеточных мембран. Личинки, получавшие эти добавки, развивались быстрее, становились крепче и демонстрировали более высокую устойчивость к стрессовым факторам. Особое внимание ученые уделили липидам. Анализ показал, что личинки активно усваивают эти вещества, что напрямую влияет на их жизнеспособность. Стерины, содержащиеся в корме, повышают устойчи ...>>

Случайная новость из Архива

У пчел есть эмоции и смены настроения 15.10.2016

Пчелы могут испытывать что-то похожее на счастье, после того как получают угощение, которое заставляет их чувствовать себя более оптимистичными.

Мы обычно думаем об эмоциях, как о внутреннем осознании чувства, но в этом вопросе скрыто гораздо больше, говорит Клинт Перри из университета королевы Мэри в Лондоне. Физические изменения и сдвиги в поведении сопровождают ощущения счастья и печали.

Чтобы увидеть, есть ли у пчел схожие паттерны, Перри с коллегами натренировал 24 пчелы так, чтобы насекомые ассоциировали определенные локации и цвета в лаборатории с цилиндрами сахарной или обыкновенной воды. Потом ученые закрыли эти цилиндры, а половине пчел дали воду с высоким содержанием сахара - пчелиный эквивалент шоколада - и замерили время, которое насекомым понадобилось, чтобы забраться в контейнер с отверстием. Он располагался между двумя закрытыми цилиндрами и был выкрашен в средний цвет, чтобы пчелы не знали, есть ли там сахарная вода или нет.

Пчелы, которые получили сахарную дозу быстрее залезали в непонятную среднюю кормушку, словно были настроены оптимистичнее относительно возможности того, что там есть еда. И они не просто действовали более активно из-за прилива энергии. Как пчелы, получившую дозу сахара, так и остальные с одинаковой активностью лезли в контейнер, где точно была еда, и с одинаковой неохотой в цилиндр с простой водой.

Чтобы посмотреть, может ли кусочек сахара убрать негативный опыт, исследователи сымитировали атаку хищника, аккуратно поместив 35 насекомых в ловушку, которая походила на паутину пауков-крабов. Эти пауки часто охотятся на пчел, но те могут от них вырваться. Потом насекомых из ловушки выпустили.

Пчелы, получившие сахар, полетели к кормушке в четыре раза быстрее чем те, которым не дали ничего. Можно предположить, что сладкая еда усиливает позитивные эмоции и помогает оправиться от негативных - прямо как у людей.

После того, как пчелам дали лекарство, блокирующее дофамин, который отвечает у человека за систему поощрения, все эффекты от сахара фактически исчезли. Это предполагает, что пчелы ведут себя в соответствии с настроением, говорит Перри.

Другие интересные новости:

▪ Американский штурмовик на алкогольном топливе

▪ Влияют ли метеориты на климат

▪ Кокосы в консервах

▪ Включение и отключение обжорства

▪ Экологически чистое удобрение на основе фиолетовых морских бактерий

Лента новостей науки и техники, новинок электроники

 

Интересные материалы Бесплатной технической библиотеки:

▪ раздел сайта Опыты по физике. Подборка статей

▪ статья Автоматический сливной клапан электронасоса. Чертеж, описание

▪ статья Сколько падежей в русском языке? Подробный ответ

▪ статья Дикий львиный зев. Легенды, выращивание, способы применения

▪ статья Светодиодный газонный светильник включает электроприборы. Энциклопедия радиоэлектроники и электротехники

▪ статья Монета выпрыгивает из рюмки. Секрет фокуса

Оставьте свой комментарий к этой статье:

Имя:


E-mail (не обязательно):


Комментарий:




Комментарии к статье:

Юрий, jura-2537@ukr.net
Добрый день. Подскажите, пожалуйста, как измерить КСВ у линии длинной равной 1/4 длины волны и определить частоту резонанса? С уважением, Юрий.


Главная страница | Библиотека | Статьи | Карта сайта | Отзывы о сайте

www.diagram.com.ua

www.diagram.com.ua
2000-2025