Бесплатная техническая библиотека
Анализ прибора для измерения импеданса. Энциклопедия радиоэлектроники и электротехники

Энциклопедия радиоэлектроники и электротехники / Антенны. Измерения, настройка, согласование
Комментарии к статье
Прибор представляет собой делитель напряжения, одно плечо которого содержит резистор и конденсатор с известными параметрами, а параметры элементов другого плеча-нагрузки, например, антенны, неизвестны. Делитель питается от источника синусоидального сигнала частотой f. С помощью диодных выпрямителей с емкостными фильтрами, подключенных к элементам делителя, производится измерение падающих на них напряжений. Предполагая, что выпрямители линейны в достаточно широком диапазоне напряжений, можно по измеренным постоянным напряжениям построить векторную диаграмму напряжений.
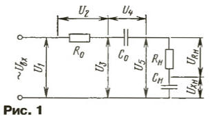
Эквивалентная схема делителя приведена на рис. 1, где RoCo - элементы с известными параметрами; RнСн - элементы нагрузки, параметры которых предстоит определить. Там же показаны напряжения на элементах делителя.

Векторные диаграммы напряжений, полная и частные, приведены на рис. 2.

Эти диаграммы можно описать уравнениями:

Из уравнений (2) и (3) получаем

Таким образом, два последних уравнения необходимы и достаточны для вычисления искомых величин, а первое из них и элемент Rо являются избыточными. Для однозначного решения задачи необходимо лишь, чтобы известный элемент обладал реактивным сопротивлением, что позволит определить знак реактивности неизвестного.
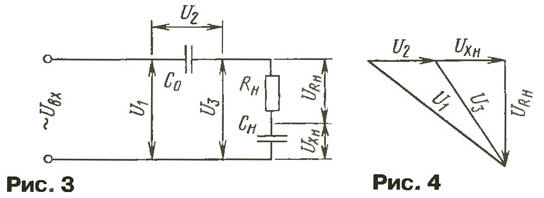
Эквивалентная схема прибора после его упрощения и векторная диаграмма для работы с нагрузкой, содержащей емкостную составляющую, приведены на рис. 3 и 4 соответственно.

Методика работы с упрощенным прибором аналогична работе с его прототипом, необходимо лишь добавить, что найденные по диаграмме величины Urн и Uкн необходимо пересчитать в сопротивления. Пересчет ведется через масштабный коэффициент

Искомые величины находим по формулам

Недостатком графического решения задачи является его большая трудоемкость, невозможность механизации процесса решения.
Значительно удобнее аналитический способ решения, не пробегая к построению векторной диаграммы.
Для этого используются уравнения

описывающие диаграмму рис. 4.
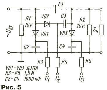
Эти уравнения можно решать на компьютере либо на калькуляторе. При этом надо иметь в виду, что если в результате решения величина Uхн получается со знаком +, то это означает, что нагрузка имеет емкостную составляющую, а если со знаком -, то индуктивную. Практическая схема прибора приведена на рис. 5. В нем, в отличие от прототипа, введены резисторы R1 и R2, обеспечивающие нормальную работу выпрямителей при "закрытом", т. е. разомкнутом по постоянному току выходе источника питания и нагрузки.

Величину С1 следует выбирать такой, чтобы его емкостное сопротивление на рабочей частоте было близко к ожидаемой величине сопротивления нагрузки. При этом условии будет выше точность измерения. С этой же целью входное напряжение должно быть не менее 5 В (эффективное значение) при минимальном содержании гармоник.
При опытной эксплуатации макетного образца получена точность измерения в среднем не хуже ±10%.
Автор: В.Коробейников, г.Ижевск
Смотрите другие статьи раздела Антенны. Измерения, настройка, согласование.
Читайте и пишите полезные комментарии к этой статье.
<< Назад
Последние новости науки и техники, новинки электроники:
Власть является ключевым фактором счастья в отношениях
11.03.2026
Исследования семейных и романтических отношений показывают, что длительное счастье пары зависит не только от привычных факторов, таких как доверие, уважение и преданность, но и от более тонких психологических аспектов. Современные ученые ищут закономерности, которые отличают действительно счастливые пары от остальных, чтобы понять, какие механизмы поддерживают гармонию в отношениях.
Группа исследователей из Университета Мартина Лютера в Галле-Виттенберге и Бамбергского университета провела опрос среди 181 пары, которые состояли в совместных отношениях более восьми лет и прожили вместе хотя бы месяц. Участники заполняли анкету, описывая различные аспекты своих отношений, включая распределение обязанностей, эмоциональную поддержку и степень вовлеченности в совместные решения.
Анализ данных показал интересный паттерн: пары, где оба партнера ощущали высокий уровень личной власти, оказывались наиболее счастливыми и удовлетворенными. В данном контексте под властью понимается способност ...>>
Защищенная колонка-повербанк Anker Soundcore Boom Go 3i
11.03.2026
Компания Anker представила новую модель линейки Soundcore - колонку Soundcore Boom Go 3i, ориентированную на активное использование на улице.
Новинка отличается высокой степенью защиты: корпус соответствует стандарту IP68, что обеспечивает водо- и пыленепроницаемость, а ударопрочный дизайн выдерживает падение с высоты до одного метра. За качество звука отвечает 15-ваттный драйвер, обеспечивающий пик громкости до 92 дБ, а технология BassUp 2.0 усиливает низкие частоты, делая звучание более насыщенным.
Колонка обладает автономностью до 24 часов, а LED-индикатор позволяет контролировать уровень заряда батареи. Кроме того, Soundcore Boom Go 3i может выполнять функцию павербанка: согласно внутренним тестам, устройство способно зарядить iPhone 17 с нуля до 40% за один час, что делает его полезным аксессуаром в походах и поездках.
Среди функциональных особенностей модели стоит выделить технологию Auracast, которая улучшает подключение и позволяет создавать стереопару из двух колонок ...>>
Раннее воздержание от алкоголя перестраивает мозг и иммунитет
10.03.2026
Алкогольная зависимость - хроническое расстройство с компульсивным употреблением спиртного, которое влияет не только на поведение, но и на функционирование мозга и иммунной системы. Недавние исследования показали, что даже на ранних этапах воздержания организм начинает перестраиваться, открывая новые возможности для терапии зависимости.
Ученые сосредоточились на пациентах, находящихся в первые недели абстиненции, и зафиксировали значительные изменения в мозговой активности. С помощью функциональной магнитно-резонансной томографии они выявили перестройку сетей нейронных связей, отвечающих за контроль импульсов и принятие решений. Эти изменения могут быть ключевыми для восстановления самоконтроля и снижения риска рецидива.
Одновременно с нейронной перестройкой исследователи наблюдали колебания иммунной системы. В крови повышался уровень цитокинов - сигнальных белков, регулирующих воспалительные процессы. Эти данные свидетельствуют о существовании нейроиммунного взаимодействия, при ...>>
Случайная новость из Архива Роботизированный хвост Arque
10.08.2019
Задумывались ли вы когда-нибудь, каково это иметь носимый хвост, который может улучшить вашу ловкость и баланс? Исследователи из Университета Кейо в Японии создали такое устройство. Прототип, названный Arque, был продемонстрирован на конференции SIGGRAPH в Лос-Анджелесе.
Роботизированный хвост состоит из нескольких взаимосвязанных пластиковых позвонков, и его можно настроить в зависимости от веса и роста пользователя. Внутри каждого позвонка можно вставлять небольшие грузы, чтобы компенсировать центр тяжести, что позволяет ему оставаться сбалансированным при быстром перемещении или переносе тяжелых предметов.
Хвост приводится в действие четырьмя искусственными мышцами, которые сокращаются и расширяются, используя пневматику. Наличие внешнего компрессора является пока недостатком, поскольку сама конструкция получается не совсем мобильный, но, как отмечает Gizmodo, достижения в области искусственных мышц означают, что будущие итерации помогут запитать конструкцию от портативной батареи.
Мобильная версия Arque обладает встроенными приложениями, которые помогают строителям и работникам склада в подъеме и переносе тяжелых предметов, или в качестве устройства для помощи людям, испытывающим проблемы с балансировкой. Он может даже использоваться в сочетании с виртуальной реальностью, позволяя ощутить себя животным в видеоиграх.
|
Другие интересные новости:
▪ Мотороллер на водороде
▪ Стандартизован режим HDMI Alternate Mode для подключения USB-C
▪ Искусственный лист на основе вольфрама
▪ Опасные подушки безопасности
▪ Пшеница и горошек будут расти быстрее
Лента новостей науки и техники, новинок электроники
Интересные материалы Бесплатной технической библиотеки:
▪ раздел сайта Применение микросхем. Подборка статей
▪ статья Носовая бобышка резиномоторной модели. Советы моделисту
▪ статья Кто пригласил физика Ханса Бете в соавторы научной работы только для красоты списка? Подробный ответ
▪ статья Электромонтер по ремонту и обслуживанию электрооборудования грузоподъемных машин. Типовая инструкция по охране труда
▪ статья Электронный кодовый замок. Энциклопедия радиоэлектроники и электротехники
▪ статья Конвертор для Си-Би радиостанции. Энциклопедия радиоэлектроники и электротехники
Оставьте свой комментарий к этой статье:
Главная страница | Библиотека | Статьи | Карта сайта | Отзывы о сайте

www.diagram.com.ua
2000-2026