Menu Home

Бесплатная техническая библиотека для любителей и профессионалов Бесплатная техническая библиотека


Любительские передающие ДВ антенны. Энциклопедия радиоэлектроники и электротехники

Бесплатная техническая библиотека

Энциклопедия радиоэлектроники и электротехники / Антенны КВ

Комментарии к статье Комментарии к статье

В ряде стран (в том числе и в России) радиолюбителям кроме KB и УКВ диапазонов выделен также и небольшой участок в ДВ диапазоне (135,7...137,8 кГц). После экспериментов в этом диапазоне, предпринятых коллективом RU6LWZ (журнал рассказывал о них в июньском номере за этот год), интерес кДВ у российских радиолюбителей заметно возрос. Многие хотели бы начать эксперименты на этом диапазоне, но его освоение в значительной мере сдерживается отсутствием широко доступной информации о том, какая для этого нужна техника. Предлагаемая статья посвящена, пожалуй, главному аспекту ДВ техники - передающим антеннам.

В настоящее время основная задача, которую необходимо решить для широкого освоения ДВ российскими радиолюбителями, состоит в увеличении числа передающих любительских ДВ станций. Действительно, прежде чем принимать сигналы, необходимо, чтобы они существовали. Если на KB сигналы любительских станций весьма сильны и при больших расстояниях до передатчика, для начала экспериментов на ДВ крайне желательно, чтобы источник сигнала находился сравнительно недалеко. Особенно остро стоит эта проблема перед радиолюбителями азиатской части нашей огромной страны. Несколько проще радиолюбителям, проживающим в европейской части России. В Западной Европе достаточно много радиолюбителей, передающих на длинных волнах, сигналы которых вполне можно принимать на расстояниях до одной-двух тысяч километров при работе обычным телеграфом и до нескольких тысяч километров при работе QRSS (медленный телеграф с обработкой сигнала на компьютере).

Главная проблема, которую надо решить любому радиолюбителю, начинающему работу в ДВ диапазоне, это постройка передающей антенны. Всем хорошо известно, что на KB антенна в большой степени влияет на успех в работе, но на ДВ, пожалуй, это влияние еще больше. Передатчик на частоты порядка 136 кГц изготовить относительно несложно. Он мало чем отличается от передатчика KB диапазона. Но антенна - совершенно другое дело! Свойства антенны принципиально зависят от соотношения длины волны и размеров антенны, а длина волны, соответствующая любительскому диапазону 136 кГц, около 2,2 км, что более чем в десять раз превышает максимальную длину волн, ранее использовавшихся радиолюбителями.

ДВ антенны существенно отличаются от обычно применяемых на КВ. Прямое копирование KB антенн на ДВ невозможно, так как получатся антенны совершенно недоступных для радиолюбителей размеров. Кроме того, на ДВ обычно нет возможности предложить конкретную радиолюбительскую конструкцию передающей антенны. Она в значительной мере определяется местными условиями, и конструировать антенну радиолюбителю, как правило, приходится самому. Хоть это и не сложно, так как на ДВ нет того разнообразия типов антенн, что наблюдается на KB, но все же конструирование ДВ антенны требует некоторых представлений о том, какие у нее параметры, как они влияют на работу антенны, от чего зависят и как улучшить работу всего передающего комплекса, состоящего из передатчика и антенны.

Все это и побудило автора написать данную статью, в которой рассмотрены основные принципы создания любительских передающих ДВ антенн. Конечно, большую часть изложенного в статье материала можно найти в профессиональной литературе, но специально для радиолюбителей такого изложения пока не было. Это и не удивительно, поскольку ДВ диапазон стал доступен для радиолюбителей недавно. Автор старался избегать сложной теории, ограничиваясь лишь качественным изложением и самыми простыми формулами, которые все же необходимы для осмысленного конструирования антенны. При этом основное внимание было уделено принципиальному отличию в конструировании KB и ДВ антенн. Насколько это удалось - судить читателям.

Характерной особенностью ДВ антенн являются их размеры, намного меньшие, чем четверть длины волны. Это справедливо даже для профессиональных ДВ станций, а для любительских - и подавно. Действительно, привычный на KB четвертьволновый штырь для диапазона 136 кГц должен иметь высоту более 500 м, как у Останкинской телебашни!

Второй важный момент, который надо учитывать при проектировании и изготовлении передающей ДВ антенны, состоит в том, что поляризация излучаемых антенной волн должна быть исключительно вертикальной. Это связано со свойствами земли: на столь низких частотах она близка к идеальному проводнику, а высота любой реальной ДВ антенны намного меньше длины волны. Эффективно излучать горизонтальное электрическое поле не удастся по той простой причине, что земля просто "закоротит" это поле. Если говорить более строго, то причина в том, что, как известно из электродинамики, вектор электрического поля на поверхности идеального проводника всегда перпендикулярен поверхности.

Конечно, земля все же не идеальный проводник, а высота антенны, хоть и мала, не равна нулю. Поэтому вопрос использования на ДВ низкорасположенных (по сравнению с длиной волны) передающих антенн с горизонтальной поляризацией (например, горизонтального диполя) крайне интересен и требует проведения экспериментов. Но рекомендовать такие передающие антенны радиолюбителю, только начинающему работу на ДВ, никак нельзя. Соответствующие эксперименты требуют солидного опыта, да и сравнивать экспериментальную антенну надо с чем-нибудь известным.

В связи с тем, что размеры любой реальной ДВ антенны намного меньше четверти длины волны, передающие антенны ДВ можно разделить на два больших класса - электрические и магнитные.

Магнитные антенны - это замкнутые рамки, чаще всего прямоугольной формы, расположенные обязательно в вертикальной плоскости (вертикальная поляризация!) и имеющие размеры, по крайней мере, порядка десятков метров. Некоторые радиолюбители Западной Европы и США проводят эксперименты с такими передающими антеннами, и им удается излучить мощность, не намного меньшую, чем в случае электрических антенн сравнимых размеров. Но все же это пока экспериментальный класс передающих антенн.

Основной тип передающей антенны на ДВ - это сильно укороченный вертикальный излучатель, питаемый относительно земли. Последнее означает, что вторым полюсом для подключения генератора является заземление. Многие такие антенны имеют массу проводов, расположенных горизонтально. Но подчеркнем, что собственно излучателем является только вертикальная часть антенны, а все горизонтальные проводники служат исключительно для того, чтобы создать в вертикальном проводе как можно больший и равномернее распределенный ток.

Некоторые типы передающих ДВ антенн схематически изображены на рис. 1.

Любительские передающие ДВ антенны

На рис. 1,а показана антенна в виде вертикального провода без емкостной нагрузки; на рис. 1,б - вертикальная антенна с емкостной нагрузкой в виде "зонтика", который может являться частью оттяжек, поддерживающих мачту; на рис. 1,в - трехлучевая Т-антенна; на рис. 1,г - однолучевая Г-антенна с наклонной емкостной нагрузкой; на рис. 1,д - однолучевая Т-антенна с наклонной емкостной нагрузкой; на рис. 1,е - однолучевая Т-антенна с наклонной "вертикальной" частью, на рис. 1,ж - антенна "наклонный луч".

Возможные конфигурации антенн не исчерпываются показанными на рис. 1. Возможна, например, многолучевая Г-антенна. Число проводников, составляющих "зонтик" (рис. 1,б), совсем не обязательно равно четырем. Вертикальная часть также может состоять из нескольких параллельных или расходящихся "веером" проводов и т. д. Также очевидно, что в качестве ДВ антенны во многих случаях можно использовать KB антенну, изменив способ ее питания. Например, KB диполь с успехом послужит в качестве Т-антенны, если соединить оба провода фидера вместе и запитать их относительно земли.

Обратим внимание, что ни одна из этих антенн не питается по коаксиальному кабелю. Все они - как бы "антенны с однопроводным открытым фидером", хотя на самом деле этот "фидер" собственно и является излучателем. Радиолюбитель, который не раз испытывал проблемы, связанные с помехами телевидению при работе на KB, может весьма скептически отнестись к такому питанию передающей антенны. Особенно когда ему далее еще будет рекомендовано использовать в качестве заземления водопроводные трубы. Автор спешит его успокоить: на ДВ помехи телевидению обычно значительно меньшая проблема, нежели при работе на КВ. Приведем такой пример из практики. Провод от антенны проходил к передатчику мощностью около 50 Вт на высоте несколько сантиметров над верхней крышкой телевизора. На ней же лежала неоновая лампочка, которая ярко светилась при нажатии на ключ. И при этом помех приему телевидения совершенно не наблюдалось! Может, и не всегда ситуация оказывается столь благоприятной, но судя по всему, телевизоры малочувствительны к электромагнитным полям столь низких частот.

Так как высота ДВ антенны всегда намного меньше четверти длины волны, реактивная часть входного сопротивления вертикального электрического излучателя всегда имеет емкостный характер и очень велика по сравнению с активной частью входного сопротивления. Для того чтобы ток в антенне достиг значительной величины, емкостная часть входного сопротивления антенны должна быть скомпенсирована индуктивностью, реактивное сопротивление которой равно по абсолютной величине реактивному сопротивлению емкости антенны. Таким образом, применение удлиняющей катушки на ДВ является абсолютно обязательным (на рис. 1 катушка не показана). Удлинительная катушка включается последовательно с антенной.

Чтобы можно было оценить необходимую индуктивность удлинительной катушки, необходимо знать емкость антенны, которая является весьма важным параметром передающей ДВ антенны. Чем больше емкость антенны, тем меньшую нужно индуктивность удлиняющей катушки. Соответственно, чем больше емкость антенны, тем меньше будут бесполезные потери мощности передатчика из-за омического (активного) сопротивления удлинительной катушки. А потери мощности в удлиняющей катушке весьма существенны при работе на ДВ.

Кроме того, при большей емкости антенны уменьшается напряжение на ней, которое на ДВ даже при сравнительно маломощном передатчике достигает единиц, а то и десятков киловольт. Уменьшение напряжения на антенне упрощает проблему изоляции. Есть и еще причины, о которых мы поговорим позднее, при обсуждении так называемых "потерь окружения", по которым следует стремиться сделать как можно большую емкость антенны. Именно увеличение суммарной емкости антенны (вместе с получением более равномерного распределения тока в вертикальной части) это причина, по которой в передающих ДВ антеннах стараются сделать горизонтальную часть как можно больше и часто из нескольких параллельных проводов (многолучевые Г- и Т-образные антенны).

Емкость ДВ антенны с приемлемой для радиолюбительской практики точностью можно оценить по простому правилу: каждый метр провода антенны (как в вертикальной, так и в горизонтальной части) дает около 6 пФ емкости антенны. Если несколько проводов расположены паралельно друг другу, то при малом расстоянии между ними суммарная емкость уменьшается. Поэтому при изготовлении Г- или Т-образной антенны с многолучевой горизонтальной частью следует, по возможности, выдерживать расстояние между проводами не менее 2...3 м. Большее не имеет смысла, а меньшее расстояние приводит к уменьшению емкости, приходящейся на каждый метр провода.

Реактивное сопротивление емкости антенны можно найти по общеизвестной формуле Хс = 1/(2πfС). Так как реактивное сопротивление удлинительной катушки должно быть по абсолютной величине таким же, то из связи реактивного сопротивления и индуктивности XL = 2πfL можно найти индуктивность. Для практических целей удобнее формулы, которые получаются, если подставить значение частоты f = 136 кГц и преобразовать единицы измерения: Хс = 1170000/С, XL = 0,85 L, L = ХL/0.85, где сопротивления подставляются в омах, емкость - в пикофарадах, а индуктивность - в микрогенри.

Совсем грубо для прикидочных расчетов можно считать, что на частоте 136 кГц реактивное сопротивление емкости 1000 пФ составляет 1000 Ом и пропорционально увеличивается при уменьшении емкости по сравнению с 1000 пФ. Соответственно для индуктивности каждая микрогенри дает около 1 Ом. Такие цифры легко запомнить. Большая точность расчетов очень часто и не нужна, поскольку рассчитанные величины все равно придется уточнять экспериментально. Влияние окружающих антенну предметов теоретически учесть крайне затруднительно!

Чтобы представить себе порядок параметров антенны в типичных радиолюбительских условиях, сделаем оценку для такого примера. Пусть имеется Г- или Т-образная антенна с однолучевой горизонтальной частью длиной 80 м, расположенной на высоте 20 м. Длина вертикальной части составит 20 м, общая длина провода - 100 м. Емкость такой антенны будет около 600 пф, т. е. реактивная часть входного сопротивления - примерно 2000 Ом. Для компенсации реактивного сопротивления емкости антенны потребуется удлиняющая катушка с индуктивностью несколько больше 2000 мкГн.

Может возникнуть вопрос, почему бы не найти индуктивность удлиняющей катушки, зная емкость антенны и используя формулу для обычного колебательного контура? Конечно, можно и так. Но расчет через реактивные сопротивления позволяет оценить, например, напряжение на антенны при заданном токе и сопротивление потерь удлинительной катушки при известной ее добротности Так, в приведенном примере сразу ясно, что напряжение на антенне будет порядка 2000 В на каждый ампер тока в антенне. Поскольку активная часть входного сопротивления антенны много меньше реактивной части, напряжение на антенне в вольтах приблизительно равно току антенны в амперах, умноженному на реактивное сопротивление антенны в омвх. Сопротивление потерь катушки, ее реактивное сопротивление и добротность связаны простой формулой: Rкат = XL/Q. При добротности Q = 200 сопротивление потерь будет 2000/200 = 10 Ом.

Вторым крайне важным параметром ДВ антенны является ее действующая высота. Не принимая пока во внимание зависимость действующей высоты от деталей конструкции антенны, отметим два предельных случая. Действующая высота одиночного вертикального провода без емкостной нагрузки наверху равна половине его геометрической высоты. Для Г- или Т-образной антенны с емкостью горизонтальной части много большей, чем емкость вертикальной части, действующая высота приближается к высоте подвеса горизонтальной части антенны над землей.

Сразу отметим, что надо стремиться сделать действующую высоту антенны как можно больше, по крайней мере, метров 10... 15, а лучше 30...50. Но, пожалуй, 50 м - это максимум, достижимый в обычных любительских условиях. Примерно такой получится действующая высота Г- или Т-образной антенны с большой горизонтальной частью, подвешенной между двумя 16-этажными домами.

Почему же действующая высота антенны так важна? Все дело в том, что когда размеры антенны много меньше длины волны, напряженность поля, принимаемого корреспондентом, прямо пропорциональна произведению (обозначим его как А) силы тока в антенне на действующую высоту антенны, измеряемому в метрамперах. Чем больше действующая высота вашей антенны, тем сильнее ваш сигнал. Мощность, излучаемая передающей станцией Ризл (нв путать с выходной мощностью передатчика!) связана с этим произведением простым соотношением (для частоты 136 кГц): Ризл = 0.00033A2.

Чтобы ориентироваться в получаемых значениях, рассмотрим пример. Пусть действующая высота антенны составляет 20 м. Сила тока в антенне при выходной мощности передатчика в 100 Вт обычно бывает в пределах 1...3А. Пусть она оказалась 2 А. Тогда А = 40 метрампер и излученная мощность составит 0,5 Вт.

Из примера видно, что КПД любительских передающих ДВ антенн весьма мал, ведь излучается всего 0,5% мощности, отдаваемой передатчиком. И зто еще очень хорошо! Часто КПД бывает меньше 0,1%. И только при использовании "гигантских" (по радиолюбительским меркам) антенн КПД может достигать нескольких десятков процентов. Примером служит антенна первой русской длинноволновой DX-зкспеди-ции, проведенной коллективом RU6LWZ, когда использовалась мачта высотой более 100 м.

Низкий КПД любительских передающих ДВ антенн приводит к тому, что мощность излучения обычно измеряется десятыми, а то и сотыми долями ватта, редко достигая единиц ватт. Тем не менее и при таких мизерных излучаемых мощностях любители, используя специальные виды работы (прежде всего QRSS - медленный телеграф), проводят связи на расстояниях в тысячи, а то и 10... 15 тысяч километров! Обычным телеграфом при этом удаются связи на несколько сотен, а иногда, при хорошем прохождении, специальных приемных антеннах и малом уровне помех, на одну-две тысячи километров.

Мы видим, что ситуация с передающими ДВ антеннами радикально отличается от того, к чему мы привыкли на КВ. Если на KB обычно КПД близок к 100% (за исключением разве что 160-метрового диапазона, и то не всегда), то на ДВ он очень мал. Если на KB мы пытаемся сфокусировать излучение в одном направлении и оперируем понятием коэффициента усиления, то на ДВ излучение всегда практически круговое и ни о каком усилении говорить не приходится. Если на KB мы стремимся получить пологие углы излучения, на ДВ угол излучения всегда практически одинаков. Если на KB антенна обычно питается по коаксиальному кабелю и мы стремимся получить хороший КСВ, то на ДВ антенна всегда питается непосредственно и понятие КСВ теряет смысл. Единственное, за что приходится "бороться" при работе на ДВ, зто излучаемая мощность, или, что то же самое, максимальное количество "метрамперов в антенне.

Рассмотрим теперь более детально, как зависит действующая высота антенны от ее геометрических размеров и деталей конструкции для наиболее распространенных типов антенн. Как уже указывалось, действующая высота простого вертикального провода бвз емкостной нагрузки наверху (рис. 1,а) просто равна половине геометрической высоты антенны. Точно также действующая высота антенны "наклонный луч" (рис. 1,ж) равна половине высоты верхней точки антенны. Если антенна имеет горизонтальную емкостную нагрузку (например, рис. 1,в), то действующая высота hд такой антенны определяется соотношением емкостей вертикальной Св и горизонтальной Сг частей, а также геометрической высотой подвеса h горизонтальной части. Она может быть найдена по формуле hд = h(1-0,5/(Сг/Св+1))

Емкости горизонтальной и вертикальной частей антенны могут быть, как и для всей антенны, определены по правилу "6 пФ на каждый метр провода". Из формулы видно, что если Сг намного больше Св, то действующая высота hд приближается к геометрической высоте п. Особого рассмотрения требуют случаи наклонной "вертикальной" части (рис. 1,е) и наклонной емкостной нагрузки (рис. 1,6, г,д). Если "вертикальная часть" наклонна, а емкостная нагрузка практически горизонтальна (рис. 1,е), то почти ничего не меняется, лишь несколько возрастает Св из-за более длинного провода, а формула остается той же.

Если у Т-антенны вертикальная часть подключается достаточно точно посередине наклонной емкостной нагрузки (рис. 1,д), формула также работает, только в качестве h надо брать высоту над землей точки подключения вертикальной части к горизонтальной. В этой антенне вертикальные компоненты электрического поля, созданные двумя плечами емкостной нагрузки, взаимно компенсируются Но в Г-образной антенне (рис. 1,г), или в "зонтичной" антенне (рис. 1,6), такой компенсации не происходит. Потому и формула становятся несколько иной: hд = 0,5h( 1 + а - а2/(Сг/Св+ 1)), где а = h1/h - отношение высот верхнего и нижнего концов емкостной нагрузки.

Подчеркнем, что для случаев, показанных на рис. 1,б и рис. 1,г нежелательно опускать нижний конец емкостной нагрузки до самой земли. Это приведет к снижению действующей высоты до 0,5h. Если нет возможности поднять эти точки (например, имеется только одна мачта), лучше провода, составляющие емкостную нагрузку, продолжить до земли изолирующим шнуром (можно применить и проволоку, разбив ее в двух-трех местах изоляторами).

Если точки закрепления антенны определены "местной обстановкой", а у радиолюбителя нет желания заниматься расчетами, то можно воспользоваться и таким простым правилом: надо стремиться к тому, чтобы максимальное количество провода было расположено как можно выше (и, как будет ясно из дальнейшего, подальше от деревьев, стен и т. п.). Ну а уж действующая высота - какая получится!

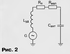
Разобравшись с первым сомножителем "основного параметра" - произведения действующей высоты на силу тока в антенне, рассмотрим, от чего зависит второй сомножитель - сила тока в антенне, и как ее сделать побольше. Конечно, сила тока зависит от мощности передатчика. Но не только. Еще она зависит от активной части входного сопротивления R, которая, в свою очередь, есть сумма сопротиаления потерь Rп и сопротиаления излучения Rизл, как показано на эквивалентной схеме рис. 2.

Любительские передающие ДВ антенны

Сопротивление излучения (в омах) на частоте 136 кГц определяется по формуле Rизл = 0,00033hд2 и для радиолюбительских антенн составляет обычно не более нескольких десятых долей ома. В подавляющем большинстве случаев сопротивление потерь намного больше сопротивления излучения. Собственно, именно поэтому получается низкий КПД, равный Rизл /(Rизл + Rп). В этих условиях ток в антенне зависит в основном от сопротивления потерь, а сопротивление излучения на ток почти не влияет.

Именно в таком соотношении сопротивления потерь и сопротивления излучения заключается причина радикального отличия ДВ и KB антенн. На KB, где сила тока в антенне определяется в основном сопротивлением излучения, не имеет значения сама величина этой силы тока. Антенна может "питаться током" или "питаться напряжением", сила тока будет разная, а мощность излучения - одинаковая. На ДВ ситуация принципиально другая. Сила тока в антенне определяется сопротивлением потерь, а излучаемая мощность пропорциональна квадрату силы тока. Поэтому необходимо стремиться сделать силу тока как можно больше, для чего надо сделать как можно меньше сопротивление потерь

Если сопротивление потерь в антенне Rп известно, то при известной выходной мощности передатчика Р легко найти силу тока I в антенне: I =v (P/Rп).

Сопротивление потерь складывается из омического сопротивления провода антенны, активной части сопротивления удлинительной катушки, сопротивления заземления и так называемого сопротивления потерь окружения (enviroment loss). Последнее связано с потерями энергии за счет токов, наведенных в окружающих предметах (домах, деревьях и т. п.).

Сопротивление медного провода антенны диаметром не менее 2 мм обычно весьма мало и его можно не учитывать. Исключением может быть случай, когда горизонтальная часть антенны (емкостная нагрузка) очень длинная (сотни метров) и выполнена в виде одного тонкого провода. Остальные составляющие сопротивления потерь намного больше.

Сопротивление потерь удлинительной катушки уже существенно, особенно при невысокой добротности. Добротность - это отношение реактивного (индуктивного) сопротивления катушки на данной частоте к сопротивлению потерь. Последние складываются из потерь в магнитопроводе, каркасе и проводе. В передающих ДВ антеннах не используют катушки с магнитопроводом, что связано с большими токами, при которых трудно избежать его насыщения. Потери в диэлектрике каркаса обычно малы, тем не менее справедлива рекомендация: чем меньше материала идет на каркас, тем лучше. Разумеется, желательно использовать высококачественный диэлектрик

Но ВЧ ток течет в основном по поверхности провода (скин-эффект) и поэтому сопротивление оказывается существенно больше, чем на постоянном токе или на звуковых частотах. Во многих книгах можно найти формулу для удельного (в Ом/м) сопротивления медного провода с учетом скин-эффекта: Rуд = (0,084/d)vf где d - диаметр провода в мм; f - частота в МГц. Казалось бы, можно сосчитать удельное сопротивление провода катушки по этой формуле, умножить на длину провода и получить сопротивление потерь в катушке. К сожалению, кроме скин-эффекта есть еще и эффект близости, приводящий к тому, что сопротивление провода в катушке оказывается существенно больше сопротивления прямолинейного провода. Из-за влияния витков друг на друга ток течет не равномерно по всей поверхности провода, а в основном по части поверхности, обращенной внутрь катушки. Следовательно, меньше эффективная поверхность - больше сопротивление.

По результатам исследования, проведенного автором, из-за эффекта близости сопротивление провода однослойной катушки возрастает в 1 + 4,9(d/a)2 раз, где d - диаметр провода; а - шаг намотки. Если шаг намотки сделать маленьким (намотка виток к витку), индуктивность катушки на один виток станет больше, витков понадобится меньше, уменьшится и длина провода. Но зато существенно возрастет эффект близости. Если сделать большой шаг намотки, увеличение сопротивления за счет эффекта близости будет меньше, но зато придется намотать больше витков и станет больше длина провода. Оказывается, есть оптимум, который наблюдается при шаге намотки примерно в два раза больше диаметра провода. Другими словами, зазор между витками должен примерно равняться диаметру провода.

Зависит ли сопротивление потерь в катушке от диаметра провода? Как ни удивительно, практически нет. При большем диаметре провода увеличится длина намотки, а если сделать катушку многослойной, то увеличится эффект близости. Соответственно придется делать больше витков. Если все это подробно проанализировать математически, получается весьма неожиданный результат: добротность катушки (и, соответственно, сопротивление потерь при заданной индуктивности) зависит в основном от диаметра каркаса катушки! Причем добротность прямо пропорциональна этому диаметру. А от диаметра провода добротность почти не зависит. Во избежание недоразумений отметим, что это справедливо только в случае, когда диаметр провода существенно больше толщины скин-слоя. На частоте 136 кГц это выполняется для медного провода диаметром 0,5 мм и больше (так обычно и бывает).

Таким образом, для получения малых потерь надо делать катушку большого диаметра. Некоторое значение еще имеет соотношение диаметра каркаса и длины намотки. Установлено, что добротность катушки максимальна при диаметре каркаса в 2...2,5 раза больше длины намотки. В этих условиях для очень грубой оценки (а точнее обычно и не нужно) на частоте 136 кГц при сплошном медном проводе, оптимальных соотношениях шага намотки и диаметра провода, а также диаметра каркаса и длины намотки добротность однослойной катушки можно полагать равной диаметру каркаса в миллиметрах.

Вернемся к приведенному выше примеру, где реактивное сопротивление катушки должно быть порядка 2000 Ом, активное - 10 Ом, а добротность - 200. Диаметр каркаса надо взять около 200 мм. Еще больший диаметр каркаса придется выбрать для получения меньшего сопротивления потерь в катушке. Мы видим, что удлинительную катушку передающей ДВ антенны приходится делать весьма больших габаритов. Поэтому катушку обычно не встраивают в передатчик, а размещают отдельно.

Правда, есть одна возможность заметно уменьшить габариты катушки при тех же потерях или уменьшить потери при прежних габаритах. Надо намотать катушку не сплошным медным проводом, а специальным литцендратом для передатчиков. Он состоит из огромного числа (несколько сотен) очень тонких, изолированных друг от друга медных проводников. Поверх проводников обычно имеется оплетка из шелка. Применяя лицендрат, надо уделить особое внимание тому, чтобы каждая (!!!) проволочка была пропаяна в точках подключения катушки. К сожалению, автору не известна какая-либо теория, позволяющая рассчитать добротность катушки из лицендрата, из опыта известно, что при тех же габаритах добротность катушки из лицендрата примерно вдвое больше, чем при намотке сплошным медным проводом.

Сопротивление потерь удлиняющей катушки - это важная составляющая общего сопротивления потерь антенны. Но если сделать катушку достаточно большого, но еще приемлемого диаметра (миллиметров в 200...400), основной вклад в общие потери дадут сопротивление заземления и сопротивление потерь окружения. Их обычно трудно разделить, и часто это общее сопротивление называют сопротивлением земли.

Заметим сразу, что ВЧ сопротивление заземления совсем не совпадает с сопротивлением заземления на низких частотах. Так что если есть "электротехническое" заземление с известным сопротивлением, то его, конечно, можно и нужно использовать, но его сопротивление на частоте 136 кГц будет намного больше, чем на промышленной частоте 50 Гц.

К сожалению, рассчитать потери в земле радиолюбителям обычно невозможно. Формулы, применяемые профессионалами, не применимы для столь маленьких по сравнению с длиной волны радиолюбительских антенн. Да и в отличие от профессиональных, любительские антенны обычно расположены среди домов, деревьев и других объектов, что существенно влияет на потери в антенне. Радиолюбители обычно не делают специального заземления, а используют водопроводные трубы и т. п. Это также затрудняет расчет. Таким образом, придется ограничиться только указанием на то, что обычно сопротивление потерь в заземлении вместе с сопротивлением потерь окружения составляет порядка 30- 100 Ом, а также рекомендациями по уменьшению величины этих потерь.

Как уже говорилось, необходимо максимизировать ток в антенне. Чем меньше сопротивление потерь, тем он больше. Чтобы уменьшить сопротивление потерь заземления в радиолюбительской практике, необходимо соединить все, что только возможно из закопанного в землю и расположенного на поверхности земли металла. Это могут быть водопроводные трубы, разные металлические конструкции и т. д. Только не надо использовать газовые трубы! Это недопустимо по соображениям пожарной безопасности!

В профессиональной практике для уменьшения потерь в земле заземление выполняют в виде так называемой "металлизации земли" под антенной. Это система закопанных на небольшую глубину или лежащих на поверхности земли проводов. Площадь металлизации должна, по возможности, покрывать всю поверхность под горизонтальной частью антенны, выходя за пределы проекции антенны на плоскость земли на расстояние порядка высоты антенны. Если горизонтальной части (емкостной нагрузки) нет, то радиус металлизации должен быть порядка высоты антенны. Совсем не обязательно делать металлизацию в виде правильного круга, под радиусом подразумевается просто характерный размер. Можно сделать радиус металлизации больше, но удваивать его уже не имеет большого смысла.

Опять же в профессиональной практике расстояние между отдельными проводами системы "металлизации земли" выбирают порядка 1 метра и иногда даже применяются сплошные металлические листы. Вряд ли в радиолюбительской практике это возможно. Поэтому даже если и делается некоторое подобие такой системы заземления, то расстояние между проводами будет, скорее всего, больше. На сколько, зависит от возможностей конкретного радиолюбителя. Естественно, при более "редкой" металлизации земли потери в земле возрастают.

Металлизация земли может сильно поднять эффективность передающей ДВ антенны за счет существенного уменьшения потерь. Но если у радиолюбителя нет возможности сделать металлизацию земли под антенной (что чаще всего и бывает), не стоит отчаиваться! Большинство западноевропейских радиолюбителей успешно работают, используя в качестве заземления имеющийся водопровод. Собственно поэтому и оказывается, что сопротивление заземления у радиолюбителей такое большое, намного больше сопротивления заземления профессиональных ДВ антенн, где сопротивление потерь в земле зачастую бывает порядка 1 Ом, даже для сравнительно небольших антенн маломощных ДВ станций. А у антенн вещательных ДВ станций, когда в землю закапываются десятки, а то и сотни тонн (!!!) металла, и того меньше - десятые, а иногда и сотые доли ома.

Соответственно и КПД в этом случае становится очень близким к 100 процентам. Но на это радиолюбителям рассчитывать обычно не приходится, разве что удастся, при случае, воспользоваться профессиональной ДВ антенной.

Но не только качеством системы заземления определяются потери в антенне. Если проводники антенны проходят вблизи домов, деревьев и т. п., возникают дополнительные потери ВЧ энергии, идущие на нагрев этих окружающих предметов. Собственно, это и есть потери окружения. Необходимо, чтобы провода антенны, находящиеся под высоким ВЧ потенциалом, располагались, по возможности, на расстоянии не менее 1...3 м от окружающих предметов. А если такой провод длинный и идет параллельно "мешающему предмету", расстояние надо выбирать еще больше.

Ситуацию иллюстрирует рис. 3.

Любительские передающие ДВ антенны

Потери в случае рис. 3,а существенно меньше, чем в случае рис. 3,б. Вертикальный провод в последнем случае будет наводить в стене дома значительные ВЧ токи, приводящие к бесполезным потерям мощности передатчика, расходуя ее на нагрев стены. Подобной ситуации необходимо избегать.

Но что делать, если отнести от стены вертикальный провод антенны невозможно? В этом случае имеет смысл модифицировать антенну так, как показано на рис. 3,в. И хотя ток в вертикальном проводе будет практически такой же, как в случае рис. 3,а, но ВЧ потенциал относительно земли на нем будет мал (он большой только после удлиняющей катушки). Соответственно уменьшится и влияние стены дома. Катушку, правда, придется сделать несколько большей индуктивности, поскольку емкостью антенны, к которой подключена катушка, будет только емкость горизонтального провода. В этом случае неудобно настраивать высоко расположенную катушку. Выход простой - большую часть индуктивности разместить "наверху", а вблизи передатчика включить небольшой вариометр, только для точной подстройки антенны в резонанс. При этом напряжение на проводе, проходящем вблизи стены, несколько возрастет, но оно не будет столь значительным, как в случае рис. 3,б.

Похожая ситуация показана на рис. 3,г, когда передатчик расположен на верхнем этаже многоэтажного дома. Казалось бы, антенна не имеет вертикальной части, но на самом деле она есть. Просто ее роль играет провод заземления, например, водопроводные трубы. Они расположены в непосредственной близости от стен, но так как ВЧ потенциала на них практически нет, как и на вертикальной части антенны на рис. 3,в, влияние стен слабое. Так что антенна будет работать вполне удовлетворительно.

Рассмотренные примеры показывают, что особенно большие потери окружения оказываются в случае, когда вблизи окружающих предметов находятся части антенны, несущие высокий потенциал. Конечно, уменьшение напряжения на всей антенне, также как и уменьшение напряжения на части антенны, уменьшает потери окружения. Это объясняет ранее сделанное замечание о том, что увеличение суммарной емкости антенны увеличивает эффективность антенны. Действительно, увеличение емкости антенны приводит к уменьшению напряжения на ней и, следовательно, к уменьшению потерь окружения. При той же мощности передатчика в вертикальной части антенны удастся получить большую силу тока и, как следствие, излучаемый сигнал возрастет.

Конечно, приведенные рисунки и комментарии к ним не исчерпывают всех ситуаций, которые могут случиться при практическом выполнении антенны. Но автор надеется, что они иллюстрируют общий подход к конструированию ДВ антенны с минимальными в данных условиях потерями окружения. Ну а в каждом конкретном случае радиолюбителю придется думать, экспериментировать и принимать решения самостоятельно.

В заключение - буквально несколько слов о подключении антенны к передатчику. Из изложенного ясно, что входное сопротивление антенны после настройки в резонанс катушкой в большинстве случаев не будет равно 50 или 75 Ом. Но в этом нет и необходимости, коаксиального кабеля-то нет. Просто следует в передатчике предусмотреть возможность регулировки выходного сопротивления. Легче всего это сделать при трансформаторной двухтактной схеме выходного каскада передатчика. Вторичную обмотку трансформатора в этом случае необходимо сделать с отводами и установить переключатель. Представляется, что ряд выходных сопротивлений 5, 7, 10, 15, 20, 30, 50, 70, 100, 150, 200 Ом вполне достаточен для любых радиолюбительских антенн, включая как "очень плохие", так и "очень хорошие". Подойдет стандартный галетный переключатель на 11 положений.

Для точной настройки антенны в резонанс весьма желательно иметь вариометр от ДВ или СВ передатчика. Автор применяет вариометр от средневолнового блока радиостанции РСБ-5, имеющий максимальную индуктивность порядка 700 мкГн. Конечно, она недостаточна, и последовательно с вариометром включена дополнительно достаточно большая катушка постоянной индуктивности, а вариометр служит только для подстройки.

В описанном варианте связи антенны с передатчиком настройка сводится к подбору положения переключателя, обеспечивающего максимальный ток в антенне, и к регулировке индуктивности удлиняющей катушки. После каждого переключения выходного сопротивления передатчика надо подстраивать индуктивность (вариометр) для получения резонанса, добиваясь максимального тока в антенне.

Возможны и другие варианты выполнения выходной цепи передатчика, и другие методы настройки, но их обсуждение увело бы нас слишком далеко от основной темы статьи. Поэтому, завершая изложение, пожелаю читателю успешных экспериментов, и до встречи на длинных волнах!

Автор: Александр Юрков (RA9MB)

Смотрите другие статьи раздела Антенны КВ.

Читайте и пишите полезные комментарии к этой статье.

<< Назад

Последние новости науки и техники, новинки электроники:

Шимпанзе могут менять свои убеждения 10.11.2025

Понимание того, как формируются убеждения и принимаются решения, традиционно считалось уникальной способностью человека. Однако недавнее исследование показало, что шимпанзе обладают способностью пересматривать свои мнения на основе новых данных, демонстрируя уровень рациональности, который ранее считался исключительно человеческим. Психологи под руководством Ханны Шлейхауф из Утрехтского университета провели серию экспериментов, направленных на изучение метапознания у шимпанзе. Исследователи впервые наблюдали, как эти обезьяны могут взвешивать различные виды доказательств и корректировать свои решения при появлении более убедительной информации. Экспериментаторы рассматривали рациональность как способность формировать убеждение о мире на основе фактических данных. При поступлении новой информации разумное существо способно сравнивать старые и новые данные и изменять свое мнение, если новые доказательства оказываются более весомыми. Для экспериментов использовались шимпанзе из ...>>

Полет на Марс: испытание для тела и выживания человечества 10.11.2025

Исследование космоса и перспективы полета на Марс привлекают внимание ученых и инженеров по всему миру. Но за технологическими достижениями скрывается серьезная угроза для здоровья астронавтов. Как отмечает Interesting Engineering, даже самые современные ракеты и системы жизнеобеспечения не способны полностью защитить человека от физических и генетических изменений, возникающих во время длительных космических миссий. Эти риски включают потерю костной массы, ослабление мышц и даже потенциальные повреждения ДНК. Путешествие на Марс длится от шести до девяти месяцев. В условиях невесомости организм, привыкший к земной гравитации, претерпевает значительные изменения. Мышцы атрофируются, кости теряют до 1% плотности в месяц, сердце уменьшается в размерах, а позвоночник удлиняется, вызывая боль и дискомфорт. После возвращения на Землю астронавты сталкиваются с головокружением и проблемами при вставании из-за адаптации к гравитации. Особую опасность представляет перераспределение жидкос ...>>

Зеркальные спутники и их угрозы для астрономии и экологии 09.11.2025

Калифорнийский космический стартап Reflect Orbital, который планирует к 2030 году вывести на орбиту 4 000 зеркальных спутников, отражающих солнечный свет на Землю даже ночью. Главная цель - увеличить эффективность солнечных электростанций, обеспечивая непрерывное освещение в ночное время. Первый демонстрационный аппарат EARENDIL-1 с зеркалом площадью 334 м2 предполагается запустить в апреле 2026 года, а соответствующая заявка уже подана в Федеральную комиссию связи США (FCC). Проект получил 1,25 млн долларов поддержки от ВВС США в рамках программы для малого бизнеса. Идея заключается в том, чтобы спутники создавали дополнительное освещение для энергетических систем, однако многие ученые выражают сомнения как в технической реализуемости, так и в потенциальном вреде для окружающей среды. Астрономы, включая Майкла Брауна и Мэтью Кенворти, подсчитали, что отраженный свет будет примерно в 15 000 раз слабее дневного солнца, хотя и ярче полной Луны. Для того чтобы создать хотя бы 20% дн ...>>

Случайная новость из Архива

Генетический тормоз старения 05.08.2025

С возрастом мы замечаем ухудшение памяти, сниженную способность к обучению и восприятию новой информации. Почему эти процессы начинаются так рано и что лежит в их основе? Ответ на этот вопрос начали прояснять японские исследователи, обратив внимание на активность одного-единственного гена, способного запускать цепную реакцию нейродегенеративных изменений.

В центре недавнего исследования, проведенного учеными из Института науки и технологий Нара, оказался ген Setd8, регулирующий эпигенетические процессы в клетках мозга. Руководил проектом нейробиолог Тайто Мацуда, и его команда провела глубокий анализ нейрональных стволовых клеток у лабораторных мышей, применяя методы секвенирования одиночных клеток для оценки молекулярной активности на разных этапах жизни животных.

Полученные данные продемонстрировали, что уже в молодом взрослом возрасте экспрессия гена Setd8 резко снижается. Это приводит к нарушению деления нейрональных стволовых клеток, препятствуя формированию новых нейронов и, как следствие, ухудшая функции памяти и способности к обучению. Таким образом, старение мозга начинается значительно раньше, чем предполагалось ранее, и связано не столько с физическим износом тканей, сколько с точечными изменениями на уровне генетической регуляции.

Чтобы подтвердить свою гипотезу, ученые искусственно подавили активность Setd8 у мышей. Результат оказался поразительным: мозг животных начал демонстрировать признаки, схожие с естественным старением - от молекулярных маркеров до функциональных нарушений. Это открытие позволило авторам выдвинуть гипотезу, что Setd8 может служить своеобразным молекулярным переключателем, регулирующим темпы возрастных изменений в нервной системе.

Исследование также указывает на то, что Setd8 - не просто маркер старения, но и потенциальная терапевтическая мишень. Модификация его активности в будущем может стать основой для препаратов, способных приостанавливать или даже предотвращать развитие возрастных нейродегенеративных заболеваний, включая болезнь Альцгеймера.

Хотя работа проводилась на грызунах, ее выводы уже привлекли внимание международного научного сообщества. Эксперты считают, что дальнейшее изучение эпигенетических механизмов старения мозга может стать ключом к радикально новым стратегиям продления когнитивного здоровья человека.

Открытие роли гена Setd8 дает научно обоснованную надежду на то, что старение мозга - это не неизбежный и линейный процесс, а результат конкретных биологических факторов, которые можно изучить, контролировать и, возможно, изменить.

Другие интересные новости:

▪ Компакт-диск с ноготь

▪ Сверхострый нож из дерева

▪ Аэродинамический велосипед

▪ Светодиод Seoul Semiconductor SunLike - самый безопасный

▪ Оптический диод

Лента новостей науки и техники, новинок электроники

 

Интересные материалы Бесплатной технической библиотеки:

▪ раздел сайта Акустические системы. Подборка статей

▪ статья Лопата из вил. Советы домашнему мастеру

▪ статья Зачем пчелы жужжат? Подробный ответ

▪ статья Директор учреждения образования. Должностная инструкция

▪ статья Вау-бустер для электрогитары. Энциклопедия радиоэлектроники и электротехники

▪ статья Схема, распиновка (распайка) кабеля для всех моделей Siemens. Энциклопедия радиоэлектроники и электротехники

Оставьте свой комментарий к этой статье:

Имя:


E-mail (не обязательно):


Комментарий:





Главная страница | Библиотека | Статьи | Карта сайта | Отзывы о сайте

www.diagram.com.ua

www.diagram.com.ua
2000-2025