Бесплатная техническая библиотека
Рулевая машинка в рамочной антенне. Энциклопедия радиоэлектроники и электротехники

Энциклопедия радиоэлектроники и электротехники / Антенны. Теория
Комментарии к статье
При изготовлении передающей рамочной антенны, получившей в литературе название "магнитная рамка" (magnetic loop), радиолюбителю придется решить несколько задач, обусловленных ее высокой добротностью. Такая антенна требует подстройки в пределах любительского диапазона, т. е. необходим дистанционно перестраиваемый конденсатор переменной емкости с соответствующими цепями управления и с узлом, который в помещении радиостанции отображает положение его ротора (рабочую частоту антенны). Заметим, что КПЕ для такой антенны - это дефицит, поскольку у него должно быть высокое рабочее напряжение, а токосъемник ротора должен быть без потерь или вообще отсутствовать (пример - конденсаторы типа "бабочка").
Несложное решение всех этих задач предложил бельгийский радиолюбитель ON7NU (Daniel Elias, "Servo-CV pour antenne loop magnetique". - CQ-QSO, 2005, № 9/10, p. 22-25). В своей антенне на диапазон 40 метров для настройки антенны и индикации ее рабочей частоты он применил готовый сервопривод - аналоговую рулевую машинку, которую используют в радиоуправляемых моделях.
Такие рулевые машинки содержат электродвигатель постоянного тока, редуктор и узел управления. В канале управления используют широтно-импульсную модуляцию. Подключают их к каналу управления (выходу дешифратора приемника и т. п.) тремя проводами. По двум проводам подают напряжение питания, а по третьему - импульсы, которые в конечном итоге и определяют положение выходного вала рулевой машинки. Период повторения управляющих импульсов должен быть примерно 20 мс, а их длительность лежать в пределах 0,5...2 мс. Она определяется органом управления моделью, который механически связан с переменным резистором, задающим этот параметр импульсов управляющего генератора.
В узле управления рулевой машинки также имеется генератор, длительность выходного импульса которого определяется переменным резистором, который механически связан с выходным валом рулевой машинки. Эти импульсы сравниваются с теми, которые поступают по цепи управления. В результате вырабатывается сигнал управления двигателем - он начинает вращаться и поворачивает выходной вал рулевой машинки и связанный с ним переменный резистор до тех пор, пока длительность импульсов встроенного генератора не будет равна длительности импульсов, поступающих по цепи управления.
Максимальный угол поворота вала рулевой машинки в прямой форме в технических характеристиках обычно не нормируется - указывается лишь время поворота на угол 45 или 60 градусов. Несмотря на небольшие габариты, рулевые машинки развивают заметный вращающий момент (несколько кГсм). На рис. 1 приведен внешний вид типичной рулевой машинки класса "стандартные" - модель HS311 фирмы Hitec. Она имеет размеры 41x20x37 мм и вес 44,5 г. Напряжение питания - 4,8 или 6 В. Время поворота на угол 60 градусов - 0,19 с. Вращающий момент -3,7 кГсм.
Рис.1. Внешний вид рулевой машинки класса стандартные модель HS311 фирмы Hitec
Реальный угол поворота выходного вала рулевой машинки больше, чем приведенные выше значения (зависит от модели), но и они вполне достаточны для настройки однодиапазонной рамочной антенны, поскольку от конденсатора требуется относительно небольшое изменение емкости. Так, для перекрытия полосы частот 7000...7100 кГц оно составляет всего около трех процентов.
В антенне ON7NU вопрос о высоковольтном конденсаторе настройки решен также необычно. Рулевая машинка вращает пластину ротора самодельного конденсатора относительно небольшой емкости (рис. 2), а необходимая полная емкость конденсатора, обеспечивающая резонанс рамки в диапазоне 40 метров, достигается включением параллельно ему "конденсатора" в виде отрезка коаксиального кабеля. Если у отрезка такого кабеля необходимой длины аккуратно разделать концы (чтобы исключить пробой), то "конденсатор" будет нормально работать при напряжении несколько киловольт. Именно такое напряжение будет действовать на него в рамочной антенне при мощности передатчика 100 Вт. При этом для уменьшения линейных размеров "конденсатора" кабель можно намотать на диэлектрический каркас.
Рис. 2. Вращение пластины ротора с самодельного конденсатора
Пластины самодельного конденсатора в конструкции ON7NU изготовлены из фольгированного стеклотекстолита. Подвижную пластину выполняют из материала, имеющего фольгу с двух сторон, которые соединяют электрически, пропаяв по контуру пластины. Неподвижные пластины могут иметь фольгу только с одной стороны, но тогда их нужно устанавливать фольгированной стороной так, чтобы фольга "смотрела" на подвижную пластину. Электрический контакт с подвижной пластиной обеспечивает припаянный к ней гибкий провод.
Подвижную пластину укрепляют на шайбе выходного вала машинки, а неподвижные фиксируют с помощью двух длинных винтов, которые устанавливают в "ушки" ее корпуса. Пластины конденсатора переменной емкости можно также выполнить из листовой меди или из латуни.
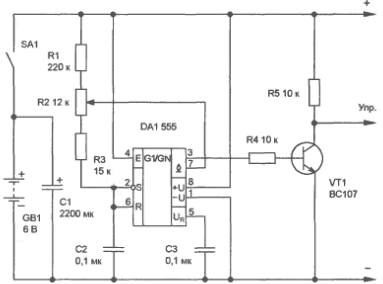
Схема генератора управляющих импульсов, выполненного на таймере 555 (КР1006ВИ1), приведена на рис. 3. Пределы изменения их длительности устанавливают подбором резисторов R1 и R3. Переменный резистор R2, изменяющий в требуемых пределах длительность выходных импульсов, должен иметь шкалу ("Частота антенны"). На ней отмечают рабочие частоты, которые определяют при настройке антенны по минимуму КСВ. Генератор, элементы питания и органы управления размещают в небольшом корпусе (рис. 4).
Рис. 3. Схема генератора управляющих импульсов, выполненного на таймере 555 (КР1006ВИ1)
Рис. 4. Генератор, элементы питания и органы управления размещают в небольшом корпусе
В собранном виде антенна ON7NU показана на рис. 5. Крестовина, на которую крепится рамка, выполнена из сантехнических пластмассовых труб диаметром 40 мм и соответствующих Т-образных переходников. Рулевая машинка с КПЕ и конденсатор постоянной
Рис. 5. Антенна ON7NU в собранном виде
Публикация: radioradar.net
Смотрите другие статьи раздела Антенны. Теория.
Читайте и пишите полезные комментарии к этой статье.
<< Назад
Последние новости науки и техники, новинки электроники:
Впервые преоодолена передача ВИЧ от матери к ребенку
02.01.2026
Проблема вертикальной передачи ВИЧ - от матери к ребенку - остается одной из ключевых задач глобальной медицины. Недавний отчет Всемирной организации здравоохранения (ВОЗ) демонстрирует историческое достижение: Бразилия впервые в своей истории полностью преодолела этот путь передачи вируса. Страна стала 19-й в мире и первой с населением более 100 миллионов человек, которая достигла такого результата.
Достижения Бразилии основаны на комплексных медицинских программах, обеспечивающих своевременный доступ к диагностике и терапии для всех слоев населения. ВОЗ официально подтвердило, что уровень передачи ВИЧ от матери к ребенку снизился до менее двух процентов. Более 95% беременных женщин в стране получают регулярный скрининг на ВИЧ и необходимое лечение в рамках стандартного ведения беременности.
Изначально программа тестировалась в крупных муниципалитетах и штатах с населением более 100 тысяч человек, а затем была масштабирована на всю страну. Такой подход позволил унифицировать ста ...>>
Нанослой германия увеличивает эффективность солнечных батарей на треть
02.01.2026
Разработка высокоэффективных солнечных батарей остается одной из ключевых задач современной энергетики. Недавнее исследование южнокорейских ученых позволило повысить производительность тонкопленочных солнечных элементов почти на 30%, что открывает новые перспективы для возобновляемых источников энергии, гибкой электроники и сенсорных устройств.
Команда исследователей сосредоточилась на элементах на основе моносульфида олова (SnS) - нетоксичного и доступного материала, который идеально подходит для гибких солнечных панелей. До настоящего времени эффективность SnS-устройств оставалась низкой из-за проблем на границе контакта с металлическим электродом. В этой области возникали структурные дефекты, диффузия элементов и электрические потери, что существенно ограничивало возможности таких батарей. "Этот интерфейс был главным барьером для достижения высокой производительности", - отмечает профессор Джейонг Хо из Национального университета Чоннам.
Для решения этих проблем ученые предлож ...>>
Электростатическое решение для борьбы с льдом и инеем
01.01.2026
Борьба с льдом и инеем на транспортных средствах и критически важных поверхностях зимой остается сложной и затратной задачей. Ученые из Virginia Tech разработали инновационную технологию, способную разрушать лед и иней без использования тепла или химических реагентов, что открывает новые возможности для безопасной и экологичной зимней эксплуатации транспорта.
Исследователи обнаружили, что лед и иней образуют кристаллическую решетку с так называемыми ионными дефектами - заряженными участками, способными перемещаться под воздействием электрического поля. Эти дефекты являются ключом к управлению прочностью льда и его удалением с поверхностей.
Когда на замерзшую поверхность подается положительный электрический заряд, отрицательные ионные дефекты притягиваются к источнику поля. Это вызывает разрушение кристаллической решетки льда, в результате чего часть льда буквально "отскакивает" от поверхности. Такой эффект позволяет удалять лед без применения внешнего тепла или химических средств ...>>
Случайная новость из Архива Мощность фотоэлементов увеличится в 10 раз
13.05.2013
IBM Research (Цюрих) и Airlight Energy SA (Бьяска, Швейцария) планируют увеличить выходную мощность фотоэлементов высокой концентрации, как минимум, десятикратно, благодаря использованию микрожидкостной системы охлаждения вместе с промышленными трехпереходными фотоэлементами.
Полученные 25-кВт электростанции с концентрацией солнечной энергии на 50-футовом параболическом зеркале будут построены в Бьяске и Рюшликоне (Швейцария) благодаря субсидии Швейцарской Комиссии Технологий и Инноваций. Вместе с IBM и Airlight Energy над проектом будут работать Швейцарский Федеральный Институт Технологии (ETH) из Цюриха и Университет Прикладных Наук из Букса (Швейцария).
"Мы используем ту же технологию водяного охлаждения, которую IBM создала для высокопроизводительных компьютеров, чтобы добиться 10-кратного уменьшения теплового сопротивления фотоэлементов, - сказал Бруно Михель (Bruno Michel), руководитель направления тепловых режимов корпусов в IBM Research. - В результате, мы показали, что промышленно выпускаемые трехпереходные фотоэлементы, которые поглощают почти весь спектр солнечной энергии с эффективностью 80%, теперь могут работать с концентрированной от 2000 до 5000 раз солнечной энергией, по сравнению с концентрацией от 300 до 500 раз для элементов с воздушным охлаждением".
Более высокая концентрация солнечной энергии достигается матрицей из 36 зеркал на 50-футовой тарелке, которая поворачивается за солнцем, направляя насыщенные энергией лучи на матрицу из более сотни трехпереходных фотоэлементов, смонтированных на центральной раме, каждый из которых генерирует 200-250 Вт. Без системы водяного охлаждения IBM концентрированная энергия солнечных лучей может создать температуру, достаточную чтобы испарить кристаллы фотоэлементов. Вместо этого микрожидкостная подложка IBM отводит тепло от фотоэлементов по иерархической системе водяных каналов.
Фотоэлектрическая тепловая система высокой концентрации (HCPVT), созданная IBM и Airlight Energy, концентрирует солнце на сотню трехпереходных фотоэлементов с микрожидкостным охлаждением и обеспечивает 25 кВт электроэнергии.
И подобно тому, как дата-центры с водяным охлаждением используют тепло воды, нагретой микросхемами, для обогрева соседних зданий, так и солнечные электростанции будут приспособлены для использования отработанной горячей воды. Однако, так как большая часть предполагаемых установок будет размещена в теплом климате, IBM экспериментирует с использованием теплой воды в абсорбционных охладительных системах, которые заменят традиционные кондиционеры, а также в установках опреснения воды.
Главной целью проекта является производство электрической энергии из солнечной, стоимость которой не будет превышать стоимости электроэнергии от генераторов, сжигающих уголь, т.е. около 5-10 центов за кВт*ч. По заявлению IBM, благодаря использованию недорогих бетона и прессованной металлической фольги стоимость промышленных тарелок должна снизится до 250 долл. за кв. м, что в три раза дешевле существующих сегодня фотоэлектрических концентраторов.
|
Другие интересные новости:
▪ Слухи о кончине ЭЛТ-дисплеев не оправдались
▪ Фитнес против рака
▪ Беременность изменяет кости матери
▪ Новый вид компьютерного спорта
▪ Карбид-кремниевые MOSFET серии CoolSiC
Лента новостей науки и техники, новинок электроники
Интересные материалы Бесплатной технической библиотеки:
▪ раздел сайта Зрительные иллюзии. Подборка статей
▪ статья Мазать дегтем. Крылатое выражение
▪ статья Опасен ли гром? Подробный ответ
▪ статья Аттестация, сертификация, экспертиза по охране труда. Справочник
▪ статья Надписи-этикетки на стекле. Простые рецепты и советы
▪ статья Источник питания повышенной мощности, 100 Вт. Энциклопедия радиоэлектроники и электротехники
Оставьте свой комментарий к этой статье:
Главная страница | Библиотека | Статьи | Карта сайта | Отзывы о сайте

www.diagram.com.ua
2000-2025