Menu Home

Бесплатная техническая библиотека для любителей и профессионалов Бесплатная техническая библиотека


Антенный эффект фидера. Энциклопедия радиоэлектроники и электротехники

Бесплатная техническая библиотека

Энциклопедия радиоэлектроники и электротехники / Антенны. Теория

Комментарии к статье Комментарии к статье

Нормальная работа антенно-фидерного тракта во многом определяет эффективность любительской радиостанции в целом. Эффект, о котором идет речь в этой статье, может ее заметно снизить, поскольку он проявляется в большинстве практических конструкций антенн (в том числе и заводского изготовления). В первой части статьи раскрываются причины возникновения антенного эффекта фидера и его влияние на работу антенно-фидерного тракта. Во второй части будут даны практические рекомендации по устранению этого влияния.

Почти каждому коротковолновику хорошо известна ситуация, когда работа на передачу создавала помехи электронной аппаратуре в доме - неоновая лампочка светится при поднесении к корпусу включенного передатчика, а прием сопровождается сильными помехами местного происхождения. Это наиболее яркие из проявлений давно знакомого, но сравнительно мало изученного антенного эффекта фидера, сущность и особенности которого изложены в статье.

Сущность и причины антенного эффекта фидера

Антенным эффектом принято называть явление излучения или приема радиоволн не предназначенными для этого предметами. Фидерная линия должна служить только для передачи высокочастотной энергии от передатчика к антенне или от антенны к приемнику. Рассмотрение причин антенного эффекта фидера (АЭФ) начнем с режима передачи.

Как известно, электромагнитное поле, излучаемое антенной, создается переменными токами, протекающими по составляющим ее проводникам. Почти всегда антенна находится не в свободном пространстве. В непосредственной близости от нее (например, в пределах длины волны l) могут находиться многие объекты. Это -провода линий электроснабжения, радиовещания и связи, проводящие мачты, опоры и оттяжки, трубы, такелаж, арматура, кузова и фюзеляжи транспортных средств, крыши и стены зданий, тело оператора и поверхность земли. Если в предметах окружения каким-то образом возникают токи (наведенные, например, ближним полем антенны), то поле излучения, создаваемое этими токами, будет складываться с полем от токов антенны. Антенну вместе с окружением будем называть антенной системой (АС). В указанных условиях характеристики АС могут сильно отличаться от расчетных характеристик собственно антенны. Чтобы характеристики АС меньше зависели от окружения, стараются поднимать антенну выше, устанавливать ее дальше от проводящих конструкций, делать неметаллические мачты, оттяжки.

Одним из ближайших и принципиально неудаляемых предметов окружения антенны является питающий ее фидер. Простейший фидер - открытая двухпроводная линия. В идеальном случае мгновенные значения токов в проводах линии в любом сечении фидера и в любой момент времени одинаковы по величине и противоположны по направлению, т.е. сумма токов обоих проводов фидера в любом сечении равна нулю. Будем называть такие токи противофазными. Открытая двухпроводная линия даже при этом условии будет излучать, причиной этого является конечное расстояние d между проводами линии. Вертикальная линия излучает в горизонтальной плоскости вертикально поляризованные волны с максимумами в плоскости линии и горизонтально поляризованные волны с максимумами перпендикулярно этой плоскости. Поле излучения пропорционально отношению d/l. Излучение двухпроводной линии минимально при согласованной нагрузке линии и заметно возрастает при рассогласовании, когда появляются стоячие волны тока.

Описанное явление (при условии строго противофазных токов в системе проводов фидера) называют антенным эффектом фидера 2-го рода (АЭФ-2) [1]. На практике он проявляется весьма слабо. Например, при частоте 145 МГц линия из телевизионного кабеля КАТВ (или КАТП) длиной l/2 при d=10 мм излучает за счет этого эффекта поле примерно в 50 раз слабее, чем подключенный к этой линии полуволновый петлевой вибратор.

Существует много причин, по которым сумма токов всех проводов в сечении фидерной линии может отличаться от нуля. На векторной диаграмме (рис. 1) показано, что при произвольной разности фаз и амплитуд токов I1 и I2 в отдельных проводах эти токи можно представить в виде суммы противофазных I1п=-I2п и синфазных I1c=I2с составляющих (последние иногда называют однотактными). Поля, создаваемые синфазными токами разных проводов, не компенсируются (как противофазных), а суммируются. Если длина фидера сравнима с l, то их сумма может создать большое дополнительное излучение. Это явление называют антенным эффектом фидера 1-го рода (АЭФ-1) [1]. Оно заметно серьезнее, чем АЭФ-2, о чем будет сказано ниже.

Антенный эффект фидера
Рис.1

Поскольку АЭФ 1 -го рода (далее просто АЭФ) связан с синфазными токами, задачу определения его причин можно свести к нахождению причин появления синфазных токов фидерной линии в режиме передачи (в режиме приема такие токи всегда возникают под действием внешних электромагнитных полей).

Рассмотрим горизонтальную дипольную антенну с двухпроводным фидером без учета "земли". Будем считать, что АС состоит только из антенны и фидера.

Поле излучения АС в каждой точке пространства есть векторная сумма полей, создаваемых токами всех проводников АС. Суммарное поле в каждой точке зависит от распределения токов по проводникам системы. Это распределение при данной частоте однозначно определяется формой, размерами и размещением проводов АС, а также способом возбуждения. Достаточно очевидные соображения приводят к выводу (подтверждаемому расчетом и практикой), что при геометрической симметрии АС и симметричном (строго противофазном) возбуждении распределение токов будет также симметричным как по проводам антенны, так и по проводам фидера. При этом сумма синфазных токов всех проводов фидера будет равна нулю.

Пример такого случая приведен на модели рис.2,а. Токи проводов симметричного фидера одинаковы по амплитуде и противофазны, это определяется симметрией плеч вибраторной антенны и симметричным расположением симметричного фидера относительно этих плеч, а также симметричным подключением генератора к началу фидерной линии.

Антенный эффект фидера
Рис.2 (нажмите для увеличения)

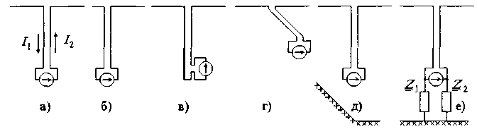
К появлению синфазных токов фидера может привести любая из следующих причин: асимметрия антенны (геометрическая асимметрия плеч, питание не в середине, рис. 2,б); асимметрия фидера (разные диаметры или длины проводов, рис. 2,в); асимметрия АС в целом (несимметричное взаимное расположение антенны и фидера, рис. 2,г). При учете "земли" сюда добавятся еще геометрическая асимметрия АС относительно "земли" (рис. 2,д) и электрическая асимметрия источника относительно "земли" (Z1 не равно Z2, рис. 2,е).

Если в предыдущей ситуации полная симметрия в принципе возможна, то при питании симметричной антенны коаксиальным (принципиально несимметричным) фидером без принятия специальных мер АЭФ-1 просто неизбежен, хотя такой фидер свободен от АЭФ-2. Особенностью коаксиальной линии является то, что на высоких радиочастотах ее можно рассматривать не как двухпроводную, а как трехпроводную линию. Токи по внутренней и наружной поверхностям оплетки кабеля могут различаться из-за скин-эффекта. Для анализа синфазных токов на модели можно представить внешнюю поверхность оплетки кабеля одним проводом, а генератор подключить непосредственно к антенне.

В случае же, когда центральный проводник кабеля будет подключен к одному плечу симметричной антенны, а оплетка к другому (модель - рис. 3,а), то даже при геометрически симметричном расположении кабеля относительно антенны в АС возникнет АЭФ. Причина - электрическая асимметрия подключения эквивалентного источника к геометрически симметричной АС (источник предполагается точечным и включен точно в центре антенны, но слева - одно плечо антенны, а справа - другое плюс наружная поверхность оплетки кабеля!).

Распределение тока при этом сильно зависит от электрической длины наружной поверхности оплетки кабеля (за счет внешней изоляции она примерно на 1% больше геометрической). При резонансной длине (целое число полуволн с учетом длины заземления для заземленного нижнего конца или целое число полуволн плюс l/4 для незаземленного конца кабеля, как в нашем случае) максимальная амплитуда синфазного тока Ic кабеля максимальна и может достигать 43% от максимальной амплитуды тока l1 левого плеча антенны (рис. 3,б).

Антенный эффект фидера
Рис.3

На этом примере удобно показать упрощенный "механизм" наведения токов по наружной поверхности оплетки, который поможет яснее представить физические процессы, приводящие к АЭФ. Одна из причин синфазного тока очевидна: это эквивалентный источник возбуждения, к одному из зажимов которого подключен наружный проводник. Однако этот проводник находится еще и в ближнем поле плеч антенны, токи в которых неодинаковы. В результате - еще одна причина синфазных токов: несимметричное, а следовательно, нескомпенсированное в месте расположения фидера ближнее поле самой антенны. Такое представление, конечно, очень примитивно, но иногда в практике борьбы с АЭФ эта вторая причина почему-то не учитывается вообще.

Существенно несимметричными относительно "земли" (или крыши) являются антенны вертикальной поляризации, находящиеся на небольшой высоте. Если даже обеспечить формальную относительную симметрию антенны и фидера (вертикальный диполь при питании сбоку), АЭФ неизбежен.

Таким образом, при работе на передачу синфазные токи фидера могут возникать по любой из следующих главных причин:

- электрическая асимметрия источника возбуждения АС или эквивалентного источника возбуждения антенны;

- геометрическая асимметрия антенной системы в целом: самой по себе и относительно земли.

В режиме приема под действием внешних электромагнитных полей на фидерную линию в ее проводах могут возникать как противофазные, так и синфазные токи. Первые возникают

в открытых двухпроводных линиях и непосредственно воздействуют на вход приемника (АЭФ 2-го рода). Синфазные токи возникают в любой фидерной линии. В силу принципа взаимности влияние этих токов на вход приемника (АЭФ 1-го рода) тем сильнее, чем больше относительная интенсивность синфазных токов фидера данной АС в режиме передачи. На правильно выполненный вход приемника непосредственно могут действовать только противофазные токи фидера. "Механизм" преобразования синфазных токов в режиме приема в противофазные подобен описанному выше для коаксиального фидера в режиме передачи. Один из путей - соединение наружной поверхности оплетки с внутренней в точке подключения антенны, а второй - через антенну, посредством несимметричного для разных плеч антенны ближнего поля синфазных токов при несимметричной АС.

Характеристики АС с учетом фидера как ее части отличаются от расчетных характеристик антенны без учета влияния фидера. Таким образом, АЭФ - это не только прием или передача непосредственно фидером, поэтому можно расширить понятие. АЭФ в широком смысле - это влияние фидера на характеристики антенной системы (как при приеме, так и при передаче).

Рассмотрим это влияние подробнее.

Проявления антенного эффекта фидера

Наиболее яркие проявления АЭФ были отмечены выше. Рассмотрим более подробно эти и возможные другие существенные проявления АЭФ. В качестве примеров возьмем горизонтальный полуволновый вибратор и широко известную вертикальную антенну GP высотой l/4 с тремя противовесами такой же длины, установленными под углом 135" к излучателю. Входное сопротивление такой антенны в свободном пространстве и без учета влияния фидера чисто активное и составляет около 50 Ом. На рис. 4 показаны диаграмма направленности (ДН) в вертикальной плоскости и распределение токов по проводам штыря (I1) и противовесов (I2 - I4) для этого случая. Все приводимые здесь характеристики получены с помощью компьютерного моделирования без учета потерь.

Антенный эффект фидера
Рис.4

При передаче могут быть следующие проявления АЭФ.

1. Появление излучения АС с неосновной поляризацией. Если основная поляризация антенны вертикальная, а фидер расположен невертикально, появится излучение фидера с горизонтальной составляющей. Если основная поляризация антенны горизонтальная, а фидер расположен негоризонтально, появится излучение фидера с вертикальной составляющей. Пример - ДН в вертикальной плоскости рис. 5 для горизонтального диполя. Вертикальная компонента поля ЕQза счет АЭФ составляет около 30% от полезной горизонтальной Еj. А это весьма нежелательный эффект, например, для приема телевидения.

2. Изменение ДН с основной поляризацией. Излучение фидера с основной поляризацией может привести к значительному изменению основной ДН (например, у вертикальных антенн в вертикальной плоскости): изменяется КНД в главном направлении (может быть как уменьшение, так и увеличение), появляются нежелательные лепестки в других направлениях. Пример - рис. 6 для антенны GP при длине незаземленного кабеля 9l/4. Если кабель с основной поляризацией не излучает, то ДН может измениться в результате нарушения симметрии возбуждения (рис. 7 для Еф горизонтального диполя).

Антенный эффект фидера
(нажмите для увеличения)

3. Изменение комплексного входного сопротивления. Для антенны GP в зависимости от длины коаксиального фидера активная составляющая R комплексного сопротивления в точках возбуждения Zвх=R+jX может изменяться в пределах от 42 до 100 Ом, а реактивная составляющая Х - от -40 до +17 Ом.

4. С изменением входного сопротивления связано изменение коэффициента стоячей волны (КСВ) в фидерной линии.

На рис. 8 приведены зависимости КСВ для антенны GP при l=10,9 м: 1 - с "обычным" подключением кабеля к антенне; 2 - с идеальной "изоляцией" внешней поверхности оплетки в месте подключения к антенне. Как видно из графиков, КСВ в обоих случаях зависит от длины фидера, чего при отсутствии синфазных токов (АЭФ) и потерь в фидере быть не должно [2]. Отметим здесь, что именно синфазные токи ведут к изменению КСВ (через Zвх), но не наоборот! Зависимость АЭФ-2 от КСВ имеет другой "механизм".

Антенный эффект фидера
Рис.8

5. Плохой КСВ означает наличие в токах фидера значительной доли стоячих волн, не участвующих в переносе ВЧ энергии. В реальном кабеле при этом возрастают потери, в результате снижается КПД антенно-фидерной системы. Синфазные токи сами по себе также приводят к дополнительным потерям подводимой к АС энергии.

6. Ухудшение ДН и КСВ, снижение КПД понижают энергетический потенциал радиолинии. Уменьшается дальность уверенного приема, и для достижения расчетного качества связи требуется увеличивать мощность. А это дополнительные затраты энергии. При этом обостряются проблемы по пунктам 7-9.

7. Изменение ДН приводит к появлению излучения в непредусмотренных направлениях, что может создать интенсивные помехи или недопустимые по санитарным нормам уровни поля.

8. Если фидер расположен вблизи других линий, например, силовых или телефонных, наличие индукционной связи с ними при наличии АЭФ может привести к серьезным затруднениям в обеспечении совместной работы радиостанции с другими радиоэлектронными средствами (сильные взаимные помехи при передаче и приеме).

9. Около фидера передающего устройства может возникнуть заметное электромагнитное поле, сравнимое с полями вблизи активных частей АС.

Все, что касается изменений общих характеристик передающих АС, в равной мере относится и к приемным АС (ДН, входной импеданс, КСВ, КПД). Внешние источники помех с неосновной поляризацией или в зоне дополнительных лепестков ДН, или вблизи фидера создадут при наличии АЭФ дополнительный помеховый фон при приеме.

Отметим некоторые общие особенности проявления АЭФ:

1. АЭФ проявляется сильнее при резонансных размерах фидера и слабее - при нерезонансных размерах.

2. Характер изменения ДН при наличии АЭФ зависит от длины фидера. Чем длиннее вертикальный фидер, тем более изрезанной становится ДН в вертикальной плоскости.

3. Усиление АС в главном направлении при наличии АЭФ может быть и больше, и меньше, чем без учета АЭФ.

4. АЭФ проявляется тем сильнее, чем в более сильном ближнем поле антенны находится фидер. В этом смысле рассмотренная антенна GP - одна из самых уязвимых.

5. У вибраторных (дипольных) антенн АЭФ проявляется сильнее, чем у рамочных.

6. У антенн вертикальной поляризации АЭФ проявляется чаще и сильнее, чем у антенн горизонтальной поляризации.

7. Влияние фидера на характеристики АС тем сильнее, чем меньше размеры антенны и ниже ее КПД. Следовательно, АЭФ очень опасен для электрически малых антенн.

8. АЭФ особенно опасен для остронаправленных и, в частности, пеленгационных антенн.

9. Проявление АЭФ в приемных АС не менее, а даже более серьезно, чем в передающих. Именно для приемных АС впервые возникла эта проблема.

Меры предупреждения и ослабления АЭФ

Способы ослабления АЭФ во многом определяются причинами, которые его вызывают. Они рассмотрены в первой части статьи. Заметим, что полностью устранить АЭФ можно только теоретически. Поэтому термины "предупреждение" и "подавление" следует понимать как разные пути ослабления вредного влияния АЭФ соответственно на этапах до и после установки антенны. В таком же порядке перечисляются средства ослабления вообще и для каждой конкретной ситуации: проектирование - установка - эксплуатация.

Для симметричных двухпроводных фидеров в симметричной АС с симметричным подключением (при отсутствии синфазных токов) АЭФ 2-го рода можно значительно ослабить различными способами и их комбинациями:
обеспечив малый КСВ в линии, уменьшив расстояние между проводами а, периодически (с шагом l<<l.) перекрестив провода (рис. 9,а и б), использовав витой шнур. Значительно меньше двухпроводной линии излучает четырехпроводная. Поле излучения четырехпроводной линии с перекрестным соединением проводов (рис. 9,в) пропорционально (d/l)2, а не d/l, как для двухпроводной. Практически совсем не проявляют АЭФ-2 в этих условиях экранированные двухпроводные линии, например, марки РД.

Антенный эффект фидера
Рис.9

Для любых фидеров более существенна борьба с АЭФ 1-го рода, особенно опасным и связанным с наличием синфазных токов в фидере.

Сначала приведем краткий обзор технических средств, пригодных для устранения АЭФ 1-го рода. В сущности, это борьба либо с появлением синфазных токов в режиме передачи, либо с их преобразованием в противофазные в режиме приема.

Симметрирующие устройства или устройства сопряжения симметричных систем с несимметричными (для краткости будем использовать английское сокращение BALUN - от balanced-to-unbalanced).

В режиме передачи условия электрической симметрии [3] определяются равенствами (рис. 10):

Z1=Z2; (1)

U1=U2; (2)

l1=l2; (3) la=lb; (4)

lc=0. (5)

Антенный эффект фидера
Рис.10

Существуют более 100 [3] разновидностей BALUN'ов и много их разных классификаций, среди которых для наших целей наиболее интересна самая простая. Большинство этих устройств можно разделить на две группы [4]: первая - обеспечивающие U1=U2 (voltage BALUN, V-BALUN); вторая - обеспечивающие I1=I2 (current BALUN, C-BALUN). К первой группе относятся, например, широко известные U-колено, малогабаритные трансформаторы [5] на ферритовых магнитопроводах (рис. 11 ,а), ко второй - запирающие для синфазных тиков устройства. Они бывают как резонансные (четвертьволновый стакан), так и апериодические (дроссельного типа). Последние также иногда изготавливают на ферритовых магнитопроводах (рис. 11,б, см. [6]). Строго говоря, первые обеспечивают равенство ЭДС в контурах с Z1 и Z2, поэтому условие (2) справедливо только при выполнении условия (1). Для симметричных систем условие (1) выполняется. А вот вторые просто представляют большое сопротивление для тока Ic (и только для него). Поэтому можно считать, что ток Ic в точке подключения кабеля к антенне близок к нулю, следовательно, I1~I2. Однако мы устранили только одну причину возникновения синфазных токов. В несимметричной АС (при геометрической асимметрии или при несимметричном возбуждении) на наружную поверхность оплетки действует еще нескомпенсированное ближнее поле антенны.

Антенный эффект фидера
Рис.11

Изолирующие устройства (Line Isolator, LI) используют для электрического разделения наружной поверхности оболочки фидера на нерезонансные участки, чтобы ослабить синфазные токи, наводимые ближним полем в несимметричной АС. Для этого на пути синфазных токов нужно обеспечить большое сопротивление в нескольких местах с интервалом l/4. В качестве LI можно использовать как резонансные, так и апериодические дроссельные устройства типа С-BALUN 1:1 (рис. 11 ,б и в). Фактически, C-BALUN 1:1 - это линейный изолятор, используемый для симметрирования. Установлено, что для хорошей эффективности апериодических LI полное сопротивление обмотки дросселя должно быть не менее 2...3 килоом. При невозможности сделать компактный дроссель на ферритовом кольце из толстого кабеля можно сделать катушку из кабеля без магнитопровода или вставить в разрыв кабеля (как центрального проводника, так и оплетки!) небольшой дроссель по рис. 11,б, намотанный двухпроводной линией, соответствующей волновому сопротивлению кабеля и мощности передатчика. Такое устройство не приводит к большим потерям, так как при большом сопротивлении синфазный ток незначительный. Магнитопровод в этом случае сильно не намагничивается, что,впрочем,свойственно всем LI и симметрирующим устройствам такого типа.

Поглотители синфазных поверхностных волн тока на коаксиальном фидере делают с использованием покрытий из ферромагнитных или диэлектрических материалов с потерями. Пример - установка на коаксиальном фидере ферритовых колец или трубок. Для хорошего ослабления на KB диапазонах потребуется 50-70 колец (рис. 12) из феррита с начальной магнитной проницаемостью m=400...1000. Зазор между оплеткой кабеля и кольцом должен быть минимальным. Поглотитель этого вида можно рассматривать как распределенный линейный изолятор с потерями.

Антенный эффект фидера
Рис.12

Значительное ослабление синфазного тока происходит и в том случае, когда вокруг кабеля есть диэлектрик с потерями (вода, почва, бетон). Убедиться в этом можно, даже обхватив пальцами место кабеля с пучностью напряжения. В этом смысле целесообразна проводка кабеля не в свободном пространстве, а в вентиляционном канале (по стене, в земле и т. п.), не говоря уже о специальных покрытиях кабеля составами с примесью графита.

Рассмотрим возможные меры и средства борьбы с АЭФ-1 в разных ситуациях.

1. Симметричная антенна, симметричный фидер:

- обеспечение геометрической симметрии АС относительно земли;

- обеспечение электрической симметрии подключения АС (фидера) к радиостанции (в частности, BALUN между фидером и радиостанцией, если подключение симметричного фидера к станции не предусмотрено).

2. Симметричная антенна, несимметричный (коаксиальный) фидер:

- симметрирующие устройства:

V-BALUN при геометрически симметричной АС (рис. 13,а), однако при существенно несимметричной АС это не поможет (рис. 13,б) и потребуется С-BALUN;

Антенный эффект фидера
Рис.13

- ВЧ изоляция наружной поверхности оплетки фидера в месте подключения к антенне - это фактически C-BALUN (рис. 13,в для нерезонансной длины кабеля; рис. 13,г для резонансной);

- дробление наружной поверхности оплетки фидера по ВЧ (серия ВЧ линейных изоляторов LI, по меньшей мере два, с шагом l/4, начиная от антенны);

- поглотители синфазной волны (ферритовые кольца);

- геометрическое симметрирование АС (при наличии симметрирующего устройства);

- подбор нерезонансной длины фидера (рис. 13,в).

3. Несимметричная антенна, симметричный фидер (не часто, но используется):

- обеспечение геометрической симметрии АС;

- обеспечение симметричного подключения фидера с обеих сторон.

4. Несимметричная антенна, несимметричный фидер (одна из наиболее распространенных комбинаций и наиболее уязвимая, здесь не спасают симметрирующие устройства типа V-BALUN):

- C-BALUN в функции линейного изолятора в точке подключения фидера к антенне (обеспечивает lc=0 в этой точке - мера здесь необходимая, но чаще всего недостаточная);

- четвертьволновые противовесы, стаканы на оплетке кабеля, запирающие дроссели, петли и бухты из кабеля;

- дробление наружной поверхности оплетки фидера по ВЧ (серия ВЧ линейных изоляторов LI в возможных пучностях тока через l/4);

- поглотители синфазной волны тока (ферритовые кольца);

- подбор нерезонансной длины фидера.

Несколько примеров характеристик антенны GP даны на рис.14:

Антенный эффект фидера
Рис.14

а - без подавления АЭФ, резонансная длина;

б - эффект подбора нерезонансной длины кабеля;

в - C-BALUN при резонансной длине;

г - C-BALUN плюс LI;

д - C-BALUN плюс два LI (сравните с рис. 4 без АЭФ).

Заземление может значительно ослабить АЭФ, однако не всегда, а только при условии перехода при этом к нерезонансной длине линии фидер+провод заземления. Если же у вас при отсутствии заземления кабель уже имеет нерезонансную длину (что само по себе еще не обеспечивает отсутствия АЭФ), то при наличии заземления эффективная длина линии фидера и заземления может стать ближе к резонансной. Более того, в тех случаях, когда до земли далеко или заземляющий провод используется для другого оборудования, целесообразно вообще отказаться от заземления по ВЧ, сохранив только защитное заземление (для защиты от последствий коротких замыканий и статического электричества). Простейшее средство для хорошей отвязки по ВЧ от питающей сети и заземляющей линии - фильтр-дроссель на ферритовом кольце из параллельных проводов сети и заземления (рис.15).

Антенный эффект фидера
Рис.15

На рис. 16 приведена общая схема подавления АЭФ рассмотренными выше техническими средствами.

Антенный эффект фидера
Рис.16

Перечислим общие направления борьбы с АЭФ:

- предвидеть и устранять возможность АЭФ на этапе планирования;

- предпринимать разумный максимум мер предупреждения его появления;

- хорошее подавление АЭФ обеспечивается комбинированным использованием нескольких перечисленных выше мер;

- после установки АС проконтролировать наличие АЭФ и при необходимости ослабить с помощью доступных средств;

- производить постоянный или периодический контроль АЭФ в процессе работы;

- абсолютно необходимо подавлять АЭФ из соображений безопасности при мощности передатчика более 100Вт.

Средства контроля АЭФ 1-го рода

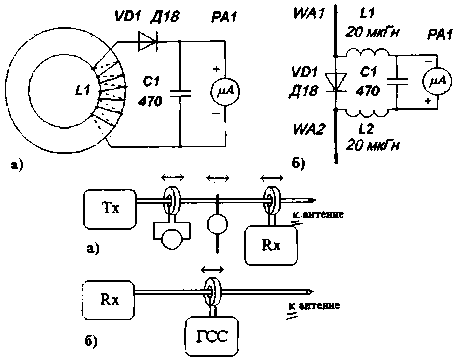
Для испытаний, мониторинга и проведения работ по подавлению АЭФ нужны средства контроля. В режиме передачи контроль производится с помощью простейших индикаторов. Самый простой из них - неоновая лампочка. Стрелочный индикатор синфазных токов можно сделать на основе трансформатора тока на кольцевом магнитопроводе из феррита марки М55НН-1 типоразмера К65х40х6 (рис. 17,а). Первичная обмотка - кабель, продетый в кольцо, вторичная - L1 имеет 10 витков провода ПЭВ-2 диаметром 0,15 мм. Чувствительность измерительной головки желательно сделать регулируемой. Кольцо перемещают вдоль кабеля так, чтобы он всегда находился в центре кольца (рис.18,а)

Антенный эффект фидера
Рис.17

Стрелочный индикатор электрического поля (см. рис. 17,б) изготовить совсем просто. Длина плеч WA1, WA2 антенны - не более 20 см. При перемещении конца одного из плеч вдоль кабеля (рис. 18,а) надо следить за тем, чтобы не изменялось расстояние между этим концом и кабелем.

Разумеется, возможны и другие виды индикаторов: с разъемным магнитопроводом, с электростатическим экраном, резонансные или широкополосные, с усилителем^ световые или звуковые и т. п.

Пеpeмeщaя индикатор вдоль фидера в режиме передачи, следят за его реакцией. При наличии АЭФ можно определить положение и оценить уровни пучностей (максимумов) тока или напряжения.

Контроль АЭФ в режиме передачи производят и с помощью приборов, используя лабораторный генератор (ГСС) и приемник (рис. 18,а). Однако результат может не совпасть с реальным АЭФ, если генератор сигнала расположен и заземлен не так, как ваш передатчик. Значительно удобнее контроль АЭФ в режиме приема (рис. 18,6). Здесь антенна подключена к своему приемнику, надо только убедиться в том, что при отсутствии связи генератора с кабелем сигнал от генератора не поступает в приемник через антенну.

Антенный эффект фидера
Рис.18

Использование АЭФ

Вообще считается, что АЭФ - это всегда и для всех плохо. Но иногда с помощью искусственно созданного распределения синфазного тока фидера можно улучшить некоторые характеристики АС (как правило, ценой ухудшения других).

Использование АЭФ для улучшения КСВ подбором длины фидера.

Высокий КСВ может привести к выходу из строя передатчика, если он не имеет автоматической защиты (понижения мощности или просто отключения). Радиолюбители давно заметили, что иногда удается добиться улучшения КСВ изменением длины фидера. Однако не все правильно представляют природу подобного явления. Это объясняется зависимостью комплексного входного импеданса АС, а следовательно, и КСВ, от длины фидера при наличии АЭФ (см. рис. 8 в первой части статьи). В частности, снижение КСВ может происходить при переходе от резонансной длины кабеля к нерезонансной (что легко проверить с помощью индикатора). Не исключено, что лучшим выходом при этом будет устранение причин АЭФ более эффективными способами, которые описаны выше.

Использование ДЭФ для улучшения диаграммы направленности.

Анализируя зависимости коэффициента усиления вертикальных антенн от длины фидера, можно заметить, что АЭФ не всегда приводит к ухудшениям. Если поле в нужном направлении и с нужной поляризацией от токов фидера складывается в фазе с полем от токов антенны, можно получить дополнительное усиление. Наиболее яркие и полезные примеры этого улучшения - создание из участка фидера симметричного противовеса для образования вертикальных антенн общей длиной 2xl/4, 2xl/2 и 2х5l/8. В простейшем случае это делается с помощью запорного дросселя с индуктивным сопротивлением не менее 2000 Ом. Чтобы хорошо ослабить токи по фидеру в "неиспользуемой" его части, целесообразно установить еще один-два таких дросселя ниже основного с интервалами l/4. В результате можно получить близкие к идеальным диаграммы в вертикальной плоскости (рис. 19). Для вертикальных антенн это, пожалуй, самый простой способ улучшения характеристик АС при питании снизу. Надо только проследить, чтобы не было паразитных резонансов мачты и оттяжек.

Антенный эффект фидера
Рис.19

Отсутствие заметного АЭФ - первое и основное требование к любым антенно-фидерным системам [8]. Антенна радиоустановки должна быть единственным источником и приемником радиоизлучения.

Проблемы, связанные с АЭФ, достаточно серьезны и решать их необходимо уже на этапе проектирования антенно-фидерных устройств.

При разработке антенн следует предусматривать устройства для снижения АЭФ. Изготовители антенн должны разрабатывать соответствующие рекомендации по установке антенн и расположению фидера. Для пользователей важно знать причины и проявления АЭФ, уметь предупреждать и контролировать их, а также бороться с ними. Возможность появления сильных полей вблизи фидера нужно учитывать при определении электромагнитной безопасности, составлении санитарного паспорта.

Литература

1. Пистолькорс А. А. Приемные антенны. - М.: Связьтехиздат, 1937.
2. Степанов Б. Так не бывает! - Радио, 1999, №6, с. 65.
3. Hu Shudao. The balun family. - Microwave Journal, 1987, September, p.227-229.
4. Belrose J., VE2CV. Transforming the balun.-QST, 1991, June, p. 30-33.
5. Бекетов В., Харченко К. Измерения и испытания при конструировании и регулировке радиолюбительских антенн.- М.: Связь, 1971.
6. Захаров В. Согласующие устройства на ферритовых магнитопроводах. - Радио, 1987, № б, с. 26-29.
7. Maxwell W., W2DU. Some aspects of the balun problem. - QST, 1983, March , p. 38-40.
8. Пистолысорс Д. Д. Антенны. - М.: Связьиздат, 1947.

Авторы: Анатолий Гречихин (UA3TZ), Дмитрий Проскуряков, Нижний Новгород; Публикация: Н. Большаков, rf.atnn.ru

Смотрите другие статьи раздела Антенны. Теория.

Читайте и пишите полезные комментарии к этой статье.

<< Назад

Последние новости науки и техники, новинки электроники:

Хорошо управляемые луга могут компенсировать выбросы от скота 15.02.2026

Животноводство, особенно разведение крупного рогатого скота, часто обвиняют в значительном вкладе в глобальное потепление из-за мощного парникового газа - метана, который выделяется при пищеварении у жвачных животных. Это вызывает острые политические споры и призывы к сокращению потребления мяса. Однако ученые напоминают, что полная картина климатического воздействия отрасли не ограничивается только выбросами от животных: огромную роль играет окружающая экосистема - пастбища, почва и растительность, которые способны активно поглощать углекислый газ из атмосферы. Исследователи из Университета Небраски-Линкольна решили глубже изучить этот баланс. Группа под руководством профессора Галена Эриксона сосредоточилась на том, как правильно организованные пастбища накапливают углерод в растениях и грунте благодаря естественным процессам, стимулируемым выпасом скота. Ученые подчеркивают, что при достаточном уровне осадков и грамотном управлении такие луга превращаются в мощные природные погло ...>>

NASA тестирует инновационную технологию крыла 15.02.2026

Коммерческая авиация ежегодно расходует колоссальные объемы керосина, что сказывается не только на бюджете авиакомпаний, но и на состоянии окружающей среды. В 2024 году глобальные затраты на авиационное топливо достигли 291 миллиарда долларов, и эта сумма продолжает расти. Чтобы справиться с этими вызовами, NASA активно работает над технологиями, способными заметно повысить аэродинамическую эффективность самолетов. Одним из самых перспективных направлений стало создание специальной конструкции крыла, которая максимизирует естественный ламинарный поток воздуха и минимизирует сопротивление. В январе 2026 года специалисты NASA Armstrong Flight Research Center успешно провели важный этап наземных испытаний концепции Crossflow Attenuated Natural Laminar Flow (CATNLF). Для эксперимента под фюзеляж исследовательского самолета F-15B закрепили вертикально ориентированную масштабную модель высотой около 0,9 м (3 фута), напоминающую узкий киль. Такая компоновка позволила подвергнуть прототип р ...>>

Забота о внуках очень полезна для здоровья мозга 14.02.2026

Общение между поколениями приносит радость всей семье, но мало кто задумывается, насколько активно бабушки и дедушки, заботящиеся о внуках, поддерживают свою умственную форму. Регулярное взаимодействие с детьми стимулирует мозг пожилых людей, помогая сохранять память, скорость мышления и общую когнитивную активность. Новые научные данные подтверждают, что такая добровольная помощь не только важна для общества, но и может замедлять возрастные изменения в мозге. Исследователи из Тилбургского университета в Нидерландах провели анализ, чтобы понять, приносит ли уход за внуками реальную пользу здоровью пожилых людей. Ведущий автор работы Флавия Черечес отметила, что многие бабушки и дедушки регулярно присматривают за детьми, и оставался открытым вопрос, насколько это положительно сказывается на их собственном благополучии, особенно в плане когнитивных функций. Ученые поставили цель выяснить, способен ли регулярный уход за внуками замедлить снижение памяти и других умственных способ ...>>

Случайная новость из Архива

Эффективный инфракрасный светодиодный кристалл от Osram 25.12.2012

Прототип инфракрасного светодиодного кристалла достиг нового рекордного показателя эффективности в 72%. В лабораторных условиях при рассеиваемой мощности в 930 мВт и рабочем токе в 1 А его светоотдача оказалась на 25% выше, чем у кристаллов, доступных в настоящее время на рынке. Это означает, что в перспективе инфракрасные светодиоды могут достичь еще более высокой энергоэффективности. Измерение эффективности было выполнено при комнатной температуре и постоянном токе в 1 А. Этот кристалл с длиной волны излучения в 850 нм, предназначен, в первую очередь, для систем инфракрасной подсветки.

Новый инфракрасный светодиодный кристалл площадью 1 мм2 имеет впечатляющую эффективность в 72% и высокую квантовую эффективность, которая сохраняется на уровне около 65% при токах до 1 А.

Результаты, полученные в исследовательской лаборатории в Регенсбурге, обозначили новую веху развития технологии ИК-кристаллов. Прототип инфракрасного кристалла площадью 1 мм2, изготовленный по тонкопленочной технологии, достиг эффективности в 72% при рабочем токе в 100 мА. Эта эффективность, известная как излучательная (или "розеточная") эффективность (wall plug efficiency - WPE), показывает отношение излучаемой мощности к входной электрической мощности.

Внешняя квантовая эффективность (external quantum efficiency - EQE) инфракрасного кристалла, другими словами, вероятность создания фотона и его эмиссии из светодиодного кристалла на один электрон, достигает 7% и остается выше 64% при рабочих токах до 1 А.

Длина волны излучения прототипа кристалла в 850 нм идеальна для инфракрасной подсветки, в частности, для систем слежения и применения в камерах охранного видеонаблюдения. Имеется также возможность применения этих кристаллов в системах безопасности автомобилей, например, в датчиках предаварийного состояния, а также в качестве источников света для систем ночного видения.

"Метод, который был использован для увеличения эффективности и яркости этих кристаллов, может быть перенесен с длины волны в 850 нм на другие длины волн, - отметил Маркус Брёль (Markus Broll), менеджер проекта по разработкам в области ИК-кристаллов в компании Osram Opto Semiconductors в Регенсбурге. - Это означает, что в будущем станет возможным создавать высокоэффективные решения для систем инфракрасного освещения". В многокристальных приложениях потребуется меньшее число компонентов, что обеспечит экономию средств и энергии.

Другие интересные новости:

▪ Передача данных через черные дыры

▪ Компьютерная мышь без границ

▪ Напитки из мяса

▪ Радиопосуда в столовых

▪ Камни в печени и спорт

Лента новостей науки и техники, новинок электроники

 

Интересные материалы Бесплатной технической библиотеки:

▪ раздел сайта Цифровая техника. Подборка статей

▪ статья Попутчики. Крылатое выражение

▪ статья Опасны ли угри? Подробный ответ

▪ статья Фрезеровщик. Должностная инструкция

▪ статья Теромопреобразователи сопротивления. Энциклопедия радиоэлектроники и электротехники

▪ статья Сверхнизковольтный преобразователь напряжения, 1,5 вольт. Энциклопедия радиоэлектроники и электротехники

Оставьте свой комментарий к этой статье:

Имя:


E-mail (не обязательно):


Комментарий:





Главная страница | Библиотека | Статьи | Карта сайта | Отзывы о сайте

www.diagram.com.ua

www.diagram.com.ua
2000-2026