Menu Home

Бесплатная техническая библиотека для любителей и профессионалов Бесплатная техническая библиотека


Мощный ламповый усилитель с глубокой ООС 80 ватт на лампах 6Р3С. Энциклопедия радиоэлектроники и электротехники

Бесплатная техническая библиотека

Энциклопедия радиоэлектроники и электротехники / Усилители мощности ламповые

Комментарии к статье Комментарии к статье

При конструировании ламповых усилителей мощности звуковой частоты (УМЗЧ) многие авторы используют выходные каскады, работающие в классе А. Аргументируют они свое решение минимальным коэффициентом нелинейных искажений подобных каскадов. Однако каскады, работающие в классе А, имеют достаточно приличный начальный ток анода (рабочая точка лежит на середине линейного участка характеристики лампы). Следовательно, КПД лампы будет весьма низким. Постоянный ток, протекающий через лампу, будет разогревать ее электроды. Если не предусмотреть принудительного охлаждения ламп, то их электроды будут интенсивно разрушаться. Следует отметить, что при построении усилителей класса А с выходной мощностью 10...20 Вт, еще можно создать компактную систему охлаждения. Но если усилитель рассчитывать, например, на 100 Вт, то придется сооружать весьма громоздкий "охладитель".

Поэтому выгоднее использовать более экономичный режим работы ламп в классе В. Недостатком данного режима является повышенный уровень нелинейных искажений. Связано это с тем, что в данном режиме рабочая точка лампы лежит в более нелинейном начальном участке характеристики лампы. При двухтактной схеме включения ламп это вызывает искажения в виде "ступеньки". Существует весьма простой способ компенсации подобных искажений. Для этого усилитель необходимо охватить глубокой отрицательной обратной связью.

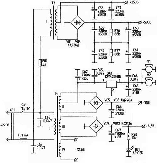
Предлагаемый усилитель питается от двухтрансформаторного источника питания (рис. 1). Трансформатор ТЗ обеспечивает питанием анодные цепи всей схемы и сеточные цепи выходных ламп усилителя, Т4 формирует накальные напряжения, напряжения смещения на сетках выходных ламп и напряжение для питания вентиляторов, охлаждающих усилитель. Для уменьшения уровня фона накал ламп предварительного усилителя осуществляется от источника постоянного тока.

Мощный ламповый усилитель с глубокой ООС 80 ватт на лампах 6Р3С . Двухтрансформаторный источник питания
Рис. 1. Двухтрансформаторный источник питания

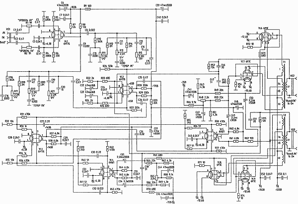
Принципиальная схема усилителя изображена на рис. 2. На малогабаритном двойном триоде VL1 собран предварительный усилитель. Уровни входных сигналов регулируются переменными резисторами R1 и R2. Сигналы левого и правого каналов подаются на трехполосные регуляторы тембра. Далее сигналы через компенсирующий усилитель на двойном триоде VL2 поступают на фазоинверторы на двойном триоде VL3. Корректирующие RC-цепи, подключенные к катодам триодов VL2, снижают нелинейные искажения усилителя и предотвращают его самовозбуждение на инфранизких частотах. На анодах VL3 получаются противофазные сигналы, необходимые для работы двухтактных выходных каскадов. Противофазные сигналы "раскачиваются" предварительными усилителями на двойных триодах VL4, VL5 до уровней, необходимых для возбуждения выходных ламп VL6...VL9. Оба тетрода в каждой лампе для увеличения отдаваемой мощности включены параллельно. Нагрузкой ламп служат выходные трансформаторы Т1, Т2.

Мощный ламповый усилитель с глубокой ООС 80 ватт на лампах 6Р3С
Рис. 2. Принципиальная схема усилителя (нажмите для увеличения)

Параметры усилителя
Полоса частот (при неравномерности АЧХ ±1,5 дБ}, Гц 20...26000
Чувствительность со входов, мВ 250
Входное сопротивление, МОм 1
Номинальная выходная мощность, Вт 80
Пиковая выходная мощность, Вт 120
Коэффициент нелинейных искажений (при выходной мощности 50 Вт), %, не более 0,4
Уровень фона 50 Гц, не более, дБ 80
Выходное сопротивление, Ом 8

Трансформаторы согласуют высокое сопротивление ламп с сопротивлением акустических систем.

Усилитель собирается в дюралюминиевом корпусе. Вентиляторы М1 и М2 располагают таким образом, чтобы они обдували выходные лампы. XS1 - гнездо "JACK" или "miniJACK". R1, R2, R11, R13, R15, R17, R19, R21 - любые переменные резисторы подходящего типа. SA1 должен выдерживать ток до 6 А при напряжении питания 220 В. Для Т1 и Т2 используют Ш-образные сердечники с сечением 32x64 мм. Обмотки I, III содержат по 600 витков провода ПЭВТЛ-2 d0,4 мм, а обмотки IIа и IIб - по 100 витков того же провода. Обмотка IV содержит 70 витков провода ПЭВ-2 d1,2 мм. ТЗ и Т4 наматываются на тороидальных сердечниках сечением 65x25 мм (Т3) и 40x25 мм (Т4). Т3 имеет первичную обмотку, состоящую из 600 витков провода ПЭВТЛ-2 d0,8 мм, и вторичную, состоящую из двух обмоток по 570 витков того же провода. Первичная обмотка Т4 состоит из 1600 витков провода ПЭВТЛ-2 d0,31 мм, обмотка II - 500 витков того же провода, III и IV - 52 и 104 витка провода ПЭВТЛ-2 d0,8 мм. Порядок намотки обмоток для Т1 и Т2 показан на рис. 3.

Мощный ламповый усилитель с глубокой ООС 80 ватт на лампах 6Р3С . Порядок намотки обмоток для Т1 и Т2
Рис. 3. Порядок намотки обмоток для Т1 и Т2

Налаживание усилителя начинают с источника питания. Снимают с панелек лампы VL6...VL9 и включают питание. При этом должен загореться HL1, а М1 и М2 должны заработать. Измеряют постоянные выходные напряжения, которые должны отличаться от указанных по схеме не более чем на ±10%. Движки регуляторов громкости устанавливают в крайнее правое, а регуляторов тембра - в среднее положение. Временно отключают цепи ООС (R52, С46, С47, R75, С38, С51). На входы ЛК и ПК подают синусоидальные сигналы частотой 1 кГц и амплитудой 250 мВ. Двухканальным осциллографом контролируют противофазные сигналы на анодах ламп VL4, VL5 (их амплитуды должны быть одинаковыми, а форма неискаженной). Устанавливают на место VL6...VL9, а к выходам подключают либо акустические системы, либо (лучше) эквиваленты нагрузки (резисторы 8 Ом х 150 Вт). На выходе также должен наблюдаться неискаженный сигнал. Восстанавливают цепи ООС. Если усилитель будет самовозбуждаться, следует подобрать емкости С38, С47 или резисторы R52, R75. При этом нельзя сильно уменьшать ООС, поскольку соответственно увеличится коэффициент нелинейных искажений. На этом настройка усилителя заканчивается.

В целях правильной эксплуатации усилителя следует помнить, что включение усилителя без нагрузки категорически воспрещается. Несоблюдение данного требования приведет к выходу из строя выходных ламп и трансформаторов.

Автор: В. Федоров, г. Липецк; Публикация: cxem.net

Смотрите другие статьи раздела Усилители мощности ламповые.

Читайте и пишите полезные комментарии к этой статье.

<< Назад

Последние новости науки и техники, новинки электроники:

Власть является ключевым фактором счастья в отношениях 11.03.2026

Исследования семейных и романтических отношений показывают, что длительное счастье пары зависит не только от привычных факторов, таких как доверие, уважение и преданность, но и от более тонких психологических аспектов. Современные ученые ищут закономерности, которые отличают действительно счастливые пары от остальных, чтобы понять, какие механизмы поддерживают гармонию в отношениях. Группа исследователей из Университета Мартина Лютера в Галле-Виттенберге и Бамбергского университета провела опрос среди 181 пары, которые состояли в совместных отношениях более восьми лет и прожили вместе хотя бы месяц. Участники заполняли анкету, описывая различные аспекты своих отношений, включая распределение обязанностей, эмоциональную поддержку и степень вовлеченности в совместные решения. Анализ данных показал интересный паттерн: пары, где оба партнера ощущали высокий уровень личной власти, оказывались наиболее счастливыми и удовлетворенными. В данном контексте под властью понимается способност ...>>

Защищенная колонка-повербанк Anker Soundcore Boom Go 3i 11.03.2026

Компания Anker представила новую модель линейки Soundcore - колонку Soundcore Boom Go 3i, ориентированную на активное использование на улице. Новинка отличается высокой степенью защиты: корпус соответствует стандарту IP68, что обеспечивает водо- и пыленепроницаемость, а ударопрочный дизайн выдерживает падение с высоты до одного метра. За качество звука отвечает 15-ваттный драйвер, обеспечивающий пик громкости до 92 дБ, а технология BassUp 2.0 усиливает низкие частоты, делая звучание более насыщенным. Колонка обладает автономностью до 24 часов, а LED-индикатор позволяет контролировать уровень заряда батареи. Кроме того, Soundcore Boom Go 3i может выполнять функцию павербанка: согласно внутренним тестам, устройство способно зарядить iPhone 17 с нуля до 40% за один час, что делает его полезным аксессуаром в походах и поездках. Среди функциональных особенностей модели стоит выделить технологию Auracast, которая улучшает подключение и позволяет создавать стереопару из двух колонок ...>>

Раннее воздержание от алкоголя перестраивает мозг и иммунитет 10.03.2026

Алкогольная зависимость - хроническое расстройство с компульсивным употреблением спиртного, которое влияет не только на поведение, но и на функционирование мозга и иммунной системы. Недавние исследования показали, что даже на ранних этапах воздержания организм начинает перестраиваться, открывая новые возможности для терапии зависимости. Ученые сосредоточились на пациентах, находящихся в первые недели абстиненции, и зафиксировали значительные изменения в мозговой активности. С помощью функциональной магнитно-резонансной томографии они выявили перестройку сетей нейронных связей, отвечающих за контроль импульсов и принятие решений. Эти изменения могут быть ключевыми для восстановления самоконтроля и снижения риска рецидива. Одновременно с нейронной перестройкой исследователи наблюдали колебания иммунной системы. В крови повышался уровень цитокинов - сигнальных белков, регулирующих воспалительные процессы. Эти данные свидетельствуют о существовании нейроиммунного взаимодействия, при ...>>

Случайная новость из Архива

Компьютеры видят не хуже приматов 31.12.2014

В течение многих десятилетий нейрофизиологи пытались разработать компьютерные сети, которые смогли бы имитировать визуальные навыки, которые человеческий мозг делает очень быстро и точно - например, распознавание объектов.

До сих пор ни одна компьютерная модель не была в состоянии соответствовать мозгу приматов в части визуального распознавания объектов за короткий взгляд. Тем не менее, новое исследование ученых Массачусетского технологического института показывает, что последнее поколение так называемых "глубоких" нейронных сетей вполне соответствует возможностям мозга приматов.

Ученые начали создавать нейронные сети в 1970-х годах в надежде имитировать способность мозга обрабатывать визуальную информацию, распознавать речь и понимать язык. В основе нейронных сетей лежит иерархический принцип представления визуальной информации в головном мозге: от сетчатки глаза в первичную зрительную кору, а затем в нижневисочную кору, на каждом уровне детализируясь вплоть до полной идентификации. Для имитации этого процесса ученые создают несколько слоев вычислений в своих моделях нейронных сетей. Каждый уровень выполняет определенную математическую операцию и на каждом уровне представления о визуальном объекте становятся все более и более сложными, а ненужная информация, такая как местоположение объекта или его движение, отбрасывается.

В нынешнем исследовании ученые впервые измерили способность мозга распознавать объекты, имплантировав электроды в кору головного мозга приматов, а затем сравнили полученные данные с результатами вычислений глубоких нейронных сетей. Результаты показали, что нейронные сети достигли уровня обработки визуальной информации, соответствующего головному мозгу приматов.

Теперь ученые собираются усовершенствовать нейронные сети, наделив их возможностью отслеживать движения объектов и распознавать трехмерные формы.

Другие интересные новости:

▪ Создана самая сильная кислота

▪ Электромагнитный полуплащ-невидимка

▪ Управление мозговыми волнами

▪ Молочные фермы неолита

▪ Нанотехнологии для укрепления бетона

Лента новостей науки и техники, новинок электроники

 

Интересные материалы Бесплатной технической библиотеки:

▪ раздел сайта Заводские технологии на дому. Подборка статей

▪ статья Ну теперь твоя душенька довольна? Крылатое выражение

▪ статья Где прошли первые современные Олимпийские игры? Подробный ответ

▪ статья Делаем холод. Детская научная лаборатория

▪ статья Ключевой синхронный детектор. Энциклопедия радиоэлектроники и электротехники

▪ статья Пропановая горелка. Энциклопедия радиоэлектроники и электротехники

Оставьте свой комментарий к этой статье:

Имя:


E-mail (не обязательно):


Комментарий:




Комментарии к статье:

Виктор
Грамотная схема, но лучше режим 'А' (с подбором ламп).

Алексей
Интересно.

Толя
Какой транс силовой можно применить один, например ОСМ 04 [?]


Главная страница | Библиотека | Статьи | Карта сайта | Отзывы о сайте

www.diagram.com.ua

www.diagram.com.ua
2000-2026